ARD2智能电动机保护器
引言
由于生产自动化及各种自动控制、顺序控制设备的出现,要求电机经常运行在频繁的起动、制动、正反转、间歇以及变负荷等方式,电机的运行要求越来越高,运行环境也越来越苛刻,同时,由于电机与配套机械连在一起,当电机发生故障时,经常波及生产系统。因此,对电机实行有效的保护是保证生产系统正常工作的一项重要任务。
本文将要介绍的是ARD2型电动机保护器的经济、简洁的设计方法和应用。该型保护器主要用于对电动机运行状态的监测,并针对电动机在生产运行过程中出现的启动超时、欠压、过压、欠载、过载、短路、堵转/阻塞、断相、不平衡、剩余电流(接地/漏电)等故障进行保护,使电动机不至于因为以上原因而导致损坏,从而使生产遭受损失,采用ARD2电动机保护器能有效提高电动机运行的安全性,降低生产损失,是传统热继电器的理想替代品。
1 技术指标
ARD2型智能电动机保护器的技术指标见表1。
表 1

2 设计方法
目前市场上综合型的智能电动机保护器的设计主要采用交流采样方式+高性能单片机的方案,采用该设计方法的电动机保护器测量参数多、测量精度高、能够提供更完善的保护功能,但是采用此设计方法的成本较高,销售价格也高,在只需要对电动机提供过载、断相等基本常见故障保护的场合没有性价比可言。因此采用一种设计简单、功能能够满足基本保护要求、主要用于替代热继电器的智能电动机保护器将会有很大的市场。ARD2型保护器就是一款设计简洁,保护功能较多,能够满足大多数电动机保护要求的经济型的智能电动机保护器。
ARD2型智能电动机保护器采用低成本的设计方案,整体系统由信号处理单元、中央处理单元、电源模块、人机交互单元、人机界面、控制模块、通讯接口模块等构成,装置硬件结构如图1所示。

图 1
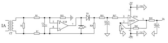
2.1 信号处理单元
信号处理单元采用整流放大滤波电路,见图2,该电路能将采样得到的交流信号整流成直流信号,由CPU片内AD进行转换计算。

图 2
图中IC1为运算放大器LM324,采用双电源供电,这样可以保证LM324输出电压达到5V充分利用A/D转换提高显示精度。IC1将采样得到的信号进行两级放大处理,提高了信号的采样精度,保证了信号的线性度。
2.2 中央处理单元
中央处理单元选用MOTOROLA公司的第一款基于高度节能型S08核的器件MC9S08AW32高性能单片机,该单片机片上资源丰富,抗干扰能力突出。内含32K字节用户程序空间,片上集成2K的RAM,支持BDM片上调试功能,片内集成看门狗电路,片上集成8通道10位AD。外部扩展了铁电存储器,用于存储一些重要的参数,即使以后升级程序也不会丢失先前的重要数据。
CPU对采样信号进行处理计算,根据测量得到的电流、电压值与预先设定的各种保护数值进行对比,由此来判断电动机的运行状态是否正常,是否需要进行保护。中央处理单元电路见图3。

图 3
2.3 电源模块
采用AC380V电源模块。该电源模块输入电压为AC220V~450V,输入频率45Hz~60Hz,输出电压稳定、故障率小,输出纹波 <1%,转换效率≥75%。具有过压、过流保护。该模块经实际现场使用,具有很高的稳定性、可靠性和抗干扰能力。
2.4 人机交互单元
人机交互单元采用LED显示和按键输入,系统采用单排四位LED数码管显示各种信息。用户可根据实际需要进行设置。在编程状态下显示菜单及参数。数码管显示采用动态扫描方式,其驱动电路使用一片74HC595加三极管构成。
2.5 控制模块
控制模块主要由开关量输入、输出组成,见图4。开关量输入用于监测外部开关状态,也可根据客户要求用于电动机的起动、停止控制;开关量输出主要用于输出报警信号、脱扣信号和远程起动信号。

图 4
2.6 通讯接口模块
通讯接口模块采用通用的RS-485、Modbus RTU通讯规约,能实现遥测、遥控、遥信等功能,见图5。

图 5
2.7 整体设计
保护器采用主体模块和电流互感器模块分离的结构如图6。该结构非常适合安装于抽屉式开关柜。安装时将带显示的保护主体部分嵌入式的安装在开关抽屉的活动面板内,这样既简化了柜内接线、又方便了系统随时调整、设定参数和显示、监控,同时数字化的显示面板也增添了柜面的统一性和美观性,使得配电室内的设备运行情况及故障状态一目了然,极大的方便了系统巡视和检修维护。互感器部分采用DIN35导轨式安装方式,方能够按照用户的测量需求,更换不同量程的电流互感器。

图 6
2.8 软件设计
本产品的主软件流程图如图7所示,主程序包括A/D子程序、保护子程序、计算显示子程序、按键处理子程序、通讯子程序等子程序,由于程序内容较多,现只给出主程序流程和保护子程序流程图,见图8。
自动化 电动机 电流 继电器 单片机 电源模块 电路 放大器 电压 看门狗 LED 三极管 嵌入式 相关文章:
- 基于ARM与DSP的嵌入式运动控制器设计(04-25)
- 多核及虚拟化技术在工业和安全领域的应用(05-23)
- 基于nRF2401智能小区无线抄表系统集中器设计(04-30)
- 解密波音747飞机中的Sperry垂直陀螺仪(05-06)
- lns构架智能小区安防及关键技术应用研究(06-09)
- 基于MSP430及PROFIBUS的监测子站设计(06-12)
