ARD2智能电动机保护器

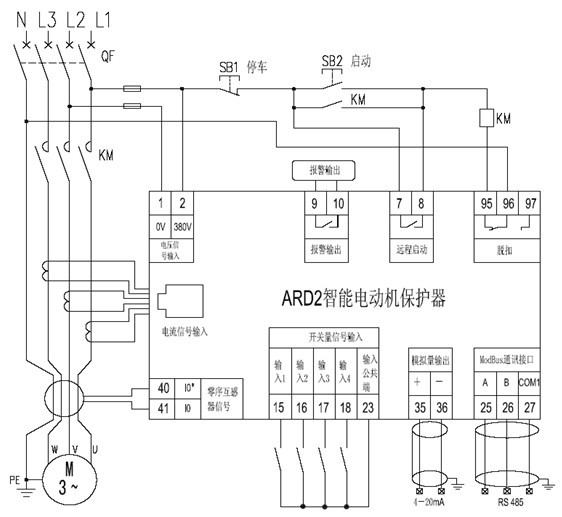
图 7

图 8
3 功能简介
ARD2智能电动机保护器按额定工作电压可分为AC380V、AC220V;按工作电流范围来分可分为6.3A(1.6A~6.3A)、25A(25A~100A)、100A(25A~100A)、250A(63A~250A)、800A(250A~800A)五个测量档位。实现对电动机运行中出现的启动超时、欠压、过压、欠载、过载、短路、堵转/阻塞、断相、不平衡、剩余电流(接地/漏电)等故障进行保护。并能在此基础上增加各种附加功能,主要有:
1)远程起动功能:由上位机通过通讯控制保护器的起动继电器,来实现远程起动电动机。
2)报警功能:当电动机运行状态出现故障时,在还未达到预先设定的脱扣时间前进行报警提示。
3)通讯功能:RS-485通讯功能,能够通过通讯接口将保护器检测得到的电动机运行的各种参数实时传送给后台主控设备,方便工作人员及时了解电动机的工作状态。
4)漏电保护:开放漏电保护监测功能,当电动机的运行环境出现漏电情况时,及时切断电动机的供电电源。
5)开关量输入:用于监测外部开关的分合状态,也可按客户要求进行起、停控制。
6)事件记录:记录保护器的最近8次脱扣动作产生的时间和原因,方便维护人员查看和检修。
7)4~20mA模拟量输出:提供直流4~20mA电流信号。
4 典型应用
图9为采用直接启动接线方式的ARD2智能电动机保护器典型应用图。用户可通过按动外部启动按钮SB2或通过上位机远程控制保护器的启动继电器来启动电机。其控制方式为:当启动按钮SB2按下或远程启动继电器7、8闭合,则接触器KM的吸引线圈处于通电状态,使接触器KM的主触头和自锁触头KM闭合,启动电动机。此时,松开SB2或启动继电器7、8断开后接触器KM的吸引线圈还是处于通电状态,主触头和自锁触头KM仍旧处于闭合状态,电动机处于通电状态。一旦电动机正常启动后,保护器就对电动机的运行状态进行监测,当电动机出现故障状态后,ARD2保护器的脱扣继电器动作,常闭触点95、96断开,使接触器KM的吸引线圈断电,使接触器KM的主触头和自锁触头的状态由合变为分,切断电动机的供电,使电动机停车。

图 9
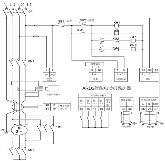
图10为电动机采用Y—∆转换启动接线方式的ARD2智能电动机保护器典型应用图。在图5中,时间继电器KT的触头状态为吸引线圈失电时的状态,即“常态”。当启动按钮SB2或远程启动继电器7、8闭合,则接触器KM1线圈通电,使KM1的主触头和自锁触头KM1闭合,同时,时间继电器KT吸引线圈通电,由于延时作用,它的触头不立即动作,于是接触器KM3线圈通电,接于主回路中的KM3的主触头闭合,电动机进行星型连接降压启动状态,同时KM3的互锁触头断开,使接触器KM2的吸引线圈不能通电,电动机运行于Y型供电方式。当时间继电器KT的延时时间到,时间继电器KT的延时断开常闭触头断开,使接触器KM3吸引线圈断电,主触头KM3断开,同时时间继电器KT的延时闭合常开触头闭合,接触器KM2的吸引线圈通电,主触头KM2闭合,电动机供电方式改为∆型连接,进入正常运行状态。与此同时,KM2的互锁触头断开,使接触器KM3吸引线圈不会通电。一旦电动机正常启动后,保护器就对电动机的运行状态进行监测,当电动机出现故障状态后,ARD2保护器的脱扣继电器动作,常闭触点95、96断开,使接触器KM的吸引线圈断电,使接触器KM的主触头和自锁触头的状态由合变为分,切断电动机的供电,使电动机停车。

图 10
5 选型注意
在实际使用过程中,应注意严格按照电动机的额定电流来选择保护器,防止人为放大和缩小保护范围;避免由于量程太大或太小而造成的测量误差,从而使保护器无法正常对电动机进行保护。
由于ARD2保护器采用主体模块和电流互感器模块分离的结构,所以在现场使用时应注意按出厂编号将保护器主体与互感器配对使用。但考虑到会有维修更换保护器或互感器的情况发生,因此只要保护器主体和互感器的产品型号一样,可以任意配和使用,不会对测量保护产生影响。
保护器的设计定位为替代热继电器,故保护器本身不提供对电动机的起动、停止控制及各种起动控制方式。对电动机各种起动控制方式的实现需要外部电路的支持。
6 结语
ARD2智能电动机保护器的功能较多,能够对电动机运行中遇到的各种类型的故障进行准确的报警显示和脱扣动作,能有效的防止电机意外烧毁的发生,能为用户节约大量的资金,是热继电器的理想替代产品。因此,广泛采用电动机智能保护器,不但可以提高工艺控制的准确性、科学性,降低事故率,而且对于提高电气控制系统的自动化水平和发展国民经济,也能起到积极的推动作用。
自动化 电动机 电流 继电器 单片机 电源模块 电路 放大器 电压 看门狗 LED 三极管 嵌入式 相关文章:
- 基于ARM与DSP的嵌入式运动控制器设计(04-25)
- 多核及虚拟化技术在工业和安全领域的应用(05-23)
- 基于nRF2401智能小区无线抄表系统集中器设计(04-30)
- 解密波音747飞机中的Sperry垂直陀螺仪(05-06)
- lns构架智能小区安防及关键技术应用研究(06-09)
- 基于MSP430及PROFIBUS的监测子站设计(06-12)
