ARTU四遥单元在低压智能配电中的应用
时间:02-10
来源:互联网
点击:

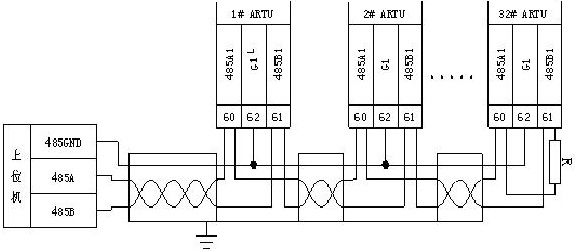
图6
采用该方案的硬件成本如下:64只AKH-0.66S双绕组电流互感器,约增加成本10560元,2台ARTU-M32遥测单元,成本7200元,1台ARTU-P32遥脉单元成本为3500元,3台ARTU-K32遥信单元,成本10500元,5台ARTU-J16遥控单元成本19500元。32块DTM862-2成本为8000元。如果使用智能化的网络仪表来实现以上功能,需要选用ACR210E(测量三相电流及有功电能,带通讯接口)配2DI/2DO(2路遥信2路遥控)的方案,马达回路由于需要监测的参数较多,需要配4DI/4DO(4路遥信4路遥控)的开关量模块,32只此款仪表成本85760元,相比第一种方案增加成本44.7%。
5 结束语
2007年12月,国家继电保护及自动化设备质量监督检验中心对ARTU四遥单元产品性能指标、电磁兼容、通讯规约进行测试检验,符合相关要求。该产品已在青海油田供水供电公司、苏州税务大厦、内蒙古镶黄旗林煤矿等工程配电监控系统中得到应用,降低了投资成本,产生了较好的社会和经济效益。
电流 总线 继电器 GPS 电动机 电阻 自动化 相关文章:
- 航天器DC/DC变换器的可靠性设计(02-12)
- 基于nRF2401智能小区无线抄表系统集中器设计(04-30)
- 卫星电源分系统可靠性设计与研究(02-12)
- 采用信号调理IC驱动应变片电桥传感器(05-26)
- 解密波音747飞机中的Sperry垂直陀螺仪(05-06)
- 安森美90W太阳能LED街灯高能效解决方案(05-18)
