ARTU四遥单元在低压智能配电中的应用
时间:02-10
来源:互联网
点击:
1 引言
随着对生命、财产安全及电器节能管理考核的日趋重视,低压配电需要智能监控的应用场合越来越广泛。目前采用多功能电力监控仪表,对低压配电回路电流、电能进行遥测,对断路器的合闸、脱扣状态进行遥信和记录,并利用上位机软件通过仪表对断路器进行控制。虽然该方案能满足低压智能配电的要求,但每一馈线均需一台监控仪表,成本高、投资大,用户难以承受。
本文介绍在传统的低压配电线路上,增加ARTU四遥单元,实现对低压配电智能化低成本的多回路监控。
2 产品特点
ARTU四遥单元包括遥测单元、遥脉单元、遥信单元、遥控单元四个规格。外观见图1,采用DIN35mm导轨安装。前端带通信指示和信号运行通道指示2组信号灯,通信有两路RS485接口,一路用于通用参数的设置及调试,另一路用于读取和设置“四遥”值。产品顶端设有拨码开关窗口,可通过拨码开关设置产品通讯地址和波特率。辅助电源有24Vdc或220Vac/dc两种供选择,整机功耗小于5W,防护等级达IP20。产品符合JB/T10388-2002《带总线通信功能的智能测控节点产品通用技术条件》、GB/T7261-2000《继电器及装置基本试验方法》和GB/T13729-2002《远动终端设备》标准。
3 四遥单元的功能及应用
3.1 ARTU-M32遥测单元
3.1.1 产品功能
ARTU-M32能同时采信32路交流或直流模拟信号,如0-20mA ac、0-5V dc、4-20mA dc等模拟量,经AC/DC转换,与上位机通讯RS485总线连接进行数据交换。32路双色指示灯用于指示每路输入信号的当前状态,绿灯表示正常状态,红灯表示紧急状态,黄色表示警示状态。遥测刷新速度小于1s,精度达0.5。
3.1.2 产品应用
以检测16路馈线的工作电流为例,一次方案见图2(a),电流互感器采用AKH-0.66S低压双绕组互感器,用于电流采集,一次侧额定电流5A-6300A,二次输出有2个绕组,一组输出0-5A(或1A),给99T1、6L等指针表作当地显示电流值,另一组输出交流0-20mA,给ARTU-M32单元远传遥测,见图2(b),电流测量回路通过指针表显示各馈线回路相应的电流值,遥测回路利用通讯端口远程集中显示各回路电流值。
3.2 ARTU-P32遥脉单元
3.2.1 产品功能
ARTU-P32遥脉单元采集32路电能脉冲信号,通过RS485总线与上位机连接进行数据交换,具有计数值掉电保护功能。脉冲宽度大于10ms,最大累积脉冲数4294967296个。上位机采集得到的电能脉冲数除以该回路电能表的脉冲常数(imp/kWh),就为该回路的电能数据。该遥脉单元还有GPS校时功能。
3.2.2 产品应用
以计量32个馈线电能为例,电能表采用DTM862-2型,一次方案见图3(a),电能脉冲采集二次见图3(b)。使用传统的机械式电能表附带脉冲接口,利用智能化的脉冲接收装置实现远程集中式抄表功能。
3.3 ARTU-K32遥信单元
3.3.1 产品功能
ARTU-K32可接受32路有源或无源接点,把开关量信号转换为数字信号,经通讯实现和上位机监控系统的数据交换,32个通道扫描一周所需时间为1ms,可记录2000组事件容量,带GPS校时功能。
3.3.2 产品应用
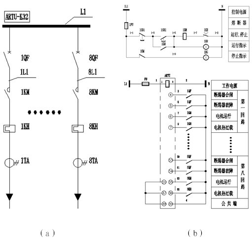
1台ARTU-K32可以监控8条马达回路或16路照明回路的工作状态。以监测马达回路为例,一次方案见图4(a),由配辅助、故障触点的NS断路器、LC1交流接触器、LR2热继电器和AKH-0.66P保护型互感器组成。每条马达回路监测4组节点,即断路器合闸、故障触点,电机运行(接触器)状态触点,电机热过载(热继电器)触点,1台ARTU-K32监测8条马达回路。见图4(b),通过现场启停按钮控制马达的运行与停车,现场红、绿指示灯同步显示马达的工作状态,遥信单元则可通过监测各元件触点的动作值远程显示马达的工作状态。
3.4 ARTU-J16遥控装置功能及应用
3.4.1 产品功能
ARTU-J16通过RS485总线与上位机相连,作为远程继电器输出模块,用于接收计算机指令,执行系统的遥控操作或自动控制,继电器输出共16路,继电器触点容量5A/250VAC或5A/30VDC,遥控准确率100%,可记录1600组事件顺序记录,带GPS校时功能。
3.4.2 产品应用
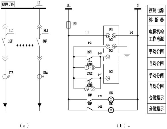
以1台ARTU-J16控制8路低压馈线为例,CM1断路器配电动机操作机构,一次方案见图5(a),控制方式见图5(b)。启停按钮现场手动控制各回路断路器的合、分闸,遥控单元通过通讯接口集中控制8路断路器的工作状态,实现断路器就地与远程两地控制的工作模式。
4 应用实例
以某工程为例,需监控32条低压馈线并组网,其中16路为照明回路、16路为马达回路,每条馈线均需测量三相电流、电能,并进行故障记录、防误跳。每条馈线的A相、C相电流采用AKH-0.66S双绕组互感器采集,32条馈线用2台ARTU-M32遥测单元测量并远程,B相电流默认为A相与C相的平均值;每条馈线的电能计量采用DTM862-2电度表,用1台ARTU-P32采集电能脉冲信号,并将数据上传,实现电能无人抄表。用1台ARTU-K32监测16路照明回路开关状态,2台ARTU-K32监测16路马达回路工作状况,并实现事件记录。用4台ARTU-J16控制32条馈线的断路器防误跳,1台ARTU-J16控制16条马达回路的接触器,控制马达运行状态。
当多个ARTU组网使用时,最后一个的RS485的A和B端子上应并接入一个终端匹配电阻R,以保证通讯阻抗匹配,终端匹配电阻一般在120Ω-10kΩ之间,布线不同终端匹配电阻可能会不同。正确接入RS485总线,并连接至上位机。上位机根据模块的站号和波特率,按规约格式下发命令。此时模块的通信指示灯闪烁,表明模块已收到上位机命令并应答,即通讯已经建立,见图6。
随着对生命、财产安全及电器节能管理考核的日趋重视,低压配电需要智能监控的应用场合越来越广泛。目前采用多功能电力监控仪表,对低压配电回路电流、电能进行遥测,对断路器的合闸、脱扣状态进行遥信和记录,并利用上位机软件通过仪表对断路器进行控制。虽然该方案能满足低压智能配电的要求,但每一馈线均需一台监控仪表,成本高、投资大,用户难以承受。
本文介绍在传统的低压配电线路上,增加ARTU四遥单元,实现对低压配电智能化低成本的多回路监控。
2 产品特点
ARTU四遥单元包括遥测单元、遥脉单元、遥信单元、遥控单元四个规格。外观见图1,采用DIN35mm导轨安装。前端带通信指示和信号运行通道指示2组信号灯,通信有两路RS485接口,一路用于通用参数的设置及调试,另一路用于读取和设置“四遥”值。产品顶端设有拨码开关窗口,可通过拨码开关设置产品通讯地址和波特率。辅助电源有24Vdc或220Vac/dc两种供选择,整机功耗小于5W,防护等级达IP20。产品符合JB/T10388-2002《带总线通信功能的智能测控节点产品通用技术条件》、GB/T7261-2000《继电器及装置基本试验方法》和GB/T13729-2002《远动终端设备》标准。

图1
3 四遥单元的功能及应用
3.1 ARTU-M32遥测单元
3.1.1 产品功能
ARTU-M32能同时采信32路交流或直流模拟信号,如0-20mA ac、0-5V dc、4-20mA dc等模拟量,经AC/DC转换,与上位机通讯RS485总线连接进行数据交换。32路双色指示灯用于指示每路输入信号的当前状态,绿灯表示正常状态,红灯表示紧急状态,黄色表示警示状态。遥测刷新速度小于1s,精度达0.5。
3.1.2 产品应用
以检测16路馈线的工作电流为例,一次方案见图2(a),电流互感器采用AKH-0.66S低压双绕组互感器,用于电流采集,一次侧额定电流5A-6300A,二次输出有2个绕组,一组输出0-5A(或1A),给99T1、6L等指针表作当地显示电流值,另一组输出交流0-20mA,给ARTU-M32单元远传遥测,见图2(b),电流测量回路通过指针表显示各馈线回路相应的电流值,遥测回路利用通讯端口远程集中显示各回路电流值。

图2
3.2 ARTU-P32遥脉单元
3.2.1 产品功能
ARTU-P32遥脉单元采集32路电能脉冲信号,通过RS485总线与上位机连接进行数据交换,具有计数值掉电保护功能。脉冲宽度大于10ms,最大累积脉冲数4294967296个。上位机采集得到的电能脉冲数除以该回路电能表的脉冲常数(imp/kWh),就为该回路的电能数据。该遥脉单元还有GPS校时功能。
3.2.2 产品应用
以计量32个馈线电能为例,电能表采用DTM862-2型,一次方案见图3(a),电能脉冲采集二次见图3(b)。使用传统的机械式电能表附带脉冲接口,利用智能化的脉冲接收装置实现远程集中式抄表功能。

图3
3.3 ARTU-K32遥信单元
3.3.1 产品功能
ARTU-K32可接受32路有源或无源接点,把开关量信号转换为数字信号,经通讯实现和上位机监控系统的数据交换,32个通道扫描一周所需时间为1ms,可记录2000组事件容量,带GPS校时功能。
3.3.2 产品应用
1台ARTU-K32可以监控8条马达回路或16路照明回路的工作状态。以监测马达回路为例,一次方案见图4(a),由配辅助、故障触点的NS断路器、LC1交流接触器、LR2热继电器和AKH-0.66P保护型互感器组成。每条马达回路监测4组节点,即断路器合闸、故障触点,电机运行(接触器)状态触点,电机热过载(热继电器)触点,1台ARTU-K32监测8条马达回路。见图4(b),通过现场启停按钮控制马达的运行与停车,现场红、绿指示灯同步显示马达的工作状态,遥信单元则可通过监测各元件触点的动作值远程显示马达的工作状态。

图4
3.4 ARTU-J16遥控装置功能及应用
3.4.1 产品功能
ARTU-J16通过RS485总线与上位机相连,作为远程继电器输出模块,用于接收计算机指令,执行系统的遥控操作或自动控制,继电器输出共16路,继电器触点容量5A/250VAC或5A/30VDC,遥控准确率100%,可记录1600组事件顺序记录,带GPS校时功能。
3.4.2 产品应用
以1台ARTU-J16控制8路低压馈线为例,CM1断路器配电动机操作机构,一次方案见图5(a),控制方式见图5(b)。启停按钮现场手动控制各回路断路器的合、分闸,遥控单元通过通讯接口集中控制8路断路器的工作状态,实现断路器就地与远程两地控制的工作模式。

图5
4 应用实例
以某工程为例,需监控32条低压馈线并组网,其中16路为照明回路、16路为马达回路,每条馈线均需测量三相电流、电能,并进行故障记录、防误跳。每条馈线的A相、C相电流采用AKH-0.66S双绕组互感器采集,32条馈线用2台ARTU-M32遥测单元测量并远程,B相电流默认为A相与C相的平均值;每条馈线的电能计量采用DTM862-2电度表,用1台ARTU-P32采集电能脉冲信号,并将数据上传,实现电能无人抄表。用1台ARTU-K32监测16路照明回路开关状态,2台ARTU-K32监测16路马达回路工作状况,并实现事件记录。用4台ARTU-J16控制32条馈线的断路器防误跳,1台ARTU-J16控制16条马达回路的接触器,控制马达运行状态。
当多个ARTU组网使用时,最后一个的RS485的A和B端子上应并接入一个终端匹配电阻R,以保证通讯阻抗匹配,终端匹配电阻一般在120Ω-10kΩ之间,布线不同终端匹配电阻可能会不同。正确接入RS485总线,并连接至上位机。上位机根据模块的站号和波特率,按规约格式下发命令。此时模块的通信指示灯闪烁,表明模块已收到上位机命令并应答,即通讯已经建立,见图6。
电流 总线 继电器 GPS 电动机 电阻 自动化 相关文章:
- 航天器DC/DC变换器的可靠性设计(02-12)
- 基于nRF2401智能小区无线抄表系统集中器设计(04-30)
- 卫星电源分系统可靠性设计与研究(02-12)
- 采用信号调理IC驱动应变片电桥传感器(05-26)
- 解密波音747飞机中的Sperry垂直陀螺仪(05-06)
- 安森美90W太阳能LED街灯高能效解决方案(05-18)
