基于ATmega128的32路遥信单元的设计及应用
时间:02-10
来源:互联网
点击:
在电力及工业自动化控制系统中,存在着大量如断路器的分合、电机的启停,电磁阀的开闭等执行机构状态需要检测并把状态反馈回控制单元,从而构成闭环控制。在以往的系统设计中常使用多个PLC或带有通讯和开关量输入功能的现场仪表组成一个远程自动控制系统,但PLC高昂的成本和繁琐的系统结构给自动化设计、应用带来困扰。
本文介绍一款具有32路遥信接点输入的ARTU-K32,该装置可接受32路有源或无源接点,把开关量信号经通讯实现和上位机监控系统的数据交换,32个通道扫描一周仅需时间为1ms,同时拥有2000组输入状态事件记录,带GPS校时功能,在外部电源掉电后可以保证SOE事件记录一个月内不丢失,相对以往控制方式,本设计在简化控制网络结构的同时,提供了一种低成本,高可靠性的替代方案。
1 电路设计原理
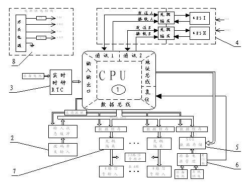
ARTU-K32遥信单元硬件电路包括主CPU芯片、拨码开关设定输入、实时时钟、双路RS485通讯、SOE事件记录存储、看门狗控制、光电隔离输入采集、供电电源模块等8部分组成。(见图1)
1.1 主控CPU
32路开关量信号采集单元(ARTU-K32)设计采用ATMEL公司的ATmega128,单芯片实现双路RS485通讯、数据处理、事件记录存取,显示状态控制等。ATmega128是ATMEL公司推出的一款8位RISC结构高速低功耗单片机,在16M时钟频率时系统性能可达16MIPS,内带128k的Flash、4k的EEPROM、4k系统SRAM;可扩展64k外部存储器;两路UART通讯口。同时该芯片拥有JTAG在线编程口,方便用户调试,降低了开发成本,53个可编程I/O口可以挂接足够多的外围设备。
1.2 拨码开关设定输入
拨码开关提供用户一个简化的人机接口,用于设定RS485通讯中的地址、波特率、数据格式等设定功能,拨码开关(SW1)的10位数据口都接10k电阻上拉到Vcc,电路使用一个74HC244(IC5)数据缓冲器,把拨码开关的状态传送到8位数据总线,剩余两根数据线则直接接到CPU的I/O端口。(见图2)
1.3 实时时钟
实时时钟芯片RX-8025A(IC4)提供给系统SOE事件的时间记录点,该芯片拥有400kHz 串行IIC总线接口,其内置的32.768 kHz 石英振荡器,提供宽温、高稳定性的实时时间数据。
1.4 通讯方式
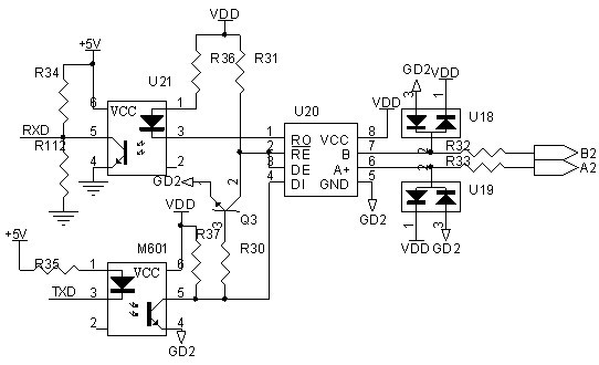
通讯方式采用双路RS485方式,调试及设定和上位机通讯部分在物理上分成两路,互不干扰,有效防止可能存在的误操作。(见图3)
1.5 SOE事件记录存储
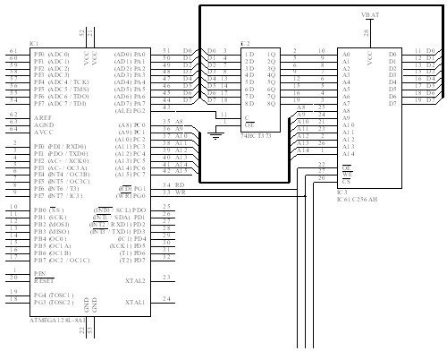
SOE事件记录存储器使用32k低功耗SRAM(IC3)IC61C256AH和后备电源形成一个断电不丢失的数据存储单元,使用数据锁存器74HC373(IC2)和CPU的PC端口组成15位数据地址对IC3进行数据存储操作。(见图4)
1.6 看门狗控制
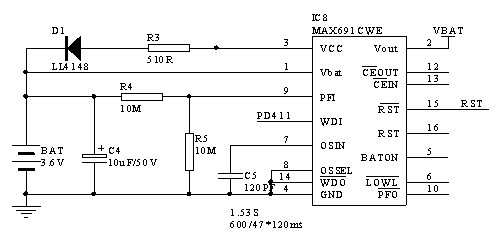
掉电自动保存部分使用MAX691CWE(IC8)作为电源管理,在系统有辅助供电的情况下保证IC3由主电源Vcc供电,当主电源掉电时则自动切换到后备电池供电方式。同时此芯片还兼有看门狗功能,在系统死机的极端情况下及时复位CPU,使系统快速恢复至受控状态。(见图5)
1.7 光电隔离的输入信号状态采集
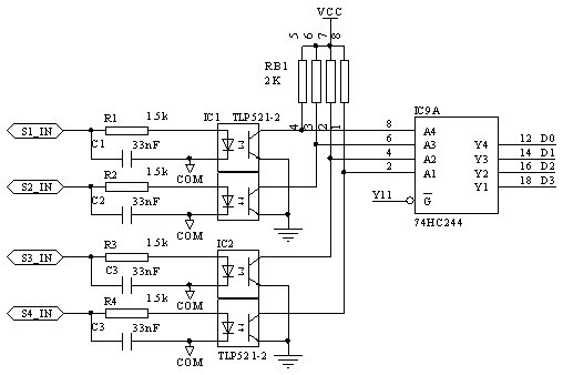
外部开关信号采集使用光耦(IC1,IC2只画出其中四路)作电器隔离,光耦输出端使用一个数据缓冲器74HC244(IC9)对光耦输出信号进行缓冲后传送到CPU的数据总线供CPU读取。(见图6)
1.8 电源部分
电源模块采用PI公司的开关电源芯片,输入范围为AC/DC 80-270V,电源共有3路输出,分别给CPU,12V电源输出、通讯等部分电路提供电源。
2 软件设计
软件流程见图7
3 产品结构特点
ARTU-K32采用DIN35mm导轨安装。前端带通信指示和信号运行通道指示2组指示灯,通信有两路RS485接口,(使用ModBus—RTU协议)一路用于通用参数的设置及调试,另一路用于和上位机通讯。产品顶端设有拨码开关窗口,可通过拨码开关设置产品通讯地址和波特率。产品符合JB/T10388-2002《带总线通信功能的智能测控节点产品通用技术条件》、GB/T7261-2000《继电器及装置基本试验方法》和GB/T13729-2002《远动终端设备》标准。
4 产品主要技术指标见表1
本文介绍一款具有32路遥信接点输入的ARTU-K32,该装置可接受32路有源或无源接点,把开关量信号经通讯实现和上位机监控系统的数据交换,32个通道扫描一周仅需时间为1ms,同时拥有2000组输入状态事件记录,带GPS校时功能,在外部电源掉电后可以保证SOE事件记录一个月内不丢失,相对以往控制方式,本设计在简化控制网络结构的同时,提供了一种低成本,高可靠性的替代方案。
1 电路设计原理
ARTU-K32遥信单元硬件电路包括主CPU芯片、拨码开关设定输入、实时时钟、双路RS485通讯、SOE事件记录存储、看门狗控制、光电隔离输入采集、供电电源模块等8部分组成。(见图1)

图1 电路结构
1.1 主控CPU
32路开关量信号采集单元(ARTU-K32)设计采用ATMEL公司的ATmega128,单芯片实现双路RS485通讯、数据处理、事件记录存取,显示状态控制等。ATmega128是ATMEL公司推出的一款8位RISC结构高速低功耗单片机,在16M时钟频率时系统性能可达16MIPS,内带128k的Flash、4k的EEPROM、4k系统SRAM;可扩展64k外部存储器;两路UART通讯口。同时该芯片拥有JTAG在线编程口,方便用户调试,降低了开发成本,53个可编程I/O口可以挂接足够多的外围设备。
1.2 拨码开关设定输入
拨码开关提供用户一个简化的人机接口,用于设定RS485通讯中的地址、波特率、数据格式等设定功能,拨码开关(SW1)的10位数据口都接10k电阻上拉到Vcc,电路使用一个74HC244(IC5)数据缓冲器,把拨码开关的状态传送到8位数据总线,剩余两根数据线则直接接到CPU的I/O端口。(见图2)

图2 拨码开关设定输入电路
1.3 实时时钟
实时时钟芯片RX-8025A(IC4)提供给系统SOE事件的时间记录点,该芯片拥有400kHz 串行IIC总线接口,其内置的32.768 kHz 石英振荡器,提供宽温、高稳定性的实时时间数据。
1.4 通讯方式
通讯方式采用双路RS485方式,调试及设定和上位机通讯部分在物理上分成两路,互不干扰,有效防止可能存在的误操作。(见图3)

图3 双路RS485通讯电路
1.5 SOE事件记录存储
SOE事件记录存储器使用32k低功耗SRAM(IC3)IC61C256AH和后备电源形成一个断电不丢失的数据存储单元,使用数据锁存器74HC373(IC2)和CPU的PC端口组成15位数据地址对IC3进行数据存储操作。(见图4)

图4 事件记录存储电路
1.6 看门狗控制
掉电自动保存部分使用MAX691CWE(IC8)作为电源管理,在系统有辅助供电的情况下保证IC3由主电源Vcc供电,当主电源掉电时则自动切换到后备电池供电方式。同时此芯片还兼有看门狗功能,在系统死机的极端情况下及时复位CPU,使系统快速恢复至受控状态。(见图5)

图5 看门狗电路
1.7 光电隔离的输入信号状态采集
外部开关信号采集使用光耦(IC1,IC2只画出其中四路)作电器隔离,光耦输出端使用一个数据缓冲器74HC244(IC9)对光耦输出信号进行缓冲后传送到CPU的数据总线供CPU读取。(见图6)

图6 信号状态采集
1.8 电源部分
电源模块采用PI公司的开关电源芯片,输入范围为AC/DC 80-270V,电源共有3路输出,分别给CPU,12V电源输出、通讯等部分电路提供电源。
2 软件设计
软件流程见图7

图7 软件流程图
3 产品结构特点
ARTU-K32采用DIN35mm导轨安装。前端带通信指示和信号运行通道指示2组指示灯,通信有两路RS485接口,(使用ModBus—RTU协议)一路用于通用参数的设置及调试,另一路用于和上位机通讯。产品顶端设有拨码开关窗口,可通过拨码开关设置产品通讯地址和波特率。产品符合JB/T10388-2002《带总线通信功能的智能测控节点产品通用技术条件》、GB/T7261-2000《继电器及装置基本试验方法》和GB/T13729-2002《远动终端设备》标准。
4 产品主要技术指标见表1
产品主要技术指标 表1
性能 | 指 |
输入回路/方式 | 32路有源湿接点或无源干接点 |
总线方式 | 二线制半双工RS485(ModBus—RTU)建议采用三芯屏蔽线 |
总线容量 | ≤32 |
开关量事件分辨率 | 多接点相继变位的区分能力,任两个接点变位时间间隔大于1毫秒 |
自动化 PLC GPS 电路 看门狗 电源模块 单片机 MIPS 电阻 总线 振荡器 电源管理 开关电源 继电器 相关文章:
- 基于ARM与DSP的嵌入式运动控制器设计(04-25)
- 多核及虚拟化技术在工业和安全领域的应用(05-23)
- 基于nRF2401智能小区无线抄表系统集中器设计(04-30)
- 解密波音747飞机中的Sperry垂直陀螺仪(05-06)
- lns构架智能小区安防及关键技术应用研究(06-09)
- 基于MSP430及PROFIBUS的监测子站设计(06-12)
