基于ATmega128的32路遥脉单元设计及应用
时间:02-10
来源:互联网
点击:
随着国家机关大楼、大型公共建筑能耗计量考核规范的推出,主要电气干线加装电能计量装置已成为设计、审图和竣工验收的内容之一,有条件的省市还要建立能耗监测系统。
但已建楼宇主要电气干线上一般安装的往往是壁挂式机械电能表,不带RS485通讯接口,拆除重装智能表既造成浪费,又增加成本。本文介绍一款具有32路遥脉接点输入的ARTU-P32,该装置可接受32路有源或无源电能脉冲信号,把各路脉冲分别进行累加计数,再经通讯实现和上位机监控系统的数据交换,既不浪费原有电表,又实现电能集中抄表,减少人工抄表成本,提高管理效率。
1 电路设计原理
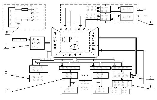
ARTU-P32遥脉单元硬件电路包括,主CPU芯片、拨码开关设定输入、实时时钟、双路RS485通讯、脉冲计数存储、电源管理及看门狗控制、光电隔离输入采集、供电电源模块等8部分组成。(见图1)
1.1 主控CPU
32路开关量信号采集单元(ARTU-P32)设计采用ATMEL公司的ATmega128,单芯片实现双路RS485通讯、数据处理、脉冲记录存取,显示状态控制等。ATmega128是ATMEL公司推出的一款8位RISC结构高速低功耗单片机,在16M时钟频率时系统性能可达16MIPS,内带128k的Flash、4k的EEPROM、4k系统SRAM;可扩展64k外部存储器;两路UART通讯口。同时该芯片拥有JTAG在线编程口,方便用户调试,降低了开发成本,53个可编程I/O口可以挂接足够多的外围设备。
1.2 拨码开关设定输入
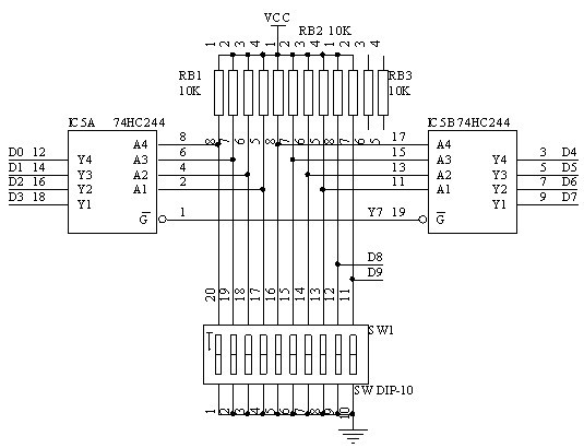
拨码开关提供用户一个简化的人机接口,用于设定RS485通讯中的地址、波特率、数据格式等设定功能,拨码开关(SW1)的10位数据口都接10k电阻上拉到Vcc,电路使用一个74HC244(IC5)数据缓冲器,把拨码开关的状态传送到8位数据总线,剩余两根数据线则直接接到CPU的I/O端口。(见图2)
1.3 实时时钟
实时时钟芯片RX-8025A(IC4)提供给系统当前时间数据,该芯片拥有400kHz 串行IIC总线接口,其内置的32.768 kHz 石英振荡器,提供宽温、高稳定性的实时时间数据。
1.4 通讯方式
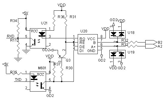
通讯方式采用双路RS485方式,调试及设定和上位机通讯部分在物理上分成两路,互不干扰,有效防止可能存在的误操作。(见图3)
1.5 脉冲计数存储
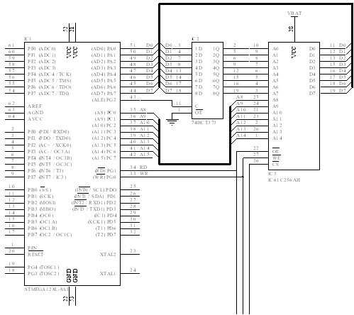
脉冲计数存储器使用32k低功耗SRAM(IC3)IC61C256AH和后备电源形成一个断电不丢失的数据存储单元,使用数据锁存器74HC373(IC2)和CPU的PC端口组成15位数据地址对IC3进行数据存储操作。(见图4)
1.6 看门狗控制
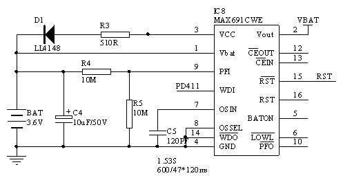
掉电自动保存部分使用MAX691CWE(IC8)作为电源管理,在系统有辅助供电的情况下保证IC3由主电源Vcc供电,当主电源掉电时则自动切换到后备电池供电方式。同时此芯片还兼有看门狗功能,在系统死机的极端情况下及时复位CPU,使系统快速恢复至受控状态。(见图5)
1.7 光电隔离的输入信号状态采集
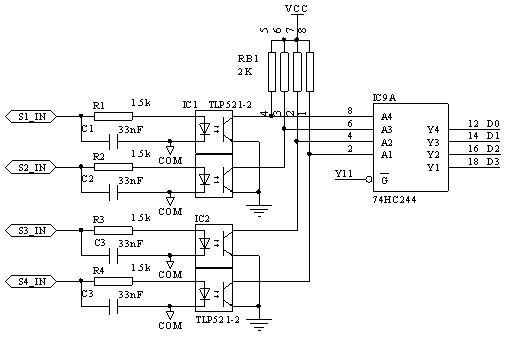
外部开关信号采集使用光耦(IC1,IC2只画出其中四路)作电器隔离,光耦输出端使用一个数据缓冲器74HC244(IC9)对光耦输出信号进行缓冲后传送到CPU的数据总线供CPU读取。(见图6)
1.8 电源部分
电源模块采用PI公司的开关电源芯片,输入范围为AC/DC 80-270V,电源共有3路输出,分别给CPU,12V电源输出、通讯等部分电路提供电源。
2 软件设计
软件流程见图7
3 产品特点
ARTU-P32采用DIN35mm导轨安装。前端带通信指示和信号运行通道指示2组指示灯,32个通道扫描一周仅需时间为1ms,每个输入通道可以最大计数到4294967296,同时带GPS校时功能,可实现电能计数的冻结、解冻等功能,在外部电源掉电后可以保证脉冲数据记录一个月内不丢失。通信有两路RS485接口,一路用于通用参数的设置及调试,另一路用于和上位机通讯。产品顶端设有拨码开关窗口,可通过拨码开关设置产品通讯地址和波特率。产品符合JB/T10388-2002《带总线通信功能的智能测控节点产品通用技术条件》、GB/T7261-2000《继电器及装置基本试验方法》和GB/T13729-2002《远动终端设备》标准。
4 技术指标
产品主要技术指标详见表1
5 应用案例
以计量32个电气干线电能为例,电能表为DTM862-2型,一次方案见图8(a),电能脉冲采集二次见图8(b)。使用传统的机械式电能表附带脉冲接口,利用智能化的脉冲接收装置实现远程集中式抄表功能。
但已建楼宇主要电气干线上一般安装的往往是壁挂式机械电能表,不带RS485通讯接口,拆除重装智能表既造成浪费,又增加成本。本文介绍一款具有32路遥脉接点输入的ARTU-P32,该装置可接受32路有源或无源电能脉冲信号,把各路脉冲分别进行累加计数,再经通讯实现和上位机监控系统的数据交换,既不浪费原有电表,又实现电能集中抄表,减少人工抄表成本,提高管理效率。
1 电路设计原理
ARTU-P32遥脉单元硬件电路包括,主CPU芯片、拨码开关设定输入、实时时钟、双路RS485通讯、脉冲计数存储、电源管理及看门狗控制、光电隔离输入采集、供电电源模块等8部分组成。(见图1)

图1 电路结构
1.1 主控CPU
32路开关量信号采集单元(ARTU-P32)设计采用ATMEL公司的ATmega128,单芯片实现双路RS485通讯、数据处理、脉冲记录存取,显示状态控制等。ATmega128是ATMEL公司推出的一款8位RISC结构高速低功耗单片机,在16M时钟频率时系统性能可达16MIPS,内带128k的Flash、4k的EEPROM、4k系统SRAM;可扩展64k外部存储器;两路UART通讯口。同时该芯片拥有JTAG在线编程口,方便用户调试,降低了开发成本,53个可编程I/O口可以挂接足够多的外围设备。
1.2 拨码开关设定输入
拨码开关提供用户一个简化的人机接口,用于设定RS485通讯中的地址、波特率、数据格式等设定功能,拨码开关(SW1)的10位数据口都接10k电阻上拉到Vcc,电路使用一个74HC244(IC5)数据缓冲器,把拨码开关的状态传送到8位数据总线,剩余两根数据线则直接接到CPU的I/O端口。(见图2)

图2 拨码开关设定输入电路
1.3 实时时钟
实时时钟芯片RX-8025A(IC4)提供给系统当前时间数据,该芯片拥有400kHz 串行IIC总线接口,其内置的32.768 kHz 石英振荡器,提供宽温、高稳定性的实时时间数据。
1.4 通讯方式
通讯方式采用双路RS485方式,调试及设定和上位机通讯部分在物理上分成两路,互不干扰,有效防止可能存在的误操作。(见图3)

图3 双路RS485通讯电路
1.5 脉冲计数存储
脉冲计数存储器使用32k低功耗SRAM(IC3)IC61C256AH和后备电源形成一个断电不丢失的数据存储单元,使用数据锁存器74HC373(IC2)和CPU的PC端口组成15位数据地址对IC3进行数据存储操作。(见图4)

图4 脉冲计数存储电路
1.6 看门狗控制
掉电自动保存部分使用MAX691CWE(IC8)作为电源管理,在系统有辅助供电的情况下保证IC3由主电源Vcc供电,当主电源掉电时则自动切换到后备电池供电方式。同时此芯片还兼有看门狗功能,在系统死机的极端情况下及时复位CPU,使系统快速恢复至受控状态。(见图5)

图5 看门狗电路
1.7 光电隔离的输入信号状态采集
外部开关信号采集使用光耦(IC1,IC2只画出其中四路)作电器隔离,光耦输出端使用一个数据缓冲器74HC244(IC9)对光耦输出信号进行缓冲后传送到CPU的数据总线供CPU读取。(见图6)

图6 信号状态采集
1.8 电源部分
电源模块采用PI公司的开关电源芯片,输入范围为AC/DC 80-270V,电源共有3路输出,分别给CPU,12V电源输出、通讯等部分电路提供电源。
2 软件设计
软件流程见图7

图7 软件流程图
3 产品特点
ARTU-P32采用DIN35mm导轨安装。前端带通信指示和信号运行通道指示2组指示灯,32个通道扫描一周仅需时间为1ms,每个输入通道可以最大计数到4294967296,同时带GPS校时功能,可实现电能计数的冻结、解冻等功能,在外部电源掉电后可以保证脉冲数据记录一个月内不丢失。通信有两路RS485接口,一路用于通用参数的设置及调试,另一路用于和上位机通讯。产品顶端设有拨码开关窗口,可通过拨码开关设置产品通讯地址和波特率。产品符合JB/T10388-2002《带总线通信功能的智能测控节点产品通用技术条件》、GB/T7261-2000《继电器及装置基本试验方法》和GB/T13729-2002《远动终端设备》标准。
4 技术指标
产品主要技术指标详见表1
表1
项 目 | 指 |
输入回路/方式 | 32路有源湿接点或无源干接点 |
总线方式 | 二线制半双工RS485,ModBus—RTU协议 |
总线容量 | ≤32 |
脉冲宽度 | ≥10ms |
累积脉冲数(MAX) | 4294967296(四字节) |
外壳防护等级 | IP20 |
电源 | DC24V或AC/DC200V |
电源功耗 | <5W |
5 应用案例
以计量32个电气干线电能为例,电能表为DTM862-2型,一次方案见图8(a),电能脉冲采集二次见图8(b)。使用传统的机械式电能表附带脉冲接口,利用智能化的脉冲接收装置实现远程集中式抄表功能。
电路 电源管理 看门狗 电源模块 单片机 MIPS 电阻 总线 振荡器 开关电源 GPS 继电器 自动化 相关文章:
- 一种新型防伪读码器的设计(01-01)
- 基于ARM与DSP的嵌入式运动控制器设计(04-25)
- 航天器DC/DC变换器的可靠性设计(02-12)
- 基于ARM核的AT75C220及其在指纹识别系统中的应用(05-24)
- 基于nRF2401智能小区无线抄表系统集中器设计(04-30)
- 卫星电源分系统可靠性设计与研究(02-12)
