电气控制中的抗干扰措施
时间:12-12
来源:互联网
点击:
一、共模干扰
当现场多路信号,如4~20mA、0~10mA、1~5V同时输入多个控制器时,如下图所示。
对于传感器输出的电流信号,只经PLC和变频器的输入阻抗之和不大于传感器的输出负载阻抗即可,压力传感器的信号可以同时串入PLC和变频器,如只有压力传感器信号,则PLC和变频器也都可以正常接收压力传感器的信号。而当液位传感器的信号也同时接入PLC和变频器时,因PLC接收信号的-端都在变频器的+端,当两传感器的信号电流不一样时,就有可能使PLC两-端的电位有较大的差异,就就形成了共模干扰电压。如PLC输入端又互相不是隔离的,则会造成PLC的模拟信号输入端接收不正常。变频器的两输入信号是在PLC的后面,其-端电位可保持在变频器内部电路设定的状态,问题不大。
解决的办法如下图所示,在PLC输入信号的一端加装隔离模块,此时PLC的两个-端中,由于一个是处于隔离状态,所以不会出现两个-端一高一低,与PLC内部电路不相适应的现象。
二、变频器干扰
由于变频器输出的正统波中有许多高次谐波,这些谐波分量通过电源线,耦合、感应等方式传播,严重时不但会造成传感器或电子设备不能正常工作,还会造成变频器自身出现接地故障不能正常工作。常采取的措施有以下几项:
变频器按说明书正确可靠接地;
变频器载波频率要尽是设低一此,降低谐波辐射强度,减少位移电流;
变频器输出侧安装输出电抗器,减少电缆的电磁辐射和位移电流;
与变频器连接的输入输出信号用隔离模块或中间继电器隔离开;
变频器电源输入侧安装输入电抗器,减少变频器对电网的谐波污染;
在变频器的中间直流环节串接直流电抗器提高功率因数。
三、电源干扰
很多干扰信号是通过电源线传播的,对于控制线路和控制装置,其电源可采用1:1的隔离变压器供电,并将隔离变压器的屏蔽端可靠抗议地,如下图所示:
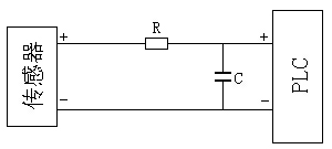
四、传感器输出信号的抗干扰
传感器到PLC(或其它控制器)去的弱电信号,可采用阻容滤波的方法减少干扰,如下图所示。
传感器的输出信号,不论是电压还是电流,经过R、C阻容滤波,信号中的高频干扰信号被滤掉,输出信号就平滑了。如传感器是电压信号,电阻R可以大一些,1K~几百K均可,电容C从0.1~10uF;如是电流信号,则电阻R及PLC侧的输入电阻之和不能大于传感器的最大电阻值,多数情况下R≤500Ω,电容C的值从0.1~10uF间。
五、控制器的开关量输入
有时PLC或其它控制器的开关量输入由于受外界干扰影响而瞬间输入错误,导致PLC产生误动作,这时在PLC的输入端并上一个0.1uF的小电容就可以消除这种干扰,如下图所示:
六、电气电路控制失灵
用按钮和开关起停较远处交流电机(或设备)时,有时想停却停不了,电路如图所示:
由于开关K离接触器KM较远,两根电线很长导致其分布电容C将变得很大,在交流电路中,这个分布电容中将有位移电流流过,即使开关K断开也可能因KM维持能量不需太大而导致KM不释放,设备停不下来,此时,可以按以下方法解决:
用直流信号远控;
在交流接触器KM的线圈上并一个电灯或电阻,使分布电容流过的电流不足以维持线圈的吸合。
七、屏蔽双绞线和屏蔽线接地
对于弱信号的传输,如能形成一对电流相等方向相反的回路,最好采用双绞线,这样导线本身就具有一定的抗干扰能力,因为两个相近的双绞线形成的感应电压正好相反,本身就把外界耦合进来的干扰信号给抵消掉了,如再加上良好的屏蔽,其干扰能力就更强了。多数弱电信号的屏蔽层可以在接收信号侧(如PLC侧)一点集中接地,或是两边都不接地,视现场的抗干扰效果而定。
来源:网络
当现场多路信号,如4~20mA、0~10mA、1~5V同时输入多个控制器时,如下图所示。
对于传感器输出的电流信号,只经PLC和变频器的输入阻抗之和不大于传感器的输出负载阻抗即可,压力传感器的信号可以同时串入PLC和变频器,如只有压力传感器信号,则PLC和变频器也都可以正常接收压力传感器的信号。而当液位传感器的信号也同时接入PLC和变频器时,因PLC接收信号的-端都在变频器的+端,当两传感器的信号电流不一样时,就有可能使PLC两-端的电位有较大的差异,就就形成了共模干扰电压。如PLC输入端又互相不是隔离的,则会造成PLC的模拟信号输入端接收不正常。变频器的两输入信号是在PLC的后面,其-端电位可保持在变频器内部电路设定的状态,问题不大。
解决的办法如下图所示,在PLC输入信号的一端加装隔离模块,此时PLC的两个-端中,由于一个是处于隔离状态,所以不会出现两个-端一高一低,与PLC内部电路不相适应的现象。
二、变频器干扰
由于变频器输出的正统波中有许多高次谐波,这些谐波分量通过电源线,耦合、感应等方式传播,严重时不但会造成传感器或电子设备不能正常工作,还会造成变频器自身出现接地故障不能正常工作。常采取的措施有以下几项:
变频器按说明书正确可靠接地;
变频器载波频率要尽是设低一此,降低谐波辐射强度,减少位移电流;
变频器输出侧安装输出电抗器,减少电缆的电磁辐射和位移电流;
与变频器连接的输入输出信号用隔离模块或中间继电器隔离开;
变频器电源输入侧安装输入电抗器,减少变频器对电网的谐波污染;
在变频器的中间直流环节串接直流电抗器提高功率因数。
三、电源干扰
很多干扰信号是通过电源线传播的,对于控制线路和控制装置,其电源可采用1:1的隔离变压器供电,并将隔离变压器的屏蔽端可靠抗议地,如下图所示:
四、传感器输出信号的抗干扰
传感器到PLC(或其它控制器)去的弱电信号,可采用阻容滤波的方法减少干扰,如下图所示。
传感器的输出信号,不论是电压还是电流,经过R、C阻容滤波,信号中的高频干扰信号被滤掉,输出信号就平滑了。如传感器是电压信号,电阻R可以大一些,1K~几百K均可,电容C从0.1~10uF;如是电流信号,则电阻R及PLC侧的输入电阻之和不能大于传感器的最大电阻值,多数情况下R≤500Ω,电容C的值从0.1~10uF间。
五、控制器的开关量输入
有时PLC或其它控制器的开关量输入由于受外界干扰影响而瞬间输入错误,导致PLC产生误动作,这时在PLC的输入端并上一个0.1uF的小电容就可以消除这种干扰,如下图所示:
六、电气电路控制失灵
用按钮和开关起停较远处交流电机(或设备)时,有时想停却停不了,电路如图所示:
由于开关K离接触器KM较远,两根电线很长导致其分布电容C将变得很大,在交流电路中,这个分布电容中将有位移电流流过,即使开关K断开也可能因KM维持能量不需太大而导致KM不释放,设备停不下来,此时,可以按以下方法解决:
用直流信号远控;
在交流接触器KM的线圈上并一个电灯或电阻,使分布电容流过的电流不足以维持线圈的吸合。
七、屏蔽双绞线和屏蔽线接地
对于弱信号的传输,如能形成一对电流相等方向相反的回路,最好采用双绞线,这样导线本身就具有一定的抗干扰能力,因为两个相近的双绞线形成的感应电压正好相反,本身就把外界耦合进来的干扰信号给抵消掉了,如再加上良好的屏蔽,其干扰能力就更强了。多数弱电信号的屏蔽层可以在接收信号侧(如PLC侧)一点集中接地,或是两边都不接地,视现场的抗干扰效果而定。
来源:网络
传感器 电流 PLC 压力传感器 电压 电路 电子 继电器 变压器 电阻 电容 相关文章:
- 多核及虚拟化技术在工业和安全领域的应用(05-23)
- 基于ARM核的AT75C220及其在指纹识别系统中的应用(05-24)
- 基于音频信号的轴承故障诊断方法(03-17)
- 采用信号调理IC驱动应变片电桥传感器(05-26)
- 基于nRF2401智能无线火灾监控系统设计(04-01)
- 家居安防无线监控报警系统(04-02)
