PLC 控制步进电机分度的设计与实现
时间:12-29
来源:互联网
点击:
1、引言
大型轴承内、外套上的分度、打孔是轴承中的关键工序 ,它的工艺水平和质量的高低直接影响轴承的质量、寿命和制造成本。目前轴承行业大型轴承内、外套的分度方式普遍采用人工分度方式 ,其分度精度低、累积误差大 、工作效率低、工人劳动强度大,对轴承性能的提高造成很大的影响。我们所研制的大型数控分度头,采用PLC可编程控制器 ,控制步进电机驱动蜗轮蜗杆对执行工件进行自动分度, 结构简单、制造费用低,较好地解决了生产中的实际问题。
2、总体设计方案
步进电机是将电脉冲信号转变为角位移或线位移的开环控制元件。在非超载的情况下,电机的转速、停止的位置只取决于脉冲信号的频率和脉冲数,而不受负载变化的影响,即给电机加一个脉冲信号,电机则转过一个步距角。其重要特点是只有周期性的误差而无累积误差。步进电机的运行要有步进电机驱动器这一电子装置进行驱动,这种装置就是把控制系统发出的脉冲信号转化为步进电机的角位移,或者说: 控制系统每发一个脉冲信号,通过驱动器就使步进电机旋转一步距角。所以步进电机的转速与脉冲信号的频率成正比。因此,控制步进脉冲信号的频率,可以对电机精确调速;控制步进脉冲的个数,可以对电机精确定位。
在我们所设计的数控分度头中,就是利用这一线性关系,用PLC进行电气控制、编写分度算法程序,控制脉冲信号的频率和脉冲数,步进电机驱动蜗轮蜗杆对执行工件进行精确分度,并可实现调整、手动分度、自动分度等多种电气控制。
电气控制方案为PLC+步进电机及可细分驱动器+数显尺。PLC选用DVP20EH00T,AC220伏供电20点 200HZ晶体管输出类型;根据分度精度要求考虑,选用可细分驱动器及步进电机,考虑分度时对工件的扭矩M=FR=fNR ,计算出最大扭矩为27Nm。按矩频特性选取步进电机 ,选130BYG350A型三相混合式步进电机及配套细分驱动器MS-3H130M。
PLC的I/O配置如下表:
I0.0
调整/分度
Q0.0
脉冲数
I0.1
急停
Q0.1
花盘上升
I0.2
步进转位
Q0.2
花盘下降
I0.3
花盘卡紧/松开
Q0.3
故障指示
I0.4
花盘上升/下降
Q0.4
方向
I0.5
自动分度
Q0.5
I0.6
调整启动/结束
Q0.6
I0.7
驱动器信号
Q0.7
I0.10-I0.13
孔数设置
该数控分度头在径向安装数显尺来控制径向分度尺寸;由PLC控制步进电机轴向分度。操作人员启动电源 ,输入分度数后 ,调整/分度开关置于分度位置即可实现手动或自动分度。在自动分度中可实现分度机构的松开、上升、分度、下降、卡紧再松开的顺序控制.
3、分度算法
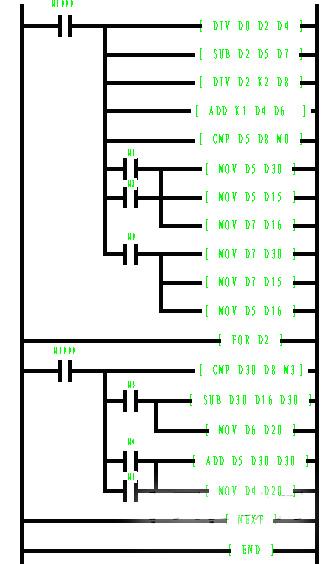
设总孔数为D2,总脉冲数D0,分度脉冲可计算为 :D0/D2=D4 +D5(余数)。若D5=0时 ,步进电机每转动一次,电机转角控制脉冲均为D4。若D5≠0时 ,将D5与孔数的一半(D2/2=D8)进行比较,若小于孔数的一半,步进电机先按D4个脉冲分度,步进电机每转过一个分度角,余数D5累积一次,当累积数大于D8时,步进电机则按D4+1个脉冲分度一次,此时累积数减去D4+1脉冲的余数即D2-D5,然后再按D4个脉冲分度,依次类推直至分度完毕;若余数大于孔数的一半,步进电机先按D4+1个脉冲分度,余数按D2-D5累积,当累积数大于D8时,步进电机则按D4个脉冲分度一次,此时累积数减去D4脉冲的余数D5,然后再按D4+1个脉冲分度,依次类推直至分度完毕。这样的分度算法,使孔与孔之间的分度误差始终小于一个脉冲当量,可以实现在3600转角误差为0的分度精度要求。
4、分度算法梯形图
5、结束语
该大型数控分度头应用于1000mm~2000mm的轴承内、外套的分度 。主要优点为 :(1)分度精度高。驱动器在最高细分10000工作状态下,孔孔之间分度误差可控制在7.3μm, 可以实现3600转角误差为0的分度精度要求,满足了工件的分度要求。(2) 工作效率高,分度速度快。选用的PLC最高频率为200HZ,在自动分度工作状态下,50个孔的分度工作不足十分钟即可完成。(3)操作灵活、简便。该数控分度头实现调整(不分度)、手动或自动分度等电气操作。人工分度方式需要测量、画线等费工费时 ,由PLC控制的步进电机自动分度方式只需输入分度数 ,即可实现分度的多种控制。 (4)该数控分度头经济、实用。投入使用后,较好地解决了以往大型轴承内、外套的分度存在的问题,提高了轴承产品质量 ,降低工人劳动强度。
来源:工控网
大型轴承内、外套上的分度、打孔是轴承中的关键工序 ,它的工艺水平和质量的高低直接影响轴承的质量、寿命和制造成本。目前轴承行业大型轴承内、外套的分度方式普遍采用人工分度方式 ,其分度精度低、累积误差大 、工作效率低、工人劳动强度大,对轴承性能的提高造成很大的影响。我们所研制的大型数控分度头,采用PLC可编程控制器 ,控制步进电机驱动蜗轮蜗杆对执行工件进行自动分度, 结构简单、制造费用低,较好地解决了生产中的实际问题。
2、总体设计方案
步进电机是将电脉冲信号转变为角位移或线位移的开环控制元件。在非超载的情况下,电机的转速、停止的位置只取决于脉冲信号的频率和脉冲数,而不受负载变化的影响,即给电机加一个脉冲信号,电机则转过一个步距角。其重要特点是只有周期性的误差而无累积误差。步进电机的运行要有步进电机驱动器这一电子装置进行驱动,这种装置就是把控制系统发出的脉冲信号转化为步进电机的角位移,或者说: 控制系统每发一个脉冲信号,通过驱动器就使步进电机旋转一步距角。所以步进电机的转速与脉冲信号的频率成正比。因此,控制步进脉冲信号的频率,可以对电机精确调速;控制步进脉冲的个数,可以对电机精确定位。
在我们所设计的数控分度头中,就是利用这一线性关系,用PLC进行电气控制、编写分度算法程序,控制脉冲信号的频率和脉冲数,步进电机驱动蜗轮蜗杆对执行工件进行精确分度,并可实现调整、手动分度、自动分度等多种电气控制。
电气控制方案为PLC+步进电机及可细分驱动器+数显尺。PLC选用DVP20EH00T,AC220伏供电20点 200HZ晶体管输出类型;根据分度精度要求考虑,选用可细分驱动器及步进电机,考虑分度时对工件的扭矩M=FR=fNR ,计算出最大扭矩为27Nm。按矩频特性选取步进电机 ,选130BYG350A型三相混合式步进电机及配套细分驱动器MS-3H130M。
PLC的I/O配置如下表:
I0.0
调整/分度
Q0.0
脉冲数
I0.1
急停
Q0.1
花盘上升
I0.2
步进转位
Q0.2
花盘下降
I0.3
花盘卡紧/松开
Q0.3
故障指示
I0.4
花盘上升/下降
Q0.4
方向
I0.5
自动分度
Q0.5
I0.6
调整启动/结束
Q0.6
I0.7
驱动器信号
Q0.7
I0.10-I0.13
孔数设置
该数控分度头在径向安装数显尺来控制径向分度尺寸;由PLC控制步进电机轴向分度。操作人员启动电源 ,输入分度数后 ,调整/分度开关置于分度位置即可实现手动或自动分度。在自动分度中可实现分度机构的松开、上升、分度、下降、卡紧再松开的顺序控制.
3、分度算法
设总孔数为D2,总脉冲数D0,分度脉冲可计算为 :D0/D2=D4 +D5(余数)。若D5=0时 ,步进电机每转动一次,电机转角控制脉冲均为D4。若D5≠0时 ,将D5与孔数的一半(D2/2=D8)进行比较,若小于孔数的一半,步进电机先按D4个脉冲分度,步进电机每转过一个分度角,余数D5累积一次,当累积数大于D8时,步进电机则按D4+1个脉冲分度一次,此时累积数减去D4+1脉冲的余数即D2-D5,然后再按D4个脉冲分度,依次类推直至分度完毕;若余数大于孔数的一半,步进电机先按D4+1个脉冲分度,余数按D2-D5累积,当累积数大于D8时,步进电机则按D4个脉冲分度一次,此时累积数减去D4脉冲的余数D5,然后再按D4+1个脉冲分度,依次类推直至分度完毕。这样的分度算法,使孔与孔之间的分度误差始终小于一个脉冲当量,可以实现在3600转角误差为0的分度精度要求。
4、分度算法梯形图
5、结束语
该大型数控分度头应用于1000mm~2000mm的轴承内、外套的分度 。主要优点为 :(1)分度精度高。驱动器在最高细分10000工作状态下,孔孔之间分度误差可控制在7.3μm, 可以实现3600转角误差为0的分度精度要求,满足了工件的分度要求。(2) 工作效率高,分度速度快。选用的PLC最高频率为200HZ,在自动分度工作状态下,50个孔的分度工作不足十分钟即可完成。(3)操作灵活、简便。该数控分度头实现调整(不分度)、手动或自动分度等电气操作。人工分度方式需要测量、画线等费工费时 ,由PLC控制的步进电机自动分度方式只需输入分度数 ,即可实现分度的多种控制。 (4)该数控分度头经济、实用。投入使用后,较好地解决了以往大型轴承内、外套的分度存在的问题,提高了轴承产品质量 ,降低工人劳动强度。
来源:工控网
- 家居安防无线监控报警系统(04-02)
- 提高实时系统数据采集质量的研究(04-09)
- 基于MSP430及PROFIBUS的监测子站设计(06-12)
- LED开始成为街道照明应用的最佳选择(07-13)
- 一种变频调速系统的SVPWM控制设计(02-03)
- 智能路灯控制系统设计与应用研究(03-24)
