机车电子柜实时检测系统设计
时间:04-29
来源:互联网
点击:
开关量采集单元可采用一片8255A来扩展PO口以对15路开关信号进行采样,8255A的A、B、C口设定为模式O和输人方式。8255A可扩展24个并行接口,实际上只能使用其中的15路,剩下的可作为备用接口。当单片机发出开关量信号采集命令时,开关量信号将从机车电子柜的29#和49#插槽引出,在经信号调理电路实现与采样电路的电气隔离后,8k8255A便可进入单片机。系统中的脉冲采集模块与开关量采集模块基本相似,在此不做赘述。
4存储发送单元电路设计
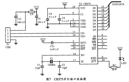
存储发送单元主要包括微处理器及其控制部分、CAN通讯接口部分、串口扩展和USB接口等。其中微处理器及其控制部分、CAN通讯接口部分跟前面介绍的模块基本一致。串口扩展部分带有两个RS-232接口和一个RS-485接口,并带有跳线可以选择两种状态为一个RS-232接口和一个RS-485接口或两个RS-232接口而没有RS-485接口。串口扩展采用16C550芯片。USB接口系统利用CH375作为控制器。并可通过串行输入输出或并行输入输出和中断输出来方便地实现USB移动存储设备与单片机系统的连接。CH375的并行接口连接图如图7所示。
5系统软件设计
整个监测系统工作时,先由模拟量采集单元将采集的数据按CAN标准帧格式发给存储发送单元,当存储发送单元等待并接收到模拟量采集单元采集的数据后,即可向开关量采集单元发送数据采集请求,并等待接收开关量采集单元的采集结果,最后,存储发送单元再向脉冲量采集单元发送数据采集请求,并等待接收脉冲量采集单元采集结果。存储发送单元在判断数据是否正常之后,即可把接收到的数据存贮在CF存贮器内,最后写串口。最后,再把数据通过标准RS-485接口发送到诊断单元或通过USB接口取出,以便应用到地面分析处理系统。
软件设计就是在模拟量采集单元初始化后等待上位机发来的数据采集请求指令,然后启动定时器TO并进行A/D转换,再将转换结果按CAN标准帧格式打包发送给存储发送单元。其程序流程图如图8所示。其中,定时器TO的中断子程序代码如下:
开关量和脉冲量的采集原理与模拟量的采集原理类似,这里不再详细介绍。
6结束语
该监测系统为铁道部引导课题,本系统经过实验室内部联调证明:其性能稳定,抗干扰能力强,目前已在机务段装车运行,取得了良好的效果。本系统的不足之处是脉冲量的采集,只能检测到电子柜是否有脉冲触发信号的输出,而不能采集到信号的波形。因此,该系统还有于待进一步完善。
电子 电路 模拟电路 总线 USB 电压 电路图 电阻 单片机 CAN总线 相关文章:
- 一种新型防伪读码器的设计(01-01)
- 基于ARM与DSP的嵌入式运动控制器设计(04-25)
- 航天器DC/DC变换器的可靠性设计(02-12)
- 我国科学家人脸与笔迹识别领域获突破(04-29)
- 基于ARM核的AT75C220及其在指纹识别系统中的应用(05-24)
- 基于nRF2401智能小区无线抄表系统集中器设计(04-30)
