永磁同步电机矢量控制方案在变频空调风机中的运用
时间:05-11
来源:互联网
点击:
作者:孙桂喜,唐华标,张建新,张醒(意法半导体)
摘要
本文介绍永磁同步电机矢量控制原理和基于STM32矢量控制在变频空调永磁同步风机中的应用解决方案,该方案采用单电阻电流采样及无位置传感器的速度检测和转子位置检测的系统结构。
通过加入噪音消除、电机缺相检测、抗台风启动及系统过流过压保护等功能模块使得本方案具有低风机噪音、高系统效率、高可靠性和节能等特点。
1.引言
变频空调以其节能、室内温度更稳定、噪音低、舒适度更高的特点得到快速的发展,成为今后空调发展趋势已成业界共识。
变频空调一般是指空调压缩机及其风扇的变频控制,多采用永磁同步电机矢量控制的方案。目前空调风机大多还是采用单相交流电机的定频风机,这种单相交流风机接入单相交流电源就可工作,具有结构简单、可靠的优点,但是也有不能进行无极调速和风机效率比较低等缺点。为了进一步提高变频空调性能,当前已有空调厂家开始对空调风机也进行变频控制,真正实现空调的全变频控制。
永磁同步电机(PMSM),功率密度高体积小,结构简单,采用矢量控制(FOC),具有动态响应快,效率高、噪音低及安全可靠的特点,很适合应用在空调风机中,实现空调风机的变频控制,下面介绍一种永磁同步电机矢量控制在变频控制风机中应用的方案。
2.系统结构
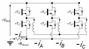
此变频空调风机方案采用意法半导体公司STM32(ARM :Cortex-M3) MCU 平台,永磁同步电机(PMSM)矢量控制(FOC)方案使用单电阻(Single Shunt)的电流检测和无位置传感器(Sensor-less)的速度位置检测来实现。
系统结构如图1所示,MCU选用STM32F103C6T6;功率模块驱动采用3片L6390D,每个L6390D都内置有运放、比较器及智能关断保护电路,运放可以用来放大采样电流,比较器及智能关断保护电路可以用来实现电机过流保护;IGBT为6片STGDL6NC60D。
L6390D自带的智能关断功能可实现过电流保护电路(OCP),加上过电压(OVP)和欠电压(LVP)等保护功能,使系统工作安全可靠。
3. 低成本高性能的永磁同步电机的矢量控制方案
永磁同步电机的矢量控制,具有动态响应快,稳速精度高,功率密度大,效率高,噪音低等特点,是一种高性能的电机控制系统。矢量控制运算需要获取电机三相电流和准确的转子位置信号,通常使用电流传感器和位置速度传感器,这增加了系统的成本。对风机这类负载,负载相对稳定、起动力矩不大的应用,采用廉价的单电阻电流采样和无位置传感器永磁同步电机的矢量控制方案,既有永磁同步电机的矢量控制的优点,达到应用性能;同时又可达到低成本的目标。
MTPA(每安培电流最大转矩)控制,针对内置式永磁同步电机,提高风机系统效率。
采用单电阻电流采样、无位置传感器永磁同步电机的矢量控制如下图2:
3.1 单电阻电流采样
为了降低系统成本,本方案采用了先进的单电阻采样技术。一般来讲,矢量控制算法需要采集电机至少两相电流,但单电阻采样只需要采集负母线的电流即可。
图3 单电阻采样框图
表1 单电阻采样状态表
图3是单电阻采样的框图,对于桥臂的每一个开关状态,其流过的电流状态如表1所示。在表1中,“0”表示开关管关断,而“1”表示导通。由于电流在一个PWM周期内几乎不变,因此只需要在一个PWM周期内采样两次即可得到该时刻电机每一相电流的状态,因为三相电流之和为零。
单电阻采样会遇到一些挑战,空间矢量脉宽调制器(SVPWM)在空间矢量的扇区边界和低调制区域的时候,会存在占空比两长一短和两短一长以及三个几乎一样长的时刻。这样的话,如果有效矢量持续的时间少于电流采样时间,则会出错。本方案采取的办法是在相邻边界的时候插入固定时间的有效矢量,而在低调制区域的时候,采用的是轮流插入有效矢量的方法。插入有效矢量会给电流波形带来失真,这种情况下需要通过软件来进行补偿。
单电阻采样的优点除了降低系统的成本,还有就是它检测三相电流时都基于相同的增益和偏移,一致性好。缺点也是明显的,对于MCU来说,算法复杂了其运算时间要增大,代码比三电阻也要长一些;对于电流检测而言,其波形失真比起三电阻方法来说,要稍微大一些。其详细的对比如表2所示。单电阻采样的性能对于变频空调的应用是完全可以胜任的,而且成本低廉,这也就是为什么大部分家电厂家都愿意选择单电阻采样的原因所在。
摘要
本文介绍永磁同步电机矢量控制原理和基于STM32矢量控制在变频空调永磁同步风机中的应用解决方案,该方案采用单电阻电流采样及无位置传感器的速度检测和转子位置检测的系统结构。
通过加入噪音消除、电机缺相检测、抗台风启动及系统过流过压保护等功能模块使得本方案具有低风机噪音、高系统效率、高可靠性和节能等特点。
1.引言
变频空调以其节能、室内温度更稳定、噪音低、舒适度更高的特点得到快速的发展,成为今后空调发展趋势已成业界共识。
变频空调一般是指空调压缩机及其风扇的变频控制,多采用永磁同步电机矢量控制的方案。目前空调风机大多还是采用单相交流电机的定频风机,这种单相交流风机接入单相交流电源就可工作,具有结构简单、可靠的优点,但是也有不能进行无极调速和风机效率比较低等缺点。为了进一步提高变频空调性能,当前已有空调厂家开始对空调风机也进行变频控制,真正实现空调的全变频控制。
永磁同步电机(PMSM),功率密度高体积小,结构简单,采用矢量控制(FOC),具有动态响应快,效率高、噪音低及安全可靠的特点,很适合应用在空调风机中,实现空调风机的变频控制,下面介绍一种永磁同步电机矢量控制在变频控制风机中应用的方案。
2.系统结构
此变频空调风机方案采用意法半导体公司STM32(ARM :Cortex-M3) MCU 平台,永磁同步电机(PMSM)矢量控制(FOC)方案使用单电阻(Single Shunt)的电流检测和无位置传感器(Sensor-less)的速度位置检测来实现。
系统结构如图1所示,MCU选用STM32F103C6T6;功率模块驱动采用3片L6390D,每个L6390D都内置有运放、比较器及智能关断保护电路,运放可以用来放大采样电流,比较器及智能关断保护电路可以用来实现电机过流保护;IGBT为6片STGDL6NC60D。
L6390D自带的智能关断功能可实现过电流保护电路(OCP),加上过电压(OVP)和欠电压(LVP)等保护功能,使系统工作安全可靠。
3. 低成本高性能的永磁同步电机的矢量控制方案
永磁同步电机的矢量控制,具有动态响应快,稳速精度高,功率密度大,效率高,噪音低等特点,是一种高性能的电机控制系统。矢量控制运算需要获取电机三相电流和准确的转子位置信号,通常使用电流传感器和位置速度传感器,这增加了系统的成本。对风机这类负载,负载相对稳定、起动力矩不大的应用,采用廉价的单电阻电流采样和无位置传感器永磁同步电机的矢量控制方案,既有永磁同步电机的矢量控制的优点,达到应用性能;同时又可达到低成本的目标。
MTPA(每安培电流最大转矩)控制,针对内置式永磁同步电机,提高风机系统效率。
采用单电阻电流采样、无位置传感器永磁同步电机的矢量控制如下图2:
3.1 单电阻电流采样
为了降低系统成本,本方案采用了先进的单电阻采样技术。一般来讲,矢量控制算法需要采集电机至少两相电流,但单电阻采样只需要采集负母线的电流即可。
图3 单电阻采样框图
表1 单电阻采样状态表
图3是单电阻采样的框图,对于桥臂的每一个开关状态,其流过的电流状态如表1所示。在表1中,“0”表示开关管关断,而“1”表示导通。由于电流在一个PWM周期内几乎不变,因此只需要在一个PWM周期内采样两次即可得到该时刻电机每一相电流的状态,因为三相电流之和为零。
单电阻采样会遇到一些挑战,空间矢量脉宽调制器(SVPWM)在空间矢量的扇区边界和低调制区域的时候,会存在占空比两长一短和两短一长以及三个几乎一样长的时刻。这样的话,如果有效矢量持续的时间少于电流采样时间,则会出错。本方案采取的办法是在相邻边界的时候插入固定时间的有效矢量,而在低调制区域的时候,采用的是轮流插入有效矢量的方法。插入有效矢量会给电流波形带来失真,这种情况下需要通过软件来进行补偿。
单电阻采样的优点除了降低系统的成本,还有就是它检测三相电流时都基于相同的增益和偏移,一致性好。缺点也是明显的,对于MCU来说,算法复杂了其运算时间要增大,代码比三电阻也要长一些;对于电流检测而言,其波形失真比起三电阻方法来说,要稍微大一些。其详细的对比如表2所示。单电阻采样的性能对于变频空调的应用是完全可以胜任的,而且成本低廉,这也就是为什么大部分家电厂家都愿意选择单电阻采样的原因所在。
| 三电阻 | 单电阻 | |
| 负荷 | 20% at 10KHZ | 33% at 10KHZ | |
意法半导体 STM32 电阻 电流 传感器 半导体 ARM Cortex MCU 比较器 电路 IGBT 电压 PWM 电感 相关文章:
- 使用L6506 实现步进电机的电流控制(12-10)
- 用ST72141实现无刷直流电机的控制(03-18)
- uPSD 32XX单片机在税控器开发中的应用(06-09)
- 大容量SD卡在海洋数据存储中的应用(08-20)
- 基于射频识别技术的联机型门禁系统设计(12-22)
- STM32-F2系列微控制器 - 能够满足工厂自动化苛刻要求的高速Cortex-M3微控制器(04-18)
