高灵敏、低功耗的红外接近感应方案
时间:12-27
来源:互联网
点击:
高效能模拟与混合信号IC创新厂商Silicon Laboratories(芯科实验室有限公司,简称Silicon Labs)特别推出的Si1102和Si1120是目前业界最灵敏的红外接近传感器之一,在远距探测和低功耗方面尤为出色。
Silicon Labs公司的红外接近传感系列
Si1102和Si1120红外接近传感器主要由一个红外LED驱动器、红外线光电二极管、一个环境光传感器(仅Si1120具有)和控制逻辑IC组成,外部的发射LED可以根据用户的需要灵活安装和配置(图1)。

图1:silicon Labs公司的红外接近传感系列应用方案图。

图2:Si1102的内部框图。
Si1102是一个可独立工作的红外接近传感器,能驱动单个红外LED。LED发射的红外线经过接近物体反射到达内置的红外线光电二极管,然后进行信号放大和信号处理,最后通过与一个设定的探测门限值比较输出一个相应逻辑电平。如果测量的结果高于这个门限值,则从PRX口输出一个低电平。这种电平信号的输出可用来作为其他器件的驱动或者MCU的中断输入,进而实现近距探测。
比如,在显示器应用上,Si1102红外线接近传感器能在使用者不在现场时轻易关闭显示器及其他功能,以达到省电目的。此省电功能特别适用于家电用品、安全设备及手持类电子产品,同时也可以应用在一些红外探测器上。

图3:Si1102的应用原理图。
与Si1102不同,Si1120工作需要一个主MCU控制,并增加了一个环境光传感器。该器件除了可以接收红外线外,还能对环境光信号进行采样,最后输出一个已调脉宽的脉冲信号给MCU,实现不同的应用目的。Silicon Labs的MCU可以提供PCA(可编程计数器阵列),从而可以更简单地测出输出脉宽。脉宽与反射光强的测量值成正比例,与距离的平方成反比,由此可以判断对方物体距离的远近。Si1120可以支持多个LED的驱动,用户可以根据需要方便地配置多个LED以增大探测范围。此外,该器件在MCU的控制下可以实现更多高级功能,例如手机应用程序可能会允许用户在手机前晃动一下手指来进行文件翻页。

图4:Si1120的内部框图。

图5:Si1120的应用原理图。
Si1102和Si1120红外接近传感器的优势
在消费产品领域应用中,Si1102和Si1120红外接近传感器具备了人们极为关注的两大特点:一是低功耗,二是高灵敏度。
不像竞争方案那样需要红外线LED长时间进行多次脉冲以达到精确测量,Si1102/20红外接近传感系列使用专利的单一脉冲接近测量技术(图6),电源效率可提高4,000倍,使电池寿命得以大幅度延长。
当物体接近距离非常小或者位于探测范围外时(不工作时),该器件可自动进入低功耗模式。低功耗模式下的典型功耗只有0.1uA,而这正是便携式应用的关键特性。

图6:Silicon Labs与竞争对手LED的工作方式对比。
所有的LED都有一个特定的视角。一个窄视角LED便需要着发出的能量更加集中,比宽视角LED照射的更远。这意味着使用窄视角IR LED将在窄检测区域中形成更远的检测范围。

图7:窄视角和宽视角IR LED的差异。
Si1102/20红外接近传感器能探测到的接近范围可达50cm,如果选择一个合适窄角的透镜和一个红外线滤波器配合使用,让红外线LED的发射半角足够小而使发射光束充分汇聚或者发射功率足够大时,接近范围可扩大到1m。那么此应用不仅仅只局限于手机等手持电子产品,更可广泛用于一些安全探测设备或大屏幕仪器设备上。
表1是关于Silicon Labs的红外接近传感器与竞争对手产品在一些性能上的对比。

表1:Silicon Labs的红外接近传感器与竞争产品的性能对比。
Si1102和Si1120红外接近传感器演示板
Si1120红外接近传感器演示板由USB供电,由一颗用作主控的超低功耗Silicon Labs C8051F930 MCU、一颗Si1120传感器、两个红外LEDS和八颗发光LED灯组成。当有接近的物体从左到右划过或者从右到左划过时,从八个LED灯上可以体现发光跟踪和二维方向的动态检测功能。此演示板还可在QuickSense Studio开发环境下,通过一个强大的性能分析工具对这种独特的开发板进行实时反射监控(图8)。

图8:发光跟踪和二维方向的动态检测功能的Si1120红外接近传感器演示板。
Si1102迷你型接近传感器演示板(图9)带有一个Si1102红外接近传感器,可以提供一个简单的红外接近演示。通过设定Si1102的输出阀值控制一个红外二极管的发送,当感应到物体的靠近时,点亮发光二极管以测试设备的高灵敏度和检测范围。

图9:Si1102迷你型接近传感器演示板。
Silicon Labs推出的Si1120和Si1102等红外接近感应系列产品可广泛应用于各种消费类电子产品,例如手机、复印件、扫描仪以及卫生产品等,同时可用于如触控面板、机器保险装置、安全系统、自动提款机等工业领域。
世强电讯是Silicon Labs在国内重要的代理商,可以提供相应演示板以及配套完整可行的软件、资料和技术支持。
Silicon Labs公司的红外接近传感系列
Si1102和Si1120红外接近传感器主要由一个红外LED驱动器、红外线光电二极管、一个环境光传感器(仅Si1120具有)和控制逻辑IC组成,外部的发射LED可以根据用户的需要灵活安装和配置(图1)。

图1:silicon Labs公司的红外接近传感系列应用方案图。

图2:Si1102的内部框图。
Si1102是一个可独立工作的红外接近传感器,能驱动单个红外LED。LED发射的红外线经过接近物体反射到达内置的红外线光电二极管,然后进行信号放大和信号处理,最后通过与一个设定的探测门限值比较输出一个相应逻辑电平。如果测量的结果高于这个门限值,则从PRX口输出一个低电平。这种电平信号的输出可用来作为其他器件的驱动或者MCU的中断输入,进而实现近距探测。
比如,在显示器应用上,Si1102红外线接近传感器能在使用者不在现场时轻易关闭显示器及其他功能,以达到省电目的。此省电功能特别适用于家电用品、安全设备及手持类电子产品,同时也可以应用在一些红外探测器上。

图3:Si1102的应用原理图。
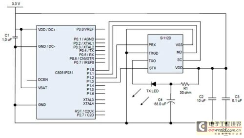
与Si1102不同,Si1120工作需要一个主MCU控制,并增加了一个环境光传感器。该器件除了可以接收红外线外,还能对环境光信号进行采样,最后输出一个已调脉宽的脉冲信号给MCU,实现不同的应用目的。Silicon Labs的MCU可以提供PCA(可编程计数器阵列),从而可以更简单地测出输出脉宽。脉宽与反射光强的测量值成正比例,与距离的平方成反比,由此可以判断对方物体距离的远近。Si1120可以支持多个LED的驱动,用户可以根据需要方便地配置多个LED以增大探测范围。此外,该器件在MCU的控制下可以实现更多高级功能,例如手机应用程序可能会允许用户在手机前晃动一下手指来进行文件翻页。

图4:Si1120的内部框图。

图5:Si1120的应用原理图。
Si1102和Si1120红外接近传感器的优势
在消费产品领域应用中,Si1102和Si1120红外接近传感器具备了人们极为关注的两大特点:一是低功耗,二是高灵敏度。
不像竞争方案那样需要红外线LED长时间进行多次脉冲以达到精确测量,Si1102/20红外接近传感系列使用专利的单一脉冲接近测量技术(图6),电源效率可提高4,000倍,使电池寿命得以大幅度延长。
当物体接近距离非常小或者位于探测范围外时(不工作时),该器件可自动进入低功耗模式。低功耗模式下的典型功耗只有0.1uA,而这正是便携式应用的关键特性。

图6:Silicon Labs与竞争对手LED的工作方式对比。
所有的LED都有一个特定的视角。一个窄视角LED便需要着发出的能量更加集中,比宽视角LED照射的更远。这意味着使用窄视角IR LED将在窄检测区域中形成更远的检测范围。

图7:窄视角和宽视角IR LED的差异。
Si1102/20红外接近传感器能探测到的接近范围可达50cm,如果选择一个合适窄角的透镜和一个红外线滤波器配合使用,让红外线LED的发射半角足够小而使发射光束充分汇聚或者发射功率足够大时,接近范围可扩大到1m。那么此应用不仅仅只局限于手机等手持电子产品,更可广泛用于一些安全探测设备或大屏幕仪器设备上。
表1是关于Silicon Labs的红外接近传感器与竞争对手产品在一些性能上的对比。

表1:Silicon Labs的红外接近传感器与竞争产品的性能对比。
Si1102和Si1120红外接近传感器演示板
Si1120红外接近传感器演示板由USB供电,由一颗用作主控的超低功耗Silicon Labs C8051F930 MCU、一颗Si1120传感器、两个红外LEDS和八颗发光LED灯组成。当有接近的物体从左到右划过或者从右到左划过时,从八个LED灯上可以体现发光跟踪和二维方向的动态检测功能。此演示板还可在QuickSense Studio开发环境下,通过一个强大的性能分析工具对这种独特的开发板进行实时反射监控(图8)。

图8:发光跟踪和二维方向的动态检测功能的Si1120红外接近传感器演示板。
Si1102迷你型接近传感器演示板(图9)带有一个Si1102红外接近传感器,可以提供一个简单的红外接近演示。通过设定Si1102的输出阀值控制一个红外二极管的发送,当感应到物体的靠近时,点亮发光二极管以测试设备的高灵敏度和检测范围。

图9:Si1102迷你型接近传感器演示板。
Silicon Labs推出的Si1120和Si1102等红外接近感应系列产品可广泛应用于各种消费类电子产品,例如手机、复印件、扫描仪以及卫生产品等,同时可用于如触控面板、机器保险装置、安全系统、自动提款机等工业领域。
世强电讯是Silicon Labs在国内重要的代理商,可以提供相应演示板以及配套完整可行的软件、资料和技术支持。
红外 传感器 LED 二极管 MCU 显示器 电子 滤波器 USB 发光二极管 相关文章:
- 一种新型防伪读码器的设计(01-01)
- 新型锁相环芯片全面提升红外无线麦克风产品性能(05-04)
- 2009视频监控:网络化及其推动的几大趋势(06-03)
- 红外摄像机夜视监控系统的四项问题(06-16)
- lns构架智能小区安防及关键技术应用研究(06-09)
- 英国试图利用路灯建城市监控无线网络(07-27)
