接触式IC卡接口原理与不同实现方式对比
时间:12-25
来源:互联网
点击:
IC卡 (Integrated Circuit Card,集成电路卡)是继磁卡之后出现的又一种新型信息工具。IC卡在有些国家和地区也称智能卡(smart card)、智慧卡(intelligent card)、微电路卡(microcircuit card)或微芯片卡等。它是将一个微电子芯片嵌入符合ISO 7816标准的卡基中,做成卡片形式;已经十分广泛地应用于包括金融、交通、社保等很多领域。
IC卡读写器是IC卡与应用系统间的桥梁,在ISO国际标准中称之为接口设备IFD(Interface Device)。IFD内的CPU通过一个接口电路与IC卡相连并进行通信。IC卡接口电路是IC卡读写器中至关重要的部分,根据实际应用系统的不同,可选择并行通信、半双工串行通信和I2C通信等不同的IC卡读写芯片。
1 接触式IC卡接口技术原理
IC卡读写器要能读写符合ISO7816标准的IC卡。IC卡接口电路作为IC卡与IFD内的CPU进行通信的唯一通道,为保证通信和数据交换的安全与可靠,其产生的电信号必须满足下面的特定要求。
1.1 完成IC卡插入与退出的识别操作
IC卡接口电路对IC卡插入与退出的识别,即卡的激活和释放,有很严格的时序要求。如果不能满足相应的要求,IC卡就不能正常进行操作;严重时将损坏IC卡或IC卡读写器。
(1) 激活过程
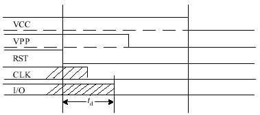
为启动对卡的操作,接口电路应按图1所示顺序激活电路:
◇ RST处于L状态;
◇ 根据所选择卡的类型,对VCC加电A类或B类,正常操作条件下VCC的电特性见表1;
◇ VPP上升为空闲状态;
◇ 接口电路的I/O应置于接收状态;
◇ 向IC卡的CLK提供时钟信号(A类卡1~5MHz,B类卡1~4MHz)。
如图1所示,在t’a时间对IC卡的CLK加时钟信号。I/O线路应在时钟信号加于CLK的200个时钟周期(ta)内被置于高阻状态Z(ta 时间在t’a之后)。时钟加于CLK后,保持RST为状态L至少400周期(tb)使卡复位(tb在t’a之后)。在时间t’b,RST被置于状态H。I/O上的应答应在RST上信号上升沿之后的400"40 000个时钟周期(tc)内开始(tc在t’b之后)。

图1 IC卡的激活时序
在RST处于状态H的情况下,如果应答信号在40 000个时钟周期内仍未开始,RST上的信号将返回到状态L,且IC卡接口电路按照图2所示对IC卡产生释放。

图2 IC卡的释放时序
(2) 释放过程
当信息交换结束或失败时(例如,无卡响应或卡被移出),接口电路应按图2所示时序释放电路:
◇ RST应置为状态L;
◇ CLK应置为状态L(除非时钟已在状态L上停止);
◇ VPP应释放(如果它已被激活);
◇ I/O应置为状态A(在td时间内没有具体定义);
◇ VCC应释放。
1.2 通过触点向卡提供稳定的电源
IC卡接口电路应能在表1规定的电压范围内,向IC卡提供相应稳定的电流。
表1 正常操作条件下VCC的电特性

1.3 通过触点向卡提供稳定的时钟
IC卡接口电路向卡提供时钟信号。时钟信号的实际频率范围在复位应答期间,应在以下范围内:A类卡,时钟应在1~5MHz;B类卡,时钟应在1~4MHz。
复位后,由收到的ATR(复位应答)信号中的F(时钟频率变换因子)和D(比特率调整因子)来确定。
时钟信号的工作周期应为稳定操作期间周期的40%~60%。当频率从一个值转换到另一个值时,应注意保证没有比短周期的40%更短的脉冲。
2 几种实现方式的对比与分析
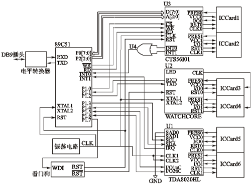
IFD内的IC卡读写芯片,按其与IFD内的CPU的通信方式进行分类,有并行通信、半双工串行通信和I2C通信的读写芯片。图3是一个基于三种不同通信方式读写芯片的通用IC卡读写器的原理示意。这个系统可以同时对6片IC卡进行操作,其中每一个IC卡读写芯片都可以驱动2片IC卡。应用系统可以根据实际情况合理选用其中的一种或多种读写芯片。

图3 基于三种不同读写芯片的IC卡读写器原理
2.1 IC卡读写芯片的硬件对比分析
(1) 通信方式为并行通信的CTS56I01
CTS56I01支持两个符合ISO/IEC7816-3标准的T0和T1传输协议的IC卡。它采用并行的方式与IFD内的CPU通信;可以检查到卡的插入与拔出,并自动产生激活与释放时序。CTS56I01内部每个通道都有发送缓冲空、ATR超时、释放检测完成、TS没有收到等10个独立的中断源,当CTS56I01内部的状态发生变化时,可以产生中断信号。系统通过P0口与CTS56I01的数据线相连,地址选择用P2[2:0],两个中断信号经过或门后接到89C51的INT0上。对IC卡的所有操作,只是对CTS56I01内部寄存器的读写操作,方便可靠。CTS56I01采用LQFP-32封装,仅占很小的空间。
(2) 通信方式为半双工串行通信的WatchCore
WatchCore是握奇公司为了方便各种嵌入式设备与IC卡的通信开发而推出的一款IC卡读写芯片,硬件平台采用ST7261单片机,内部掩膜有握奇公司对IC卡进行读写操作的全部程序;支持ISO/IEC 7816 T=0、T=1异步传输协议的各种智能卡,支持对Memory卡操作,支持双卡头操作,与接口CPU采用半双工串行通信。系统用P1.1和P1.2模拟一个串口与WatchCore进行通信。WatchCore采用SO-20装封,占PCB板很小的位置。
(3) 通信方式为I2C的TDA8020
TDA8020是Philips生产的支持两个独立IC卡的读写芯片,IFD内的CPU采用I2C的方式向TDA8020发送命令和读取状态,通过TDA8020的I/OuC端口向IC卡发送和接收数据。它支持符合ISO/IEC7816-3 T=0、T=1标准的IC卡,也支持符合EMV3.1.1(Europay,MasterCard,VISA)标准的卡。与它Pin-to-Pin兼容的芯片还有ST公司生产的ST8020等。TDA8020有2个地址选择引脚。本系统的地址引脚接地,两个IC卡对应的地址分别为0x40和0x48。I2C的时钟信号和数据信号分别由89C51的P1.3和P1.4进行模拟,IC卡的数据通道I/OuC连89C51的P1.5和P1.6。TDA8020也采用LQFP-32装封。
IC卡读写器是IC卡与应用系统间的桥梁,在ISO国际标准中称之为接口设备IFD(Interface Device)。IFD内的CPU通过一个接口电路与IC卡相连并进行通信。IC卡接口电路是IC卡读写器中至关重要的部分,根据实际应用系统的不同,可选择并行通信、半双工串行通信和I2C通信等不同的IC卡读写芯片。
1 接触式IC卡接口技术原理
IC卡读写器要能读写符合ISO7816标准的IC卡。IC卡接口电路作为IC卡与IFD内的CPU进行通信的唯一通道,为保证通信和数据交换的安全与可靠,其产生的电信号必须满足下面的特定要求。
1.1 完成IC卡插入与退出的识别操作
IC卡接口电路对IC卡插入与退出的识别,即卡的激活和释放,有很严格的时序要求。如果不能满足相应的要求,IC卡就不能正常进行操作;严重时将损坏IC卡或IC卡读写器。
(1) 激活过程
为启动对卡的操作,接口电路应按图1所示顺序激活电路:
◇ RST处于L状态;
◇ 根据所选择卡的类型,对VCC加电A类或B类,正常操作条件下VCC的电特性见表1;
◇ VPP上升为空闲状态;
◇ 接口电路的I/O应置于接收状态;
◇ 向IC卡的CLK提供时钟信号(A类卡1~5MHz,B类卡1~4MHz)。
如图1所示,在t’a时间对IC卡的CLK加时钟信号。I/O线路应在时钟信号加于CLK的200个时钟周期(ta)内被置于高阻状态Z(ta 时间在t’a之后)。时钟加于CLK后,保持RST为状态L至少400周期(tb)使卡复位(tb在t’a之后)。在时间t’b,RST被置于状态H。I/O上的应答应在RST上信号上升沿之后的400"40 000个时钟周期(tc)内开始(tc在t’b之后)。

图1 IC卡的激活时序
在RST处于状态H的情况下,如果应答信号在40 000个时钟周期内仍未开始,RST上的信号将返回到状态L,且IC卡接口电路按照图2所示对IC卡产生释放。

图2 IC卡的释放时序
(2) 释放过程
当信息交换结束或失败时(例如,无卡响应或卡被移出),接口电路应按图2所示时序释放电路:
◇ RST应置为状态L;
◇ CLK应置为状态L(除非时钟已在状态L上停止);
◇ VPP应释放(如果它已被激活);
◇ I/O应置为状态A(在td时间内没有具体定义);
◇ VCC应释放。
1.2 通过触点向卡提供稳定的电源
IC卡接口电路应能在表1规定的电压范围内,向IC卡提供相应稳定的电流。
表1 正常操作条件下VCC的电特性

1.3 通过触点向卡提供稳定的时钟
IC卡接口电路向卡提供时钟信号。时钟信号的实际频率范围在复位应答期间,应在以下范围内:A类卡,时钟应在1~5MHz;B类卡,时钟应在1~4MHz。
复位后,由收到的ATR(复位应答)信号中的F(时钟频率变换因子)和D(比特率调整因子)来确定。
时钟信号的工作周期应为稳定操作期间周期的40%~60%。当频率从一个值转换到另一个值时,应注意保证没有比短周期的40%更短的脉冲。
2 几种实现方式的对比与分析
IFD内的IC卡读写芯片,按其与IFD内的CPU的通信方式进行分类,有并行通信、半双工串行通信和I2C通信的读写芯片。图3是一个基于三种不同通信方式读写芯片的通用IC卡读写器的原理示意。这个系统可以同时对6片IC卡进行操作,其中每一个IC卡读写芯片都可以驱动2片IC卡。应用系统可以根据实际情况合理选用其中的一种或多种读写芯片。

图3 基于三种不同读写芯片的IC卡读写器原理
2.1 IC卡读写芯片的硬件对比分析
(1) 通信方式为并行通信的CTS56I01
CTS56I01支持两个符合ISO/IEC7816-3标准的T0和T1传输协议的IC卡。它采用并行的方式与IFD内的CPU通信;可以检查到卡的插入与拔出,并自动产生激活与释放时序。CTS56I01内部每个通道都有发送缓冲空、ATR超时、释放检测完成、TS没有收到等10个独立的中断源,当CTS56I01内部的状态发生变化时,可以产生中断信号。系统通过P0口与CTS56I01的数据线相连,地址选择用P2[2:0],两个中断信号经过或门后接到89C51的INT0上。对IC卡的所有操作,只是对CTS56I01内部寄存器的读写操作,方便可靠。CTS56I01采用LQFP-32封装,仅占很小的空间。
(2) 通信方式为半双工串行通信的WatchCore
WatchCore是握奇公司为了方便各种嵌入式设备与IC卡的通信开发而推出的一款IC卡读写芯片,硬件平台采用ST7261单片机,内部掩膜有握奇公司对IC卡进行读写操作的全部程序;支持ISO/IEC 7816 T=0、T=1异步传输协议的各种智能卡,支持对Memory卡操作,支持双卡头操作,与接口CPU采用半双工串行通信。系统用P1.1和P1.2模拟一个串口与WatchCore进行通信。WatchCore采用SO-20装封,占PCB板很小的位置。
(3) 通信方式为I2C的TDA8020
TDA8020是Philips生产的支持两个独立IC卡的读写芯片,IFD内的CPU采用I2C的方式向TDA8020发送命令和读取状态,通过TDA8020的I/OuC端口向IC卡发送和接收数据。它支持符合ISO/IEC7816-3 T=0、T=1标准的IC卡,也支持符合EMV3.1.1(Europay,MasterCard,VISA)标准的卡。与它Pin-to-Pin兼容的芯片还有ST公司生产的ST8020等。TDA8020有2个地址选择引脚。本系统的地址引脚接地,两个IC卡对应的地址分别为0x40和0x48。I2C的时钟信号和数据信号分别由89C51的P1.3和P1.4进行模拟,IC卡的数据通道I/OuC连89C51的P1.5和P1.6。TDA8020也采用LQFP-32装封。
集成电路 电路 微芯 电子 电压 电流 嵌入式 单片机 PCB 仿真 CMOS 总线 相关文章:
- 基于MSP430单片机的多路数据采集系统的设计(06-20)
- LED照明全方位渗透,高能效驱动方案点亮前景(11-17)
- 使用L6506 实现步进电机的电流控制(12-10)
- 激光微加工系统及基于DSP+FPGA的控制单元的研究(03-05)
- Si472x射频收发芯片的交通状况提示装置(02-18)
- 红外方式数字图像采集报警系统的设计(03-15)
