基于单片机的开关柜智能测控装置设计及应用
时间:12-09
来源:互联网
点击:
3 实现的技术指标及性能
ASD系列开关柜智能测控装置的技术指标见表1。产品设计时采用优异的电磁干扰PCB设计技术,生产时经过整机带电老化与出厂检验测试,确保了产品的长期工作的稳定性和可靠性。
表1 ASD装置技术指标

4 应用案例

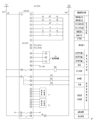
图5 典型应用接线图
在某水泥厂高压开关柜设计中,全部采用了ASD系列开关柜智能测控装置。应用方案见图5。图中信号指示回路通过开关量输入采集来实现一次原理图指示;带电显示回路通过高压传感器输入来指示母线是否带电;温湿度控制回路通过温湿度传感器输入来实现温湿度控制。并带有Modbus通讯输出, 供用户远程监测和控制。一改以往每个开关柜需配备不同厂家的多种产品,既减少了工程量节约了成本,又提高了系统的可靠性。投入试用的开关柜智能测控装置以其良好的稳定性和可靠性能保证了对开关柜内的一次设备的保护,并且保证了对于电压、电流、功率等参数的准确测量和对电能的准确计量,同时方便了用户对开关柜的实时监控。
5 结语
开关柜智能测控装置针对电力开关柜的控制要求设计,适用于中置柜、手车柜、固定柜、环网柜等多种开关柜。该产品已经系列化,集操作、显示于一体,满足多种客户的需求,具有功能齐全、运行可靠、抗干扰性能优越等特点,应用前景十分广阔。
ASD系列开关柜智能测控装置的技术指标见表1。产品设计时采用优异的电磁干扰PCB设计技术,生产时经过整机带电老化与出厂检验测试,确保了产品的长期工作的稳定性和可靠性。
表1 ASD装置技术指标

4 应用案例

图5 典型应用接线图
在某水泥厂高压开关柜设计中,全部采用了ASD系列开关柜智能测控装置。应用方案见图5。图中信号指示回路通过开关量输入采集来实现一次原理图指示;带电显示回路通过高压传感器输入来指示母线是否带电;温湿度控制回路通过温湿度传感器输入来实现温湿度控制。并带有Modbus通讯输出, 供用户远程监测和控制。一改以往每个开关柜需配备不同厂家的多种产品,既减少了工程量节约了成本,又提高了系统的可靠性。投入试用的开关柜智能测控装置以其良好的稳定性和可靠性能保证了对开关柜内的一次设备的保护,并且保证了对于电压、电流、功率等参数的准确测量和对电能的准确计量,同时方便了用户对开关柜的实时监控。
5 结语
开关柜智能测控装置针对电力开关柜的控制要求设计,适用于中置柜、手车柜、固定柜、环网柜等多种开关柜。该产品已经系列化,集操作、显示于一体,满足多种客户的需求,具有功能齐全、运行可靠、抗干扰性能优越等特点,应用前景十分广阔。
LED 显示器 电路 Freescale 单片机 看门狗 EMC 总线 ADI DSP 电压 电流 电源模块 电路图 继电器 LCD 开关电源 传感器 PCB 相关文章:
- 家居安防无线监控报警系统(04-02)
- 安森美90W太阳能LED街灯高能效解决方案(05-18)
- 高精度压力测控系统的试验研究(04-08)
- 提高实时系统数据采集质量的研究(04-09)
- 基于I2C总线的MSP430单片机应用系统设计(06-20)
- 基于DSP高精度伺服位置环设计(06-21)
