磁悬浮车地通信中频调制器的设计与实现
时间:12-08
来源:互联网
点击:
3 实际电路
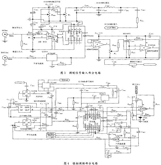
调制信号输入部分如图3所示,报头信号输入经比较器AD8611整形后作为开关ADG736的控制信号,电位器W1用于调节比较器的参考电压,以适应不同幅度的报头输入。编译码送来的10.24 MHz数据信号经过低通滤波并由电位器W2控制幅度后送入ADG736。ASK输出和经升余弦滤波后的数据信号一起送到放大器AD8072放大后送至VCO的调谐端,电位器W3用于控制合成信号的幅度,从而控制调制器的调制度,使已调信号带宽控制在系统要求的25 MHz以内。
锁相环部分如图4所示,经过前面的分析,锁相环的环路滤波器带宽应低于调制信号的最低频率。

由于磁悬浮列车行进过程中的振动可能会引起输出频率的抖动,因此环路带宽又必须足够宽使锁定时间足够快。综合上述考虑,环路带宽设计成50 kHz左右,鉴相频率由单片机过程控制可选500 kHz,625 kHz,1 250 kHz,2 500 kHz四种,以便通过调试过程得出一个最优值。鉴相器芯片选取带Charge Pump的LMX2316,其为32∕33双模预分频,外接晶振5~100 MHz,最大鉴相频率10 MHz,射频输入工作频率0.1~2.8 GHz。由于ChargePump电流较小因此环路滤波器采用有源滤波器标准反馈结构(standard feedback approach)以获取较低的杂散。使用NSC的“WEBBECH”工具,可以方便快捷地完成锁相环的设计和仿真。此外12.5 MHz的晶振输出经放大器SNA586放大后送至多任务器,为后级的毫米波前端提供参考信号。系统提供的发射控制信号用于实现各发射站间的信号切换,以避免越站干扰。
最终完成的实际电路如图5所示。调制器中频为280 MHz,已调信号带宽25 MHz(可调),最大数据速率可达15 Mb∕s(死循环误码率10-9)。目前该中频调制器已在磁浮试验线车地通信系统的地面基站和车载移动站中投入使用,性能良好。
调制信号输入部分如图3所示,报头信号输入经比较器AD8611整形后作为开关ADG736的控制信号,电位器W1用于调节比较器的参考电压,以适应不同幅度的报头输入。编译码送来的10.24 MHz数据信号经过低通滤波并由电位器W2控制幅度后送入ADG736。ASK输出和经升余弦滤波后的数据信号一起送到放大器AD8072放大后送至VCO的调谐端,电位器W3用于控制合成信号的幅度,从而控制调制器的调制度,使已调信号带宽控制在系统要求的25 MHz以内。
锁相环部分如图4所示,经过前面的分析,锁相环的环路滤波器带宽应低于调制信号的最低频率。

由于磁悬浮列车行进过程中的振动可能会引起输出频率的抖动,因此环路带宽又必须足够宽使锁定时间足够快。综合上述考虑,环路带宽设计成50 kHz左右,鉴相频率由单片机过程控制可选500 kHz,625 kHz,1 250 kHz,2 500 kHz四种,以便通过调试过程得出一个最优值。鉴相器芯片选取带Charge Pump的LMX2316,其为32∕33双模预分频,外接晶振5~100 MHz,最大鉴相频率10 MHz,射频输入工作频率0.1~2.8 GHz。由于ChargePump电流较小因此环路滤波器采用有源滤波器标准反馈结构(standard feedback approach)以获取较低的杂散。使用NSC的“WEBBECH”工具,可以方便快捷地完成锁相环的设计和仿真。此外12.5 MHz的晶振输出经放大器SNA586放大后送至多任务器,为后级的毫米波前端提供参考信号。系统提供的发射控制信号用于实现各发射站间的信号切换,以避免越站干扰。
最终完成的实际电路如图5所示。调制器中频为280 MHz,已调信号带宽25 MHz(可调),最大数据速率可达15 Mb∕s(死循环误码率10-9)。目前该中频调制器已在磁浮试验线车地通信系统的地面基站和车载移动站中投入使用,性能良好。
电路 仿真 振荡器 电子 滤波器 单片机 比较器 电压 放大器 射频 电流 相关文章:
- 一种新型防伪读码器的设计(01-01)
- 基于ARM与DSP的嵌入式运动控制器设计(04-25)
- 航天器DC/DC变换器的可靠性设计(02-12)
- 基于ARM核的AT75C220及其在指纹识别系统中的应用(05-24)
- 基于nRF2401智能小区无线抄表系统集中器设计(04-30)
- 卫星电源分系统可靠性设计与研究(02-12)
