基于Matlab的双馈调速系统研究与设计
时间:12-07
来源:互联网
点击:
1.双馈调速系统的构成
对于绕线式异步电机,定子接有固定频率(50Hz)的工业电源,转子侧接有频率、幅值、相位可调的变频器电源后即构成双馈调速系统。在电动机的转轴上装上转子频率检测器测出转差频率,利用此信号及矢量控制技术即可实现对变频电源输出电压(电流)幅值、频率及相位的控制,并使异步电机的调速性能几乎与直流电动机调速性能相媲美。
2.矢量控制的理论基础
为达到良好的调速性能对双馈电机采取先进的矢量控制技术。矢量控制的实质是在交流电机里构建出直流电机的模型,用直流电机的调速方法对其调速,而为了对真实的可控量进行控制,又须将其变换到原来所在坐标系的坐标。具体的实现方法是先求出定子磁链的方向,并以该方向为同步旋转坐标系的dc轴,超前其90o的方向为qc轴,这样就构成了dc-qc同步旋转坐标系。对转子电流进行了从三相到两相变换后,再将其变换到同步坐标系下,转子电流就被解耦成了一对转矩分量和激磁分量。前者位于qc轴,电磁转矩只和该值有关;后者位于dc轴,起到激磁的作用,可改善定子侧的功率因数。
反之若维持定子侧电压幅值恒定,则
恒定。则由电磁转矩统一公式知T=
在保证Us(即
)恒定的条件下,控制
即可实现转矩的调节。
3.控制系统结构
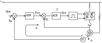
转子电流经过解耦后,就可用直流调速的方法对其进行控制。在控制系统中,给定量是转速,受控量是电磁转矩(转子电流的转矩分量)。为了实现转速和电流两种负反馈分别起作用,在系统中设置了两个调节器,分别调节转速和电流,两者之间实行串级联接,把转速调节器的输出当作电流调节器的输入,再用电流调节器的输出去控制晶闸管变流器的触发装置。转速调节器的作用是对转速的抗扰调节并使之在稳态时无静差,其输出限幅值决定允许的最大电流。电流调节器的作用是电流跟随,过流保护和及时抑制。
为了获得良好的动、静态性能,双闭环调速系统的两个调节器一般都采用PI调节器。两个调节器的输出都是带限幅的,转速调节器ASR的输出限幅(饱和)电压是Uin*,它决定了电流调节器给定电压的最大值,电流调节器ACR的输出限幅电压是Uctm,它限制了晶闸管变流器输出电压的最大值。

图 1双闭环比例-积分调节示意图
4.Matlab 仿真模型的建立
双馈系统的仿真模型包括电机模块、控制系统模块、变频器模块。
(1)电机模块
Matlab中已经建立了异步电机模型,转子方面的各参量均折合到定子侧,并用上标撇号表示,其等效电路模型为


该对话框里没有电机定、转子电压变比关系一项,在此数学模型中这一信息也无法体现。比如,定转子的额定电压分别是6000伏、1640伏,但当仿真定子侧接6000伏电压、转子侧开路这种状态时,转子侧的电压也是6000伏,因此不宜将模型的转子直接与变频器模型直接相连。为了体现定转子之间电压、电流的变比关系,在转子输出端接一近似理想的三相两绕组变压器,该变压器副边的输出作为转子的输出,变压器的变比为定子侧额定电压与转子侧额定电压的比值。

图 3修正过的电机模型
(2)控制模块
控制系统由磁场定向、坐标变换、直流调节、交流调节和电压前馈模块综合而成。经过磁场定向与坐标变换,转子电流解耦成一对转矩分量和激磁分量。下图为转子两相电
进行了旋转变换得到定子磁链坐标系下的直流
Te只与
有关,两者成一线性关系,另一分量
起到激磁的作用。


对转矩分量和激磁分量进行直流调节后进行坐标反变换和从两相到三相的变换输出变频器控制信号。
(3)变频器模块
变频器一相的供电流回路模型如图6所示,主要由两组反并联的晶闸管变流器和控制正负组封锁与开通的逻辑判断电路联接而成。变频器正负组交替工作输出交流电流,且两组不可同时开通,否则在正负组间形成很大的环流会将变频器烧坏,为此需有可靠工作的控制正负组封锁与开通的逻辑判断电路,即图中的DLC模块。在无环流交-交变频器供电回路中,转子电流过零点检测是实现变频调速的重要一环,若不能准确检测出转子电流过零,交流电流就不能正确输出,导致转子电流频率不能追随实际的转差频率,力矩电流偏离给定值,变频调速失败。

图 6变频器一相供电回路模型
当转子电流大于0.5安培时,判断电流没到零;小于0.5安培时须过1e-5 秒的延时后再次检测电流,若仍小于0.5安,则认为电流到零了否则认为是干扰信号。判断电流到零后需先封锁当前工作的变流器后再开通另一组变流器,中间设置了1e-3秒的死区时间以防止在正负变流器之间出现环流。下图是该变频器模块输出的仿真波形(时间以秒为单位)。

将修正了的电机模型、控制系统和变频器连接起来便构成了双馈调速系统的模型如下图8所示。速度的设定在Constant2方框中填写, Constant1可填写转子电流的激磁分量,设定为转子电流的2%。

对于绕线式异步电机,定子接有固定频率(50Hz)的工业电源,转子侧接有频率、幅值、相位可调的变频器电源后即构成双馈调速系统。在电动机的转轴上装上转子频率检测器测出转差频率,利用此信号及矢量控制技术即可实现对变频电源输出电压(电流)幅值、频率及相位的控制,并使异步电机的调速性能几乎与直流电动机调速性能相媲美。
2.矢量控制的理论基础
为达到良好的调速性能对双馈电机采取先进的矢量控制技术。矢量控制的实质是在交流电机里构建出直流电机的模型,用直流电机的调速方法对其调速,而为了对真实的可控量进行控制,又须将其变换到原来所在坐标系的坐标。具体的实现方法是先求出定子磁链的方向,并以该方向为同步旋转坐标系的dc轴,超前其90o的方向为qc轴,这样就构成了dc-qc同步旋转坐标系。对转子电流进行了从三相到两相变换后,再将其变换到同步坐标系下,转子电流就被解耦成了一对转矩分量和激磁分量。前者位于qc轴,电磁转矩只和该值有关;后者位于dc轴,起到激磁的作用,可改善定子侧的功率因数。
反之若维持定子侧电压幅值恒定,则
恒定。则由电磁转矩统一公式知T=
在保证Us(即
)恒定的条件下,控制
即可实现转矩的调节。3.控制系统结构
转子电流经过解耦后,就可用直流调速的方法对其进行控制。在控制系统中,给定量是转速,受控量是电磁转矩(转子电流的转矩分量)。为了实现转速和电流两种负反馈分别起作用,在系统中设置了两个调节器,分别调节转速和电流,两者之间实行串级联接,把转速调节器的输出当作电流调节器的输入,再用电流调节器的输出去控制晶闸管变流器的触发装置。转速调节器的作用是对转速的抗扰调节并使之在稳态时无静差,其输出限幅值决定允许的最大电流。电流调节器的作用是电流跟随,过流保护和及时抑制。
为了获得良好的动、静态性能,双闭环调速系统的两个调节器一般都采用PI调节器。两个调节器的输出都是带限幅的,转速调节器ASR的输出限幅(饱和)电压是Uin*,它决定了电流调节器给定电压的最大值,电流调节器ACR的输出限幅电压是Uctm,它限制了晶闸管变流器输出电压的最大值。

图 1双闭环比例-积分调节示意图
4.Matlab 仿真模型的建立
双馈系统的仿真模型包括电机模块、控制系统模块、变频器模块。
(1)电机模块
Matlab中已经建立了异步电机模型,转子方面的各参量均折合到定子侧,并用上标撇号表示,其等效电路模型为


该对话框里没有电机定、转子电压变比关系一项,在此数学模型中这一信息也无法体现。比如,定转子的额定电压分别是6000伏、1640伏,但当仿真定子侧接6000伏电压、转子侧开路这种状态时,转子侧的电压也是6000伏,因此不宜将模型的转子直接与变频器模型直接相连。为了体现定转子之间电压、电流的变比关系,在转子输出端接一近似理想的三相两绕组变压器,该变压器副边的输出作为转子的输出,变压器的变比为定子侧额定电压与转子侧额定电压的比值。

图 3修正过的电机模型
(2)控制模块
控制系统由磁场定向、坐标变换、直流调节、交流调节和电压前馈模块综合而成。经过磁场定向与坐标变换,转子电流解耦成一对转矩分量和激磁分量。下图为转子两相电
进行了旋转变换得到定子磁链坐标系下的直流
Te只与
有关,两者成一线性关系,另一分量
起到激磁的作用。

对转矩分量和激磁分量进行直流调节后进行坐标反变换和从两相到三相的变换输出变频器控制信号。
(3)变频器模块
变频器一相的供电流回路模型如图6所示,主要由两组反并联的晶闸管变流器和控制正负组封锁与开通的逻辑判断电路联接而成。变频器正负组交替工作输出交流电流,且两组不可同时开通,否则在正负组间形成很大的环流会将变频器烧坏,为此需有可靠工作的控制正负组封锁与开通的逻辑判断电路,即图中的DLC模块。在无环流交-交变频器供电回路中,转子电流过零点检测是实现变频调速的重要一环,若不能准确检测出转子电流过零,交流电流就不能正确输出,导致转子电流频率不能追随实际的转差频率,力矩电流偏离给定值,变频调速失败。

图 6变频器一相供电回路模型
当转子电流大于0.5安培时,判断电流没到零;小于0.5安培时须过1e-5 秒的延时后再次检测电流,若仍小于0.5安,则认为电流到零了否则认为是干扰信号。判断电流到零后需先封锁当前工作的变流器后再开通另一组变流器,中间设置了1e-3秒的死区时间以防止在正负变流器之间出现环流。下图是该变频器模块输出的仿真波形(时间以秒为单位)。

将修正了的电机模型、控制系统和变频器连接起来便构成了双馈调速系统的模型如下图8所示。速度的设定在Constant2方框中填写, Constant1可填写转子电流的激磁分量,设定为转子电流的2%。

- 基于DSP高精度伺服位置环设计(06-21)
- 基于DSP的工业缝纫机控制系统设计(09-23)
- 无传感器交流电动机控制技术提高了运行效率(10-15)
- 一种变频调速系统的SVPWM控制设计(02-03)
- FPGA在步进电机控制中的应用(03-07)
- 用C8051F构成的采集与控制系统(03-09)
