基于AT89C2051的库房温湿度控制系统
时间:11-04
来源:互联网
点击:
目前,国内大中型库房在仓储管理中由于技术和资金上的原因,多数仅限于只对温度进行监测,当温度超标时进行强制通风和翻仓,即使如此,处理不及时或因设备人力条件有限仍会造成大量损失。实现库房储藏物的温升主要是由于湿度引起的,库房储藏物本身的水分过高或连续的高湿天气将导致储藏物新陈代谢加快而放出热量,放热引起的温升又使代谢进一步加剧以至发霉变质。这种恶性循环一旦形成很难进行有效控制。因此,库房在进行温度监测的同时,必须重视对空气湿度的检测,以利于提前采取有效措施控制库房储藏物升温而霉变。本文所介绍的温湿度控制系统以AT89C2051单片机为控制核心,结合传感器、通讯和数字电子电路技术,实现了温度和湿度检测与库房温度和湿度的有效控制,降低经济损失和劳动强度。
系统总体结构
应用户要求对若干个地理位置分散的库房的温湿度进行实时的监测与控制,为了适应对多个测控点的监控与管理,经分析采用了分布式系统的控制方式,即在每个测控点配置能独立工作的从机,多个从机由1个上位机进行监控管理,上下采用主从式监控管理形式,系统总体结构如图1所示。
系统的各个部分功能和关系如下:
·主机为管理机,完成参数设置、数据存储、处理及管理功能。
·从机为控制机,采用单片机2051,直接实现各个模块的控制功能,并能在主机关机的条件下实现所有的控制功能。
·通讯接口实现RS232信号和RS485信号的转换,主机通过其向从机发送控制参数,从机将现场采集数据通过其传给主机。
·数据采集实现对传感器及运行设备的检测。
·控制器及其设备根据系统输出的信号对现场设备进行控制。
·输入输出部分包括输入模块和输出模块,输入模块将采集的信号转换后输入到从机,输出模块将系统的控制信号输出到控制器及其设备。

图1 系统总体结构图
系统以温湿度监控为核心,温湿度参数和设备运行状态由主机根据用户要求定时向从机查询,各控制模块的设置参数修改时,将新的参数发送到从机。主机可以对从机进行参数设置及控制,从机也可以独立工作。从机通过数据采集装置不间断地采集温湿度数据,根据控制模块的设置参数做出控制决策,驱动设备运行,并随时准备接受主机的指令,当受到询问时,将库房的各项数据编码通过串行通信方式传输到主机。主机接收到数据后,进行数据处理,在监控界面上显示当前的状态信息,并将此信息实时地存储到数据库中,为用户维护和管理准备数据。对数据可以进行查询,也可以将一段时期的数据信息汇集成报表,报表包括各项统计数据,还可以将数据处理绘制成图形曲线,实现对数据的分析与管理。
系统硬件设计
控制系统的主机采用一般的PC(64M以上即可),就完全可以满足系统对数据处理、运行速度的要求。从机部分以2051单片机为核心,外接数据采集输入电路、输出电路、状态监测电路等部分组成。
本系统对多个测控点进行监控,1台主机与多台从机实现主从式通信,通过通讯接口机实现RS485标准总线通讯,系统的数据检测是由各类传感器来承担,图2所示为单片机控制平台1系统原理图。

图2 单片机控制平台1系统原理图
此控制平台主要实现现场数据采集,并将采集数据处理、存储、发送给主机。2051是控制平台的核心,温湿度数据的采集通过多路传感器获得,采集的信号经ADS1286实现转换。为有效控制多路传感器,在系统设计中使用4051实现扩展,使控制平台可以控制多路传感器,采集的数据存放于24LC04。在控制平台的驱动上,使用CMOS管1120提高2051的驱动能力,使控制平台每路可以控制多个传感器(主要是提高控制平台对18B20、温湿度采集器的驱动能力)。在与主机通讯时,为达到电平一致,控制平台通过RS485芯片实现2051的引脚RXD、TXD的TTL电平与RS485的引脚A、B的485电平之间的转换。把主机通过通讯接口送来的RS485标准电平转换为TTL电平传送给2051,把2051送出的TTL电平转换成RS485标准电平通过通讯接口传送给主机。

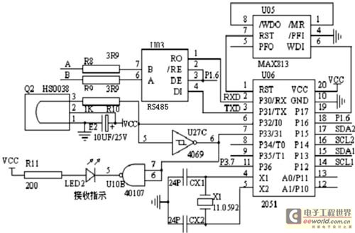
图3单片机控制平台2接口电路
图3所示为单片机控制平台2接口电路,主要实现对现场设备(现场设备主要指通用空调、加/除湿机等)的控制,并将设备状态情况发送给主机。该控制平台的主要部分如下:
·2051单片机
2051是控制平台的核心。
·24LC16存储器扩展
24LC16用于存放现场设备的状态数据。
·遥控
控制平台通过HS0038和红外发光管实现对现场设备的遥控。可根据现场设备的不同,选用HS0038或红外发光管遥控现场设备。
·RS232通讯
控制平台把80C196的串口引脚RXD、TXD和GND接到光电耦合电路,把80C196串行口输出的TTL电平转换为RS232标准电平,把其它微机送来的RS232标准电平转换为TTL电平给80C196,并实现RS232电平与TTL电平的隔离,在实现RS232电平与TTL电平转换的同时保护计算机串口。
·RS485通讯
控制平台通过RS485芯片实现2051的引脚RXD、TXD的TTL电平与RS485的引脚A、B的485电平之间的转换。把主机通过通讯接口机送来的RS485标准电平转换为TTL电平传送给2051,把2051送出的TTL电平转换成RS485标准电平通过通讯接口机传送给主机。
系统总体结构
应用户要求对若干个地理位置分散的库房的温湿度进行实时的监测与控制,为了适应对多个测控点的监控与管理,经分析采用了分布式系统的控制方式,即在每个测控点配置能独立工作的从机,多个从机由1个上位机进行监控管理,上下采用主从式监控管理形式,系统总体结构如图1所示。
系统的各个部分功能和关系如下:
·主机为管理机,完成参数设置、数据存储、处理及管理功能。
·从机为控制机,采用单片机2051,直接实现各个模块的控制功能,并能在主机关机的条件下实现所有的控制功能。
·通讯接口实现RS232信号和RS485信号的转换,主机通过其向从机发送控制参数,从机将现场采集数据通过其传给主机。
·数据采集实现对传感器及运行设备的检测。
·控制器及其设备根据系统输出的信号对现场设备进行控制。
·输入输出部分包括输入模块和输出模块,输入模块将采集的信号转换后输入到从机,输出模块将系统的控制信号输出到控制器及其设备。

图1 系统总体结构图
系统以温湿度监控为核心,温湿度参数和设备运行状态由主机根据用户要求定时向从机查询,各控制模块的设置参数修改时,将新的参数发送到从机。主机可以对从机进行参数设置及控制,从机也可以独立工作。从机通过数据采集装置不间断地采集温湿度数据,根据控制模块的设置参数做出控制决策,驱动设备运行,并随时准备接受主机的指令,当受到询问时,将库房的各项数据编码通过串行通信方式传输到主机。主机接收到数据后,进行数据处理,在监控界面上显示当前的状态信息,并将此信息实时地存储到数据库中,为用户维护和管理准备数据。对数据可以进行查询,也可以将一段时期的数据信息汇集成报表,报表包括各项统计数据,还可以将数据处理绘制成图形曲线,实现对数据的分析与管理。
系统硬件设计
控制系统的主机采用一般的PC(64M以上即可),就完全可以满足系统对数据处理、运行速度的要求。从机部分以2051单片机为核心,外接数据采集输入电路、输出电路、状态监测电路等部分组成。
本系统对多个测控点进行监控,1台主机与多台从机实现主从式通信,通过通讯接口机实现RS485标准总线通讯,系统的数据检测是由各类传感器来承担,图2所示为单片机控制平台1系统原理图。

图2 单片机控制平台1系统原理图
此控制平台主要实现现场数据采集,并将采集数据处理、存储、发送给主机。2051是控制平台的核心,温湿度数据的采集通过多路传感器获得,采集的信号经ADS1286实现转换。为有效控制多路传感器,在系统设计中使用4051实现扩展,使控制平台可以控制多路传感器,采集的数据存放于24LC04。在控制平台的驱动上,使用CMOS管1120提高2051的驱动能力,使控制平台每路可以控制多个传感器(主要是提高控制平台对18B20、温湿度采集器的驱动能力)。在与主机通讯时,为达到电平一致,控制平台通过RS485芯片实现2051的引脚RXD、TXD的TTL电平与RS485的引脚A、B的485电平之间的转换。把主机通过通讯接口送来的RS485标准电平转换为TTL电平传送给2051,把2051送出的TTL电平转换成RS485标准电平通过通讯接口传送给主机。

图3单片机控制平台2接口电路
图3所示为单片机控制平台2接口电路,主要实现对现场设备(现场设备主要指通用空调、加/除湿机等)的控制,并将设备状态情况发送给主机。该控制平台的主要部分如下:
·2051单片机
2051是控制平台的核心。
·24LC16存储器扩展
24LC16用于存放现场设备的状态数据。
·遥控
控制平台通过HS0038和红外发光管实现对现场设备的遥控。可根据现场设备的不同,选用HS0038或红外发光管遥控现场设备。
·RS232通讯
控制平台把80C196的串口引脚RXD、TXD和GND接到光电耦合电路,把80C196串行口输出的TTL电平转换为RS232标准电平,把其它微机送来的RS232标准电平转换为TTL电平给80C196,并实现RS232电平与TTL电平的隔离,在实现RS232电平与TTL电平转换的同时保护计算机串口。
·RS485通讯
控制平台通过RS485芯片实现2051的引脚RXD、TXD的TTL电平与RS485的引脚A、B的485电平之间的转换。把主机通过通讯接口机送来的RS485标准电平转换为TTL电平传送给2051,把2051送出的TTL电平转换成RS485标准电平通过通讯接口机传送给主机。
单片机 传感器 电子 电路 51单片机 总线 CMOS 红外 温度传感器 相关文章:
- 基于nRF2401智能无线火灾监控系统设计(04-01)
- 家居安防无线监控报警系统(04-02)
- 高精度压力测控系统的试验研究(04-08)
- 提高实时系统数据采集质量的研究(04-09)
- 基于MSP430的低功耗便携式测温仪设计(06-18)
- 以超低功耗微处理器MSP430为核心的热计量表设计(06-18)
