提高非接触有值IC卡操作的可靠性研究
时间:09-19
来源:互联网
点击:
IC卡(Integrated Circuit Card)又称为“集成电路卡”,是将一个集成电路芯片镶嵌于塑料基片中,封装成卡的形式,其外形与覆盖磁条的磁卡相似。IC卡作为一种安全、方便、快捷的支付工具和轻便、详实的个人信息资料库,在现代的社会中已受到广大用户的青睐。特别是非接触射频IC卡的出现,极大地方便了用户的使用,克服了传统的接触式IC卡触点容易磨损、使用不方便的缺点。但同时也带来一些问题,因为是非接触式IC卡,有时用户刷卡的速度过快,会导致IC卡读卡器尚未完成对IC的操作,卡已经离开了天线区域,从而出现不可预知的后果,严重的话会使IC卡里的数据丢失,给用户造成损失。出现这些问题主要是由硬件和软件两方面的因素造成的。硬件方面,主要与天线和卡的个体差异有关。我们做过实验,不同的卡即使在同一读卡器上,它们的读卡距离差别还是很大的;同样,同一张卡在不同读卡器上的读卡距离的差别也很大。读写距离的缩短,致使在一定的时间内没完成卡的读写,从而出现异常情况。软件方面,可在尽量缩短卡的操作时间的同时采取一些弥补措施,以弥补先天的硬件不足,从而提高IC卡的可靠性操作,避免了一些不必要的麻烦。
Philips公司是世界上最早研制非接触式IC卡的公司,其产品系列有Mifare standard、Mifare Light、Mifare PLUS和Mifare PRO。以Mifare standard系列MF1 IC S50为例,按Philips公司的标准,该卡与读写器天线之间完成一次数据交换的时间可小于0.1 s。但在实际中,由于种种原因交易的时间比这要长些,而且处理不好的话,还会出现不可预料的后果。
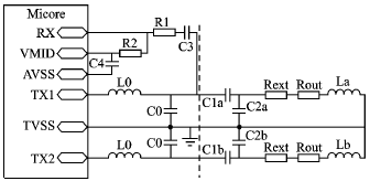
1 非接触IC卡天线组成
非接触IC卡天线是影响读卡性能的一个决定性因素,天线设计的好坏直接影响到读卡系统的稳定性。如图1所示,整个天线部分电路由EMC滤波电路、接收电路和天线线圈电路3部分组成。EMC滤波电路的作用是减弱由天线发射电路产生的高次谐波对外界的影响。接收电路由R1、R2、C3、C4组成。 R2、C4的作用是使接收脚RX上的直流电平与内部参考电压输出VMID保持一致;R1则用于调整接收脚RX上交流信号的幅度。虚线右方所示的电路即为所要设计的天线,包扩天线线圈和相关的谐振元器件。其中,Rext用于调节天线的品质因素,而天线的中心频率f及对外输出阻抗Za则主要通过改变谐振电容 C1a、C1b、C2a、C2b的值来调整。所以外接电阻Rext和谐振电容器件参数的确定为天线线圈电路设计中不可缺少的一环。根据Philips公司关于非接触式IC卡天线设计资料,天线调谐分为2个步骤: ① 调整天线的谐振频率f和输出阻抗Za到期望的13.56 MHz和500 Ω;② 对天线进行调节,找到最大的读卡距离。具体方法为将天线接入电路中,然后在系统工作的情况下,不断调整C2的值并测试卡的读写距离,直至找到最大读卡距离时C2的值。找出最大读卡距离的目的是为了使卡进入天线辐射范围的时间足够长,以圆满地完成对卡的操作。

图1 天线模块电路
2 非接触IC的电子钱包功能
有值卡一般用于小额消费中,电子钱包就是典型的应用。电子钱包的操作包括读(READ)、加(INCREMENT)、减 (DECREMENT)、传送(TRANSFER)和恢复(RESTORE)等。电子钱包一般采用值段方式进行存储,厂家也提供值段操作函数帮助用户方便地进行开发。值段也称为“值块(Value Block)”,Value的长度为4字节(包括符号位)。为了提高错误检测和纠错能力,在一个Value Block中每一个Value存入3次,如下所示:

在进行任意计算之前,在芯片内部检查3个Value的一致性。余下的4字节(A和)为8位任意地址(Address)字节,同一地址存入4次(A和)。
Value Block中的内容第一次由WRITE命令写入到所要求的地址中,以后可以用DECREAMENT/INCREMENT/RESTORE命令修改内容。数据的计算过程如图2所示。计算结果暂存入DATA寄存器(即数据寄存器),然后用TRANSFER命令写入寄存器。

图2 Value计算示意图
3 软件的实现
MF1 IC S50有8 Kb EEPROM,分成16个区,每个区又分成4个块(Block0"3),一个分组有16字节。为了方便用户使用,Philips公司给出了值段操作函数 M500PiccValue(),使用该函数可以方便地进行加(INCREMENT)、减(DECREMENT)、传送(TRANSFER)、恢复 (RESTORE)等操作。但是该函数存在一定的缺陷,当返回值为“非MI_OK”时,会有两种情况出现: ① 值操作未完成,值为原值不变;② 值操作已完成,值为正确计算结果。这将导致无法根据函数返回值来判断值操作成功与否(只有返回值是MI_OK才能确定是正确的)。换句话说,虽然为 MI_OK时能确定操作正确,但是由于为“非MI_OK”时可能完成操作,也可能未完成操作,因此如果这是返回重新进行值操作,那么一直等到MI_OK,就会出现多操作的现象。比如要求刷一次卡扣1元,那它可能扣掉2元、3元,甚至更多。这当然不是所期望看到的。
针对上述的情况,为了保证能正确地对卡进行操作和保证数据不丢失,一般在一个区划分2个数据块作为电子钱包,采用值段格式进行存储,分别定义为主值块(①块)和备份值块(②块),主值块和备份块相互备份。

图3 软件操作流程
先将主值块的值减去消费额得到的值存在备份值块中(①块→②块,使用“减”和“传送”操作),此时主值块还没改变;如果此操作为MI_OK,则继续下面的操作将备份值块的值送回主值块(②块→①块),使用恢复操作;如果操作为MI_OK,则此时①块和②块的值相等。每一步操作都判断结果,失败则重做。具体软件操作流程如图3所示。
Philips公司是世界上最早研制非接触式IC卡的公司,其产品系列有Mifare standard、Mifare Light、Mifare PLUS和Mifare PRO。以Mifare standard系列MF1 IC S50为例,按Philips公司的标准,该卡与读写器天线之间完成一次数据交换的时间可小于0.1 s。但在实际中,由于种种原因交易的时间比这要长些,而且处理不好的话,还会出现不可预料的后果。
1 非接触IC卡天线组成
非接触IC卡天线是影响读卡性能的一个决定性因素,天线设计的好坏直接影响到读卡系统的稳定性。如图1所示,整个天线部分电路由EMC滤波电路、接收电路和天线线圈电路3部分组成。EMC滤波电路的作用是减弱由天线发射电路产生的高次谐波对外界的影响。接收电路由R1、R2、C3、C4组成。 R2、C4的作用是使接收脚RX上的直流电平与内部参考电压输出VMID保持一致;R1则用于调整接收脚RX上交流信号的幅度。虚线右方所示的电路即为所要设计的天线,包扩天线线圈和相关的谐振元器件。其中,Rext用于调节天线的品质因素,而天线的中心频率f及对外输出阻抗Za则主要通过改变谐振电容 C1a、C1b、C2a、C2b的值来调整。所以外接电阻Rext和谐振电容器件参数的确定为天线线圈电路设计中不可缺少的一环。根据Philips公司关于非接触式IC卡天线设计资料,天线调谐分为2个步骤: ① 调整天线的谐振频率f和输出阻抗Za到期望的13.56 MHz和500 Ω;② 对天线进行调节,找到最大的读卡距离。具体方法为将天线接入电路中,然后在系统工作的情况下,不断调整C2的值并测试卡的读写距离,直至找到最大读卡距离时C2的值。找出最大读卡距离的目的是为了使卡进入天线辐射范围的时间足够长,以圆满地完成对卡的操作。

图1 天线模块电路
2 非接触IC的电子钱包功能
有值卡一般用于小额消费中,电子钱包就是典型的应用。电子钱包的操作包括读(READ)、加(INCREMENT)、减 (DECREMENT)、传送(TRANSFER)和恢复(RESTORE)等。电子钱包一般采用值段方式进行存储,厂家也提供值段操作函数帮助用户方便地进行开发。值段也称为“值块(Value Block)”,Value的长度为4字节(包括符号位)。为了提高错误检测和纠错能力,在一个Value Block中每一个Value存入3次,如下所示:

在进行任意计算之前,在芯片内部检查3个Value的一致性。余下的4字节(A和)为8位任意地址(Address)字节,同一地址存入4次(A和)。
Value Block中的内容第一次由WRITE命令写入到所要求的地址中,以后可以用DECREAMENT/INCREMENT/RESTORE命令修改内容。数据的计算过程如图2所示。计算结果暂存入DATA寄存器(即数据寄存器),然后用TRANSFER命令写入寄存器。

图2 Value计算示意图
3 软件的实现
MF1 IC S50有8 Kb EEPROM,分成16个区,每个区又分成4个块(Block0"3),一个分组有16字节。为了方便用户使用,Philips公司给出了值段操作函数 M500PiccValue(),使用该函数可以方便地进行加(INCREMENT)、减(DECREMENT)、传送(TRANSFER)、恢复 (RESTORE)等操作。但是该函数存在一定的缺陷,当返回值为“非MI_OK”时,会有两种情况出现: ① 值操作未完成,值为原值不变;② 值操作已完成,值为正确计算结果。这将导致无法根据函数返回值来判断值操作成功与否(只有返回值是MI_OK才能确定是正确的)。换句话说,虽然为 MI_OK时能确定操作正确,但是由于为“非MI_OK”时可能完成操作,也可能未完成操作,因此如果这是返回重新进行值操作,那么一直等到MI_OK,就会出现多操作的现象。比如要求刷一次卡扣1元,那它可能扣掉2元、3元,甚至更多。这当然不是所期望看到的。
针对上述的情况,为了保证能正确地对卡进行操作和保证数据不丢失,一般在一个区划分2个数据块作为电子钱包,采用值段格式进行存储,分别定义为主值块(①块)和备份值块(②块),主值块和备份块相互备份。

图3 软件操作流程
先将主值块的值减去消费额得到的值存在备份值块中(①块→②块,使用“减”和“传送”操作),此时主值块还没改变;如果此操作为MI_OK,则继续下面的操作将备份值块的值送回主值块(②块→①块),使用恢复操作;如果操作为MI_OK,则此时①块和②块的值相等。每一步操作都判断结果,失败则重做。具体软件操作流程如图3所示。
集成电路 电路 射频 EMC 电压 电容 电阻 电容器 电子 相关文章:
- 基于MSP430单片机的多路数据采集系统的设计(06-20)
- LED照明全方位渗透,高能效驱动方案点亮前景(11-17)
- 使用L6506 实现步进电机的电流控制(12-10)
- 激光微加工系统及基于DSP+FPGA的控制单元的研究(03-05)
- Si472x射频收发芯片的交通状况提示装置(02-18)
- 红外方式数字图像采集报警系统的设计(03-15)
