热电偶传感器测温系统的设计应用
时间:09-15
来源:互联网
点击:
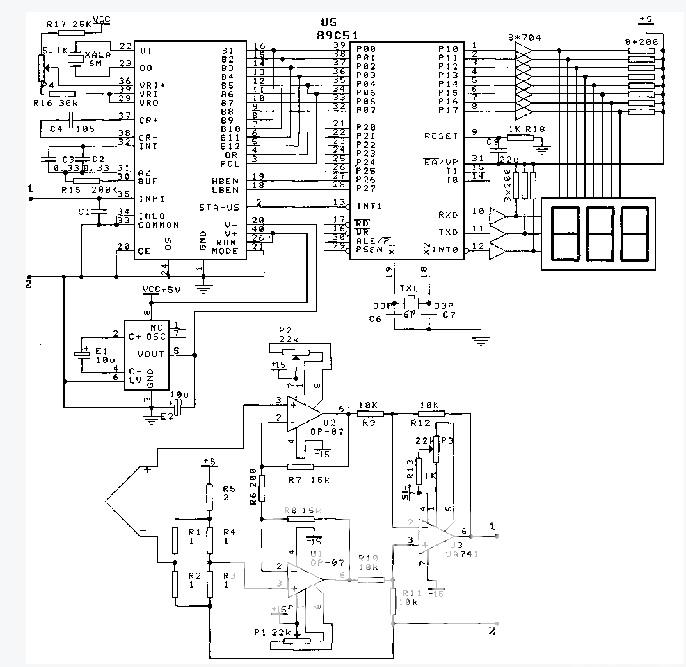
(4) ICL7109与89C51的接口
本系统采用直接接口方式,7109的MODE端接地,使7109工作于直接输出方式。振荡器选择端(即OS端,24脚)接地,则7109的时钟振荡器以晶体振荡器工作,内部时钟等于58分频后的振荡器频率,外接晶体为6MHz,则时钟频率=6MHz/58=103kHz。积分时间=2048×时间周期=20ms,与50Hz电源周期相同。积分时间为电源周期的整数倍,可抑制50Hz的串模干扰。
在模拟输入信号较小时,如0~0.5伏时,自动调零电容可选比积分电容CINT大一倍,以减小噪声,CAZ的值越大,噪声越小,如果CINT选为0.15μF,则CAZ=2CINT=0.33μF。
由传感器传来的微弱信号经放大器放大后为0~5V,这时噪声的影响不是主要的,可把积分电容CINT选大一些,使CINT=2CAZ,选CINT=0.33μF,CAZ=0.15μF,通常CINT和CAZ可在0.1μF至1μF间选择。积分电阻RINT等于满度电压时对应的电阻值(当电流为20μA、输入电压=4.096V时,RINT=200kΩ),此时基准电压V+RI和V-RI之间为2V,由电阻R1、R3和电位器R2分压取得。
本电路中,CE/LOAD引脚接地,使芯片一直处于有效状态。RUN/HOLD(运行/保持)引脚接+5V,使A/D转换连续进行。
A/D转换正在进行时,STATUS引脚输出高电平,STATUS引脚降为低电平时,由P2.6输出低电平信号到ICL7109的HBEN,读高4位数据、极性和溢出位;由P2.7输出低电平信号到LBEN,读低8位数据。本系统中尽管CE/LOAD接地,RUN/HOLD接+5V,A/D转换连续进行,然而如果89C51不查询P1.0引脚,那么就不会给出HBEN、LBEN信号,A/D转换的结果不会出现在数据总线D0~D7上。不需要采集数据时,不会影响89C51的工作,因此这种方法可简化设计,节省硬件和软件。
(5)显示电路
采用3位LED数码管显示器,数码管的段控用P1口输出,位控由P3.0、P3.1、P3.2控制。7407是6位的驱动门,它是一个集电极开路门,当输入为“0”时输出为“0”;输入为“1”时输出断开,须接上位电路。共用两片7407,分别作为段控和位控的驱动。数码管选共阳极接法,当位控为“1”时,该数码管选通,动态显示用软件完成,节省硬件开销。硬件原理如图1所示。

2、软件设计
ICL模块:从A/D转换器读取结果的模块,它连续读3次,读出3个结果分别存放于内部30H~35H单元(双字节存放)。
WAVE数字滤波模块:它是将ICL模块输出的3个结果排序,取中间的数作为选用的测量值。此模块可以避免因电路偶然波动而引起的脉冲量的干扰,使显示数据平稳。
MODIFY模块:它是补偿热电偶冷端器25℃时的量值,相当于仪表中的零点调到25℃,称此模块为零点校正模块(此温度为室温)。YA查表模块:它是核心模块。表格数据是按一定规律增长的数据(0~655℃),表格中电压值与温度值一一对应,表格中的电压值是热电偶输出信号乘以放大倍数(150)以后的结果,变成十六进制数进行存放,低位在前,高位在后,因而它的数据地址可以代表温度值,用查找的内容的地址减去表格首地址0270H后再除以2(双字节存放)即为温度值。此数据为十六进制数还需进行二十进制转换(CLEAN),再送显示器显示。
查表法:采用二分查找法,DP先找对半值(MIDDLE)同转换数据比较(COMPARE),看属哪一半,修改表格上下限值,再进行对半比较,经过若干次后,直到找到数据为止,如果找不到,也就是说被转换数据介于表格中两相邻值之间,则再调用取近值模块(NEAR),选择与被转换数据接近的那个数据作为查找到的数据,然后调用温度值模块(FIND),整个查表模块就完成了从输入到输出的变化。
DIR:采用动态3位显示,显示时间由实验测定,各模块设计完成后要进行测试,尽量使其内聚性强、模块间耦合性强,并采用数据耦合。
二、恒温炉控制器
此恒温炉主要由液化气提供热源,热效率高,且取暖费用低廉。人工预设加热温度值后,控制器能准确地把温度控制在设定值的±1℃,现场使用方便。其主要性能指标为:温度可调范围在10~50℃之间;温度精度可精确到0.25℃;当环境中的氧含量低于某一值时,控制电路自动关闭加热炉,等待人工处理。
1、硬件设计
该控制器是以89C51为控制核心,以电磁阀为驱动部件,以及温度采样、热电偶信号采样、显示等电路组成。系统框图如图2所示。

89C51单片机,其指令系统与MCS-51完全兼容,且片内带有4KB的E2PROM,可以方便地构成一个最小系统。采样10位数字温度传感器,经CPU处理后,实时地显示在液晶屏上,热电偶电路时刻监视着是否有异常情况出现。
(1)数字温度采样电路
本系统中使用AD公司的产品AD7416,它由带隙温度传感器、10倍A/D转换器、温度寄存器、可设点比较器、故障排队计数器等组成。传感器将温度转换成电压,将由A/D转换器转换成10位数字量送温度值寄存器。A/D转换器的一次转换时约为400μs,精度可达025。
AD7416的接口方式为I2C/SMBUS,温度测量范围为-55~125℃之间,有节电工作方式,可用于电池供电。AD7416的地址由A0、A1、A2决定,地址格式为:1001A2A1A0R/W,最大可并联8片,本系统中只用了一片AD7416,连线方式如图5.3.3所示。因温度的惯性系数较大,可采用简便有效的移动平均值法、中值法、低通滤波法等进行软件滤波。实时采样和计算平均值,以平均值作为实际温度采样值。采样次数为8~16次。由于采用了数字温度传感器,完全打破了传统的设计模式,简化了设计方案,提高了系统的可靠性,方便地实现了标度变换。
本系统采用直接接口方式,7109的MODE端接地,使7109工作于直接输出方式。振荡器选择端(即OS端,24脚)接地,则7109的时钟振荡器以晶体振荡器工作,内部时钟等于58分频后的振荡器频率,外接晶体为6MHz,则时钟频率=6MHz/58=103kHz。积分时间=2048×时间周期=20ms,与50Hz电源周期相同。积分时间为电源周期的整数倍,可抑制50Hz的串模干扰。
在模拟输入信号较小时,如0~0.5伏时,自动调零电容可选比积分电容CINT大一倍,以减小噪声,CAZ的值越大,噪声越小,如果CINT选为0.15μF,则CAZ=2CINT=0.33μF。
由传感器传来的微弱信号经放大器放大后为0~5V,这时噪声的影响不是主要的,可把积分电容CINT选大一些,使CINT=2CAZ,选CINT=0.33μF,CAZ=0.15μF,通常CINT和CAZ可在0.1μF至1μF间选择。积分电阻RINT等于满度电压时对应的电阻值(当电流为20μA、输入电压=4.096V时,RINT=200kΩ),此时基准电压V+RI和V-RI之间为2V,由电阻R1、R3和电位器R2分压取得。
本电路中,CE/LOAD引脚接地,使芯片一直处于有效状态。RUN/HOLD(运行/保持)引脚接+5V,使A/D转换连续进行。
A/D转换正在进行时,STATUS引脚输出高电平,STATUS引脚降为低电平时,由P2.6输出低电平信号到ICL7109的HBEN,读高4位数据、极性和溢出位;由P2.7输出低电平信号到LBEN,读低8位数据。本系统中尽管CE/LOAD接地,RUN/HOLD接+5V,A/D转换连续进行,然而如果89C51不查询P1.0引脚,那么就不会给出HBEN、LBEN信号,A/D转换的结果不会出现在数据总线D0~D7上。不需要采集数据时,不会影响89C51的工作,因此这种方法可简化设计,节省硬件和软件。
(5)显示电路
采用3位LED数码管显示器,数码管的段控用P1口输出,位控由P3.0、P3.1、P3.2控制。7407是6位的驱动门,它是一个集电极开路门,当输入为“0”时输出为“0”;输入为“1”时输出断开,须接上位电路。共用两片7407,分别作为段控和位控的驱动。数码管选共阳极接法,当位控为“1”时,该数码管选通,动态显示用软件完成,节省硬件开销。硬件原理如图1所示。

2、软件设计
ICL模块:从A/D转换器读取结果的模块,它连续读3次,读出3个结果分别存放于内部30H~35H单元(双字节存放)。
WAVE数字滤波模块:它是将ICL模块输出的3个结果排序,取中间的数作为选用的测量值。此模块可以避免因电路偶然波动而引起的脉冲量的干扰,使显示数据平稳。
MODIFY模块:它是补偿热电偶冷端器25℃时的量值,相当于仪表中的零点调到25℃,称此模块为零点校正模块(此温度为室温)。YA查表模块:它是核心模块。表格数据是按一定规律增长的数据(0~655℃),表格中电压值与温度值一一对应,表格中的电压值是热电偶输出信号乘以放大倍数(150)以后的结果,变成十六进制数进行存放,低位在前,高位在后,因而它的数据地址可以代表温度值,用查找的内容的地址减去表格首地址0270H后再除以2(双字节存放)即为温度值。此数据为十六进制数还需进行二十进制转换(CLEAN),再送显示器显示。
查表法:采用二分查找法,DP先找对半值(MIDDLE)同转换数据比较(COMPARE),看属哪一半,修改表格上下限值,再进行对半比较,经过若干次后,直到找到数据为止,如果找不到,也就是说被转换数据介于表格中两相邻值之间,则再调用取近值模块(NEAR),选择与被转换数据接近的那个数据作为查找到的数据,然后调用温度值模块(FIND),整个查表模块就完成了从输入到输出的变化。
DIR:采用动态3位显示,显示时间由实验测定,各模块设计完成后要进行测试,尽量使其内聚性强、模块间耦合性强,并采用数据耦合。
二、恒温炉控制器
此恒温炉主要由液化气提供热源,热效率高,且取暖费用低廉。人工预设加热温度值后,控制器能准确地把温度控制在设定值的±1℃,现场使用方便。其主要性能指标为:温度可调范围在10~50℃之间;温度精度可精确到0.25℃;当环境中的氧含量低于某一值时,控制电路自动关闭加热炉,等待人工处理。
1、硬件设计
该控制器是以89C51为控制核心,以电磁阀为驱动部件,以及温度采样、热电偶信号采样、显示等电路组成。系统框图如图2所示。

89C51单片机,其指令系统与MCS-51完全兼容,且片内带有4KB的E2PROM,可以方便地构成一个最小系统。采样10位数字温度传感器,经CPU处理后,实时地显示在液晶屏上,热电偶电路时刻监视着是否有异常情况出现。
(1)数字温度采样电路
本系统中使用AD公司的产品AD7416,它由带隙温度传感器、10倍A/D转换器、温度寄存器、可设点比较器、故障排队计数器等组成。传感器将温度转换成电压,将由A/D转换器转换成10位数字量送温度值寄存器。A/D转换器的一次转换时约为400μs,精度可达025。
AD7416的接口方式为I2C/SMBUS,温度测量范围为-55~125℃之间,有节电工作方式,可用于电池供电。AD7416的地址由A0、A1、A2决定,地址格式为:1001A2A1A0R/W,最大可并联8片,本系统中只用了一片AD7416,连线方式如图5.3.3所示。因温度的惯性系数较大,可采用简便有效的移动平均值法、中值法、低通滤波法等进行软件滤波。实时采样和计算平均值,以平均值作为实际温度采样值。采样次数为8~16次。由于采用了数字温度传感器,完全打破了传统的设计模式,简化了设计方案,提高了系统的可靠性,方便地实现了标度变换。
传感器 单片机 电路 温度传感器 电阻 电压 稳压电源 放大器 电流 电容 振荡器 总线 LED 显示器 51单片机 比较器 继电器 电子 相关文章:
- 多核及虚拟化技术在工业和安全领域的应用(05-23)
- 基于ARM核的AT75C220及其在指纹识别系统中的应用(05-24)
- 基于音频信号的轴承故障诊断方法(03-17)
- 采用信号调理IC驱动应变片电桥传感器(05-26)
- 基于nRF2401智能无线火灾监控系统设计(04-01)
- 家居安防无线监控报警系统(04-02)
