过流保护在可控硅整流装置中的应用
时间:09-14
来源:互联网
点击:
可控硅整流装置不论在电力系统还是在现代工业的各行各业中已得到广泛应用。如冶金行业中,应用于金属冶炼;化工行业中,应用于电解、电镀;在电力系统中,既可作为系统控制、保护的工作电源,同是又可作为蓄电池的充电装置。可控硅整流装置要安全运行,必须有可靠的保护措施。在整流装置过载或者输出短路时,保护措施能起到安全保护作用,使装置不受损坏。我们把这种保护功能,归结为限流保护和过流保护。这两种保护是否可靠,直接影响产品的质量,代表着产品的水平。
1 可控硅整流装置的控制原理
1.1可控硅整流装置的开环控制
以三相全控桥为例,可控硅整流装置的输出电压Ud与可控硅控制角α之间的关系如下:
Ud=1.35Uzlcosα
式中:Ud—可控硅整流装置输出电压;Uzl—整流变压器二次侧线电压;α—可控硅控制角。
由上式可以看出,可控硅整流装置的输出电压与可控硅控制角α有关系。在如图1中α实际上由控制电压Uy决定,即当Uy增加时,α增大,则Ud减小;当Uy减小时,α减小,则Ud增大。所以调节Uy的大小,可以控制整流装置的输出电压值。这便构成了整流装置的开环控制。
1.2可控硅整流装置的闭环控制
整流装置的输出通过调节单元,来控制Ud这一过程便构成了可控硅整流装置的闭环控制。如图2所示。图中的调节单元为整个控制系统的核心,这个调节单元设计的如何,决定着整流装置能否正常工作。

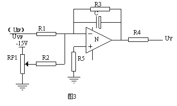
1.3调节单元
调节单元的构成及原理如图3所示。图中Uvf为装置Uif为装置输出电压或电流反馈信号。当只有电压反馈Uvf时,整流装置工作在恒压状态下;当只有电流反馈UIf时,装置工作在恒流状态下。R1、R3、R5、C、N构成了PI调节器。PI调节器输出Uy与电压反馈Uvf之间的关系为:

由式中可以看出,Uvf决定Uy,从而决定整流装置的输出电压Ud,这样就构成了一个自动调节系统。这一调节单元的加入,使整流装置自动工作在恒压或恒流状态。

当电网波动或整流装置负载变化而引起整流装置输出电压高于输出整定值时,电压反馈Uvf升高,Uy也升高,则控制角α增大。由整流装置输出电压公式可以看出,Ud相应减小,控制角α减小,使Ud增大,以达到整定值。通过这种自动调节,使整流装置达到稳定电压的目的。整流装置处于恒流工作状态时,其调节过程与恒压状态的调节过程原理相同,这里不再赘述。
RP1为整流装置输出电压或电流值的设置电位器,通过RP1的调整,使装置输出一定的电压或电流值。
2 限流保护
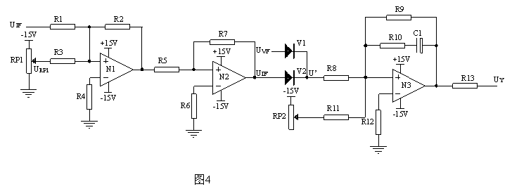
限流保护是在整流装置工作在恒压状态下所加入的一种保护措施。当整流装置输出电流超过额定值时,这种保护能使整流装置的输出电压降低,并使装置继续运行,如图4所示。

电流反馈信号Uif经过运算放大器放大,再经过反相器倒相后,与电压反馈信号Uvf通过选通电路相迭加在一起,做为PI调节器的输入。这里UIfˊ=R7/R5(R2/R1?Uif+R2/R3?URP1)
运算放大器N1与反相器N2完成电流反馈信号的放大作用。电路应该这样设计和调整,当整流装置输出电流超出输出电流额定值,即|UIf|>|URP1|时,保证UIFˊ>Uvf;当整流装置输出电流低于输出电流额定值即|UIf|<|URP1|时,UIFˊ< Uvf,而选通电路能保证:
当UIFˊ>时,Uˊ=UIFˊ-Uv2
当UIFˊ<时,Uˊ=Uvf-Uv1
Uv1—二极管V1的管压降,Uv2—二极管V2的管压降。
综上所述,电流反馈与电压反馈经选通电路后,保证只有一个信号作为PI调节器的输入。也就是说,当整流装置输出电流超出电流额定值时,则只有电流反馈作为PI调节器的输入,那么整流装置处于恒流工作状态。当整流装置输出电流低于电流额定值时,只有电压反馈作为PI调节器的输入,则整流装置工作在恒压状态下。
由此可见,整流装置只有加入限流保护后,在超负荷运行时,电流能受到有效的抑制,元件不会被损坏,装置能得到可靠的保护。
在实际工作中,用于给蓄电池充电的整流装置,就经常工作在限流状态下。比如,在为蓄电池恒压充电时,由于电池初始电压很低,整流装置的输出电压与电池端电压之间的压差较大,则充电电流很大,超出整流装置输出的额定电流,但由于整流装置中设有限流作用,装置便可在额定输出状态下恒流运行,随着电池电压的上升,使整流装置逐步脱离限流环节,自动转为恒压工作状态。图5给出了整流装置在为蓄电池充电时的电压、电流与时间的关系曲线。

3 过流保护
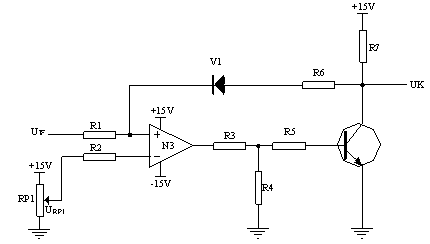
用在可控硅整流装置中的过流保护方式很多,如快速熔断器保护、快速电流继电器保护、自动空气断路器保护和电子回路保护等。根据多年的实际经验,我们采用电子回路作整流装置的过流保护措施,其原理见图6所示。

可控硅触发脉冲是由一个电平信号Uk来控制,当Uk为“1”电平时,可控硅触发脉冲关断,则整流装置输出为0。当Uk为“0”电平时,可控硅触发脉冲正常输出,则整流装置输出电压为Ud。
图6中,R1,R2,N组成比较器,通过RP1来设置过流保护值;V1为钳位二极管,Uk为可控硅触发脉冲输出的控制信号。当整流装置输出电流超出额定值的20%时,电流反馈UIF>URP1,则比较器输出为“0”电平,使三极管V2截止,此时Uk为“1”电平,使整流装置输出电压为0。钳位二极管V1保证系统在出现过流时,比较器输出电位为“0”电平,使整流装置可靠关断。
这种过流保护电路的设计,确保了在整流装置输出正负极短路时,不致于损坏装置中的任何元件。实践证明,这种电路工作极为可靠。
1 可控硅整流装置的控制原理
1.1可控硅整流装置的开环控制
以三相全控桥为例,可控硅整流装置的输出电压Ud与可控硅控制角α之间的关系如下:
Ud=1.35Uzlcosα
式中:Ud—可控硅整流装置输出电压;Uzl—整流变压器二次侧线电压;α—可控硅控制角。
由上式可以看出,可控硅整流装置的输出电压与可控硅控制角α有关系。在如图1中α实际上由控制电压Uy决定,即当Uy增加时,α增大,则Ud减小;当Uy减小时,α减小,则Ud增大。所以调节Uy的大小,可以控制整流装置的输出电压值。这便构成了整流装置的开环控制。
1.2可控硅整流装置的闭环控制
整流装置的输出通过调节单元,来控制Ud这一过程便构成了可控硅整流装置的闭环控制。如图2所示。图中的调节单元为整个控制系统的核心,这个调节单元设计的如何,决定着整流装置能否正常工作。

1.3调节单元
调节单元的构成及原理如图3所示。图中Uvf为装置Uif为装置输出电压或电流反馈信号。当只有电压反馈Uvf时,整流装置工作在恒压状态下;当只有电流反馈UIf时,装置工作在恒流状态下。R1、R3、R5、C、N构成了PI调节器。PI调节器输出Uy与电压反馈Uvf之间的关系为:

由式中可以看出,Uvf决定Uy,从而决定整流装置的输出电压Ud,这样就构成了一个自动调节系统。这一调节单元的加入,使整流装置自动工作在恒压或恒流状态。

当电网波动或整流装置负载变化而引起整流装置输出电压高于输出整定值时,电压反馈Uvf升高,Uy也升高,则控制角α增大。由整流装置输出电压公式可以看出,Ud相应减小,控制角α减小,使Ud增大,以达到整定值。通过这种自动调节,使整流装置达到稳定电压的目的。整流装置处于恒流工作状态时,其调节过程与恒压状态的调节过程原理相同,这里不再赘述。
RP1为整流装置输出电压或电流值的设置电位器,通过RP1的调整,使装置输出一定的电压或电流值。
2 限流保护
限流保护是在整流装置工作在恒压状态下所加入的一种保护措施。当整流装置输出电流超过额定值时,这种保护能使整流装置的输出电压降低,并使装置继续运行,如图4所示。

电流反馈信号Uif经过运算放大器放大,再经过反相器倒相后,与电压反馈信号Uvf通过选通电路相迭加在一起,做为PI调节器的输入。这里UIfˊ=R7/R5(R2/R1?Uif+R2/R3?URP1)
运算放大器N1与反相器N2完成电流反馈信号的放大作用。电路应该这样设计和调整,当整流装置输出电流超出输出电流额定值,即|UIf|>|URP1|时,保证UIFˊ>Uvf;当整流装置输出电流低于输出电流额定值即|UIf|<|URP1|时,UIFˊ< Uvf,而选通电路能保证:
当UIFˊ>时,Uˊ=UIFˊ-Uv2
当UIFˊ<时,Uˊ=Uvf-Uv1
Uv1—二极管V1的管压降,Uv2—二极管V2的管压降。
综上所述,电流反馈与电压反馈经选通电路后,保证只有一个信号作为PI调节器的输入。也就是说,当整流装置输出电流超出电流额定值时,则只有电流反馈作为PI调节器的输入,那么整流装置处于恒流工作状态。当整流装置输出电流低于电流额定值时,只有电压反馈作为PI调节器的输入,则整流装置工作在恒压状态下。
由此可见,整流装置只有加入限流保护后,在超负荷运行时,电流能受到有效的抑制,元件不会被损坏,装置能得到可靠的保护。
在实际工作中,用于给蓄电池充电的整流装置,就经常工作在限流状态下。比如,在为蓄电池恒压充电时,由于电池初始电压很低,整流装置的输出电压与电池端电压之间的压差较大,则充电电流很大,超出整流装置输出的额定电流,但由于整流装置中设有限流作用,装置便可在额定输出状态下恒流运行,随着电池电压的上升,使整流装置逐步脱离限流环节,自动转为恒压工作状态。图5给出了整流装置在为蓄电池充电时的电压、电流与时间的关系曲线。

3 过流保护
用在可控硅整流装置中的过流保护方式很多,如快速熔断器保护、快速电流继电器保护、自动空气断路器保护和电子回路保护等。根据多年的实际经验,我们采用电子回路作整流装置的过流保护措施,其原理见图6所示。

可控硅触发脉冲是由一个电平信号Uk来控制,当Uk为“1”电平时,可控硅触发脉冲关断,则整流装置输出为0。当Uk为“0”电平时,可控硅触发脉冲正常输出,则整流装置输出电压为Ud。
图6中,R1,R2,N组成比较器,通过RP1来设置过流保护值;V1为钳位二极管,Uk为可控硅触发脉冲输出的控制信号。当整流装置输出电流超出额定值的20%时,电流反馈UIF>URP1,则比较器输出为“0”电平,使三极管V2截止,此时Uk为“1”电平,使整流装置输出电压为0。钳位二极管V1保证系统在出现过流时,比较器输出电位为“0”电平,使整流装置可靠关断。
这种过流保护电路的设计,确保了在整流装置输出正负极短路时,不致于损坏装置中的任何元件。实践证明,这种电路工作极为可靠。
可控硅 电压 变压器 电流 放大器 电路 运算放大器 二极管 继电器 电子 比较器 三极管 开关电源 相关文章:
- 高精度压力测控系统的试验研究(04-08)
- 用CMOS-NAND门控制水泵(08-10)
- 基于Fuzzy-PID的陀螺仪温度控制系统设计(06-08)
- PIC16F877单片机在直流电机闭环调速系统中的应用(06-13)
- 基于DSP的远程监控系统的设计与实现(06-23)
- 一种多功能电子教室智能中央控制系统(06-24)
