基于ARM LPC2132的智能电动机保护器设计
时间:08-02
来源:互联网
点击:
1 引 言
随着电动机控制中心(MCC)技术的发展,模块化的智能电动机保护器得到了越来越广泛的应用,同时也对电动机保护提出了更高的要求。
针对电气监控系统自动化程度越来越高的发展趋势,用低压智能电动机保护控制器作为发电厂低压电动机的保护和测控,是提高电气监控系统运行维护水平的重要手段。
目前传统的8/16位的单片机仍然广泛应用于电气保护中,但是他们仅仅具有基本的测量控制功能,在人机界面、数据查询、监控处理能力比较有限,大部分缺少网络通信功能。在实现自动在线监测领域中,ARM芯片在多目标采集,多层次监测和网络化等方面具有强大的优势。由于LPC2132属于ARM7系列处理器,能对多个采样点进行同时测量,具有强大的数据处理功能。同时,保护器包括强大的网络功能和动作保护记录功能,支持开放式的通讯协议,构筑成有效的保护测控网络。
2系统的功能特点
智能保护器主要是以LPC2132微处理器为运算核心,含有模拟数字量采集,继电保护,界面显示和按键控制等功能模块。系统外接标准的:RS 485通信接口,实现与监控系统之间的数据传输和联系。LPC2132是一个支持实时仿真和跟踪的32位ARM7TDMI-S核的微处理器,并带64 kB的高速FLASH存储器,4个通信接口,2个32位定时器,1个10位8路ADC,2个硬件铁电接口47个GPIO以及多达9个边沿或电平触发的外部中断。
除可以完成传统测量控制保护的功能外,保护器在设计上主要具有以下特点:
针对继电保护中常出现的误动情况,把采样量测量突变瞬时启动和静稳检测元件相结合,作为保护装置的启动元件模式,从警告信号发出和保护动作产生设计两级闭锁通道,从而保证启动元件的灵敏度和静稳状态破坏时保护器不会产生误动;
通过设置功能选择菜单,用户可以根据自己的需要去掉不必要的功能任务,减少计算量,提高系统运算速度和精度;
利用ARM系列单片机强大的网络通信功能,增大数据的采样通道数量,实时跟踪显示采样量信息,有效解决了在分布式电气监测控制系统(ECS)中的信息传输延时问题。
3 系统的硬件设计
3.1硬件总体结构
电动机保护器系统结构框图如图1所示。保护器主要分为6个部分:主处理器LPC2132、信号采集模块、网络通信模块、界面显示模块、按键控制模块和继电保护模块。
在装置前端,输入电路将采集的三相电流和电压经过互感器和运算放大器转变成适合A/D转换的直流信号。系统内部集成了一个逐次逼近型的10位8路A/D转换器,该转换器具有高达400 kb/s采样速度,完全满足了系统实时监控的要求;另外在A/D转换电路中增加了独立的基准电压源,防止外压的波动,提高装置转换精度。由于微处理器LPC2132具有非常高的控制和处理能力,一般主频工作速度可达60 MHz,可以同时处理多个开关量输入和4路继电量输出。通过对采样信号的逻辑运算,实现系统的通信保护和控制功能。
系统装置的功能输出和保护动作主要由芯片的引脚使能控制,但是外接电压的抖动,常常导致芯片的基准电压发生变化。在外部掉压情况下,为使芯片迅速复位,进入正常工作状态,系统内部加入了掉电检测电路。检测电路分为两级检测,前级预警,后级动作。通过快速中断复位防止FLASH内容发生改变。另外在硬件电路设计中充分考虑了抗干扰设计,如在系统所有开入开出以及通讯部分都加入了光电耦合器进行隔离,保证了系统在现场应用中良好的可靠性。
3.2部分外围硬件电路
3.2.1 液晶显示电路
图2为液晶显示控制电路,采用显示器采用驱动芯片HT1621,所有被测量参数、保护信息、故障信息通过HT1621传输控制在面板液晶显示器实时显示。LED指示灯显示装置所处状态,如运行、故障、通讯等。通过按键可以进行面板菜单操作,查阅测量、保护、故障事件信息。

3.2.2 通信接口电路设计
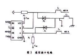
LPC2132具有两个符合16C550工业标准的通用异步收发器(UART)接口,实现下位机和上位机,保护器和计算机监控系统之间的实时通信,通讯地址设置为(1~250),通讯速率(1 200~115 200 kb/s)可设,采用国际标准的MODBUS协议,根据所测量参数设置通信规约。为防止数据在通讯传输的失真的情况,在接口电路中加入了光藕隔离。通信接口电路设计如图3所示。

4 系统的软
随着电动机控制中心(MCC)技术的发展,模块化的智能电动机保护器得到了越来越广泛的应用,同时也对电动机保护提出了更高的要求。
针对电气监控系统自动化程度越来越高的发展趋势,用低压智能电动机保护控制器作为发电厂低压电动机的保护和测控,是提高电气监控系统运行维护水平的重要手段。
目前传统的8/16位的单片机仍然广泛应用于电气保护中,但是他们仅仅具有基本的测量控制功能,在人机界面、数据查询、监控处理能力比较有限,大部分缺少网络通信功能。在实现自动在线监测领域中,ARM芯片在多目标采集,多层次监测和网络化等方面具有强大的优势。由于LPC2132属于ARM7系列处理器,能对多个采样点进行同时测量,具有强大的数据处理功能。同时,保护器包括强大的网络功能和动作保护记录功能,支持开放式的通讯协议,构筑成有效的保护测控网络。
2系统的功能特点
智能保护器主要是以LPC2132微处理器为运算核心,含有模拟数字量采集,继电保护,界面显示和按键控制等功能模块。系统外接标准的:RS 485通信接口,实现与监控系统之间的数据传输和联系。LPC2132是一个支持实时仿真和跟踪的32位ARM7TDMI-S核的微处理器,并带64 kB的高速FLASH存储器,4个通信接口,2个32位定时器,1个10位8路ADC,2个硬件铁电接口47个GPIO以及多达9个边沿或电平触发的外部中断。
除可以完成传统测量控制保护的功能外,保护器在设计上主要具有以下特点:
针对继电保护中常出现的误动情况,把采样量测量突变瞬时启动和静稳检测元件相结合,作为保护装置的启动元件模式,从警告信号发出和保护动作产生设计两级闭锁通道,从而保证启动元件的灵敏度和静稳状态破坏时保护器不会产生误动;
通过设置功能选择菜单,用户可以根据自己的需要去掉不必要的功能任务,减少计算量,提高系统运算速度和精度;
利用ARM系列单片机强大的网络通信功能,增大数据的采样通道数量,实时跟踪显示采样量信息,有效解决了在分布式电气监测控制系统(ECS)中的信息传输延时问题。
3 系统的硬件设计
3.1硬件总体结构
电动机保护器系统结构框图如图1所示。保护器主要分为6个部分:主处理器LPC2132、信号采集模块、网络通信模块、界面显示模块、按键控制模块和继电保护模块。
在装置前端,输入电路将采集的三相电流和电压经过互感器和运算放大器转变成适合A/D转换的直流信号。系统内部集成了一个逐次逼近型的10位8路A/D转换器,该转换器具有高达400 kb/s采样速度,完全满足了系统实时监控的要求;另外在A/D转换电路中增加了独立的基准电压源,防止外压的波动,提高装置转换精度。由于微处理器LPC2132具有非常高的控制和处理能力,一般主频工作速度可达60 MHz,可以同时处理多个开关量输入和4路继电量输出。通过对采样信号的逻辑运算,实现系统的通信保护和控制功能。
系统装置的功能输出和保护动作主要由芯片的引脚使能控制,但是外接电压的抖动,常常导致芯片的基准电压发生变化。在外部掉压情况下,为使芯片迅速复位,进入正常工作状态,系统内部加入了掉电检测电路。检测电路分为两级检测,前级预警,后级动作。通过快速中断复位防止FLASH内容发生改变。另外在硬件电路设计中充分考虑了抗干扰设计,如在系统所有开入开出以及通讯部分都加入了光电耦合器进行隔离,保证了系统在现场应用中良好的可靠性。
3.2部分外围硬件电路
3.2.1 液晶显示电路
图2为液晶显示控制电路,采用显示器采用驱动芯片HT1621,所有被测量参数、保护信息、故障信息通过HT1621传输控制在面板液晶显示器实时显示。LED指示灯显示装置所处状态,如运行、故障、通讯等。通过按键可以进行面板菜单操作,查阅测量、保护、故障事件信息。

3.2.2 通信接口电路设计
LPC2132具有两个符合16C550工业标准的通用异步收发器(UART)接口,实现下位机和上位机,保护器和计算机监控系统之间的实时通信,通讯地址设置为(1~250),通讯速率(1 200~115 200 kb/s)可设,采用国际标准的MODBUS协议,根据所测量参数设置通信规约。为防止数据在通讯传输的失真的情况,在接口电路中加入了光藕隔离。通信接口电路设计如图3所示。

4 系统的软
电动机 自动化 单片机 ARM 仿真 ADC 电路 电流 电压 放大器 显示器 LED 收发器 嵌入式 C语言 相关文章:
- 基于DSP高精度伺服位置环设计(06-21)
- 基于DSP的工业缝纫机控制系统设计(09-23)
- 无传感器交流电动机控制技术提高了运行效率(10-15)
- 一种变频调速系统的SVPWM控制设计(02-03)
- FPGA在步进电机控制中的应用(03-07)
- 用C8051F构成的采集与控制系统(03-09)
