基于振弦式传感器测频系统的设计
时间:07-22
来源:互联网
点击:
利用振弦式传感器测量物理量是基于其钢弦振动频率随钢丝张力变化,输出的是频率信号,具有抗干扰能力强,对电缆要求低,有利于传输和远程测量的特点。因此,可获得非常理想的测量效果。
1 振弦式传感器的工作原理
振弦式传感器由定位支座、线圈、振弦及封装组成。振弦式传感器可等效成一个两端固定绷紧的均匀弦,如图1所示。

振弦的振动频率可由以下公式确定:

其中S为振弦的横截面积,ρv为弦的体密度(ρv=ρ/s),△l为振弦受张力后的长度增量,E为振弦的弹性模量,σ为振弦所受的应力。
当振弦式传感器确定以后,其振弦的质量m,工作段(即两固定点之间)的长度L,弦的横截面积S,体密度ρv及弹性模量E随之确定,所以,由于待测物理量的作用使得弦长有所变化,而弦长的变化可改变弦的固有振动频率,由于弦长的增量△l与振弦的最长驻波波长的固有频率存在确定的关系,因此只要能测得弦的振动频率就可以测得待测物理量。
2 测频系统的设计
2.1 基本原理
振弦式传感器工作时由激振电路驱动电磁线圈,当信号的频率和振弦的固有频率相接近时,振弦迅速达到共振状态,振动产生的感应电动势通过检测电路滤波、放大、整形送给单片机,单片机根据接收的信号,通过软件方式反馈给激振电路驱动电磁线圈。通过反馈,弦能在电磁线圈产生的变化磁场驱动下在本振频率点振动。当激振信号撤去后,弦由于惯性作用仍然振动。单片机通过测量感应电动势脉冲周期,即可测得弦的振动频率,最后将所测数据显示出来。测频原理框图如图2所示。

2.2 系统硬件电路设计
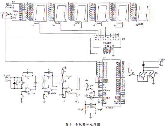
根据以上的基本原理和思想,设计的测频系统的整体电路如图3所示。主要由激振电路、检测电路、单片机控制电路和显示电路等几部分组成。工作过程是由单片机产生某一频率的激振信号,经放大后激励振弦振动,拾振线圈中产生的感应电动势经几级放大后送给单片机处理,最后送显示电路显示。

2.2.1 激振电路
激振电路采用扫频激振技术,就是用一个频率可以调节的信号去激励振弦式传感器的激振线圈,当信号的频率和振弦的固有频率相接近时,振弦能迅速达到共振状态。由于激励信号的频率是容易用软件方便控制的,所以只要知道振弦固有频率的大致范围(一般来说,对一种已知的传感器其固有频率的大致范围是确定的),就用这个频率附近的激励信号去激发他,就能使振弦很快起振。
微机系统I/O口按照一定的频率(这个频率可以是传感器的固有频率初始值,也可以是上一次的测量值)产生激振信号(考虑一定的余度),通过基本功率放大电路放大后,激振电流流过激振线圈,激振电流产生的交变磁场激励振弦振动。
选用两个9013三极管作为驱动管。电磁线圈电阻很小,流过线圈的电流能达到200~400 mA。而9013三极管的饱和导通电流为500 mA,通过试验发现,如果只采用一个三极管驱动线圈,三极管发热很厉害,为解决这个问题,再并接一个三极管,减小三极管的工作电流,减小发热量。二极管要求选用快速导通二檄管,其作用是吸收三极管导通和截止瞬间所产生的尖峰脉冲。此尖峰脉冲若不消除,会对感应电路(模拟电路部分)产生严重的干扰。
微机系统产生一个频率可变的信号是比较容易实现的。如用MSC-51单片机实现扫频程序,充分利用微机系统的内部资源定时/计数器的功能,由I/O口输出频率可变的信号。定时计数器工作在定时方式,定时的时间由扫频的某一频率决定,在定时器中断程序中改变I/O口的状态,从而I/O口得到一脉冲信号。设扫频的频率上限为fmax,下限为fmin,由I/O口输出的fmax和fmin之间的某一频率的脉冲个数均为n,且扫频的两相邻频率增量为△f,由这4个参数决定的扫频程序框图如图4所示。

2.2.2 检测电路
拾振线圈中感生电势的频率检测电路由两部分组成,一是滤波电路,采用两级低通滤波方法;二是过零比较电路,采用过零比较法,从比较器的输出端得到频率信号。
2个LM324组成两级有源低通滤波电路;C1,R3,以及G2,R4,分别构成第一、二级有源滤波电路的阻-容网络;LM393作为比较器,形成过零比较电路。由于感生电势是一个周期信号,信号的频率也就是振弦的固有频率。LM393的输出fout为周期性的方波,方波的频率即为待测频率。
由于信号和“零电位”比较,因而能得到较高的灵敏度.振弦只要受激励产生振动,他在感应线圈中的微弱电动势的频率就很容易拾取为进一步使比较器输入输出特性在转换时更加陡直,以提高比较精度。
2.2.3 测频电路
将检测电路的输出fout送AT89CS51的INT0,利用片内定时/计数器的工作方式控制寄存器TMOD的GATE位的特殊功能,一般情况下,GATE=0。GATE的运行控制位仅由TRx(x=0.1)位的状态决定(TRx=0关闭,TRx=1开启),只有在启动计数要用外输人INTx控制时才使GATE=1,当GATE=1,TRx=1,只有当INTx引脚输入高电平时,计数器Tx才被允许计数,利用GATE的这一功能可方便地测量脉冲宽度。
2.3 系统软件设计
按照以上电路的设计,对系统软件编程的基本思路是:首先对系统进行初始化,然后是激振电路激振传感器工作,检测电路对信号的检测、放大、整型、处理、最后显示。主程序流程图如图5所示。

1 振弦式传感器的工作原理
振弦式传感器由定位支座、线圈、振弦及封装组成。振弦式传感器可等效成一个两端固定绷紧的均匀弦,如图1所示。

振弦的振动频率可由以下公式确定:

其中S为振弦的横截面积,ρv为弦的体密度(ρv=ρ/s),△l为振弦受张力后的长度增量,E为振弦的弹性模量,σ为振弦所受的应力。
当振弦式传感器确定以后,其振弦的质量m,工作段(即两固定点之间)的长度L,弦的横截面积S,体密度ρv及弹性模量E随之确定,所以,由于待测物理量的作用使得弦长有所变化,而弦长的变化可改变弦的固有振动频率,由于弦长的增量△l与振弦的最长驻波波长的固有频率存在确定的关系,因此只要能测得弦的振动频率就可以测得待测物理量。
2 测频系统的设计
2.1 基本原理
振弦式传感器工作时由激振电路驱动电磁线圈,当信号的频率和振弦的固有频率相接近时,振弦迅速达到共振状态,振动产生的感应电动势通过检测电路滤波、放大、整形送给单片机,单片机根据接收的信号,通过软件方式反馈给激振电路驱动电磁线圈。通过反馈,弦能在电磁线圈产生的变化磁场驱动下在本振频率点振动。当激振信号撤去后,弦由于惯性作用仍然振动。单片机通过测量感应电动势脉冲周期,即可测得弦的振动频率,最后将所测数据显示出来。测频原理框图如图2所示。

2.2 系统硬件电路设计
根据以上的基本原理和思想,设计的测频系统的整体电路如图3所示。主要由激振电路、检测电路、单片机控制电路和显示电路等几部分组成。工作过程是由单片机产生某一频率的激振信号,经放大后激励振弦振动,拾振线圈中产生的感应电动势经几级放大后送给单片机处理,最后送显示电路显示。

2.2.1 激振电路
激振电路采用扫频激振技术,就是用一个频率可以调节的信号去激励振弦式传感器的激振线圈,当信号的频率和振弦的固有频率相接近时,振弦能迅速达到共振状态。由于激励信号的频率是容易用软件方便控制的,所以只要知道振弦固有频率的大致范围(一般来说,对一种已知的传感器其固有频率的大致范围是确定的),就用这个频率附近的激励信号去激发他,就能使振弦很快起振。
微机系统I/O口按照一定的频率(这个频率可以是传感器的固有频率初始值,也可以是上一次的测量值)产生激振信号(考虑一定的余度),通过基本功率放大电路放大后,激振电流流过激振线圈,激振电流产生的交变磁场激励振弦振动。
选用两个9013三极管作为驱动管。电磁线圈电阻很小,流过线圈的电流能达到200~400 mA。而9013三极管的饱和导通电流为500 mA,通过试验发现,如果只采用一个三极管驱动线圈,三极管发热很厉害,为解决这个问题,再并接一个三极管,减小三极管的工作电流,减小发热量。二极管要求选用快速导通二檄管,其作用是吸收三极管导通和截止瞬间所产生的尖峰脉冲。此尖峰脉冲若不消除,会对感应电路(模拟电路部分)产生严重的干扰。
微机系统产生一个频率可变的信号是比较容易实现的。如用MSC-51单片机实现扫频程序,充分利用微机系统的内部资源定时/计数器的功能,由I/O口输出频率可变的信号。定时计数器工作在定时方式,定时的时间由扫频的某一频率决定,在定时器中断程序中改变I/O口的状态,从而I/O口得到一脉冲信号。设扫频的频率上限为fmax,下限为fmin,由I/O口输出的fmax和fmin之间的某一频率的脉冲个数均为n,且扫频的两相邻频率增量为△f,由这4个参数决定的扫频程序框图如图4所示。

2.2.2 检测电路
拾振线圈中感生电势的频率检测电路由两部分组成,一是滤波电路,采用两级低通滤波方法;二是过零比较电路,采用过零比较法,从比较器的输出端得到频率信号。
2个LM324组成两级有源低通滤波电路;C1,R3,以及G2,R4,分别构成第一、二级有源滤波电路的阻-容网络;LM393作为比较器,形成过零比较电路。由于感生电势是一个周期信号,信号的频率也就是振弦的固有频率。LM393的输出fout为周期性的方波,方波的频率即为待测频率。
由于信号和“零电位”比较,因而能得到较高的灵敏度.振弦只要受激励产生振动,他在感应线圈中的微弱电动势的频率就很容易拾取为进一步使比较器输入输出特性在转换时更加陡直,以提高比较精度。
2.2.3 测频电路
将检测电路的输出fout送AT89CS51的INT0,利用片内定时/计数器的工作方式控制寄存器TMOD的GATE位的特殊功能,一般情况下,GATE=0。GATE的运行控制位仅由TRx(x=0.1)位的状态决定(TRx=0关闭,TRx=1开启),只有在启动计数要用外输人INTx控制时才使GATE=1,当GATE=1,TRx=1,只有当INTx引脚输入高电平时,计数器Tx才被允许计数,利用GATE的这一功能可方便地测量脉冲宽度。
2.3 系统软件设计
按照以上电路的设计,对系统软件编程的基本思路是:首先对系统进行初始化,然后是激振电路激振传感器工作,检测电路对信号的检测、放大、整型、处理、最后显示。主程序流程图如图5所示。

传感器 电路 单片机 电流 三极管 电阻 二极管 模拟电路 51单片机 比较器 相关文章:
- 多核及虚拟化技术在工业和安全领域的应用(05-23)
- 基于ARM核的AT75C220及其在指纹识别系统中的应用(05-24)
- 基于音频信号的轴承故障诊断方法(03-17)
- 采用信号调理IC驱动应变片电桥传感器(05-26)
- 基于nRF2401智能无线火灾监控系统设计(04-01)
- 家居安防无线监控报警系统(04-02)
