基于PL3200的自动抄表系统采集器的设计
时间:07-12
来源:互联网
点击:
随着电力市场的不断扩大,当前大量存在的人工抄表这种费时费力效率低下的方式已远不能满足现代化管理的需要。为了解决此问题,提高用电管理的自动化水平, 应采用自动抄表系统,不但可以节约劳动力、提高工作效率,而且可以避免人工抄表存在的误抄及漏抄,避免了各种人为因素的电量、电费损失。笔者研究的电力线扩频载波自动抄表系统主要由电能表、数据采集器、集中器、主控站和通信信道组成,系统框图如图1。本文主要描述采集器设计。

图1 自动抄表系统框图
采集器是自动抄表系统安装在现场的低端设备,其作用是将多台电能表连接起来,对用户电能表的脉冲进行数据采集处理,接收来自集中器发来的各种操作命令,向集中器回送电能表数据,对违章、欠费用户实施警告和控制。采集器主要由中央处理单元、数据采集存储单元、载波调制解调单元组成。
本设计是基于51兼容芯片PL3200的单片机,对4路电能表的脉冲进行实时采集、计算,变成各路电表的用电量数据进行保存。通过RS485串行通讯口可利用外设对系统初始化设置和数据抄录。初始化设置包括系统编号、电表常数和表底数设置,系统依据这些参数进行电量转换。系统内配有电源监视器和看门狗,保证系统可靠运行。同时,还具备红外或其他方式的通信功能,以便在采集器与外界联系中断时,采用半自动的方式进行抄表。
PL3200芯片是北京福星晓程公司开发的多功能智能型电能计量芯片。PL3200是内嵌了805 1指令的高速微处理器芯片,其软件易于开发,具有8/16位双模式ALU,能够8倍速于标准805 1处理器,运行速度快,数据处理能力强。该芯片还具有两个全双工UART,一个可配置为38kHz的红外通信模式,另一个可配置为RS485通信模式,提供了多种方便的数据传输方式。
系统硬件结构
系统的硬件结构如图2所示。它实现的功能是对电能的计量和与外界进行通信。

图2 硬件结构电路
电能计量
PL3200的电能计量部分有以下特点:
提供高精度电能计量;
提供有功功率和无功功率瞬时值输出(应用于仪表校验);
指示正/负功;
双通道电流采样,具备防窃电功能;
电流通道内置可调增益放大器(PGA),方便电能计量的多种采样方式;
具有电压/电流有效值测量以及相电压频率测量功能。
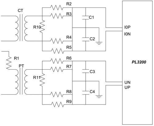
其工作原理是:首先,通过电流互感器CT、电压互感器PT对电流、电压采样,采样电路如图3;采样后经过放大电路放大,通过A/D 转换器转换成为数字信号;接下来经过数字滤波、移相等处理;最终,得到有效的电能计量数据。从而,完成对有功/无功功率、瞬时电流和电压的有效值以及当前的交流频率值的计量,计算。

图3 外接采样电路
计量电路可以由软件来控制采样两路电流信号中的某一路。在计量模块内部与电压采样结果进行乘法处理,计算得到有功功率、无功功率。上电复位时默认为第一路ADC 采样作为电流通道的输入。计量输出部分采用的是主时钟分频得到600KHz 频率再经过降12 倍频采样得到速率为50KHz 数字脉冲输出。
计量模块与8051之间是并行通讯,通过寄存器以及中断进行控制。PL3200 内部的嵌入式微处理器8051可以通过特殊功能寄存器(SFR,包括控制寄存器、标识寄存器、校表寄存器和数据寄存器四类)地址直接访问计量模块内部的寄存器。
RS-485通信
采集器通过RS-485总线构成一个现场总线网络来设置和抄读电表数据,使它适合应用在带有RS-485接口的多功能电子表的场合。
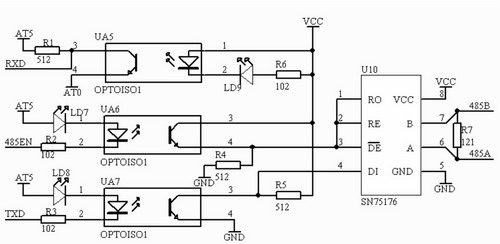
PL3200 内部有2个比较器,通过他们可以将RS-485通讯的差分信号转换成UART1所识别的SCOMS 信号,同时也可以将UART1 的输出信号转换成差分信号,从而直接进行RS-485通讯。外接电路图如图4。

图4 RS-485通信接口电路
RS-485是一种低成本、易操作的通信系统,RS-485总线收发器采用平衡发送和差分接收,即在发送端,驱动器将TTL电平信号转换成差分信号输出;在接收端,接收器将差分信号变成TTL电平,因此具有抑制共模干扰的能力,加上接收器具有高的灵敏度,能检测低达200mV的电压,故数据传输可达千米以外。RS-485总线采用二线方式,为保持总线平衡传输需要在传输线两端并接一个电阻。
由于RS-485无标准通信协议,协议应自定义,RS-485总线的协议制定和软件编程对系统传输的可靠性有很大影响。另外RS-485总线是异步半双工的通信总线,在某一个时刻,总线只能呈现一种状态,所以这种方式一般适用于主机对分机的查询方式通信,总线上必然有一台始终处于主机地位的设备在巡检其它的分机。因此采用RS-485总线连接的多个站点,任一时刻只能有一个站点在“说”,其它站点只能处于“听”状态。如果有多于1个的站点在“说”,数据将在通信总线上碰撞,结果使处于接收状态的站点收不到正确的数据。为保证数据传输质量,对每个字节进行校验的同时,应尽量减少特征字和校验字。所以需要制定一套合理的通信协议来协调总线的分时共用。这里采用的是数据包通信方式,通信数据是一帧或一包地发送,每包数据都有引 导码、长度码、地址码、命令码、内容、校验码等部分组成。其中引导码是用于同步每一包数据的引导头;长度码是这一包数据的总长度;命令码是主机对分机(或分机应答主机)的控制命令;地址码是分机的本机地址号;“内容”是这一包数据里的各种信息;校验码是这一包数据的校验标志,采用和校验方式。
为了可靠的工作,在RS-485总线状态切换时需要做适当延时,再进行数据的收发。具体的做法是在数据发送状态下,先将控制端置“1”,延时lms左右的时间,再发送有效的数据,一包数据发送结束后再延时lms后,将控制端置“0”。这样的处理会使总线在状态切换时,有一个稳定的工作过程。

图1 自动抄表系统框图
采集器是自动抄表系统安装在现场的低端设备,其作用是将多台电能表连接起来,对用户电能表的脉冲进行数据采集处理,接收来自集中器发来的各种操作命令,向集中器回送电能表数据,对违章、欠费用户实施警告和控制。采集器主要由中央处理单元、数据采集存储单元、载波调制解调单元组成。
本设计是基于51兼容芯片PL3200的单片机,对4路电能表的脉冲进行实时采集、计算,变成各路电表的用电量数据进行保存。通过RS485串行通讯口可利用外设对系统初始化设置和数据抄录。初始化设置包括系统编号、电表常数和表底数设置,系统依据这些参数进行电量转换。系统内配有电源监视器和看门狗,保证系统可靠运行。同时,还具备红外或其他方式的通信功能,以便在采集器与外界联系中断时,采用半自动的方式进行抄表。
PL3200芯片是北京福星晓程公司开发的多功能智能型电能计量芯片。PL3200是内嵌了805 1指令的高速微处理器芯片,其软件易于开发,具有8/16位双模式ALU,能够8倍速于标准805 1处理器,运行速度快,数据处理能力强。该芯片还具有两个全双工UART,一个可配置为38kHz的红外通信模式,另一个可配置为RS485通信模式,提供了多种方便的数据传输方式。
系统硬件结构
系统的硬件结构如图2所示。它实现的功能是对电能的计量和与外界进行通信。

图2 硬件结构电路
电能计量
PL3200的电能计量部分有以下特点:
提供高精度电能计量;
提供有功功率和无功功率瞬时值输出(应用于仪表校验);
指示正/负功;
双通道电流采样,具备防窃电功能;
电流通道内置可调增益放大器(PGA),方便电能计量的多种采样方式;
具有电压/电流有效值测量以及相电压频率测量功能。
其工作原理是:首先,通过电流互感器CT、电压互感器PT对电流、电压采样,采样电路如图3;采样后经过放大电路放大,通过A/D 转换器转换成为数字信号;接下来经过数字滤波、移相等处理;最终,得到有效的电能计量数据。从而,完成对有功/无功功率、瞬时电流和电压的有效值以及当前的交流频率值的计量,计算。

图3 外接采样电路
计量电路可以由软件来控制采样两路电流信号中的某一路。在计量模块内部与电压采样结果进行乘法处理,计算得到有功功率、无功功率。上电复位时默认为第一路ADC 采样作为电流通道的输入。计量输出部分采用的是主时钟分频得到600KHz 频率再经过降12 倍频采样得到速率为50KHz 数字脉冲输出。
计量模块与8051之间是并行通讯,通过寄存器以及中断进行控制。PL3200 内部的嵌入式微处理器8051可以通过特殊功能寄存器(SFR,包括控制寄存器、标识寄存器、校表寄存器和数据寄存器四类)地址直接访问计量模块内部的寄存器。
RS-485通信
采集器通过RS-485总线构成一个现场总线网络来设置和抄读电表数据,使它适合应用在带有RS-485接口的多功能电子表的场合。
PL3200 内部有2个比较器,通过他们可以将RS-485通讯的差分信号转换成UART1所识别的SCOMS 信号,同时也可以将UART1 的输出信号转换成差分信号,从而直接进行RS-485通讯。外接电路图如图4。

图4 RS-485通信接口电路
RS-485是一种低成本、易操作的通信系统,RS-485总线收发器采用平衡发送和差分接收,即在发送端,驱动器将TTL电平信号转换成差分信号输出;在接收端,接收器将差分信号变成TTL电平,因此具有抑制共模干扰的能力,加上接收器具有高的灵敏度,能检测低达200mV的电压,故数据传输可达千米以外。RS-485总线采用二线方式,为保持总线平衡传输需要在传输线两端并接一个电阻。
由于RS-485无标准通信协议,协议应自定义,RS-485总线的协议制定和软件编程对系统传输的可靠性有很大影响。另外RS-485总线是异步半双工的通信总线,在某一个时刻,总线只能呈现一种状态,所以这种方式一般适用于主机对分机的查询方式通信,总线上必然有一台始终处于主机地位的设备在巡检其它的分机。因此采用RS-485总线连接的多个站点,任一时刻只能有一个站点在“说”,其它站点只能处于“听”状态。如果有多于1个的站点在“说”,数据将在通信总线上碰撞,结果使处于接收状态的站点收不到正确的数据。为保证数据传输质量,对每个字节进行校验的同时,应尽量减少特征字和校验字。所以需要制定一套合理的通信协议来协调总线的分时共用。这里采用的是数据包通信方式,通信数据是一帧或一包地发送,每包数据都有引 导码、长度码、地址码、命令码、内容、校验码等部分组成。其中引导码是用于同步每一包数据的引导头;长度码是这一包数据的总长度;命令码是主机对分机(或分机应答主机)的控制命令;地址码是分机的本机地址号;“内容”是这一包数据里的各种信息;校验码是这一包数据的校验标志,采用和校验方式。
为了可靠的工作,在RS-485总线状态切换时需要做适当延时,再进行数据的收发。具体的做法是在数据发送状态下,先将控制端置“1”,延时lms左右的时间,再发送有效的数据,一包数据发送结束后再延时lms后,将控制端置“0”。这样的处理会使总线在状态切换时,有一个稳定的工作过程。
自动化 单片机 看门狗 红外 电路 电流 放大器 电压 ADC 嵌入式 总线 电子 比较器 电路图 收发器 电阻 相关文章:
- 基于ARM与DSP的嵌入式运动控制器设计(04-25)
- 多核及虚拟化技术在工业和安全领域的应用(05-23)
- 基于nRF2401智能小区无线抄表系统集中器设计(04-30)
- 解密波音747飞机中的Sperry垂直陀螺仪(05-06)
- lns构架智能小区安防及关键技术应用研究(06-09)
- 基于MSP430及PROFIBUS的监测子站设计(06-12)
