解读高速数字电路中电子隔离应用技巧
时间:12-08
来源:互联网
点击:
3.5 瞬态抗扰度
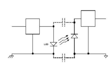
高转换率(高频率)瞬态可以破坏一个隔离层上的数据传输。该隔离层电容提供了一个如图11所示的通道,使瞬态事件穿过隔离层,并破坏输出波形。一个法拉第屏蔽可以使这种在光耦合器或电感耦合器中的位移电流的一部分远离重要的输出结构。

图11:隔离层电容。
在电容耦合解决方案中,法拉第屏蔽并非是一种可行的解决方案。除了瞬态以外,法拉第屏蔽还会阻塞用于数据传输的电场。为了提供瞬态抗扰度,ISO72x系列电容隔离器只传输fo信号(信号中仅代表最高频率能量的数据信号)。这样就允许有一个噪声频率高阻抗的小耦合电容。其他噪声则来自在隔离层上传输数据的差分技术。图9显示了穿过电容隔离层的四个信号;两个包含低信号速率信息,另外两个包含高信号速率信息。通过使用差分技术,可以在真正的和补偿信号中看到任何穿过隔离层的剩余共模瞬态,而且差分接收机对其进行了抑制。如表2所示,ISO72x系列的瞬态抗扰度和所有具可比性的高达25kV/us的器件一样高。

3.6 自动防护
数据线电路和数字隔离器需要注意的一点就是输入信号损耗的输出状态。输入损耗可能出现在线缆断开或直接从隔离器输入端去除电源。自动防护是指在输入损耗状态下一个决定性的或已知的输出状态。ISO72x系列使用一个周期脉冲来确定输入结构是否有电,并且是否正在工作。如果隔离器的输出端在4us以后没有接收到一个脉冲,那么该输出被设置为一个高状态。ADI推出的ADum1100也在IC的输出部分集成了一个自动防护电路。安华高科技推出的光解决方案(HCPL-0721及-0723)没有提及自动防护,而电感GMR解决方案(HCPL-0900)明确地描述了在电源排序期间输出的不确定性质。
3.7 功耗
除了隔离层上信号传输的效率之外,输入和输出调节电路的设计同功耗的相关性最大。如表3所示,与电感或电容实例相比,光耦合器的功耗会更高。

3.8 可靠性
故障前平均工作时间(MTTF)是半导体设备可靠性的标准测量方法。对于数字隔离器而言,这种测量表示集成电路和隔离机制的可靠性。表4显示了一款光、电感和电容数字隔离器的MTTF。与电感及光解决方案相比,ISO721非常可靠。

ADuM1100可靠性数据表没有明确地说明MTTF,但是其提供了可靠性测试的结果。表5显示了ISO721和 ADuM1100可靠性测试的参数。

3.9 外部磁场抗扰度
图12对比了ADuM1100和ISO72x(没有找到HCPL-0900的数据)的磁场抗扰度。相对来说尽管这两个实例均对磁场有一定的抗扰度,但是ISO72x提供了更大的裕度。如前面所述,光耦合隔离层电路对外部磁场具有内在的磁化抗扰度。
图12:对外部磁场的敏感度。
4. 本文小结
噪声降低和噪声保护使得隔离器在那些隔离器中断接地环路并将接地电压差隔离的电子电路中得到广泛使用。设计人员现在拥有许多用来进行数字信号隔离的选择,包括TI推出的ISO72x系列,其在信号速率、电介质击穿电压、瞬态抗扰度、功耗、磁场抗扰度以及可靠性等重要特性方面均表现不俗。
表6对本报告中所讨论实例的这些特性进行了总结。
高转换率(高频率)瞬态可以破坏一个隔离层上的数据传输。该隔离层电容提供了一个如图11所示的通道,使瞬态事件穿过隔离层,并破坏输出波形。一个法拉第屏蔽可以使这种在光耦合器或电感耦合器中的位移电流的一部分远离重要的输出结构。

图11:隔离层电容。
在电容耦合解决方案中,法拉第屏蔽并非是一种可行的解决方案。除了瞬态以外,法拉第屏蔽还会阻塞用于数据传输的电场。为了提供瞬态抗扰度,ISO72x系列电容隔离器只传输fo信号(信号中仅代表最高频率能量的数据信号)。这样就允许有一个噪声频率高阻抗的小耦合电容。其他噪声则来自在隔离层上传输数据的差分技术。图9显示了穿过电容隔离层的四个信号;两个包含低信号速率信息,另外两个包含高信号速率信息。通过使用差分技术,可以在真正的和补偿信号中看到任何穿过隔离层的剩余共模瞬态,而且差分接收机对其进行了抑制。如表2所示,ISO72x系列的瞬态抗扰度和所有具可比性的高达25kV/us的器件一样高。

3.6 自动防护
数据线电路和数字隔离器需要注意的一点就是输入信号损耗的输出状态。输入损耗可能出现在线缆断开或直接从隔离器输入端去除电源。自动防护是指在输入损耗状态下一个决定性的或已知的输出状态。ISO72x系列使用一个周期脉冲来确定输入结构是否有电,并且是否正在工作。如果隔离器的输出端在4us以后没有接收到一个脉冲,那么该输出被设置为一个高状态。ADI推出的ADum1100也在IC的输出部分集成了一个自动防护电路。安华高科技推出的光解决方案(HCPL-0721及-0723)没有提及自动防护,而电感GMR解决方案(HCPL-0900)明确地描述了在电源排序期间输出的不确定性质。
3.7 功耗
除了隔离层上信号传输的效率之外,输入和输出调节电路的设计同功耗的相关性最大。如表3所示,与电感或电容实例相比,光耦合器的功耗会更高。

3.8 可靠性
故障前平均工作时间(MTTF)是半导体设备可靠性的标准测量方法。对于数字隔离器而言,这种测量表示集成电路和隔离机制的可靠性。表4显示了一款光、电感和电容数字隔离器的MTTF。与电感及光解决方案相比,ISO721非常可靠。

ADuM1100可靠性数据表没有明确地说明MTTF,但是其提供了可靠性测试的结果。表5显示了ISO721和 ADuM1100可靠性测试的参数。

3.9 外部磁场抗扰度
图12对比了ADuM1100和ISO72x(没有找到HCPL-0900的数据)的磁场抗扰度。相对来说尽管这两个实例均对磁场有一定的抗扰度,但是ISO72x提供了更大的裕度。如前面所述,光耦合隔离层电路对外部磁场具有内在的磁化抗扰度。

图12:对外部磁场的敏感度。
4. 本文小结
噪声降低和噪声保护使得隔离器在那些隔离器中断接地环路并将接地电压差隔离的电子电路中得到广泛使用。设计人员现在拥有许多用来进行数字信号隔离的选择,包括TI推出的ISO72x系列,其在信号速率、电介质击穿电压、瞬态抗扰度、功耗、磁场抗扰度以及可靠性等重要特性方面均表现不俗。
表6对本报告中所讨论实例的这些特性进行了总结。
电路 电子 电感 电容 德州仪器 电压 电流 传感器 变压器 电容器 二极管 发光二极管 LED Avago ADI 电阻 半导体 集成电路 相关文章:
- 基于P89C61x2/ISP1581的USB接口电路的设计(02-13)
- 行波管关断方式对应用系统可靠性的影响(06-24)
- 基于VME总线的RDC接口电路设计(06-29)
- 单芯片集成电路优化自适应转向大灯系统的设计 (07-12)
- 单片机应用系统的抗干扰技术(08-07)
- 基于FPGA的线阵CCD驱动器设计(11-26)
