高速DSP-TMS320LF2407串行外设接口设计
时间:11-28
来源:互联网
点击:
1 引言
DSP(数字信号处理)的优势除了处理复杂的运算,特别适用于数字滤波、语音、视频、图象处理、通信以及高速实时测控系统中已成为现代信息处理技术的重要器件,极大地促进了信号处理和测控各个领域的学术研究、产品开发及应用。TI公司TMS320LF2407是一种专用定点DSP芯片,与以往的产品相比.最大不同就是有丰富的外设.像SCI、SPI、EV等等.在处理数据优势上添加了事务管理能力。
其中串行外设接口(Serial Peripheral InteRFace)是Motorola公司提出的一种同步串行外围接口协议.主要应用在EEPROM、FLASH、实时时钟、AD转换器.还有数字处理和数字解码器之间。包括主/从2种模式,具有I/O资源占用少、协议实现简单、传输速度快、能够同时收发信息、支持绝大部分处理器芯片等优点,是一种高速的全双工、同步的通信总线,并且在芯片的管脚上只占用四根线,节约了芯片的管脚.同时为PCB的布局上节约了空间,提供了方便,正是出于这种简单易用的特性,TMS320LF2407芯片也集成了这种通信协议。
2 SPI接口结构和设计原理
2.1 SPI接口结构
该SPI设计主要有两大部分组成:微控制器接口和SPI控制接口。通过控制线、数据线、和地址线三大总线把微控制接口与SPI控制接口连接在一起,如果外部有更多的SPI接口模块。可以由SPI控制接口运用软件编程与设置,实现扩展具有SPI接口的外部设备。
TMS320LF2407中采用的主从控制器连接通信。主控制器通过输出SPICLK信号来启动数据传送。对主控制器和从控制器.数据都是在SPICLK的一个边沿移出移位寄存器,并在相对的另一个边沿锁存到移位寄存器。如果CLOCK PHASE位是1.数据的发送和传输就要在SPICLK跳变之前的半个周期发生。主控制器可以在任一时刻启动数据发送.因为它控制着SPICLK信号。由软件决定了主控制器如何检测从控制器何时准备发送数据,以启动SPI传送数据。

图1 SPI内部结构
2.2 SPI设计原理
SPI接口是同步串行总线的一种,在同步时钟信号SCK下,能够高速、可靠的传送数据。它分为主从(MASTER/SLAVER)两种传输模式。主模式下的发送总线即是从模式的接收总线:与之对应的是从模式下的发送总线即是主模式的接收总线。它们可以同时接收和发送数据.而且发送和接收操作可以通过中断或者查询方法来完成。
2.2.1工作时钟
时钟极性CPOL和时钟相位CPHA控制着时钟信号引脚上4中不同的时钟方式。在设备被使能激活后.还未进行数据传输时或两个字节数据间歇期间,SCK处于空闲电平,通过时钟极性控制位可以选择此空闲电平的电平时0还是1:时钟相位控制位用来选择数据接收端设备的采样时刻。在该采样时刻,线上数据必须同时满足建立时间和保持时间两个参数,因此数据发送端设备应提前将数据移出到数据线上。
4种不同的时钟方式能根据外设需要,能够提供相对应的传输协议来完成数据的传输工作。它们之间没有优先级.SPI线上的主从设备必须根据具体情况设置匹配的传输时序模式.时序只有匹配擞据传输才能正常进行。如果设置的不匹配.可能导致数据接收方和发送方在同一个时钟沿作用.导致数据输出失败。
图2是CPHA=0时的数据传输时序.它同时包含了CPOL=0和CPOL=1的情况,当CPOL=O时,要传输的数据在时钟信号没有延时且上升沿出发送,在时钟信号下降沿处接收数据。当CPOL=1时,同样在没有延时的情况下传输,不同的是下降沿发送数据,上升沿接收。图3是CPHA=1时数据传输时序。与图2相似,但采样时刻延迟了半个周期。

图2 CPHA="0是SPI总线数据传输时序"

图3 CPHA="1时SPI总线数据传输时序"
3 SPI硬件设计
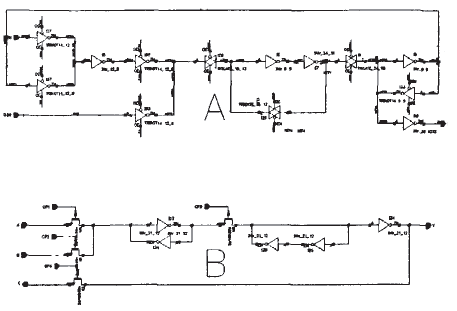
寄存器在SPI中起着决定性的作用.无论是在微控制器接口,还是SPI控制接口,寄存器在数据传输和控制方面都是主要的组成部分。而寄存器最基本最重要的单元是触发器.只有改善触发器的结构,才能提高整个SPI接口的性能。
有的串行接口设计中采用B结构的触发器设计,这些结构里应用的是一种简单的MOS管做开关.虽然MOS管做开关有功耗低,占面积小的优点。但要提高它的电路工作频率.开关速度,制作丁艺却是越来越困难。而且如果输入信号不强.就很可能出现信号倒流,这就需要一个较高电压来控制开关。这也不利于数据传输和降低功耗等等。
为了解决由MOS管做开关时引起的种种难题.来实现在TMS320LF2407串行接口中的信息传递的高速率。本设计综合考虑速度、工作电压、噪声容限等因素的影响.采用了一种新颖的触发器结构(图4A部分),本文接口电路中大都采用了该触发器的电路设计,工作电压降低到3.3V,大大降低了整体功耗;在开关方面采用了三态门,有效的防止了信号倒流,实现了信号传输的稳定;添加了一个反馈信号,在需要的时候.能够把所需反馈信号再次输入;同时加快r开关速率,带负载的能力也增强。

图4 A、B两种触发器比较
DSP(数字信号处理)的优势除了处理复杂的运算,特别适用于数字滤波、语音、视频、图象处理、通信以及高速实时测控系统中已成为现代信息处理技术的重要器件,极大地促进了信号处理和测控各个领域的学术研究、产品开发及应用。TI公司TMS320LF2407是一种专用定点DSP芯片,与以往的产品相比.最大不同就是有丰富的外设.像SCI、SPI、EV等等.在处理数据优势上添加了事务管理能力。
其中串行外设接口(Serial Peripheral InteRFace)是Motorola公司提出的一种同步串行外围接口协议.主要应用在EEPROM、FLASH、实时时钟、AD转换器.还有数字处理和数字解码器之间。包括主/从2种模式,具有I/O资源占用少、协议实现简单、传输速度快、能够同时收发信息、支持绝大部分处理器芯片等优点,是一种高速的全双工、同步的通信总线,并且在芯片的管脚上只占用四根线,节约了芯片的管脚.同时为PCB的布局上节约了空间,提供了方便,正是出于这种简单易用的特性,TMS320LF2407芯片也集成了这种通信协议。
2 SPI接口结构和设计原理
2.1 SPI接口结构
该SPI设计主要有两大部分组成:微控制器接口和SPI控制接口。通过控制线、数据线、和地址线三大总线把微控制接口与SPI控制接口连接在一起,如果外部有更多的SPI接口模块。可以由SPI控制接口运用软件编程与设置,实现扩展具有SPI接口的外部设备。
TMS320LF2407中采用的主从控制器连接通信。主控制器通过输出SPICLK信号来启动数据传送。对主控制器和从控制器.数据都是在SPICLK的一个边沿移出移位寄存器,并在相对的另一个边沿锁存到移位寄存器。如果CLOCK PHASE位是1.数据的发送和传输就要在SPICLK跳变之前的半个周期发生。主控制器可以在任一时刻启动数据发送.因为它控制着SPICLK信号。由软件决定了主控制器如何检测从控制器何时准备发送数据,以启动SPI传送数据。

图1 SPI内部结构
2.2 SPI设计原理
SPI接口是同步串行总线的一种,在同步时钟信号SCK下,能够高速、可靠的传送数据。它分为主从(MASTER/SLAVER)两种传输模式。主模式下的发送总线即是从模式的接收总线:与之对应的是从模式下的发送总线即是主模式的接收总线。它们可以同时接收和发送数据.而且发送和接收操作可以通过中断或者查询方法来完成。
2.2.1工作时钟
时钟极性CPOL和时钟相位CPHA控制着时钟信号引脚上4中不同的时钟方式。在设备被使能激活后.还未进行数据传输时或两个字节数据间歇期间,SCK处于空闲电平,通过时钟极性控制位可以选择此空闲电平的电平时0还是1:时钟相位控制位用来选择数据接收端设备的采样时刻。在该采样时刻,线上数据必须同时满足建立时间和保持时间两个参数,因此数据发送端设备应提前将数据移出到数据线上。
4种不同的时钟方式能根据外设需要,能够提供相对应的传输协议来完成数据的传输工作。它们之间没有优先级.SPI线上的主从设备必须根据具体情况设置匹配的传输时序模式.时序只有匹配擞据传输才能正常进行。如果设置的不匹配.可能导致数据接收方和发送方在同一个时钟沿作用.导致数据输出失败。
图2是CPHA=0时的数据传输时序.它同时包含了CPOL=0和CPOL=1的情况,当CPOL=O时,要传输的数据在时钟信号没有延时且上升沿出发送,在时钟信号下降沿处接收数据。当CPOL=1时,同样在没有延时的情况下传输,不同的是下降沿发送数据,上升沿接收。图3是CPHA=1时数据传输时序。与图2相似,但采样时刻延迟了半个周期。

图2 CPHA="0是SPI总线数据传输时序"

图3 CPHA="1时SPI总线数据传输时序"
3 SPI硬件设计
寄存器在SPI中起着决定性的作用.无论是在微控制器接口,还是SPI控制接口,寄存器在数据传输和控制方面都是主要的组成部分。而寄存器最基本最重要的单元是触发器.只有改善触发器的结构,才能提高整个SPI接口的性能。
有的串行接口设计中采用B结构的触发器设计,这些结构里应用的是一种简单的MOS管做开关.虽然MOS管做开关有功耗低,占面积小的优点。但要提高它的电路工作频率.开关速度,制作丁艺却是越来越困难。而且如果输入信号不强.就很可能出现信号倒流,这就需要一个较高电压来控制开关。这也不利于数据传输和降低功耗等等。
为了解决由MOS管做开关时引起的种种难题.来实现在TMS320LF2407串行接口中的信息传递的高速率。本设计综合考虑速度、工作电压、噪声容限等因素的影响.采用了一种新颖的触发器结构(图4A部分),本文接口电路中大都采用了该触发器的电路设计,工作电压降低到3.3V,大大降低了整体功耗;在开关方面采用了三态门,有效的防止了信号倒流,实现了信号传输的稳定;添加了一个反馈信号,在需要的时候.能够把所需反馈信号再次输入;同时加快r开关速率,带负载的能力也增强。

图4 A、B两种触发器比较
DSP 解码器 总线 PCB PIC 电路 电压 Verilog 仿真 相关文章:
- F1aSh存储器在TMS320C3X系统中的应用(11-11)
- 基于PIC18F系列单片机的嵌入式系统设计(11-19)
- DSP在卫星测控多波束系统中的应用(01-25)
- 基于PCI总线的双DSP系统及WDM驱动程序设计(01-26)
- 利用Virtex-5 FPGA实现更高性能的方法(03-08)
- DSP与单片机通信的多种方案设计(03-08)
