ADS8364与TMS320F2812的接口设计
时间:11-26
来源:互联网
点击:
操作
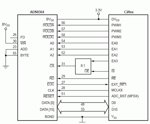
触发ADS8364的复位引脚RST可以确保读指针指向第一个数据位置。作为TMS320F2812初始化的一部分,由TMS320F2812的通用输入输出口GPIOF0提供给ADS8364的引脚RST。当系统时钟稳定后,被触发为低电平,从而确保了从ADC输出的数据对应于通道A0、A1、B0、B1、C0、C1的排列。
对于每一个转换通道,EOC均是低电平信号。 ADS8364可为TMS320F2812提供三个脉冲。每个脉冲信号表明一个转换的结束。当ADC的这三个引脚同时置低时,三个通道被认为有效并同时进行转换。另外,EOC引脚也可被连接到TMS320F2812的一个中断引脚,以触发一个读周期。
ADS8364的片选CS是一个有源低电平输入信号。当CS为高时,并行输出引脚处于高阻态。当CS为低时,并行数据线反映了输出缓冲器的当前状态。为了正确地从ADS8364的并行数据总线上读取数据,ADS8364必须被片选CS选中后才能进行读操作。
ADS8364的读(RD)信号端也是有源低电平信号。当CS为低时,在读信号(RD)的下降沿,ADS8364 中寄存器的内容将被更新。这意味着在每个读序列之前,RD信号必须被触发,这样才能更新输出缓冲器。通过TMS320F2812的中断子程序将ADS8364的RD引脚置低可以保存输入的数据,之后可再将RD引脚置高。

ADS8364与TMS320F2812的连接图
4 初始化编程
(1)头文件(.H)的编写:主要用来定义片内寄存器以便函数中引用
例如:系统控制与状态寄存器的定义:
此外头文件中还声明一些全局函数和常量。
例如:extern void InitAdc(void); //初始化ADC函数

(2)命令文件(.CMD)的编写:该文件中用到了两个伪指令MEMORY和SECTIONS。
MEMORY伪指令用来标示实际存在的目标系统中可被使用的存储器范围。
SECTIONS伪指令用来定位一些代码和数据块。
部分代码:

(3)主程序及中断程序:

5 结束语
本文以ADS8364模数转换芯片为基础,详细讨论了ADS8364和TMS320F2812的接口设计和工作原理,重点介绍了TMS320F2812控制芯片的最小系统设计、ADS8364和TMS320F2812的连接、初始化程序等三部分内容。该设计方案在电机控制、多轴定位系统、多通道数据采集等场合有着广泛的应用。
触发ADS8364的复位引脚RST可以确保读指针指向第一个数据位置。作为TMS320F2812初始化的一部分,由TMS320F2812的通用输入输出口GPIOF0提供给ADS8364的引脚RST。当系统时钟稳定后,被触发为低电平,从而确保了从ADC输出的数据对应于通道A0、A1、B0、B1、C0、C1的排列。
对于每一个转换通道,EOC均是低电平信号。 ADS8364可为TMS320F2812提供三个脉冲。每个脉冲信号表明一个转换的结束。当ADC的这三个引脚同时置低时,三个通道被认为有效并同时进行转换。另外,EOC引脚也可被连接到TMS320F2812的一个中断引脚,以触发一个读周期。
ADS8364的片选CS是一个有源低电平输入信号。当CS为高时,并行输出引脚处于高阻态。当CS为低时,并行数据线反映了输出缓冲器的当前状态。为了正确地从ADS8364的并行数据总线上读取数据,ADS8364必须被片选CS选中后才能进行读操作。
ADS8364的读(RD)信号端也是有源低电平信号。当CS为低时,在读信号(RD)的下降沿,ADS8364 中寄存器的内容将被更新。这意味着在每个读序列之前,RD信号必须被触发,这样才能更新输出缓冲器。通过TMS320F2812的中断子程序将ADS8364的RD引脚置低可以保存输入的数据,之后可再将RD引脚置高。

ADS8364与TMS320F2812的连接图
4 初始化编程
(1)头文件(.H)的编写:主要用来定义片内寄存器以便函数中引用
例如:系统控制与状态寄存器的定义:
此外头文件中还声明一些全局函数和常量。
例如:extern void InitAdc(void); //初始化ADC函数

(2)命令文件(.CMD)的编写:该文件中用到了两个伪指令MEMORY和SECTIONS。
MEMORY伪指令用来标示实际存在的目标系统中可被使用的存储器范围。
SECTIONS伪指令用来定位一些代码和数据块。
部分代码:

(3)主程序及中断程序:

5 结束语
本文以ADS8364模数转换芯片为基础,详细讨论了ADS8364和TMS320F2812的接口设计和工作原理,重点介绍了TMS320F2812控制芯片的最小系统设计、ADS8364和TMS320F2812的连接、初始化程序等三部分内容。该设计方案在电机控制、多轴定位系统、多通道数据采集等场合有着广泛的应用。
德州仪器 DSP 嵌入式 自动化 电压 放大器 总线 电路 电流 电阻 电容 振荡器 仿真 ADC 相关文章:
- 德州仪器推出业界最广共模范围的70V 故障保护型 RS-485 收发器产品系列(11-04)
- 使用 TI KeyStone SoC 实现多标准无线基站(07-04)
- TI KeyStone 架构支持 L2 及传输处理(07-16)
- TMS320TCI6612/14 助力小型蜂窝基站实现高性能(08-15)
- 支持新一代工业检查系统的多核DSP(07-08)
- 多核DSP,军事应用的关键(08-12)
