功率驻波表的制作
时间:09-15
来源:互联网
点击:
功率驻波表是广大HAM必备的仪表之一,除购买正规厂家的产品外还可以自制。按下面介绍的方法DIY的驻波表,使用起来效果也很好。至于自制功率和驻波比的计量值,对业余爱好者来说,它只是一个相对值,不必斤斤计较。功率值在允许误差内,驻波比SWR能读出1.5、2、3即可。在试制过程中,笔者感到驻波比表的制作是“看花容易绣花难”。虽然只有几个元件,想把REF档的指针调到零点并非易事。只有了解它的原理,才能使调试顺利进行下去。经过你亲手DIY后,相信你对驻波表会有一个新的认识。
一:磁环互感法的功率驻波比表原理
(如图)首先分析它的高频电路。把它画成等效电路来分析。设正向电压为U入、反向电压为U反。在a、b两点上,为什么能得到独立的U入和U反电压呢?如果U入和U反的电压不能单独的分离出来,是不能进行正向波、反向波的测试的。首先要从传输线L1上取出U入和U反电压。当L1上有高频电流通过时,必然在高频变压器T的次级线圈L2上产生一感应电动势。
e=jωMI
这个电动势e在高频变压器T及R1、R2中形成高频电流i。回路中电流的大小,完全取决T的感抗L。
R=R1+R2
而传输线L1上每个点上都有下列关系:
U=U入+U反 I=I入-I反————(1)
传输线上各点的阻抗都是一样的。





所以,网络中的电流在阻值R1=R2上的电压为;电容器C1与C2组成分压器,K为分压比。C2上分得的电压为U3。
U3=KU=K(U入+U反)—————(4)
因C3、C4的分压比相等于C1与C2的分压比:
U4=K(U入+U反)
现设: U3=U3/2 ,U4=U4/2。
现设分压比K使之等于MR/LZc,并把U1和U3、U2和U4分别相加,因U1经检波后在a点上得1/2U1,同理U2在b点上得1/2U2。
则a点电压为:1/2U1+1/2U3=1/2U入-1/2U反+1/2U入+1/2U反=U入
b点电压为:-1/2U2+1/2U4=-1/2U入+1/2U反+1/2U入+1/2U反=U反
图3是用电阻分压的磁环互感法制作的功率驻波表电路原理图。首先还是对电原理图进行分析,它的高频回路等效为图4。由图4中看出,R1=R2 所以U1=U2 根据公式(3)可知;

电阻R3、R4构成分压比K
U3=KU=K(U入+U反)
现令分压比K等于MR/LZc ,并把U3和U1,U2相加就得出:
U4=U1+U3=KU入-KU反+KU入+KU反=2KU入
U5=U2+U3=-KU入+KU反+KU入+KU反=2KU反
经过上述证明a,b两点已把U入,U反分离出来a点得U入、b点得U反。U入、U反分别经过检波两极管后,成为直流成分。两极管只有一端有高频成分,滤波回路改成PC的低通滤波法是可以的。
二:制作调试与安装工艺


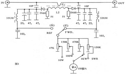
图1,图3两种电路的印刷板的尺寸都是70mm×40mm。使用单面板手工刻制。请参照图5:

图中高频变压器中的L1,是用Φ2.2mm的一根漆包线,直接贯穿磁环,两端分别在M型的插座上。印刷板的中心线部位挖出的方洞,其作用是磁环的磁力线不被铜箔的“地”屏蔽掉。磁环在中心线的部位滑动,有微调电感的作用。对调零点(REF挡)有作用。
磁环用黑白电视机的天线匹配的双孔磁环,这双孔环事先要改成单孔环,去掉棱角打磨光滑后再用。电阻分压的(图3中)磁环可以用导磁率=20、Φ10的磁环。L2是用Φ0.15的漆包线先均匀绕50T。电容本应使用管状的涂有深蓝色的高压电容,但现在难找到。本文中用的是60伏的独石电容器。高扼圈用色码电感即可,两极管用1N60,用万用表R*1K档配对。手刻印刷板时,要注意线条的对称性。功率表上用的微调电阻,要事先焊在条形的印刷板上,再把它固定在波段开关的两根长螺丝上。电位器用2瓦的。表头为100微安。
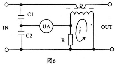
印刷板的接地是用Φ1.5mm的铜线做成支架,焊在M型插座的螺丝上,电路的接地导线要统一汇总后,焊在印刷板中心线的位置上。调试前,应对电路的构成有一定的认识。例如图1最后整合成一电桥电路,它是利用平衡原理进行测量的,图6是电原理图。

三:驻波表的调整
图1电路的调整:
在图中看到要想电桥平衡,因C1、C2、R均为固定值,只有改动高频线圈L2的圈数才能使电桥平衡。而有些资料强调要调整两只分压电容来调平衡,实践证明微调分压电容,虽有作用,也只是微量的变化,而调整线圈却可大幅度的调整平衡。磁环的材质在这里尤为重要。笔者试用过几种国产磁环,有些高频磁环虽能在29.6兆赫芝工作,但放在驻波表里就不灵了。平衡到一定程度后,锐点就没了,反复加减圈数也无效,怎么也不能把REF档的电流调到表头的零点位置。(此时也可多找几种磁环试试)
图1电路使用黑白电视机天线匹配器的双孔磁环,将其改成单孔磁环使用效果较好。先在磁环上用Φ0.15的漆包线平绕50T,用递减圈数的办法找REF挡的的零点。输入20瓦的7~14兆赫芝的CW信号,输出端接一40瓦50欧姆的假负载。每注入一次信号,都要在FWD档(正向档)调RW使表头满度。然后,迅速打到REF档(反向档)看表针回落的位置。如指针偏高时,可拆去L2,5T左右重新打正向档再输入CW信号,并利用RW调好满度,再打到反向档看表针的位置。这时,会发现回落值比第一次多了,即表针向左边移动的数值大了,与零点的位置距离小啦。这是路子对头,接着可以重复上次的调整方法调下去。当表针指到5uA左右,放慢速度,一圈一圈的拆。在调整中,要不时地变动磁环在L1上的位置,变换它的静止姿态,这都是影响到零点位置的因素,还不要忘记同时调正其中一只瓷质微调,(作用小)而另一只瓷质微调不起作用。反复多次后,表针在反向档位就可进入零值。
接着是颠倒调整。即在输出端接入CW信号,而在输入端接上假负载,原正向档(FWD档)变成了反向档,原反向档(REF档)变成正向档,因电路是对称的,这次调正方法简单一些了。首先调动一次满度,而后打到反向档(它是第一次调整用的正向档)看表针回落的情况,还要调整一下原第一次调整时不起作用的那只瓷微调,让表针尽量回零。图1电路的调整结束。
图3电路的调整:
电路中的1K欧姆的电位器,在反向档调零时对调零值作用很大。高频变压器的位置不要事先固定!L1与L2之间(磁环孔中)要用高耐压的绝缘绸垫好,借以提高耐压程度,并用蜂腊在调好后把磁环固定住。还有一点教训是零点调好后,迅速固定且不能再动任何部位了,如果这时剪短线圈引线长度、重新绕线圈换粗线等都会使平衡条件破坏,最佳点是没有重复性的。图中的a点是做正向电压测试,也可做反向电压的测试。它取决于L2的绕向,想改变绕向只有取下磁环重绕,只改变线头、线尾的焊接位置对方向无效。相比之下,图3电路调整顺手。因是大功率电阻从天线上分压,可测大功率,击穿元件的可能性比较小
一:磁环互感法的功率驻波比表原理
(如图)首先分析它的高频电路。把它画成等效电路来分析。设正向电压为U入、反向电压为U反。在a、b两点上,为什么能得到独立的U入和U反电压呢?如果U入和U反的电压不能单独的分离出来,是不能进行正向波、反向波的测试的。首先要从传输线L1上取出U入和U反电压。当L1上有高频电流通过时,必然在高频变压器T的次级线圈L2上产生一感应电动势。
e=jωMI
这个电动势e在高频变压器T及R1、R2中形成高频电流i。回路中电流的大小,完全取决T的感抗L。
R=R1+R2
而传输线L1上每个点上都有下列关系:
U=U入+U反 I=I入-I反————(1)
传输线上各点的阻抗都是一样的。





所以,网络中的电流在阻值R1=R2上的电压为;电容器C1与C2组成分压器,K为分压比。C2上分得的电压为U3。
U3=KU=K(U入+U反)—————(4)
因C3、C4的分压比相等于C1与C2的分压比:
U4=K(U入+U反)
现设: U3=U3/2 ,U4=U4/2。
现设分压比K使之等于MR/LZc,并把U1和U3、U2和U4分别相加,因U1经检波后在a点上得1/2U1,同理U2在b点上得1/2U2。
则a点电压为:1/2U1+1/2U3=1/2U入-1/2U反+1/2U入+1/2U反=U入
b点电压为:-1/2U2+1/2U4=-1/2U入+1/2U反+1/2U入+1/2U反=U反
图3是用电阻分压的磁环互感法制作的功率驻波表电路原理图。首先还是对电原理图进行分析,它的高频回路等效为图4。由图4中看出,R1=R2 所以U1=U2 根据公式(3)可知;

电阻R3、R4构成分压比K
U3=KU=K(U入+U反)
现令分压比K等于MR/LZc ,并把U3和U1,U2相加就得出:
U4=U1+U3=KU入-KU反+KU入+KU反=2KU入
U5=U2+U3=-KU入+KU反+KU入+KU反=2KU反
经过上述证明a,b两点已把U入,U反分离出来a点得U入、b点得U反。U入、U反分别经过检波两极管后,成为直流成分。两极管只有一端有高频成分,滤波回路改成PC的低通滤波法是可以的。
二:制作调试与安装工艺


图1,图3两种电路的印刷板的尺寸都是70mm×40mm。使用单面板手工刻制。请参照图5:

图中高频变压器中的L1,是用Φ2.2mm的一根漆包线,直接贯穿磁环,两端分别在M型的插座上。印刷板的中心线部位挖出的方洞,其作用是磁环的磁力线不被铜箔的“地”屏蔽掉。磁环在中心线的部位滑动,有微调电感的作用。对调零点(REF挡)有作用。
磁环用黑白电视机的天线匹配的双孔磁环,这双孔环事先要改成单孔环,去掉棱角打磨光滑后再用。电阻分压的(图3中)磁环可以用导磁率=20、Φ10的磁环。L2是用Φ0.15的漆包线先均匀绕50T。电容本应使用管状的涂有深蓝色的高压电容,但现在难找到。本文中用的是60伏的独石电容器。高扼圈用色码电感即可,两极管用1N60,用万用表R*1K档配对。手刻印刷板时,要注意线条的对称性。功率表上用的微调电阻,要事先焊在条形的印刷板上,再把它固定在波段开关的两根长螺丝上。电位器用2瓦的。表头为100微安。
印刷板的接地是用Φ1.5mm的铜线做成支架,焊在M型插座的螺丝上,电路的接地导线要统一汇总后,焊在印刷板中心线的位置上。调试前,应对电路的构成有一定的认识。例如图1最后整合成一电桥电路,它是利用平衡原理进行测量的,图6是电原理图。

三:驻波表的调整
图1电路的调整:
在图中看到要想电桥平衡,因C1、C2、R均为固定值,只有改动高频线圈L2的圈数才能使电桥平衡。而有些资料强调要调整两只分压电容来调平衡,实践证明微调分压电容,虽有作用,也只是微量的变化,而调整线圈却可大幅度的调整平衡。磁环的材质在这里尤为重要。笔者试用过几种国产磁环,有些高频磁环虽能在29.6兆赫芝工作,但放在驻波表里就不灵了。平衡到一定程度后,锐点就没了,反复加减圈数也无效,怎么也不能把REF档的电流调到表头的零点位置。(此时也可多找几种磁环试试)
图1电路使用黑白电视机天线匹配器的双孔磁环,将其改成单孔磁环使用效果较好。先在磁环上用Φ0.15的漆包线平绕50T,用递减圈数的办法找REF挡的的零点。输入20瓦的7~14兆赫芝的CW信号,输出端接一40瓦50欧姆的假负载。每注入一次信号,都要在FWD档(正向档)调RW使表头满度。然后,迅速打到REF档(反向档)看表针回落的位置。如指针偏高时,可拆去L2,5T左右重新打正向档再输入CW信号,并利用RW调好满度,再打到反向档看表针的位置。这时,会发现回落值比第一次多了,即表针向左边移动的数值大了,与零点的位置距离小啦。这是路子对头,接着可以重复上次的调整方法调下去。当表针指到5uA左右,放慢速度,一圈一圈的拆。在调整中,要不时地变动磁环在L1上的位置,变换它的静止姿态,这都是影响到零点位置的因素,还不要忘记同时调正其中一只瓷质微调,(作用小)而另一只瓷质微调不起作用。反复多次后,表针在反向档位就可进入零值。
接着是颠倒调整。即在输出端接入CW信号,而在输入端接上假负载,原正向档(FWD档)变成了反向档,原反向档(REF档)变成正向档,因电路是对称的,这次调正方法简单一些了。首先调动一次满度,而后打到反向档(它是第一次调整用的正向档)看表针回落的情况,还要调整一下原第一次调整时不起作用的那只瓷微调,让表针尽量回零。图1电路的调整结束。
图3电路的调整:
电路中的1K欧姆的电位器,在反向档调零时对调零值作用很大。高频变压器的位置不要事先固定!L1与L2之间(磁环孔中)要用高耐压的绝缘绸垫好,借以提高耐压程度,并用蜂腊在调好后把磁环固定住。还有一点教训是零点调好后,迅速固定且不能再动任何部位了,如果这时剪短线圈引线长度、重新绕线圈换粗线等都会使平衡条件破坏,最佳点是没有重复性的。图中的a点是做正向电压测试,也可做反向电压的测试。它取决于L2的绕向,想改变绕向只有取下磁环重绕,只改变线头、线尾的焊接位置对方向无效。相比之下,图3电路调整顺手。因是大功率电阻从天线上分压,可测大功率,击穿元件的可能性比较小
电路 电压 电流 变压器 电容 电阻 电感 电容器 万用表 相关文章:
- 集成电路的电磁兼容测试(06-06)
- 低功耗制造测试的设计-第一部分(01-29)
- 低功耗制造性测试的设计-第二部分(01-29)
- ASA测试技术在电路维修测试仪上的应用(06-28)
- 示波器前级衰减电路(06-21)
- 电调谐LC滤波器的研究与设计(11-09)
