MOSFET开关轨迹线的示波器重现方法
时间:01-20
来源:互联网
点击:
本文总结:
利用TDS3000系列示波器的XY显示模式,可以方便地重现MOSFET的开关轨迹线。利用这一功能,我们可以定量地了解回扫电路中MOSFET的开关情况,并为其吸收电路选择合理参数。这个方法也可以方便地应用到其他功率开关和电路拓扑中去。

图3.a MOSFET电流电压波形

图3.b MOSFET的开关轨迹线

图4.a MOSFET的开通过程

图4.b MOSFET的开通轨迹线

图5:a)MOSFET的开通过程。

图5.b)MOSFET的开通轨迹线。

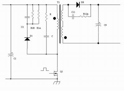
图6. 变压器原边并联RC缓冲电路

图7 关断缓冲电路的效果a. 开关电压电流波形

b. 开关轨迹线

c. 开通轨迹线

d. 关断轨迹线
利用TDS3000系列示波器的XY显示模式,可以方便地重现MOSFET的开关轨迹线。利用这一功能,我们可以定量地了解回扫电路中MOSFET的开关情况,并为其吸收电路选择合理参数。这个方法也可以方便地应用到其他功率开关和电路拓扑中去。

图3.a MOSFET电流电压波形

图3.b MOSFET的开关轨迹线

图4.a MOSFET的开通过程

图4.b MOSFET的开通轨迹线

图5:a)MOSFET的开通过程。

图5.b)MOSFET的开通轨迹线。

图6. 变压器原边并联RC缓冲电路

图7 关断缓冲电路的效果a. 开关电压电流波形

b. 开关轨迹线

c. 开通轨迹线

d. 关断轨迹线
MOSFET 开关电源 泰克 示波器 电流 电压 电路 变压器 电感 电路图 电容 电阻 相关文章:
- 数字存储示波器加快电源设计的验证与测试(01-05)
- 安森美半导体扩充中等电压功率MOSFET系列(10-13)
- 二极管泄漏电流以及MOSFET的亚阈区电流的测量(09-22)
- 尺寸缩小对沟槽MOSFET性能的影响(10-27)
- 精确测量功率MOSFET的导通电阻(11-16)
- 高幅度任意波形/函数发生器简化汽车、半导体、科学和工业应用中的测量(02-20)
