分析2015电子竞赛D题-增益可控射频放大器
时间:01-27
来源:互联网
点击:
前些日子教师节的时候给我在武汉的老师打了个电话,闲聊之余谈到他今年带的电子竞赛又拿了国一,他都六十多的人了显得很淡定,我想估计只有他那获奖的学生才是最高兴的吧。这老师这么多年来对我们挺好,平时没事就去他家聊聊或者做做板子调调电路,自己有事可以去做自己的事,也是我那几年难得遇到的老师吧。
聊完之后我找了下今年的国赛题,其中一眼就看到射频放大器这个题目,想都不用想就猜我老师今年带的组是这个题,因为就算是我自己也会选择这个题目,而且当年也做过程控放大器,虽然指标的频率没有这么高,但是这几年凭着自己对芯片指标的回忆觉得这个题只要方案选的好几乎一天就能做出来,而其他有好几个题目例如干扰仪和频谱仪估计还得费一点心思。
对于这个可控增益的射频放大器,自己感到特别意外,因为对于自己而言如果遇到这种题,就像捡到的一样,因为后面很长一段时间自己研究过可控增益器件,也做过高精度的可控源。当然对于射频器件,还有很大的空间需要去挖掘。先分析一下11年自己做过的程控放大。
指标要求为10M的可控范围40DB的程控放大。
那个时候整个实验室的人都希望自己手里有很多vca810,所以毫无疑问当时也对810最为熟悉,所以选的这个可控器件做的程控放大。
系统框架如下所示,前级缓冲放大提高输入阻抗,减少信号噪声的干扰。VCA810程控放大器作为信号输入的核心放大,其增益由单片机控制D/A芯片dac7611输出再经过反向放大电压来调节,电压步进为1mV,范围在-40~40 dB。再通过软件设计的多阶滤波器实现低通滤波。后面输出部分采用高输出电流芯片并联以增大输出功率的方式进行输出。程控部分采用单片机外加键盘控制。LCD12864实时更新电压幅值。

控制增益部分选的TI的810,理论上具备80DB控制范围,但是实际上一片能够做到50DB就非常不错了,当然2片理论上做到100只能说你是做梦!且控制电压与增益dB数成线性关系,满足设计要求。这里控制vca810采用自带基准电压源4.096V的12位高精度DAC7611。再经精密放大器反向后控制VCA810。用按键和液晶方式智能控制程控放大。下面是低通滤波用的软件仿真的结果。

主要信号的原理图如下。也可下载附件。

程序可以通过不断改变DA输出从而扫描输出。之后经过仔细测量带宽以及配合程序的调试,基本指标都能达标,上一张实物图。

这是自己当时做的程控放大的训练题,做成这样了,而今年看到的国赛题一瞄就瞄到了这题不是没有道理的,不仅仅是因为他熟悉,而是后面接触过很多HITTITE公司的芯片,特别是数字芯片很好的替代了模拟的程控放大器,这就使得一个程控放大更加简单化。
然后再来看下15年程控放大的要求:
一、任务
设计并制作一个增益可控射频放大器。
二、要求
1.基本要求
(1)放大器的电压增益 AV≥40dB,输入电压有效值 Vi≤20mV, 其输入阻抗、输出阻抗均为 50?,负载电阻 50?,且输出电压有效值 Vo≥2V,波形无明显失真;
(2)在 75MHz~108MHz 频率范围内增益波动不大于 2dB;
(3) -3dB 的通频带不窄于 60MHz~130MHz, 即 fL≤60MHz、 fH≥130MHz;
(4)实现 AV 增益步进控制, 增益控制范围为 12dB~40dB, 增益控制步长为4dB,增益绝对误差不大于 2dB,并能显示设定的增益值。
2.发挥部分
(1)放大器的电压增益 AV≥52dB, 增益控制扩展至 52dB, 增益控制步长不变,输入电压有效值 Vi≤5mV,其输入阻抗、输出阻抗均为 50?,负载电阻 50?,且输出电压有效值Vo≥2V,波形无明显失真;
(2)在 50MHz~160MHz 频率范围内增益波动不大于 2dB;
(3)-3dB 的通频带不窄于 40MHz~200MHz,即 fL≤40MHz 和 fH≥200MHz;
(4)电压增益 AV≥52dB,当输入信号频率 f≤20MHz 或输入信号频率 f≥270MHz 时,实测电压增益 AV 均不大于 20dB;
(5)其他。
程控分析:
发挥部分增益到52DB,一般用一片模拟的程控放大光靠调试很难满足要求,而发挥部分的频率50-160M,这个频率TI的程控放大器无法满足要求,带内波动低于2DB,这个也要靠调试的功底,但是当我看到增益的步长为4DB时候我就笑了,因为对于一个52DB增益的系统而言,步进为4DB说明他的精度要求不高,这让我很快的想到了之前做过的高精度频率源,频率高达1G,在这个很短的频率内带内的波动几乎可以忽略,而且步进刚好是1DB,所以的东西都满足要求,这就是数字衰减器实现的程控放大,数字衰减器实现的方案在程序方面几乎就是可以直接给高给低就行了,不需要额外的给模拟电压,给程序方面也带来了很有优势,之前自己用过的HMC307和HMC470以及该系列的数字衰减器都是满足要求的,这就是最主要的核心芯片构成的方案!
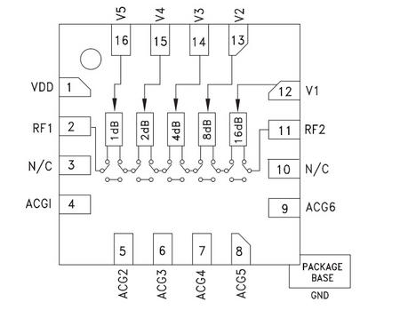
看一下HMC470的频率以及带内损耗还有结构以及如何控制的。

控制很简单,5个IO口就行,分别选择衰减多少DB,最小分辨率为1DB.完全满足题目要求的,并且控制简单。这也是很关键的一部分。
至于带内波动,从图可以看出在程控的频率范围(50-160M)几乎可以忽略。

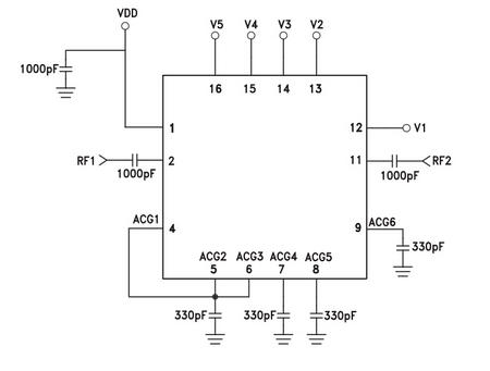
经典电路控制图也很简洁。

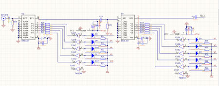
但是这里,考虑到封装问题,之前做的一个项目里面涉及到程控部分并不是用的470,而是HMC307,原理基本一样,只是封装更好使用,但是控制电平是负的,所以需要额外加反相器,另外一片HMC307只能实现32DB,并不能够达到52DB,所以需要2片级联实现,而当时的项目要求刚好也是超出了52DB,用的2片级联输出。原理如下图所示:

该类衰减器之前接触过不少,经过测量后大部分发挥指标是可以直接达标的,我的印象中,HITTITE的衰减器在公开的芯片厂商里面还算不错。
总结:有的时候选择比努力重要,方案比调试重要。人生的道理也有很多,我们都还年轻,每个人都需要成长,新的环境里面面临着新的挑战当然还有新的机遇。在深入技术的同时别忘了要对其他技术领域的方案也要有所了解,要不就扎进死胡同里面了。太年轻就得逼自己一把。
如果你有类似对程控放大或者针对该题还有更好的方案,欢迎随时沟通交流。
聊完之后我找了下今年的国赛题,其中一眼就看到射频放大器这个题目,想都不用想就猜我老师今年带的组是这个题,因为就算是我自己也会选择这个题目,而且当年也做过程控放大器,虽然指标的频率没有这么高,但是这几年凭着自己对芯片指标的回忆觉得这个题只要方案选的好几乎一天就能做出来,而其他有好几个题目例如干扰仪和频谱仪估计还得费一点心思。
对于这个可控增益的射频放大器,自己感到特别意外,因为对于自己而言如果遇到这种题,就像捡到的一样,因为后面很长一段时间自己研究过可控增益器件,也做过高精度的可控源。当然对于射频器件,还有很大的空间需要去挖掘。先分析一下11年自己做过的程控放大。
指标要求为10M的可控范围40DB的程控放大。
那个时候整个实验室的人都希望自己手里有很多vca810,所以毫无疑问当时也对810最为熟悉,所以选的这个可控器件做的程控放大。
系统框架如下所示,前级缓冲放大提高输入阻抗,减少信号噪声的干扰。VCA810程控放大器作为信号输入的核心放大,其增益由单片机控制D/A芯片dac7611输出再经过反向放大电压来调节,电压步进为1mV,范围在-40~40 dB。再通过软件设计的多阶滤波器实现低通滤波。后面输出部分采用高输出电流芯片并联以增大输出功率的方式进行输出。程控部分采用单片机外加键盘控制。LCD12864实时更新电压幅值。

控制增益部分选的TI的810,理论上具备80DB控制范围,但是实际上一片能够做到50DB就非常不错了,当然2片理论上做到100只能说你是做梦!且控制电压与增益dB数成线性关系,满足设计要求。这里控制vca810采用自带基准电压源4.096V的12位高精度DAC7611。再经精密放大器反向后控制VCA810。用按键和液晶方式智能控制程控放大。下面是低通滤波用的软件仿真的结果。

主要信号的原理图如下。也可下载附件。

程序可以通过不断改变DA输出从而扫描输出。之后经过仔细测量带宽以及配合程序的调试,基本指标都能达标,上一张实物图。

这是自己当时做的程控放大的训练题,做成这样了,而今年看到的国赛题一瞄就瞄到了这题不是没有道理的,不仅仅是因为他熟悉,而是后面接触过很多HITTITE公司的芯片,特别是数字芯片很好的替代了模拟的程控放大器,这就使得一个程控放大更加简单化。
然后再来看下15年程控放大的要求:
一、任务
设计并制作一个增益可控射频放大器。
二、要求
1.基本要求
(1)放大器的电压增益 AV≥40dB,输入电压有效值 Vi≤20mV, 其输入阻抗、输出阻抗均为 50?,负载电阻 50?,且输出电压有效值 Vo≥2V,波形无明显失真;
(2)在 75MHz~108MHz 频率范围内增益波动不大于 2dB;
(3) -3dB 的通频带不窄于 60MHz~130MHz, 即 fL≤60MHz、 fH≥130MHz;
(4)实现 AV 增益步进控制, 增益控制范围为 12dB~40dB, 增益控制步长为4dB,增益绝对误差不大于 2dB,并能显示设定的增益值。
2.发挥部分
(1)放大器的电压增益 AV≥52dB, 增益控制扩展至 52dB, 增益控制步长不变,输入电压有效值 Vi≤5mV,其输入阻抗、输出阻抗均为 50?,负载电阻 50?,且输出电压有效值Vo≥2V,波形无明显失真;
(2)在 50MHz~160MHz 频率范围内增益波动不大于 2dB;
(3)-3dB 的通频带不窄于 40MHz~200MHz,即 fL≤40MHz 和 fH≥200MHz;
(4)电压增益 AV≥52dB,当输入信号频率 f≤20MHz 或输入信号频率 f≥270MHz 时,实测电压增益 AV 均不大于 20dB;
(5)其他。
程控分析:
发挥部分增益到52DB,一般用一片模拟的程控放大光靠调试很难满足要求,而发挥部分的频率50-160M,这个频率TI的程控放大器无法满足要求,带内波动低于2DB,这个也要靠调试的功底,但是当我看到增益的步长为4DB时候我就笑了,因为对于一个52DB增益的系统而言,步进为4DB说明他的精度要求不高,这让我很快的想到了之前做过的高精度频率源,频率高达1G,在这个很短的频率内带内的波动几乎可以忽略,而且步进刚好是1DB,所以的东西都满足要求,这就是数字衰减器实现的程控放大,数字衰减器实现的方案在程序方面几乎就是可以直接给高给低就行了,不需要额外的给模拟电压,给程序方面也带来了很有优势,之前自己用过的HMC307和HMC470以及该系列的数字衰减器都是满足要求的,这就是最主要的核心芯片构成的方案!
看一下HMC470的频率以及带内损耗还有结构以及如何控制的。

控制很简单,5个IO口就行,分别选择衰减多少DB,最小分辨率为1DB.完全满足题目要求的,并且控制简单。这也是很关键的一部分。
至于带内波动,从图可以看出在程控的频率范围(50-160M)几乎可以忽略。

经典电路控制图也很简洁。

但是这里,考虑到封装问题,之前做的一个项目里面涉及到程控部分并不是用的470,而是HMC307,原理基本一样,只是封装更好使用,但是控制电平是负的,所以需要额外加反相器,另外一片HMC307只能实现32DB,并不能够达到52DB,所以需要2片级联实现,而当时的项目要求刚好也是超出了52DB,用的2片级联输出。原理如下图所示:

该类衰减器之前接触过不少,经过测量后大部分发挥指标是可以直接达标的,我的印象中,HITTITE的衰减器在公开的芯片厂商里面还算不错。
总结:有的时候选择比努力重要,方案比调试重要。人生的道理也有很多,我们都还年轻,每个人都需要成长,新的环境里面面临着新的挑战当然还有新的机遇。在深入技术的同时别忘了要对其他技术领域的方案也要有所了解,要不就扎进死胡同里面了。太年轻就得逼自己一把。
如果你有类似对程控放大或者针对该题还有更好的方案,欢迎随时沟通交流。
