数字电路基础:与门电路
时间:02-02
来源:互联网
点击:
从小巧的电子手表,到复杂的电子计算机,它们的许多元件被制成集成电路的形式,即把几十、几百,甚至成干上万个电子元件制作在一块半导体片或绝缘片上。每种集成电路都有它独特的作用。有一种用得最多的集成电路叫门电路。常用的门电路有与门、非门、与非门。
什么是与门电路
“门”顾名思义起开关作用。任何“门”的开放都是有条件的。例如.一名学生去买书包,只买既好看又给买的,那么他的家门只对“好看”与“结实”这两个条件同时具备的书包才开放。
门电路是起开关作用的集成电路。由于开放的条件不同,而分为与门、非门、与非门等等。
与门
我们先学习与门,在这之前请大家先看图1,懂得什么是高电位,什么是低电位。

图2甲是我们实验用的与用的与门,它有两个输入端A、B和一个输出端。图15-17乙是它连人电路中的情形,发光二极管是用来显示输出端的电位高低:输出端是高电位,二极管发光;输出端是低电位,二极管不发光。

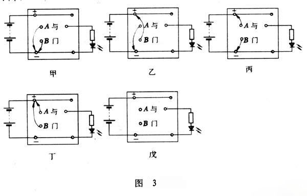
实验
照图3甲、乙、丙、丁的顺序做实验。图中由A、B引出的带箭头的弧线,表示把输入端接到高电位或低电位的导线。每次实验根据二极管是否发光,判定输出端电位的高低。

输入端着时,它的电位是高电位,照图3戊那样,让两输人端都空着,则输出瑞的电位是高电位,二极管发光。
可见,与门只在输入端A与输入端B都是高电位时,输出端才是高电位;输入端A、B只要有一个是低电位,或者两个都是低电位时,输出端也是低电位。输人端空着时,输出端是高电位。
与门的应用
图4是应用与门的基本电路,只有两个输入端A、B同低电位间的开关同时断开,A与B才同时是高电位,输出端也因而是高电位,用电器开始工作。

实验
照图5连接电路。图中输入端与低电位间连接的是常闭按钮开关,按压时断开,不压时接通。
观察电动机在什么情况下转动。
如果图5的两个常闭按钮开关分别装在汽车的前后门,图中的电动机是启动汽车内燃机的电动机,当车间关紧时常闭按钮开关才能被压开,那么这个电路可以保证只有两个车门都关紧时汽车才能开动。
什么是与门电路
“门”顾名思义起开关作用。任何“门”的开放都是有条件的。例如.一名学生去买书包,只买既好看又给买的,那么他的家门只对“好看”与“结实”这两个条件同时具备的书包才开放。
门电路是起开关作用的集成电路。由于开放的条件不同,而分为与门、非门、与非门等等。
与门
我们先学习与门,在这之前请大家先看图1,懂得什么是高电位,什么是低电位。

图2甲是我们实验用的与用的与门,它有两个输入端A、B和一个输出端。图15-17乙是它连人电路中的情形,发光二极管是用来显示输出端的电位高低:输出端是高电位,二极管发光;输出端是低电位,二极管不发光。

实验
照图3甲、乙、丙、丁的顺序做实验。图中由A、B引出的带箭头的弧线,表示把输入端接到高电位或低电位的导线。每次实验根据二极管是否发光,判定输出端电位的高低。

输入端着时,它的电位是高电位,照图3戊那样,让两输人端都空着,则输出瑞的电位是高电位,二极管发光。
可见,与门只在输入端A与输入端B都是高电位时,输出端才是高电位;输入端A、B只要有一个是低电位,或者两个都是低电位时,输出端也是低电位。输人端空着时,输出端是高电位。
与门的应用
图4是应用与门的基本电路,只有两个输入端A、B同低电位间的开关同时断开,A与B才同时是高电位,输出端也因而是高电位,用电器开始工作。

实验
照图5连接电路。图中输入端与低电位间连接的是常闭按钮开关,按压时断开,不压时接通。
观察电动机在什么情况下转动。
如果图5的两个常闭按钮开关分别装在汽车的前后门,图中的电动机是启动汽车内燃机的电动机,当车间关紧时常闭按钮开关才能被压开,那么这个电路可以保证只有两个车门都关紧时汽车才能开动。
- 电子变压器的演化(01-29)
- 几款经典电子管前级线路的特色(02-12)
- 几款经典电子管前级线路的特色(续)(02-12)
- 什么是真空管(02-07)
- 电子电度表电源设计(05-05)
- 电子元器件基础知识——电容(07-01)
