你的运放会振荡吗?
时间:06-09
来源:互联网
点击:
模拟设计师在设计放大器时花了很多功夫才使放大器能稳定工作,但在实际应用中又有许多情况会使这些放大器发生振荡。有许多种负载会使它们啸叫。没有正确设计的反馈网络可能导致它们不稳定。电源旁路电容不足也可能让它们不安分。最后,输入和输出自己可能振荡成单端口系统。本文将讨论引起振荡的一些常见原因以及相应的对策。
一些基本原理
图1a显示了一个非轨到轨放大器的框图。输入端控制gm模块,gm模块再驱动增益节点,最后经缓冲输出。补偿电容Cc是主要的频率响应元件。如果有接地引脚的话,Cc回路应该接到地。然而一般运放没有地,电容电流只能返回到一个或两个电源端。

图1a:典型的非轨到轨运放拓扑。
图1b是支持轨到轨输出的最简单放大器的框图。输入gm模块的输出电流经“电流耦合器”分成两路驱动电流到两个输出晶体管。频率响应主要取决于两个处于并联状态的Cc /2电容。以上两种拓扑描述了绝大多数使用外部反馈的运放。

图1b:典型的轨到轨运放拓扑。
图1c显示了理想放大器的频率响应,虽然它们在电气结构上有所区别,但具有相似的行为。由gm 和Cc形成的单极点补偿电路提供的单位增益带宽乘积频率GBF=gm/(2p Cc)。这些放大器的相位延迟从-180°降至GBF/Avol附近的-270°,其中Avol是开环放大器直流增益。对远高于这一低频的频率来说,相位维持在-270°。这就是有名的“主极点补偿”,其中Cc极点主导响应,并隐藏了有源电路的各种频率限制。

图1c:运放的理想化频率响应。
图2显示了LTC6268放大器的开环增益和相位响应与频率的关系。这是一款很小巧的500MHz放大器,支持轨到轨输出,并且只有3fA的偏置电流,是展示真实放大器行为的一个极好例子。主补偿电路的-90°相位延迟从大约0.1MHz开始,在约8MHz时达到-270°,但在30MHz以上将越过-270°。在实际应用中,由于额外的增益级和输出级电路,所有放大器除了基本的主补偿延迟外,都还有高频相位延迟。典型的额外相位延迟从大约GBF/10开始。

图2:LTC6268的增益和相位与频率的关系。
简言之,带反馈的稳定性关键在于环路增益和相位;或Avol乘以反馈因子,或环路增益。如果我们在单位增益配置中连接LTC6268,那么100%的输出电压将被反馈。在非常低频率时,输出是负输入的反相,或-180°相位延迟。补偿电路通过放大器再增加-90°延迟,使得负输入到输出具有-270°的延迟。当环路相位延迟增加到±360°或它的倍数并且环路增益至少是1V/V或0dB时将产生振荡。相位余量衡量的是当增益为1V/V或0dB时相位延迟离360°有多远。图2显示在130MHz时的相位余量约有70°(10pF红色曲线)。这是一个非常健康的数字;相位余量低至35°可能都是可用的。
另外一个较少讨论的主题是增益余量,虽然它与参数一样重要。当在某些高频点相位余量为零时,如果增益至少1V/V或0dB,那么放大器就会振荡。如图2所示,当相位减至0(或360°的倍数,或图中所示的-180°)时,1GHz附近的增益约为-24dB。这是一个非常小的增益。在这个频率点不会发生振荡。在实际使用中,一般至少需要4dB的增益余量。
非完全补偿放大器(Decompensated Amplifiers)
虽然LTEC6268在单位增益时非常稳定,但有些运放却有意做的不稳定。通过设计放大器补偿电路,使之只在更高闭环增益时才稳定,这样的设计权衡与单位增益补偿方法相比可以提供更高的压摆率、更宽的GBF和更低的输入噪声。图3显示了LT6230-10的开环增益和相位。该放大器主要用于反馈增益为10或更高的场合,因此反馈网络将至少衰减输出信号10倍。在使用这种反馈网络的条件下,我们寻找开环增益为10V/V或20dB时的频率,发现在50MHz时的相位余量为58°(±5V电源)。在单位增益时,相位余量只有0°左右,而且放大器会振荡。

图3:LT6230-10增益和相位与频率的关系。
观察发现,当闭环增益比最小稳定增益更高时,所有的放大器都将更加稳定。即使1.5的增益也会使单位增益稳定的放大器变得更加稳定得多。
反馈网络
就这个话题而言,反馈网络本身也可能引起振荡。注意图4中我们放了一个寄生电容与反馈分压电阻并联在一起。这是不可避免的。电路板上每个元件的每个端子都有约0.5pF的电容到地,而且还有走线的电容。在实际应用中,节点至少有2pF的电容,每英寸走线的电容大约也是2pF。因此很容易积累起5pF的寄生电容。考虑LTC6268提供+2的增益。为了节省功耗,我们将Rf和Rg值设为相当高的10kW。当Cpar= 4pF时,这个反馈网络在1/(2p*Rf||Rg*Cpar)或8MHz处有一个极点。

图4:加载反馈网络的寄生电容。
利用反馈网络相位延迟为–atan(f/8MHz)这个事实,我们可以估计环路360°延迟将发生在约35MHz时,此时放大器的延迟为-261°,反馈网络延迟为-79°。在这个相位和频率点,放大器仍有22dB的增益,而分压电阻增益是

= 0.1114 or -19dB。放大器的22dB增益乘上反馈网络-19dB增益可以得出在0°相位处的环路增益为+3dB,电路会发生振荡。因此必须减小与寄生电容一起发生作用的反馈电阻值,使反馈极点远离环路的单位增益频率。极点与GBF比值最好6倍以上。
运放输入本身可能呈很大的容性,模拟Cpar。特别是低噪声和低Vos放大器具有大的输入晶体管,其输入电容比其它放大器都要大,会加载它们的反馈网络。你需要查阅数据手册,看看与Cpar并联的电容还有多大。幸运的是,LT6268只有0.45pF,对这种低噪声放大器来说这是一个很小的值。带寄生参数的电路可以用运行在免费的LTspice 上面的凌力尔特宏模型进行仿真。
图5显示了使分压电阻更能容忍电容的方法。图5a显示了加入Rin后的同相放大器电路。假设Vin是一个低阻源(in ),Rin将有效地衰减反馈信号而不改变闭环增益。Rin还将降低分压器阻抗,提高反馈极点频率,并有望超过GBF。环路带宽将被Rin减小,输入偏移和噪声则被Rin放大。

图5a:减小Cpar效应的方法;增加了Rin的同相放大器电路。
图5b显示了反相配置。Rg同样执行环路衰减同时又不改变闭环增益。在这种情况下,输入阻抗不会因“Rg”而改变,但噪声、偏移和带宽会变糟。

图5b:减小Cpar效应的方法;反相配置。
图5c显示了补偿同相放大器中Cpar的优选方法。如果我们设置Cf* Rf = Cpar * Rg,我们就有一个“经过补偿的衰减器”,反馈分压器也就在所有频率点都有相同的衰减,从而解决了Cpar问题。产品的失配将在放大器的通带中造成“突起”,在响应中造成“骨架”,也即低频响应是平坦的,但改变到了围绕f = 1/2p* Cpar * Rg的另一个平台。图5d显示了用于反相放大器的Cpar等效补偿电路。需要分析频率响应,找出正确的Cf,而放大器带宽就是分析的一个部分。

图5c:减小Cpar效应的方法;补偿同相放大器中Cpar的优选方法。

图5d:减小Cpar效应的方法;针对反相放大器的等效Cpar补偿电路。
这里顺序列出了对电流反馈放大器(CFA)的一些评论。如果图5a中的放大器是CFA,那么“Rin ”对修改频率响应没有多大作用,因为负输入具有很小的阻抗,是正输入的完全拷贝。噪声则有些变差,而且会发生额外的负输入偏置电流Vos/ Rin。同样,图5b所示电路的频率响应不会被“Rg ”改变。反相输入不只是一个虚拟地,它到地有一个真正很低的阻抗,并且已经容忍Cpar (仅反相模式!)。直流误差类似于图5a所示误差。图5c和5d是电压输入运放的首选,只是CFA不能容忍直接反馈电容而不发生振荡。
负载问题
就像反馈电容可能侵蚀相位余量一样,它也会加载电容。图6显示了在一些增益设置条件下LTC6268输出阻抗与频率的关系。注意,单位增益输出阻抗要低于更高增益的阻抗。完整反馈允许开环增益减小放大器的固有输出阻抗。这样,图6中增益为10的输出阻抗一般要高出单位增益结果10倍。反馈衰减器会降低环路增益使之到1/10值,否则会减小闭环输出阻抗。开环输出阻抗约30W,从增益100曲线高频区的平坦部分很容易看出来。在从大约增益带频率/100到增益带宽频率的这段区域中,基本上没有足够的环路增益可减小开环输出阻抗。

图6:LTC6268在三种增益条件下输出阻抗与频率的关系。
电容负载将和开环输出阻抗一起导致相位和幅度延迟。举例来说,50pF负载和LTC6268 30Ω输出阻抗一起将在106MHz点生成另一个极点,此时输出具有-45°的相位延迟和-3dB的衰减。在这个频率点,放大器具有-295°的相位和10dB的增益。假设是单位增益反馈,那就不完全能发生振荡,因为相位没有使延迟达到±360°(在106MHz处)。然而在150MHz点,放大器有305°的延迟和5dB的增益。输出极点的相位是–atan(150MHz/106MHz) = -55°,增益是

= 0.577 或-4.8dB。乘上环路增益,可以得到360°和+0.2dB增益,再次振荡。50pF似乎是迫使LTC6268振荡的最小负载电容。
防止负载电容造成振荡的最常见方法是在反馈连接之后串联一个小值电阻。10Ω到50Ω的阻值可以限制电容负载可能引起的相位延迟,并在很高速度时将放大器与低电容阻抗隔离开来。缺点包括取决于负载电阻特性的直流和低频误差,电容负载上受限的频率响应,以及如果负载电容随电压变化而变化时引起的信号失真。
由负载电容造成的振荡一般可以通过提高放大器闭环增益进行阻止。以更高的闭环增益运行放大器意味着反馈衰减器也会衰减环路相位为±360°的频率点的环路增益。举例来说,如果我们使用闭环增益为+10的LTC6268,我们可以看到放大器在40MHz时的增益为10V/V或20dB,这时的相位延迟为285°。为了激起振荡,我们需要一个输出极点,这会造成额外75°的延迟。我们可以通过使用-75° = -atan(40MHz/Fpole) → Fpole = 10.6MHz得到这个输出极点。这个极点频率来自500pF的负载电容和30pΩ的输出阻抗。
输出极点增益是

0.026。在未加载开环增益为10时,在振荡频率点的环路增益为0.26,因此这次没有发生振荡,至少没有发生由简单输出极点造成的振荡。这样,我们就通过提高闭环增益将可以忍受的负载电容从50pF增加到了500pF。
未端接的传输线也是很不好的负载,因为它们呈现疯狂地随频率重复的阻抗和相位变化(见图7中未端接9英寸电缆的阻抗)。如果放大器可以在一个低频谐振点安全地驱动电缆,那么随着自己相位余量的减少,它就很可能在某个更高的频率点振荡。如果电缆必须无端接,那么与输出串联的“后匹配”电阻可以隔离电缆的基本阻抗变化。另外,即使来自电缆未端接末端的瞬时反射返回放大器,后匹配电阻如果其值匹配电缆特征阻抗的话也能正确地吸收这个能量。如果后匹配电阻不匹配电缆阻抗,一些能量将从放大器和终端反射回未端接末端。当能量到达末端时,又会再次高效地返回放大器,因此就有了一连串来回反弹的脉冲,只是每反弹一次都会有所减弱。

图7:未端接同轴电缆的阻抗和相位。
图8显示了一个更加完整的输出阻抗模型。其中Rout项与LTC6268中讨论的一样是30Ω,并且我们还增加了Lout这一项。这是物理电感和电气等效电感组合成的一个项。物理封装、绑定线和外部电感可增加5至15nH,封装越小电感量也越小。另外,对任何放大器来说都有一个电气上产生的20-70nH范围的电感,特别是采用双极性器件。输出晶体管的寄生基极电阻被器件的有限Ft转换为了电感。

图8:放大器输出阻抗的电感部分。
危险在于Lout可能与CL发生相互作用并形成一个串联谐振调谐电路,该电路的阻抗可能跌至环路和潜在振荡之内没有更多相位延迟的话Rout将无法驱动的水平。例如,设Lout = 60nH和CL = 50pF。谐振频率是

92MHz,完全在LTC6268的通带内。这种串联谐振电路会有效地加载谐振点的输出,极大地改变谐振点附近的环路相位。遗憾的是,Lout在放大器数据手册中一般不会提到,但有时可以在开环输出阻抗图中看到它的影响。一般来说,这种影响对于带宽在50MHz以下的放大器来说不是很重要。
图9显示了一种解决方案。Rsnub 和Csnub形成所谓的“阻尼器”,它的目标是降低谐振电路的Q值,以便放大器输出端不会形成很低的谐振阻抗。Rsnub一般在谐振点的CL电抗处取值,在本例中为-j35Ω,以便将输出谐振电路的Q值拉低至1左右。Csnub经调整要在输出谐振频率点完全插入Rsnub,也就是Csnub 的电抗成份snub =10* CL很实用。Csnub可在中低频时特别是直流时卸载放大器。如果Csnub非常大,那么放大器在中频或低频时将因Rsnub而加重负载,增益精度、闭环带宽和失真可能变差。不管怎样,只需少量调整,这个阻尼器对改进电抗负载而言就是非常有用的,但它必须凭经验进行调整。

图9:使用输出阻尼器。
电流反馈放大器的负输入实际上是一个缓冲器输出,也会有图8所示的串联特性。因此它自己就可能在Cpar的作用下振荡,就像输出端一样。应设法减小Cpar和任何相关的电感。遗憾的是,负输入端的阻尼器会修改闭环增益与频率的关系,因此不是很有用。
奇怪的阻抗
许多放大器在高频时都呈现出输入阻抗怪事。两个输入晶体管串联的放大器更是如此,就像达林顿管那样。许多放大器的输入端都有一个npn/pnp晶体管对,其频率方面的行为与达林顿管非常相似。在远大于GBF的频率点,输入阻抗的实数部分会变负值。电抗性源阻抗将与输入电容和电路板电容一起谐振,而负的实数分量将加剧振荡。当从未端接电缆驱动时,这也可以允许在许多重复性的频率点振荡。如果输入端不可避免使用长电感线,可以用一连串吸能电阻分段,或在放大器输入脚安装一个中等阻抗的阻尼器(约300Ω)。
电源
需要考虑的最后一个振荡源是电源旁路电容。图10显示了一部分输出电路。Lvs+和Lvs-是封装、IC绑定线、旁路电容物理长度(跟任何导体一样也是电感性质)以及电路板走线电感串联起来的必不可少的电感。另外包含在内的还有将局部旁路电容与电源总线余下部分(如果不是电源层的话)连接在一起的外部电感。虽然3-10nH看起来不多,但在200MHz时也有3.8到j12Ω。如果输出晶体管传导的是大的高频输出电流,那么在电源电感上将产生压降。

图10:电源旁路电容细节。
放大器的其余部分需要安静无干扰的电源,因为一定频率之上它就不能抑制电源了。在图11中我们可以看到LTC6268在不同频率处的电源抑制比(PSRR)。因为补偿电容与所有没有接地引脚的运放中的电源有关,它们会将电源噪声耦合进放大器,gm必须能够消除这个噪声。由于补偿的原因,PSRR可以减小1/f,过了130MHz后电源抑制实际上变成了增益。

图11:LTC6268电源抑制比与频率的关系。
由于在200MHz时PSRR表现为增益,输出电流会干扰LV电感内的电源电压,并通过PSRR放大变成强大的放大器信号,进而驱动输出电流,形成内部供电信号等,并致使放大器振荡。这是为何所有放大器电源必须仔细用低电感走线和元件旁路的原因。另外,电源旁路电容必须比任何负载电容大得多。
如果我们考虑500MHz左右的频率,那么3-10nH将变成j9.4Ω至j31.4Ω。这么高的值足够让输出晶体管独自在其电感和IC元件电容内振荡,特别是在晶体管gm和带宽增加形成更大输出电流时。由于今天的半导体制造工艺采用的晶体管带宽非常高,所以需要特别注意,至少在大输出电流时。
本文小结
总之,设计师需要考虑与每个运放端子以及负载自然特性相关的寄生电容和电感。通常所设计的放大器在标称环境中是非常稳定的,但每种应用需要自己去分析。
一些基本原理
图1a显示了一个非轨到轨放大器的框图。输入端控制gm模块,gm模块再驱动增益节点,最后经缓冲输出。补偿电容Cc是主要的频率响应元件。如果有接地引脚的话,Cc回路应该接到地。然而一般运放没有地,电容电流只能返回到一个或两个电源端。

图1a:典型的非轨到轨运放拓扑。
图1b是支持轨到轨输出的最简单放大器的框图。输入gm模块的输出电流经“电流耦合器”分成两路驱动电流到两个输出晶体管。频率响应主要取决于两个处于并联状态的Cc /2电容。以上两种拓扑描述了绝大多数使用外部反馈的运放。

图1b:典型的轨到轨运放拓扑。
图1c显示了理想放大器的频率响应,虽然它们在电气结构上有所区别,但具有相似的行为。由gm 和Cc形成的单极点补偿电路提供的单位增益带宽乘积频率GBF=gm/(2p Cc)。这些放大器的相位延迟从-180°降至GBF/Avol附近的-270°,其中Avol是开环放大器直流增益。对远高于这一低频的频率来说,相位维持在-270°。这就是有名的“主极点补偿”,其中Cc极点主导响应,并隐藏了有源电路的各种频率限制。

图1c:运放的理想化频率响应。
图2显示了LTC6268放大器的开环增益和相位响应与频率的关系。这是一款很小巧的500MHz放大器,支持轨到轨输出,并且只有3fA的偏置电流,是展示真实放大器行为的一个极好例子。主补偿电路的-90°相位延迟从大约0.1MHz开始,在约8MHz时达到-270°,但在30MHz以上将越过-270°。在实际应用中,由于额外的增益级和输出级电路,所有放大器除了基本的主补偿延迟外,都还有高频相位延迟。典型的额外相位延迟从大约GBF/10开始。

图2:LTC6268的增益和相位与频率的关系。
简言之,带反馈的稳定性关键在于环路增益和相位;或Avol乘以反馈因子,或环路增益。如果我们在单位增益配置中连接LTC6268,那么100%的输出电压将被反馈。在非常低频率时,输出是负输入的反相,或-180°相位延迟。补偿电路通过放大器再增加-90°延迟,使得负输入到输出具有-270°的延迟。当环路相位延迟增加到±360°或它的倍数并且环路增益至少是1V/V或0dB时将产生振荡。相位余量衡量的是当增益为1V/V或0dB时相位延迟离360°有多远。图2显示在130MHz时的相位余量约有70°(10pF红色曲线)。这是一个非常健康的数字;相位余量低至35°可能都是可用的。
另外一个较少讨论的主题是增益余量,虽然它与参数一样重要。当在某些高频点相位余量为零时,如果增益至少1V/V或0dB,那么放大器就会振荡。如图2所示,当相位减至0(或360°的倍数,或图中所示的-180°)时,1GHz附近的增益约为-24dB。这是一个非常小的增益。在这个频率点不会发生振荡。在实际使用中,一般至少需要4dB的增益余量。
非完全补偿放大器(Decompensated Amplifiers)
虽然LTEC6268在单位增益时非常稳定,但有些运放却有意做的不稳定。通过设计放大器补偿电路,使之只在更高闭环增益时才稳定,这样的设计权衡与单位增益补偿方法相比可以提供更高的压摆率、更宽的GBF和更低的输入噪声。图3显示了LT6230-10的开环增益和相位。该放大器主要用于反馈增益为10或更高的场合,因此反馈网络将至少衰减输出信号10倍。在使用这种反馈网络的条件下,我们寻找开环增益为10V/V或20dB时的频率,发现在50MHz时的相位余量为58°(±5V电源)。在单位增益时,相位余量只有0°左右,而且放大器会振荡。

图3:LT6230-10增益和相位与频率的关系。
观察发现,当闭环增益比最小稳定增益更高时,所有的放大器都将更加稳定。即使1.5的增益也会使单位增益稳定的放大器变得更加稳定得多。
反馈网络
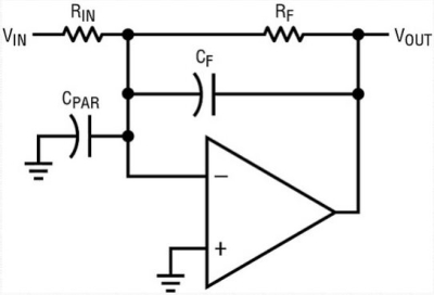
就这个话题而言,反馈网络本身也可能引起振荡。注意图4中我们放了一个寄生电容与反馈分压电阻并联在一起。这是不可避免的。电路板上每个元件的每个端子都有约0.5pF的电容到地,而且还有走线的电容。在实际应用中,节点至少有2pF的电容,每英寸走线的电容大约也是2pF。因此很容易积累起5pF的寄生电容。考虑LTC6268提供+2的增益。为了节省功耗,我们将Rf和Rg值设为相当高的10kW。当Cpar= 4pF时,这个反馈网络在1/(2p*Rf||Rg*Cpar)或8MHz处有一个极点。

图4:加载反馈网络的寄生电容。
利用反馈网络相位延迟为–atan(f/8MHz)这个事实,我们可以估计环路360°延迟将发生在约35MHz时,此时放大器的延迟为-261°,反馈网络延迟为-79°。在这个相位和频率点,放大器仍有22dB的增益,而分压电阻增益是

= 0.1114 or -19dB。放大器的22dB增益乘上反馈网络-19dB增益可以得出在0°相位处的环路增益为+3dB,电路会发生振荡。因此必须减小与寄生电容一起发生作用的反馈电阻值,使反馈极点远离环路的单位增益频率。极点与GBF比值最好6倍以上。
运放输入本身可能呈很大的容性,模拟Cpar。特别是低噪声和低Vos放大器具有大的输入晶体管,其输入电容比其它放大器都要大,会加载它们的反馈网络。你需要查阅数据手册,看看与Cpar并联的电容还有多大。幸运的是,LT6268只有0.45pF,对这种低噪声放大器来说这是一个很小的值。带寄生参数的电路可以用运行在免费的LTspice 上面的凌力尔特宏模型进行仿真。
图5显示了使分压电阻更能容忍电容的方法。图5a显示了加入Rin后的同相放大器电路。假设Vin是一个低阻源(in ),Rin将有效地衰减反馈信号而不改变闭环增益。Rin还将降低分压器阻抗,提高反馈极点频率,并有望超过GBF。环路带宽将被Rin减小,输入偏移和噪声则被Rin放大。

图5a:减小Cpar效应的方法;增加了Rin的同相放大器电路。
图5b显示了反相配置。Rg同样执行环路衰减同时又不改变闭环增益。在这种情况下,输入阻抗不会因“Rg”而改变,但噪声、偏移和带宽会变糟。

图5b:减小Cpar效应的方法;反相配置。
图5c显示了补偿同相放大器中Cpar的优选方法。如果我们设置Cf* Rf = Cpar * Rg,我们就有一个“经过补偿的衰减器”,反馈分压器也就在所有频率点都有相同的衰减,从而解决了Cpar问题。产品的失配将在放大器的通带中造成“突起”,在响应中造成“骨架”,也即低频响应是平坦的,但改变到了围绕f = 1/2p* Cpar * Rg的另一个平台。图5d显示了用于反相放大器的Cpar等效补偿电路。需要分析频率响应,找出正确的Cf,而放大器带宽就是分析的一个部分。

图5c:减小Cpar效应的方法;补偿同相放大器中Cpar的优选方法。

图5d:减小Cpar效应的方法;针对反相放大器的等效Cpar补偿电路。
这里顺序列出了对电流反馈放大器(CFA)的一些评论。如果图5a中的放大器是CFA,那么“Rin ”对修改频率响应没有多大作用,因为负输入具有很小的阻抗,是正输入的完全拷贝。噪声则有些变差,而且会发生额外的负输入偏置电流Vos/ Rin。同样,图5b所示电路的频率响应不会被“Rg ”改变。反相输入不只是一个虚拟地,它到地有一个真正很低的阻抗,并且已经容忍Cpar (仅反相模式!)。直流误差类似于图5a所示误差。图5c和5d是电压输入运放的首选,只是CFA不能容忍直接反馈电容而不发生振荡。
负载问题
就像反馈电容可能侵蚀相位余量一样,它也会加载电容。图6显示了在一些增益设置条件下LTC6268输出阻抗与频率的关系。注意,单位增益输出阻抗要低于更高增益的阻抗。完整反馈允许开环增益减小放大器的固有输出阻抗。这样,图6中增益为10的输出阻抗一般要高出单位增益结果10倍。反馈衰减器会降低环路增益使之到1/10值,否则会减小闭环输出阻抗。开环输出阻抗约30W,从增益100曲线高频区的平坦部分很容易看出来。在从大约增益带频率/100到增益带宽频率的这段区域中,基本上没有足够的环路增益可减小开环输出阻抗。

图6:LTC6268在三种增益条件下输出阻抗与频率的关系。
电容负载将和开环输出阻抗一起导致相位和幅度延迟。举例来说,50pF负载和LTC6268 30Ω输出阻抗一起将在106MHz点生成另一个极点,此时输出具有-45°的相位延迟和-3dB的衰减。在这个频率点,放大器具有-295°的相位和10dB的增益。假设是单位增益反馈,那就不完全能发生振荡,因为相位没有使延迟达到±360°(在106MHz处)。然而在150MHz点,放大器有305°的延迟和5dB的增益。输出极点的相位是–atan(150MHz/106MHz) = -55°,增益是

= 0.577 或-4.8dB。乘上环路增益,可以得到360°和+0.2dB增益,再次振荡。50pF似乎是迫使LTC6268振荡的最小负载电容。
防止负载电容造成振荡的最常见方法是在反馈连接之后串联一个小值电阻。10Ω到50Ω的阻值可以限制电容负载可能引起的相位延迟,并在很高速度时将放大器与低电容阻抗隔离开来。缺点包括取决于负载电阻特性的直流和低频误差,电容负载上受限的频率响应,以及如果负载电容随电压变化而变化时引起的信号失真。
由负载电容造成的振荡一般可以通过提高放大器闭环增益进行阻止。以更高的闭环增益运行放大器意味着反馈衰减器也会衰减环路相位为±360°的频率点的环路增益。举例来说,如果我们使用闭环增益为+10的LTC6268,我们可以看到放大器在40MHz时的增益为10V/V或20dB,这时的相位延迟为285°。为了激起振荡,我们需要一个输出极点,这会造成额外75°的延迟。我们可以通过使用-75° = -atan(40MHz/Fpole) → Fpole = 10.6MHz得到这个输出极点。这个极点频率来自500pF的负载电容和30pΩ的输出阻抗。
输出极点增益是

0.026。在未加载开环增益为10时,在振荡频率点的环路增益为0.26,因此这次没有发生振荡,至少没有发生由简单输出极点造成的振荡。这样,我们就通过提高闭环增益将可以忍受的负载电容从50pF增加到了500pF。
未端接的传输线也是很不好的负载,因为它们呈现疯狂地随频率重复的阻抗和相位变化(见图7中未端接9英寸电缆的阻抗)。如果放大器可以在一个低频谐振点安全地驱动电缆,那么随着自己相位余量的减少,它就很可能在某个更高的频率点振荡。如果电缆必须无端接,那么与输出串联的“后匹配”电阻可以隔离电缆的基本阻抗变化。另外,即使来自电缆未端接末端的瞬时反射返回放大器,后匹配电阻如果其值匹配电缆特征阻抗的话也能正确地吸收这个能量。如果后匹配电阻不匹配电缆阻抗,一些能量将从放大器和终端反射回未端接末端。当能量到达末端时,又会再次高效地返回放大器,因此就有了一连串来回反弹的脉冲,只是每反弹一次都会有所减弱。

图7:未端接同轴电缆的阻抗和相位。
图8显示了一个更加完整的输出阻抗模型。其中Rout项与LTC6268中讨论的一样是30Ω,并且我们还增加了Lout这一项。这是物理电感和电气等效电感组合成的一个项。物理封装、绑定线和外部电感可增加5至15nH,封装越小电感量也越小。另外,对任何放大器来说都有一个电气上产生的20-70nH范围的电感,特别是采用双极性器件。输出晶体管的寄生基极电阻被器件的有限Ft转换为了电感。

图8:放大器输出阻抗的电感部分。
危险在于Lout可能与CL发生相互作用并形成一个串联谐振调谐电路,该电路的阻抗可能跌至环路和潜在振荡之内没有更多相位延迟的话Rout将无法驱动的水平。例如,设Lout = 60nH和CL = 50pF。谐振频率是

92MHz,完全在LTC6268的通带内。这种串联谐振电路会有效地加载谐振点的输出,极大地改变谐振点附近的环路相位。遗憾的是,Lout在放大器数据手册中一般不会提到,但有时可以在开环输出阻抗图中看到它的影响。一般来说,这种影响对于带宽在50MHz以下的放大器来说不是很重要。
图9显示了一种解决方案。Rsnub 和Csnub形成所谓的“阻尼器”,它的目标是降低谐振电路的Q值,以便放大器输出端不会形成很低的谐振阻抗。Rsnub一般在谐振点的CL电抗处取值,在本例中为-j35Ω,以便将输出谐振电路的Q值拉低至1左右。Csnub经调整要在输出谐振频率点完全插入Rsnub,也就是Csnub 的电抗成份snub =10* CL很实用。Csnub可在中低频时特别是直流时卸载放大器。如果Csnub非常大,那么放大器在中频或低频时将因Rsnub而加重负载,增益精度、闭环带宽和失真可能变差。不管怎样,只需少量调整,这个阻尼器对改进电抗负载而言就是非常有用的,但它必须凭经验进行调整。

图9:使用输出阻尼器。
电流反馈放大器的负输入实际上是一个缓冲器输出,也会有图8所示的串联特性。因此它自己就可能在Cpar的作用下振荡,就像输出端一样。应设法减小Cpar和任何相关的电感。遗憾的是,负输入端的阻尼器会修改闭环增益与频率的关系,因此不是很有用。
奇怪的阻抗
许多放大器在高频时都呈现出输入阻抗怪事。两个输入晶体管串联的放大器更是如此,就像达林顿管那样。许多放大器的输入端都有一个npn/pnp晶体管对,其频率方面的行为与达林顿管非常相似。在远大于GBF的频率点,输入阻抗的实数部分会变负值。电抗性源阻抗将与输入电容和电路板电容一起谐振,而负的实数分量将加剧振荡。当从未端接电缆驱动时,这也可以允许在许多重复性的频率点振荡。如果输入端不可避免使用长电感线,可以用一连串吸能电阻分段,或在放大器输入脚安装一个中等阻抗的阻尼器(约300Ω)。
电源
需要考虑的最后一个振荡源是电源旁路电容。图10显示了一部分输出电路。Lvs+和Lvs-是封装、IC绑定线、旁路电容物理长度(跟任何导体一样也是电感性质)以及电路板走线电感串联起来的必不可少的电感。另外包含在内的还有将局部旁路电容与电源总线余下部分(如果不是电源层的话)连接在一起的外部电感。虽然3-10nH看起来不多,但在200MHz时也有3.8到j12Ω。如果输出晶体管传导的是大的高频输出电流,那么在电源电感上将产生压降。

图10:电源旁路电容细节。
放大器的其余部分需要安静无干扰的电源,因为一定频率之上它就不能抑制电源了。在图11中我们可以看到LTC6268在不同频率处的电源抑制比(PSRR)。因为补偿电容与所有没有接地引脚的运放中的电源有关,它们会将电源噪声耦合进放大器,gm必须能够消除这个噪声。由于补偿的原因,PSRR可以减小1/f,过了130MHz后电源抑制实际上变成了增益。

图11:LTC6268电源抑制比与频率的关系。
由于在200MHz时PSRR表现为增益,输出电流会干扰LV电感内的电源电压,并通过PSRR放大变成强大的放大器信号,进而驱动输出电流,形成内部供电信号等,并致使放大器振荡。这是为何所有放大器电源必须仔细用低电感走线和元件旁路的原因。另外,电源旁路电容必须比任何负载电容大得多。
如果我们考虑500MHz左右的频率,那么3-10nH将变成j9.4Ω至j31.4Ω。这么高的值足够让输出晶体管独自在其电感和IC元件电容内振荡,特别是在晶体管gm和带宽增加形成更大输出电流时。由于今天的半导体制造工艺采用的晶体管带宽非常高,所以需要特别注意,至少在大输出电流时。
本文小结
总之,设计师需要考虑与每个运放端子以及负载自然特性相关的寄生电容和电感。通常所设计的放大器在标称环境中是非常稳定的,但每种应用需要自己去分析。
放大器 电容 电流 电路 电压 LTE 电阻 凌力尔特 仿真 电感 总线 半导体 相关文章:
- 使用简化电路的高压放大器(11-21)
- 无需调谐的“砖墙式”低通音频滤波器(11-20)
- 对数放大器的技术指标(11-26)
- 一种增大放大器增益的方法(11-28)
- 对数放大器的典型应用 (11-26)
- AGC中频放大器的设计 (11-29)
