JESD204B转换器内确定性延迟解密
时间:12-15
来源:互联网
点击:
对于需要一系列同步模数转换器(ADC)的高速信号采样和处理应用,转换器具有去相位偏移和匹配延迟变化的能力至关重要。围绕该特性展开的系统设计极为关键,因为从模拟采样点到处理模块之间的任何延迟失配都会使性能下降。对于交织处理而言,样本对齐同样必需,其中,一个转换器样本超前另一个样本一小部分时钟周期。
JESD204B第三代高速串行转换器接口的一个重要特性是,它能够确立系统中每个转换器的确定性延迟。正确理解并利用该特性,便可在单系统中针对多个ADC创建同步或交织采样系统。
由于确定性延迟是相对较新的转换器接口特性,系统设计人员经常在如何建立该特性、目标信号,以及如何针对同步或交织处理实现该特性等方面存有诸多疑问。下文将针对多个JESD204B转换器与FPGA一同采样,并具有确定性延迟的系统设计的一些常见问题进行解答。
什么是确定性延迟,它在JESD204B中是如何定义的?
JESD204B链路的确定性延迟定义为串行数据从发送器(ADC或源端FPGA)的并行帧数据输入传播至接收器(DAC或接收端FPGA)并行去帧数据输出所需的时间。该时间通常以帧时钟周期的精度或以器件时钟进行测量。
JESD204B的确定性延迟规格没有考虑到ADC模拟前端内核或DAC后端模拟内核的情况,它只基于输入和输出JESD204B数字帧的数据。不仅两个有源器件在这种延迟计算中作为函数使用,与两个器件接口的空间信号路由也将作为函数参与计算。这意味着,在多转换器系统中,每条链路的确定性延迟可能较大或较小,这具体取决于JESD204B通道路由的空间长度及其各自的延迟情况。接收器的缓冲器延迟有助于弥补路由造成的延迟差异(图1)。

图1:两个JESD204B器件之间的确定性延迟取决于三个方面:发送器成帧器到输出端的延迟、空间路由延迟和输入端到解帧器的接收器延迟。来自同一个系统中两个不同ADC的数据可能各自具有独特的确定性延迟。
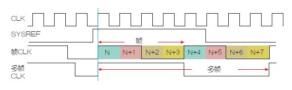
与简单的串行链路配置不同—比如低压差分信号(LVDS)—JESD204B接口将数据样本打包为定义帧。几个或多个样本的每一个帧边界在链路握手或初始通道对齐序列(ILAS)阶段均由来自发送器的特殊控制字符标记。更大的已定义帧群—称为多帧—在ILAS阶段同样采用相应的控制字符标记。但是,该序列完成后便不再需要控制字符,并且可以获取链路的全带宽。帧边界和多帧边界分别与帧时钟和多帧时钟重合。
JESD204B子类对于确定性延迟意味着什么?
JESD204B协议的三个子类定义了链路的确定性延迟。子类0向后兼容JESD204和JESD204A,不支持确定性延迟。子类1通过使用称为SYSREF的系统参考信号支持确定性延迟。子类2通过对~SYNC信号的双重使用支持确定性延迟,并同样允许接收器初始化握手ILAS例程。将SYSREF与~SYNC相对于时钟精确对齐的能力决定了目标系统所需的子类。
确定性延迟如何用作多个转换器的采样对齐?
对于子类1转换器实现而言,帧时钟和多帧时钟将于出现系统参考边沿(SYSREF)时在每个器件内部对齐。当检测到SYSREF边沿时,这些时钟与该点时间对齐。由于这些时钟对每个器件而言都是内部的,它们在发送器内的边界可利用控制字符在串行链路上进行通信。
每个接收器可相对其自身同名时钟并相对所有发送器隐含解码发送器帧和多帧时钟布局。这使得接收器可以利用缓冲器延迟对较早到达的数据样本去偏移,从而与数据最后到达的链路相匹配(图2)。

图2:在JESD204B发送器内,样本于时钟锁存系统参考(SYSREF)边沿后对齐帧和多帧时钟。为直观起见,本文定义的多帧仅由8个样本组成。
对于同步采样而言,这些数据链路可在FPGA内按时间排列。对于交织采样而言,每个链路都能以其对应的相对相位延迟进行偏置。可通过测量从接收器多帧时钟边沿到每个对应链路的多帧控制字符的时间延迟,对每个链路的确定性延迟加以识别。此处需注意,每个链路的确定性延迟必须小于一个多帧时钟周期(图3)。

图3:利用缓冲器延迟,来自四个JESD204B发送器并以多帧形式出现的样本能与接收器中的多帧时钟对齐。
确定性延迟是否等同于总转换器延迟?
ADC的总延迟表示其输入一个模拟样本、处理并从器件输出数字信号所需的时间。类似地,DAC的总延迟表示从数字样本数据输入器件直到输出相应模拟样本的时间。通常,对这两者都以采样时钟周期的精度进行测量,因为它们与频率有关。它只是单个转换器器件内模拟处理架构函数的一部分。这在原理上与JESD204B链路实现中描述的确定性延迟的定义有所不同,该延迟是三个器件的函数。
对齐多个转换器的去偏移预算最大是多少?
在ILAS处理阶段,发送器发送多帧控制字符,标记多帧时钟边界。接收器识别这些字符,并创建自有局部多帧时钟,该时钟与上游链路的所有发送器对齐。对于采用多个接收器的大型阵列系统,多帧时钟同样需在所有这些器件中对齐。因此,任意转换器链路的确定性延迟都不可超过单个多帧时钟周期。这是链路上的总去偏移时间预算。
多帧时钟的持续时间通常为采样时钟周期的数十倍。它甚至还能通过设置参数变量,在链路握手期间调节为更长或更短。
该特性能否在ADC或DAC上正确对齐至同样的模拟采样点,或者有没有其他要求?
确定性延迟按照以JESD204B成帧器样本为顺序的时间点,提供样本对齐方式。除此时间之外,ADC还将具有更多延迟时钟周期,可用来处理来自JESD204B成帧器之前的前端模拟样本。转换器供应商必须指定该时间周期位于成帧器之前,长度为时钟长度。相反,解帧器处理样本并以模拟形式输出后,DAC将需要额外的时钟周期。
在有效模拟样本数据可用以前,对齐过程需多长时间?
SYSREF边沿发送至转换器和FPGA,将开启对齐过程。此事件后,需要完成多个多帧时钟周期以及ILAS序列,才能获取有效样本数据。这与许多采样时钟周期的相对时间等效。特定的持续时间可能取决于转换器内部JESD204B内核的特有确定性延迟,该数据由供应商提供。在该时间内,链路关断,不传输有效数据。在绝对时间内,持续时间将是采样时钟频率的函数。
对于系统设计而言,实现同步采样最大的挑战在哪里?
在子类1中,实现低至样本级的同步或交织处理所遇到的最大挑战之一是,能够在多个转换器中按序对齐SYSREF的使能边沿。此外,每个SYSREF边沿都要满足其对应采样时钟的建立和保持时间要求。这将消耗一部分可用的时序裕量。主动、独立地偏移SYSREF和时钟之间的精细相位将有助于实现转换器上的时序收敛。
SYSREF是单次事件还是重复事件?每种情况下分别需要了解什么?
SYSREF对齐边沿可以是单次脉冲、周期信号、带隙周期信号或重复非周期信号。它将根据系统的需要,以及源端的时钟与SYSREF之间的相位偏斜时序灵敏度而定。对于重复SYSREF信号而言,帧和多帧时钟将在每次事件发生时重新对齐。但是,由于目标是保持一组对齐的时钟,重复周期SYSREF信号的使能边沿应当在多帧时钟边界下降。由于时钟应当已经在第一个SYSREF边沿后对齐,因此这样可以防止不必要的重复对齐。
周期性SYSREF信号的一个不利影响就是可能会耦合至目标模拟信号。这便是为什么不建议始终采用周期信号,仅在万不得已时才使用它的原因。如果使用了周期性SYSREF,则必须仔细地将其与ADC模拟前端正确隔离。
SYSREF偏斜调节至单时钟周期以内的方法有哪些?
理想情况下,用于每个转换器和FPGA的SYSREF和时钟可精确路由,其时序裕量满足所有器件的苛刻建立时间和保持时间要求。但随着高性能转换器采样速度的不断增长,仅通过精密印刷电路板(PCB)路由已无法始终满足时序收敛要求。不同器件的引脚间差异以及电源和温度漂移会在高速转换器阵列上产生一个相对大的时序偏移。可能需要高级时序调节功能来提供主动SYSREF相位偏移。
例如,来自ADC的警报可以识别SYSREF边沿是否在建立和保持阻挡时序窗口中被锁存。如果确实如此,那么对于哪个时钟边沿(时钟[N]或时钟[N+1])用于时序参考将存在不确定性。取决于何处检测到SYSREF边沿,相对于SYSREF的采样CLK边沿相位在时钟源处可能存在延迟,以保持满足建立和保持时间要求的有效时序条件。
另一种方法是利用采样时钟的下一个下降沿(而非上升沿)来获取相位裕量的半周期。系统中的所有转换器均能以这种方式进行调整,前提是时钟源针对相应的SYSREF和CLK具有独立的相位调整(图4)。

图4:如需在高速下达到低至样本级的对齐性能,则满足相对于输入时钟的SYSREF的建立和保持时间要求可能有难度。能够在相位的早期阶段偏移每一个SYSREF输入以防建立时间出现偏差(相对于其CLK),有助于满足系统中多个转换器的时序收敛要求。
支持子类1和子类2的转换器需要使用确定性延迟功能吗?
如JESD204B规格定义,子类1和子类2是支持确定性延迟的仅有子类。在子类1中,SYSREF信号定义确定性延迟。在子类2中,~SYNC信号定义该延迟。但是,某些转换器供应商创建了子类0实现,用来支持样本对齐的同步方案。这种情况下将不使用转换器和FPGA之间的多帧时钟对齐步骤。
利用附加的辅助信息(称为控制位),可在样本级采用时间戳机制标记SYSREF的出现情况。与SYSREF边沿重合的每一个样本均以唯一控制位标记。在FPGA内,所有拥有此时间戳的链路可以延迟至等于最长路径然后互相对齐,与转换器之间的延迟差别无关(图5和图6)。

图5:利用SYSREF控制位时间戳,在一个FPGA处理模块内可实现子类0中的样本对齐,而与模拟输入到JESD204B输出之间的多个ADC上的实际延迟差异无关。

图6:利用附加的控制位作为触发器(红色,标记为与前端模拟输入重合),则FPGA可以对齐具有不同延迟的信号链样本。
总结
虽然确定性延迟是JESD204B中较为复杂的一项特性,但若善加利用,便可成为高性能信号处理系统设计中的一项强大特性。来自ADC阵列的样本可通过缓冲器延迟在FPGA内部对齐并去偏移,从而实现同步或交织采样。JESD204B子类识别对于理解系统的时序对齐能力非常重要。系统ADC的SYSREF和CLK输入引脚处的时序收敛对于实现样本的时间对齐而言极为关键。
ADC FPGA DAC 模拟前端 电路 PCB 相关文章:
- 12位串行A/D转换器MAX187的应用(10-06)
- 低功耗、3V工作电压、精度0.05% 的A/D变换器(10-09)
- 12位串行A/D转换器的原理及应用开发(10-09)
- 在射击探测器中增加口径确定功能的简单电路(11-13)
- 一种折叠共源共栅运算放大器的设计(11-20)
- 深入解析:模拟前端模/数转换器的三种类型 (11-26)
