将LED驱动器从31级调光增加到93级的方法
时间:10-26
来源:互联网
点击:
通过31级调光范围,现有LED驱动器能够提供良好的调光能力,从而为LCD显示屏提供平滑的背光增强或减弱效果。然而, 当终端应用涉及到较大的高端显示屏时,这样一个范围就可能不够了。特别是对于避免突兀的光亮度变化而言,有必要保持非常平滑的启动和关断,否则这种变化在LCD显示屏工作于较暗的环境中时就会被感知为脉冲光。为了消除这种视觉压力,需要更多的调光步骤,提供极低的启动序列。本文将阐述一种将现有LED驱动器从31级调光增加到93级的简单方法。
标准操作
通常来讲,发光二极管(LED)电流通过电流镜结构来监测,这种结构能够对流经LED的直流电流进行精确调节。电流不是由外部微控制器(MCU)就是由LED驱动器的内置逻辑来进行数字控制。对于逻辑电路产生的每一个步骤而言,电流增加(或减少,取决于终端用户选定的方向),LED的亮度就相应地变化。就这点而言,可以考虑两种光变化方法:要么是纯粹的线性曲线,要么是指数曲线。这两种方法各有其优缺点,但在选择何种曲线之前应该考虑人眼的感受。
从硅设计的角度讲,基本上线性曲线更为容易,但需要更多级(step)才能恰当地处理较小的光变化,特别是LED工作在低电流区域时。同样地,指数曲线集成到硅芯片中会较复杂,但需要的调光级较少,因为曲线的低端部分就能够在低端电流区域提供非常平滑的变化。考虑到人眼对光的反应,两相比较的结果就是指数曲线更适合,因为它会自动补偿人眼对光线感知的对数曲线。图1中的曲线说明了这种原理。

图1 典型的人眼感光度曲线
应用平滑的调光功能
凭借准指数形式的31级,安森美半导体的NCP5623将用作一个参考来描述高粒度的调光功能。基本上,这芯片含有一个电荷泵,用于产生给LED的足够电压,并含有三个独立的电流镜,用于精确地调节流经LED的直流正向电流。
峰值电流由IREF引脚产生的参考电流乘以2 N来设定,其中指数N是外部MCU所设定的级数:
ILED = [(Vref/R)×2600]/(32-N)
参考电压Vref由NCP5623的内部结构强制设定为600 mV,而电阻R连接Vref引脚和地。恒定系数2600是参考电流源和连接至LED的最后一个电流镜之间产生的内部比例。
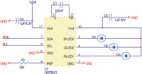
此外,31级脉宽调制(PWM)与每个LED都相关,可对每个LED的亮度进行单独控制。基本的工作如图2所示。

图2 NCP5623的基本工作示意图
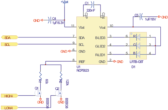
假设ILED峰值电流设定为25mA,第一级将使300μA(典型值)电流流经LED,使得零至ILED之间的变化对于人眼来说相对较为突兀,特别是在外界光亮度低的条件下。为了克服这一点,我们可以动态地降低参考电流,使得ILED变化较小:图3中所示的基本原理图阐释了这个业经证明的精确概念。HIGH-I和LOW-I这两位能由MCU结合起来动态地调节新的电流参考,从而产生新的ILED电流提供给LED。当然,如果这两位都是低电平,使参考电流变为零,那么就没有ILED流经LED。

图3 NCP5623参考电流的动态控制
另一种方法是利用现有PWM技术:将这个功能结合到单个LED中,就可在调光功能期间提供极宽的ILED电流变化。这个概念基于正常设置的ILED峰值电流等于将流至调光序列末端的预计总LED电流的三分之一。3个PWM将设定为串联形式,使工作期间的ILED变化较小。
这样一来的结果就是共有93个调光级,使用相同的准指数曲线来将ILED电流从零增加(或减小)至芯片中设定的最大ILED电流。假设最大ILED电流为15mA,NCP5623将设定为使每个输出电流为5mA,而第一级将使LED电流低于100mA,提供非常平滑的变化,而不会对人眼带来视觉压力。这序列将计算每个PWM的每一级,并启动下一个PWM,以增大流至LED的电流,使得计数器计数完成时产生设定的15 mA电流。图4所示的原理图阐述了应用于NCP5623的这个概念。
晶体管Q1用于补偿调光序列从一个PWM转至下一个PWM时产生的尖锋。基本上,电容C4区分电流镜输入引脚处出现的电压瞬态现象,通过强行施加一个短脉冲至外部电阻R3来降低参考电流IREF。

图4 高粒度调光功能
图5提供的曲线展示NCP5623在这种条件下的表现。它可以产生多达90级,得到平滑的上升过程,这样与人眼的感光度契合得很好。虽然蓝色曲线中有些点呈现出非光滑波形(主要是因为测量等级存在的误差),但多项式曲线(橙色)在调光级和ILED电流之间产生非常良好的契合关系。

图5 典型的NCP5623增强型渐进调光功能
结合图3中所描述的动态IREF控制功能和90级的序列,还有可能进一步提升曲线的平滑度。这里无需其它元件,只是需要软件程序来结合这两项机制。
结语
与动态可设定的参考电源源相关的嵌入式电流镜,使NCP5623能够在最终应用需要非常平滑调光时能处理超过90个调光级。此外,一种简单的软件程序提供180级的调光斜线扩展,使得系统在周围光照亮度极低的环境下能够产生极其平滑的曲线。
标准操作
通常来讲,发光二极管(LED)电流通过电流镜结构来监测,这种结构能够对流经LED的直流电流进行精确调节。电流不是由外部微控制器(MCU)就是由LED驱动器的内置逻辑来进行数字控制。对于逻辑电路产生的每一个步骤而言,电流增加(或减少,取决于终端用户选定的方向),LED的亮度就相应地变化。就这点而言,可以考虑两种光变化方法:要么是纯粹的线性曲线,要么是指数曲线。这两种方法各有其优缺点,但在选择何种曲线之前应该考虑人眼的感受。
从硅设计的角度讲,基本上线性曲线更为容易,但需要更多级(step)才能恰当地处理较小的光变化,特别是LED工作在低电流区域时。同样地,指数曲线集成到硅芯片中会较复杂,但需要的调光级较少,因为曲线的低端部分就能够在低端电流区域提供非常平滑的变化。考虑到人眼对光的反应,两相比较的结果就是指数曲线更适合,因为它会自动补偿人眼对光线感知的对数曲线。图1中的曲线说明了这种原理。

图1 典型的人眼感光度曲线
应用平滑的调光功能
凭借准指数形式的31级,安森美半导体的NCP5623将用作一个参考来描述高粒度的调光功能。基本上,这芯片含有一个电荷泵,用于产生给LED的足够电压,并含有三个独立的电流镜,用于精确地调节流经LED的直流正向电流。
峰值电流由IREF引脚产生的参考电流乘以2 N来设定,其中指数N是外部MCU所设定的级数:
ILED = [(Vref/R)×2600]/(32-N)
参考电压Vref由NCP5623的内部结构强制设定为600 mV,而电阻R连接Vref引脚和地。恒定系数2600是参考电流源和连接至LED的最后一个电流镜之间产生的内部比例。
此外,31级脉宽调制(PWM)与每个LED都相关,可对每个LED的亮度进行单独控制。基本的工作如图2所示。

图2 NCP5623的基本工作示意图
假设ILED峰值电流设定为25mA,第一级将使300μA(典型值)电流流经LED,使得零至ILED之间的变化对于人眼来说相对较为突兀,特别是在外界光亮度低的条件下。为了克服这一点,我们可以动态地降低参考电流,使得ILED变化较小:图3中所示的基本原理图阐释了这个业经证明的精确概念。HIGH-I和LOW-I这两位能由MCU结合起来动态地调节新的电流参考,从而产生新的ILED电流提供给LED。当然,如果这两位都是低电平,使参考电流变为零,那么就没有ILED流经LED。

图3 NCP5623参考电流的动态控制
另一种方法是利用现有PWM技术:将这个功能结合到单个LED中,就可在调光功能期间提供极宽的ILED电流变化。这个概念基于正常设置的ILED峰值电流等于将流至调光序列末端的预计总LED电流的三分之一。3个PWM将设定为串联形式,使工作期间的ILED变化较小。
这样一来的结果就是共有93个调光级,使用相同的准指数曲线来将ILED电流从零增加(或减小)至芯片中设定的最大ILED电流。假设最大ILED电流为15mA,NCP5623将设定为使每个输出电流为5mA,而第一级将使LED电流低于100mA,提供非常平滑的变化,而不会对人眼带来视觉压力。这序列将计算每个PWM的每一级,并启动下一个PWM,以增大流至LED的电流,使得计数器计数完成时产生设定的15 mA电流。图4所示的原理图阐述了应用于NCP5623的这个概念。
晶体管Q1用于补偿调光序列从一个PWM转至下一个PWM时产生的尖锋。基本上,电容C4区分电流镜输入引脚处出现的电压瞬态现象,通过强行施加一个短脉冲至外部电阻R3来降低参考电流IREF。

图4 高粒度调光功能
图5提供的曲线展示NCP5623在这种条件下的表现。它可以产生多达90级,得到平滑的上升过程,这样与人眼的感光度契合得很好。虽然蓝色曲线中有些点呈现出非光滑波形(主要是因为测量等级存在的误差),但多项式曲线(橙色)在调光级和ILED电流之间产生非常良好的契合关系。

图5 典型的NCP5623增强型渐进调光功能
结合图3中所描述的动态IREF控制功能和90级的序列,还有可能进一步提升曲线的平滑度。这里无需其它元件,只是需要软件程序来结合这两项机制。
结语
与动态可设定的参考电源源相关的嵌入式电流镜,使NCP5623能够在最终应用需要非常平滑调光时能处理超过90个调光级。此外,一种简单的软件程序提供180级的调光斜线扩展,使得系统在周围光照亮度极低的环境下能够产生极其平滑的曲线。
LED LCD 二极管 电流 MCU 电路 半导体 电压 电阻 PWM 电容 嵌入式 相关文章:
- 为手持设备的被动式OLED显示器供电(11-25)
- 选择用于无线产品的LED驱动 (11-25)
- 利用EL7516作为高效、高电流的白光LED驱动器 (11-29)
- 背光驱动电路的选择策略和应用介绍(01-09)
- 改善 PWM 电源控制器低负载运行的缓冲放大器和 LED(01-16)
- 手机白光LED驱动电路解决方案分析(01-10)
