电路笔记:RF至位解决方案可提供6 GHz信号的精密相位和幅度数据
时间:05-07
来源:互联网
点击:
连接/参考器件
连接/参考器件
ADL5380
400 MHz至6,000 MHz正交解调器
ADA4940-2
超低功耗、低失真ADC驱动器
AD7903
双通道、差分、16位、1 MSPS PulSAR 12.0 MW ADC
ADR435
超低噪声XFET 5.0 V基准电压源,具有吸电流和源电流能力
评估和设计支持
电路评估板
ADL5380评估板(ADL5380-EVALZ)
ADA4940-2评估板(ADA4940-2ACP-EBZ)
AD7903评估板(EVAL-AD7903SDZ)
系统演示平台(EVAL-SDP-CB1Z)
电路功能与优势
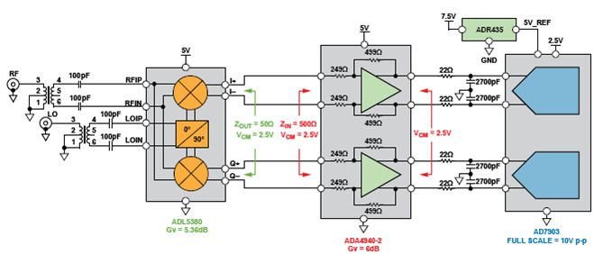
图1中的电路可精确地将400 MHz至6 GHz RF输入信号转换为相应的数字幅度和数字相位。 该信号链可实现0°到360°相位测量,900 MHz时精度为1°。 该电路采用一个高性能正交解调器、一个双通道差分放大器以及一个双通道、差分、16位、1 MSPS逐次逼近型模数转换器(SAR ADC)。

图1. 用于幅度和相位测量的简化接收器子系统(未显示所有连接和去耦)
电路描述
正交解调器
正交解调器提供一个同相(I)信号和一个正好反相90°的正交(Q)信号。 I和Q信号为矢量,因此,可以用三角恒等式计算接收信号的幅度和相移,如图2所示。 本振(LO)输入为原始发射信号,RF输入为接收信号。解调器生成一个和差项。 RF和LO信号的频率完全相同,ωLO = ωRF,因此,结果会过滤掉高频和项,差项则驻留于直流。接收信号的相位(φRF)与发送信号的相位(φLO)有所不同,该相移可表示为φLO - φRF。
真实I/Q解调器具有许多缺陷,包括正交相位误差、增益不平衡、LO-RF泄漏等,所有这些都会导致解调信号质量下降。要选择解调器,首先确定RF输入频率范围、幅度精度和相位精度要求。
ADL5380解调器采用5 V单电源供电,可接受400 MHz至6 GHz范围内的RF或IF输入频率,从而成为接收器信号链的理想选择。根据配置,可提供5.36 dB电压转换增益,ADL5380的差分I和Q输出可以把2.5 V p-p差分信号驱动至500 Ω负载。 在900 MHz时,其噪声系数(NF)为10.9 dB,一阶交调截点(IP1)为11.6 dBm,而三阶交调截点(IP3)为29.7 dBm,动态范围出色;而0.07 dB的幅度平衡和0.2°的相位平衡则可实现杰出的解调精度。ADL5380采用高级SiGe双极性工艺制造,提供4 mm × 4 mm、24引脚小型LFCSP封装。
ADC驱动器和高分辨率精密ADC
ADA4940-2全差分双通道放大器具有出色的动态性能和可调输出共模电压,是驱动高分辨率双通道SAR ADC的理想之选。ADA4940-2采用5 V单电源供电,以2.5 V共模电压提供±5 V差分输出。 根据配置可提供2倍增益(6 dB),并把ADC输入驱动至满量程。RC滤波器(22 Ω/2.7 nF)可限制噪声,减少来自ADC输入端容性数模转换器(DAC)的反冲。ADA4940-2采用专利的SiGe互补双极性工艺制造,提供4 mm × 4 mm、24引脚小型LFCSP封装。
AD7903双通道、16位、1 MSPS SAR ADC具有出色的精度,FS增益误差为±0.006%,失调误差为±0.015 mV。AD7903采用2.5 V单电源供电,1 MSPS时功耗仅为12 mW。使用高分辨率ADC的主要目标是实现±1°的相位精度,尤其是当输入信号的直流幅度较小时。 ADC所要求的5 V基准电压源由ADR435低噪声基准电压源产生。

图2. 利用正交解调器测量幅度和相位
图注:
Let ωRF=ωLO difference term at dc:令ωRF=ωLO差项(直流)
Sum term gets filtered:和项被过滤掉
常见变化
使用ADL5387 30 MHz至2 GHz正交解调器可将电路的频率范围扩展至较低频率。
根据具体的应用,可能需要在解调器和ADC之间使用放大器,也可能不需要。ADL5380能够与AD7903直接接口,因为这两个器件的共模电压是兼容的。 如果使用共模电压不在解调器范围内的另一个ADC,那么就需要用一个放大器,以最少的功率损失实现电平转换。
AD798x和AD769x系列ADC可用作AD7903的替代器件。
电路评估与测试
如图3所示,接收器子系统利用ADL5380-EVALZ、ADA4940-2ACP-EBZ、EVAL-AD7903SDZ和EVAL-SDP-CB1Z评估套件实现。 这些电路组件针对子系统中的互连优化。 两个高频锁相输入源提供RF和LO输入信号。
表1总结了接收器子系统中各个组件的输入和输出电压电平。 在解调器的RF输入端,11.6 dBm的信号产生的输入在ADC满量程范围的-1 dB之内。 表1假定ADL5380的负载为500 Ω,转换增益为5.3573 dB,电源增益为- 4.643 dB;假定ADA4940-2增益为6 dB。 该接收器子系统的校准程序和性能结果将在后续章节讨论。
表1. 图1中的输入和输出电压电平

接收器子系统误差校准
接收器子系统有三个主要误差源: 失调、增益和相位。
I和Q通道的各个差分直流幅度与RF和LO信号的相对相位存在正弦关系。 因此,I和Q通道的理想直流幅度可以通过以下方式计算得到:
电压ICHANNEL = 最大I/Q输出 × cos(θ) (3)
电压QCHANNEL= 最大I/Q输出 × sin(θ) (4)
随着相位移过极化坐标,理想状况下,有些位置会产生相同的电压。 例如,I(余弦)通道上的电压应与+90°或-90°相移相同。 然而,对于本应产生相同直流幅度的输入相位,恒定相移误差(不受RF和LO的相对相位影响)会导致子系统通道产生不同结果。 这种情况如图4和图5所示,其中,当输入应为0 V时,结果产生了两个不同的输出码。这种情况下,-37°的相移远远大于含有锁相环的真实系统的预期值。 结果,+90°实际上表现为+53°,-90°表现为-127°。

图3. 接收器子系统评估平台
表2. 0 dBm RF输入实测相移

通过10个步骤从-180°到+180°收集结果,其中,未校正数据产生图4和图5所示椭圆形。通过确定系统中的额外相移量,可以解决该误差问题。 表2显示,系统相移误差在整个传递函数范围内都是恒定不变的。
系统相位误差校准
对于图3所示系统,当步长为10°时,平均实测相移误差为-37.32°。在已知该额外相移时,可以算出经调整的子系统直流电压。 变量φPHASE_SHIFT定义为观测到的额外系统相移的平均值。 相位补偿信号链中产生的直流电压可以计算如下:
电压ICHANNEL = 最大I/Q输出 × (cos(θTARGET)cos(φPHASE_SHIFT) - sin(θTARGET)sin(φPHASE_SHIFT)) (5)
电压QCHANNEL = 最大I/Q输出 × (sin(θTARGET)cos(φPHASE_SHIFT) + cos(θTARGET)sin(φPHASE_SHIFT)) (6)
对于给定的相位设置,等式5和等式6提供了目标输入电压。 现在,子系统已线性化,可以校正失调误差和增益误差了。图4和图5中同时显示了线性化的I和Q通道结果。对数据集进行线性回归计算,结果将产生图中所示最优拟合线。 该拟合线为各个转换信号链的实测子系统传递函数。

图4. 线性化的I通道结果

图5. 线性化的Q通道结果
系统失调和增益误差校准
接收器子系统中各信号链的理想失调应为0 LSB,但是,对于I通道和Q通道,实测失调分别为-12.546 LSB和+22.599 LSB。 最优拟合线的斜率代表子系统的斜率。 理想子系统斜率可计算如下:

(7)
图4和图5中的结果表明,I通道和Q通道的实测斜率分别为6315.5和6273.1。 为了校正系统增益误差,必须调整这些斜率。 校正增益误差和失调误差可以确保,利用等式1计算得到的信号幅度与理想信号幅度相匹配。 失调校正与实测失调误差正好相反:
失调误差校正 = –实测失调误差
增益误差校正系数为: (8)
增益误差校正 = 理想斜率 / 实测斜率 (9)
接收转换结果可通过以下方式校正:
校正过的输出代码 = ( 接收输出代码 × 理想斜率 )/ 实测斜率 + 失调误差校正 (10)
子系统的校准直流输入电压按以下方式计算:
实测信号输入电压 = (2 × VREF × 校正过的输出代码)/(2N - 1) (11)
要计算各子系统信号链的感知模拟输入电压,则须在I通道和Q通道上使用等式11。 利用这些完全调整过的I通道和Q通道电压来计算以各直流信号幅度定义的RF信号幅度。 要评估整个校准程序的精度,可以把收集到的结果转换成调解器输出端产生的理想子系统电压(假设不存在相移误差);这可以通过以下方式实现:用前面计算得到的平均直流幅度乘以每次试验的实测相位正弦分数(除掉其中计算得到的相移误差)。 计算如下:
完全校正I通道电压 = 平均校准后幅度 × (cos(θMEASURED)cos(φPHASE_SHIFT) + sin(θMEASURED)sin(φPHASE_SHIFT)) (12)
完全校正Q通道电压 = 平均校准后幅度 × (sin(θMEASURED)cos(φPHASE_SHIFT) - cos(θMEASURED)sin(φPHASE_SHIFT)) (13)
其中:
φPHASE_SHIFT是前面计算得到的相位误差。
平均校准后幅度是来自等式1的直流幅度结果,已经过失调误差和增益误差补偿。
表3所示为在0 dBm RF输入幅度条件下,各目标相位输入的校准程序的结果。 等式12和等式13计算得到的校正因子将集成到旨在以本电路笔记所示方式检测相位和幅度的任何系统之中。
表3. 0 dBm RF输入幅度条件下某些目标相位输入端实现的结果

图6为实测绝对相位误差直方图,其中,对于从-180°到+180°的每10°步长,其精度均高于1°。

图6. 0 dBm输入电平(相位步长为10°)条件下的实测绝对相位误差直方图
为了在任何给定输入电平条件下精确测量相位,RF相对于LO的感知相移误差(φPHASE_SHIFT)应恒定不变。 如果实测相移误差开始以目标相位步长(θTARGET)或幅度函数的形式发生变化,则这里所提校准程序的精度将开始下降。 室温下的评估结果显示,900 MHz条件下,对于最大值为11.6 dBm、最小值约为-20 dBm的RF幅度而言,相移误差保持相对恒定。
图7所示为接收器子系统的动态范围以及相应幅度导致的额外相位误差。 当输入幅度降至-20 dBm以下时,相位误差校准精度将开始下滑。系统用户需要确定可接受的信号链误差水平,以确定可接受的最小信号幅度。

图7. 接收器子系统的动态范围以及相应的额外相位误差
图7所示结果用5 V ADC基准电压源收集。 该ADC基准电压源的幅度可以降低,从而为系统提供更小的量化水平;这样,在小信号条件下,相位误差精度会略有提升,但会增加系统饱和几率。 为了提高系统动态范围,另一种选择是采用一种过采样方案,该方案可以提高ADC的无噪声位分辨率。 求均值的采样每增加一倍,结果可使系统分辨率增加1/2 LSB。 给定分辨率增量的过采样比计算方法如下:
过采样率 = 22N
其中,N为增加的位数。
当噪声幅度不再能随机改变各采样的ADC输出代码时,过采样达到一个效益递减点。 在该点时,系统的有效分辨率将不能再次提升。 过采样导致的带宽下降并非大问题,因为系统是以缓慢变化的幅度测量信号的。
AD7903评估软件提供一个校准程序,允许用户针对三个误差源,对ADC输出结果进行校正:相位、增益和失调。 用户需要收集系统未经校正的结果,确定本电路笔记计算的校准系数。 图8所示为图形用户界面的Amp/Phase Panel选项卡,其中,校准系数已高亮显示。 系数一旦确定,则可利用这个选项卡来计算解调器的相位和幅度。 极化坐标为观测到的RF输入信号提供了一种直观的呈现方式。 幅度和相位计算通过等式1和等式2计算。用采样数(Num Samples)下拉框,通过调整每次捕获的采样数,可实现对过采样比的控制。

图8. 接收器子系统校准图形用户界面
设备要求
以下列出了用来评估电路的设备。
● 带USB端口的Windows XP、Windows Vista(32位)、Windows 7(32位)PC
● ADL5380-EVALZ、ADA4940-2ACP-EBZ、EVAL-AD7903SDZ和EVAL-SDP-CB1Z评估板。
● 两个带相位控制的RF信号发生器(比如R&S SMT06)
● 一个数字万用表
● 采用5 V和9 V电源供电
● AD7903评估软件,用来以数字方式处理得到的幅度和相位信息。
图9所示为测试设置的功能框图。

图9. 测试设置功能框图
ADC 电压 电流 电路 放大器 滤波器 DAC USB 信号发生器 万用表 相关文章:
- 新一代移动通信系统的关键技术(10-26)
- SoC面临挑战,智能分割顺势而起(11-07)
- 宽带通信接收机的ADC参数(01-12)
- Broadcom升级定位服务网络 添加Wi-Fi定位(09-30)
- Broadcom公司新型安全应用处理器系列掌握防止数据盗窃和身份假冒的关键(11-19)
- ADC 59M1室外型分光配线箱解决方案(01-16)
