RFM001射频模块感应电锁控制器的设计
时间:12-20
来源:互联网
点击:

以上操作及相关的声光提示,请参见表1 。
1.3 技术参数

感应锁控制器的技术参数如表2所列。
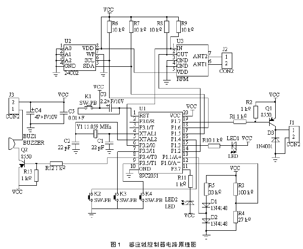
2 感应锁控制器的硬件设计
控制电路由单片机(U1)、钥匙存储器(U2)、射频模块(U3)、 人机界面部件、电磁离合器驱动电路和射频天线组成, 采用直流6 V(4节5号电池)供电。 图1 是感应锁控制器电路原理图

射频模块选用基于美国德州仪器公司(TI)的射频模块RFM01。它功耗低,读卡速度高,接线简 洁。它需要配接1个电感值为 430~460μH、Q值大于15的天线线圈。也可以选用基于美国ATMEL 公司U2270B的射频模块,但性能稍差。
单片机选用ATMEL公司的89C2051。它的端口数和ROM可满足本电路的功能要求。单片机的工 作频率为11.059 2 MHz(不可以高于或低于这个数值,因为软件用这个频率和射频模块匹配)。如果 还要扩展其他功能,例如改用12或16键键盘,增加日历时钟或外扩存储器,可以选用端口数和 ROM更大的单片机。为获得更高的可靠性应采用OTP型兼容单片机。
钥匙存储器选用ATMEL公司的24C02 ,可存储30个钥匙。如果打算存储更多的钥匙,应选用该系 列更大容量的型号。为获得更高的可靠性可采用美国XCOR公司的兼容型号。
本电路采用了中功率PNP三极管担当电磁离合器驱动电路,可以驱动负荷电流在0.8 A以内的各种电锁专用电磁离合器或电机。如果打算驱动更大 负荷,可以改为继电器驱动方式,三极管输出接到继电器线圈即可,但这样会增大功耗。
由4个按键、2只发光二极管、1个蜂鸣器组成人机界面,以便完成 添加、删除、启动等必要的操作。
射频模块所匹配的天线线圈的参数必须准确,否则读卡 性能达不到设计要求。制作天线时,必须用仪器测量其参数。这里提供一套与 RFM01匹配的天线参数,如表3所列。该线圈对钥匙型感应体的识别距离为80 mm,对卡片型感应体的识别距离为120 mm。

本电路利用89C2051片上集成的比较器构成电池欠压检测电路。当发生 欠压时,点亮发光二极管。
为了最大限度地延长电池的使用寿命,当几秒钟没有操 作发生时,电路自动进入低功耗状态,即所谓“睡眠态”。这 是通过软件控制89C2051和射频模块的工作状态实现的。
3 电子锁控制器的软件设计
硬件需要与高效率的软件相配合,才能实现感应电子锁的各种功能。软件源代码使用C语言编 写,最终代码固化于89C2051的Flash ROM内。图2为流程图。

射频 电子 电压 电路 单片机 德州仪器 电感 三极管 电流 继电器 二极管 比较器 发光二极管 C语言 相关文章:
- WCDMA与TD-SCDMA终端射频测试差异性分析(01-04)
- 可以应对移动电话的设计挑战的GPS导航系统(01-11)
- 无线射频技术应用大有作为(02-19)
- 直放站的指标调试及整体测试(03-02)
- 无线电发射设备杂散发射的测试方法探讨(03-12)
- 基于CC1020的无线通信模块设计(03-24)
