2G/3G多频段射频收发芯片的工作原理及应用分析
时间:12-20
来源:互联网
点击:
随着中国3G发展步伐的加快,3G网络建设进入规模性发展,室内覆盖成为运营商和设备系统厂商共同关注的焦点。面对未来多系统共存的状况,如何构建一个经济有效、性能稳定、功耗低、体积小且施工灵活的多网合路室内分布系统是现有运营商急需解决的问题,也是建设3G网络的焦点之一。
针对上述应用要求,广嘉设计了一款芯片BG822CX,可实现GSM900、GSM1800、GSM1900、IS-95、 TD-SCDMA、SCDMA、PHS和 WCDMA多种制式收发功能,并且采用高中频输出结构,适合于五类线传输。本产品解决了上述多协议RF信号的室内覆盖问题,同时实现体积小、功耗低、可靠性高的无线和有线信号之间的双向转换,其采用独特的多协议收发芯片实现室内分布系统的远端接入单元。本产品集成度高,外围元件极少,最大限度地减少了系统开发开发难度和开发周期,极大地降低了生产成本。
1 BG822CX的基本特性
BG822CX工作在800到2200MHz。可覆盖GSM900、GSM1800、GSM1900、IS-95、TD-SCDMA、SCDMA、PHS和 WCDMA共8个频段,单芯片全集成完整射频收发器。
BG822CX采用软件控制技术,中频可变结构,根据不同的应用,中频频率可以在40-120MHz中任意配置。芯片内置接收通道、发射通道、VCO和PLL。仅需一个SAW滤波器就可以实现接收功能;发射可直接输出到片外功放,实现中频到射频的发射功能。接收发射共用同一个VCO/PLL,可以降低功耗、节约成本。
BG822CX接收通道提供56dB的增益调整范围,5dB的低噪声系数,同时提供多种带宽选择的中频低通滤波器,可满足不同应用的需求。发射通道可以提供最大4dBm线性的单端输出功率,并可以提供30dB的边带抑制功能。
该款芯片3.3V电源供电,可应用于几乎所有无线基础设施设备中,对于解决移动通信多频合路难题具有重要意义。
2 BG822CX的工作原理
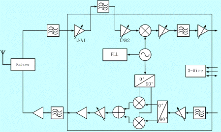
如图1所示,BG822CX收发芯片主要集成了两大部分电路:接收部分Rx和发射部分Tx。接收机集成了包括低噪声放大器,混频器,VGA 和LPF在内的所有模块。发射机集成了包括 LPF,VGA,多相滤波器,调制器和输出驱动器在内的所有模块。除上述的接收和发射部分电路,本产品还集成了带隙基准电流源(Bandgap),为芯片内各模块提供稳定的电流偏置。同时,本产品还集成SPI串行通信电路,实现芯片与片外系统之间的数据通信。
图1:BG822CX芯片原理图
3 接收机
接收机由低噪放LNA1, LNA2及射频混频器,AGC 和低通滤波器(RX LPF)组成。射频信号由天线进入,经过射频滤波器连接到LNA1的输入端,然后到达射频混频器(其功能是将射频信号转变为高中频信号)。为了维持电缆的中频输出电平恒定,内部中频AGC可以提供足够的增益控制。
1)低噪放 LNA1
片上集成了两个高性能,多频带的低噪放LNA1,第一个LNA1用于覆盖IS-95 和 GSM900 的接收机。第二个LNA1用于覆盖GSM1800, GSM1900, SCDMA, PHS, WCDMA 和 TD-SCDMA接收机。多频带LNA用于覆盖宽带频率。频率范围从824MHz 到 2200MHz(不同时工作):
IS-95:824MHz~869MHz;
GSM900:890MHz~915MHz;
GSM1800:1710MHz~1785MHz;
GSM1900:1850~1910MHz;
SCDMA:1785.25MHz~1804.75MHz;
PHS:1891.15MHz~1917.95MHz;
WCDMA:1920MHz~1980MHz;
TD-SCDMA:2010-2025MHz。
2) 低噪放 LNA2+MIXER 混频器
片上集成两个低噪放LNA2+混频器。第一个LNA2用于IS-95 和GSM900接收机。第二个LNA2用于GSM1800、GSM1900、SCDMA、PHS、WCDMA和TD-SCDMA接收机。
3)可变增益放大器 VGA, 低通滤波器 LPF
接收机通道滤波器是一个4阶低通滤波器以提供必要的衰减滤波。通过控制3线串行总线,滤波器可以配置成不同中频频率。可变增益放大器VGA,包括接收端VGA和发射端VGA,在40MHz到 120MHz频率范围内均为线性1dB步进设计。
3 发射机
发射机实现把模拟中频信号从发射通道进入,调制到射频信号,通过功率放大器、滤波器和天线开关发送出去。发射机由中频LPF、射频混频器和可变增益放大器构成,并与外部带通滤波器和功率放大器连接。
1) 发射机低通滤波器(TX LPF),可变增益放大器VGA
低通滤波器用于滤除由外部电缆输入的中频信号带来的高次谐波。通过2位数字控制字,滤波器的截止频率可以达到60MHz/90MHz/120MHz。低通滤波器是4阶有源RC滤波器。为了补偿电缆损耗,同时需要有中频可变增益放大器VGA。发射机VGA提供在线性1dB步进的情况下,增益范围是16dB。
针对上述应用要求,广嘉设计了一款芯片BG822CX,可实现GSM900、GSM1800、GSM1900、IS-95、 TD-SCDMA、SCDMA、PHS和 WCDMA多种制式收发功能,并且采用高中频输出结构,适合于五类线传输。本产品解决了上述多协议RF信号的室内覆盖问题,同时实现体积小、功耗低、可靠性高的无线和有线信号之间的双向转换,其采用独特的多协议收发芯片实现室内分布系统的远端接入单元。本产品集成度高,外围元件极少,最大限度地减少了系统开发开发难度和开发周期,极大地降低了生产成本。
1 BG822CX的基本特性
BG822CX工作在800到2200MHz。可覆盖GSM900、GSM1800、GSM1900、IS-95、TD-SCDMA、SCDMA、PHS和 WCDMA共8个频段,单芯片全集成完整射频收发器。
BG822CX采用软件控制技术,中频可变结构,根据不同的应用,中频频率可以在40-120MHz中任意配置。芯片内置接收通道、发射通道、VCO和PLL。仅需一个SAW滤波器就可以实现接收功能;发射可直接输出到片外功放,实现中频到射频的发射功能。接收发射共用同一个VCO/PLL,可以降低功耗、节约成本。
BG822CX接收通道提供56dB的增益调整范围,5dB的低噪声系数,同时提供多种带宽选择的中频低通滤波器,可满足不同应用的需求。发射通道可以提供最大4dBm线性的单端输出功率,并可以提供30dB的边带抑制功能。
该款芯片3.3V电源供电,可应用于几乎所有无线基础设施设备中,对于解决移动通信多频合路难题具有重要意义。
2 BG822CX的工作原理
如图1所示,BG822CX收发芯片主要集成了两大部分电路:接收部分Rx和发射部分Tx。接收机集成了包括低噪声放大器,混频器,VGA 和LPF在内的所有模块。发射机集成了包括 LPF,VGA,多相滤波器,调制器和输出驱动器在内的所有模块。除上述的接收和发射部分电路,本产品还集成了带隙基准电流源(Bandgap),为芯片内各模块提供稳定的电流偏置。同时,本产品还集成SPI串行通信电路,实现芯片与片外系统之间的数据通信。

图1:BG822CX芯片原理图
3 接收机
接收机由低噪放LNA1, LNA2及射频混频器,AGC 和低通滤波器(RX LPF)组成。射频信号由天线进入,经过射频滤波器连接到LNA1的输入端,然后到达射频混频器(其功能是将射频信号转变为高中频信号)。为了维持电缆的中频输出电平恒定,内部中频AGC可以提供足够的增益控制。
1)低噪放 LNA1
片上集成了两个高性能,多频带的低噪放LNA1,第一个LNA1用于覆盖IS-95 和 GSM900 的接收机。第二个LNA1用于覆盖GSM1800, GSM1900, SCDMA, PHS, WCDMA 和 TD-SCDMA接收机。多频带LNA用于覆盖宽带频率。频率范围从824MHz 到 2200MHz(不同时工作):
IS-95:824MHz~869MHz;
GSM900:890MHz~915MHz;
GSM1800:1710MHz~1785MHz;
GSM1900:1850~1910MHz;
SCDMA:1785.25MHz~1804.75MHz;
PHS:1891.15MHz~1917.95MHz;
WCDMA:1920MHz~1980MHz;
TD-SCDMA:2010-2025MHz。
2) 低噪放 LNA2+MIXER 混频器
片上集成两个低噪放LNA2+混频器。第一个LNA2用于IS-95 和GSM900接收机。第二个LNA2用于GSM1800、GSM1900、SCDMA、PHS、WCDMA和TD-SCDMA接收机。
3)可变增益放大器 VGA, 低通滤波器 LPF
接收机通道滤波器是一个4阶低通滤波器以提供必要的衰减滤波。通过控制3线串行总线,滤波器可以配置成不同中频频率。可变增益放大器VGA,包括接收端VGA和发射端VGA,在40MHz到 120MHz频率范围内均为线性1dB步进设计。
3 发射机
发射机实现把模拟中频信号从发射通道进入,调制到射频信号,通过功率放大器、滤波器和天线开关发送出去。发射机由中频LPF、射频混频器和可变增益放大器构成,并与外部带通滤波器和功率放大器连接。
1) 发射机低通滤波器(TX LPF),可变增益放大器VGA
低通滤波器用于滤除由外部电缆输入的中频信号带来的高次谐波。通过2位数字控制字,滤波器的截止频率可以达到60MHz/90MHz/120MHz。低通滤波器是4阶有源RC滤波器。为了补偿电缆损耗,同时需要有中频可变增益放大器VGA。发射机VGA提供在线性1dB步进的情况下,增益范围是16dB。
射频 收发器 滤波器 低通滤波器 电路 放大器 电流 总线 功率放大器 相关文章:
- WCDMA与TD-SCDMA终端射频测试差异性分析(01-04)
- 可以应对移动电话的设计挑战的GPS导航系统(01-11)
- 无线射频技术应用大有作为(02-19)
- 直放站的指标调试及整体测试(03-02)
- 无线电发射设备杂散发射的测试方法探讨(03-12)
- 基于CC1020的无线通信模块设计(03-24)
