基于超低功耗无线芯片SX1212的无线数传模块设计
时间:10-15
来源:互联网
点击:
SX1212是SEMTECH推出的一款超低功耗的单芯片无线芯片,频率范围从300MHz到510MHz。SX1212经过优化具有非常低的接收功耗,典型接收电流为2.6mA, 远小于同类收发器的接收电流。工作电压为2.1-3.6V,最大发射功率+12.5dBm, SX1212集成度非常高,其包含了射频功能和逻辑控制功能的集成电路,内部集成压控振荡器、锁相环电路、功率放大电路、低噪声放大电路、调制解调电路、变频器、中放电路等。此外它整合了基带调制解调器的数据传输速率高达150Kbps数据处理功能包括一个64字节的FIFO,包处理,自动CRC生成和数据白化。它的高度集成的架构允许最少的外部元件数量,同时保持设计的灵活性。所有主要的射频通讯参数可编程,其中多数可动态设置。它符合欧洲(ETSI EN 300-220 V2.1.1)和北美(FCC part 15.247 and 15.249)标准。
本文介绍基于无线芯片SX1212的无线模块设计,其具有传输距离相对远,接收的灵敏度较高,工作功耗低等诸多优点,所以它适用于无线水气抄表、无线遥控系统、无线传感器网络、无线温度压力数据采集、机器人控制等需要用电池长期工作的领域。
系统电路设计
系统主要由一个MCU和SX1212组成见图一。MCU选用了ST公司的低功耗单片机STM8L101F3, SX1212与单片机通讯采用SPI接口,与外部终端通信采用UART接口。由于高度集成化SX1212外围零件已经很少,所以设计的关键是RF前端的匹配电路的设计。另外高频部分的走线尽量的短粗,元器件参数要根据线路板的实际情况作出适当的调节,以抵消分布参数的影响。一般的RF芯片发射与接收端口的阻抗并不是标准的50Ω阻抗,要达到最佳的接收效果必须将输入阻抗通过外围器件的补偿使之与50Ω的天线匹配,电路如图1所示。图中Y2是声表面滤波器,用于衰减规定频带以外的信号,L2,C3,C22是阻抗匹配网络,L4,L5,压控振荡器电感,调整压控振荡电感,可以使模块工作于不同的频率,C7,R3,C8是锁相环电路。

图一 SX1212的系统电路设计
工作模式设计
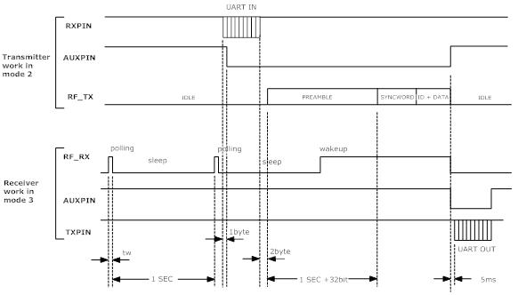
典型的无线收发机编码如下图。

前导码为“1010”交替码,其作用是使目的接收机时钟与发射机同步,正常模式下前导码长度一般为32bit即可,如工作在省电模式时序下,前导码还有唤醒接收机的功能,此时发射机必须发送较长的前导码将省电模式下的接收机唤醒进入正常的工作状态。如设置接收机1秒钟唤醒一次,那么接收机每间隔1秒钟唤醒一次搜索前导码(tw),持续长度一般为16bit。而发射机首先发射1秒以上的前导码再发射后面得同步码等,这意味着接收机在唤醒的周期,只要信道中发现前导码,在正常情况下都能够可成功检测到并唤醒接收,示意图见图二。
这里我们设计了四种工作模式,见表一,这四种工作模式是利用MCU的SET_A和SET_B脚转换的,四种模式均可以相互转换。
表一:四种工作模式说明


图二:发射处于模式2状态,接收处于模式3状态示意图
休眠模式是通过用软件方式实现的,这样休眠时系统的接口均保持相应的电平,并且能快速切换各种状态,由于MCU主时钟是通过RC振荡器产生的,起振时间仅仅需要4uS, 实测从休眠至唤醒加上唤醒初始化的时间仅仅需要20uS,这意味模块在休眠状态时,置低SET_A脚后20uS就可以通过UART口输入数据至模块。这里我们设计了系统在接收或发送过程中,即使设置工作在模式3或4,模块也要将接收或发送过程执行完毕再进入省电模式或休眠模式,其中在接收或发送过程中AUX脚将被置低。利用这个特点,当模块处于模式3或模块4状态,下位机用户在置低SET_A脚使模块唤醒并输入数据后,若需休眠可立刻置高SET_A脚,而不必等到模块将数据无线发送完毕,模块在数据发送结束后会自动检测SET_A脚,如为高则进入休眠,数据是否发送结束用户可以通过查询AUX脚获得。

图三:模块与下位机的连接图
在电池供电的电路中,正常可将从模块(如水气表)设置在模式3上,当主模块(如采集器或收抄机)在模式2下发送数据,从模块唤醒后接收数据,完成后利用AUX脚将下位机MCU唤醒,再将数据输出,MCU接收到数据后,可将从模块切换至模式1,应答主模块.如主模块收到应答后也可被切换至模式1,这时主从模块均处于正常模式下,可以实现高速数据传输。如主模块收到应答后,后续无数据交换可将从机再次切换至模式3处于省电模式下,等待下一次的唤醒,而主模块可以切换至模式4休眠状态。
因为省电是通过周期性唤醒休眠再唤醒实现的,所以在省电模式下的功耗与唤醒周期和每次唤醒搜索前导码的时间(t
w),以及休眠的静态功耗有关。唤醒周期用户可以在线设置范围是50ms至5s. 每次搜索前导码时间与射频传输的速率有关,射频传输的速率也是可设的,在10Kbps速率的速率下唤醒搜索前导码时间平均约为4.5ms.
在省电模式下电池的使用寿命可以通过以下公式算出:
使用寿命 =

例如:电池是 3.6V/3.6A ER18505锂亚电池,模块包括MCU接收电流为3.2mA,休眠电流1.5uA.射频传输速率10Kbps,唤醒周期为1SEC,那么电池使用寿命是:

考虑到电池的自放电,不同电流下的容量差异,温度以及客户端MCU的休眠功耗和每月几次的使用,1节3.6V/3.6A ER18505锂亚电池正常情况下有超过10年的使用寿命。
省电模式的工作方式非常适合水气热表,集装箱信息管理,数据采集系统等使用不是太频繁但要求用电池长期工作的场合。
本文介绍基于无线芯片SX1212的无线模块设计,其具有传输距离相对远,接收的灵敏度较高,工作功耗低等诸多优点,所以它适用于无线水气抄表、无线遥控系统、无线传感器网络、无线温度压力数据采集、机器人控制等需要用电池长期工作的领域。
系统电路设计
系统主要由一个MCU和SX1212组成见图一。MCU选用了ST公司的低功耗单片机STM8L101F3, SX1212与单片机通讯采用SPI接口,与外部终端通信采用UART接口。由于高度集成化SX1212外围零件已经很少,所以设计的关键是RF前端的匹配电路的设计。另外高频部分的走线尽量的短粗,元器件参数要根据线路板的实际情况作出适当的调节,以抵消分布参数的影响。一般的RF芯片发射与接收端口的阻抗并不是标准的50Ω阻抗,要达到最佳的接收效果必须将输入阻抗通过外围器件的补偿使之与50Ω的天线匹配,电路如图1所示。图中Y2是声表面滤波器,用于衰减规定频带以外的信号,L2,C3,C22是阻抗匹配网络,L4,L5,压控振荡器电感,调整压控振荡电感,可以使模块工作于不同的频率,C7,R3,C8是锁相环电路。

图一 SX1212的系统电路设计
工作模式设计
典型的无线收发机编码如下图。

前导码为“1010”交替码,其作用是使目的接收机时钟与发射机同步,正常模式下前导码长度一般为32bit即可,如工作在省电模式时序下,前导码还有唤醒接收机的功能,此时发射机必须发送较长的前导码将省电模式下的接收机唤醒进入正常的工作状态。如设置接收机1秒钟唤醒一次,那么接收机每间隔1秒钟唤醒一次搜索前导码(tw),持续长度一般为16bit。而发射机首先发射1秒以上的前导码再发射后面得同步码等,这意味着接收机在唤醒的周期,只要信道中发现前导码,在正常情况下都能够可成功检测到并唤醒接收,示意图见图二。
这里我们设计了四种工作模式,见表一,这四种工作模式是利用MCU的SET_A和SET_B脚转换的,四种模式均可以相互转换。
表一:四种工作模式说明


图二:发射处于模式2状态,接收处于模式3状态示意图
休眠模式是通过用软件方式实现的,这样休眠时系统的接口均保持相应的电平,并且能快速切换各种状态,由于MCU主时钟是通过RC振荡器产生的,起振时间仅仅需要4uS, 实测从休眠至唤醒加上唤醒初始化的时间仅仅需要20uS,这意味模块在休眠状态时,置低SET_A脚后20uS就可以通过UART口输入数据至模块。这里我们设计了系统在接收或发送过程中,即使设置工作在模式3或4,模块也要将接收或发送过程执行完毕再进入省电模式或休眠模式,其中在接收或发送过程中AUX脚将被置低。利用这个特点,当模块处于模式3或模块4状态,下位机用户在置低SET_A脚使模块唤醒并输入数据后,若需休眠可立刻置高SET_A脚,而不必等到模块将数据无线发送完毕,模块在数据发送结束后会自动检测SET_A脚,如为高则进入休眠,数据是否发送结束用户可以通过查询AUX脚获得。

图三:模块与下位机的连接图
在电池供电的电路中,正常可将从模块(如水气表)设置在模式3上,当主模块(如采集器或收抄机)在模式2下发送数据,从模块唤醒后接收数据,完成后利用AUX脚将下位机MCU唤醒,再将数据输出,MCU接收到数据后,可将从模块切换至模式1,应答主模块.如主模块收到应答后也可被切换至模式1,这时主从模块均处于正常模式下,可以实现高速数据传输。如主模块收到应答后,后续无数据交换可将从机再次切换至模式3处于省电模式下,等待下一次的唤醒,而主模块可以切换至模式4休眠状态。
因为省电是通过周期性唤醒休眠再唤醒实现的,所以在省电模式下的功耗与唤醒周期和每次唤醒搜索前导码的时间(t
w),以及休眠的静态功耗有关。唤醒周期用户可以在线设置范围是50ms至5s. 每次搜索前导码时间与射频传输的速率有关,射频传输的速率也是可设的,在10Kbps速率的速率下唤醒搜索前导码时间平均约为4.5ms.
在省电模式下电池的使用寿命可以通过以下公式算出:
使用寿命 =

例如:电池是 3.6V/3.6A ER18505锂亚电池,模块包括MCU接收电流为3.2mA,休眠电流1.5uA.射频传输速率10Kbps,唤醒周期为1SEC,那么电池使用寿命是:

考虑到电池的自放电,不同电流下的容量差异,温度以及客户端MCU的休眠功耗和每月几次的使用,1节3.6V/3.6A ER18505锂亚电池正常情况下有超过10年的使用寿命。
省电模式的工作方式非常适合水气热表,集装箱信息管理,数据采集系统等使用不是太频繁但要求用电池长期工作的场合。
电流 收发器 电压 射频 集成电路 振荡器 电路 传感器 机器人 MCU 单片机 滤波器 电感 GPS 相关文章:
- 光纤大电流传感器研究(01-20)
- USB3.0过电流保护PPTC组件应用解决方案(02-06)
- 通信系统中超高效率Buck变换器设计考虑(05-02)
- 基于MSP430单片机和nRF905的无线通信系统(06-18)
- 基于MSP430的无线传感器网络设计(06-20)
- ADI针对基站和卫星通信的高线性度RF前端解决方案(07-24)
