基于无线USB技术的系统开发与应用
时间:09-18
来源:互联网
点击:
2.3 CYWUSB6935芯片引脚定义
表1为CYWUSB6935芯片48QFN封装的引脚定义。
3 WirelessUSB LR系统结构
(1) WirelessUSB LR桥最小系统
图2中,WirelessUSB LR桥最小系统包括Cypress公司enCoRe系列的低成本USB控制器,和由芯片CYWUSB6935组成的射频模块。其中USB控制器负责控制射频模块的工作状态及上位机与射频模块之间的数据通信,而射频模块主要由CYWUSB6935完成数据的无线传输和通信协议的解读工作。整个系统采用总线供电方式,通过USB总线可以得到5 V的电压,供USB控制器使用;经过低压线性稳压器(LDO),CYWUSB6935可以得到需要的3.3 V电压,因此系统无需外接电源,从而提高了适用性和便携能力。
图2 WirelessUSB LR桥最小系统电路
(2) WirelessUSB LR HID最小系统
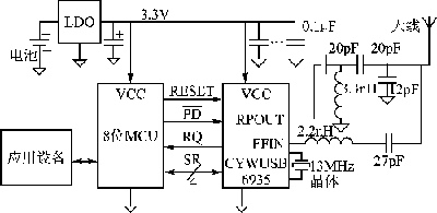
如图3所示,WIrel essUSB LR HID最小系统主要由一个8位微控制器(MCU)和CYWUSB6935芯片组成。微控制器主要负责外设与射频模块的数据传输,同时也可以兼顾简单应用设备(如数据采集板和LED显示屏)的控制工作。整个系统多采用电池供电方式。为了提高电池的续航能力,在没有数据传输时,射频模块会被设置工作在休眠模式下,等待数据到来后被唤醒。
图3 WirelessUSB LR HID最小系统电路
4 WirelessUSB LR系统数据传输过程
WirelessUSB LR 2Way网络中,用户主要采用多点到一点(multipoint to point)的拓扑来组建用户网络。HID与Bridge之间建立有双向数据通道,使得HID在发送数据的同时,能够接收Bridge传输来的Ack/Nak信息和数据,如图4所示。在该网络中的所有设备都具备收发数据的功能。WirelessUSB LR 2Way网络中允许多个应用设备同时进行无线传输,并且能够以无线方式把多达127个设备连接到主机(通常是1台PC)上,其中每个设备分时复用同一带宽。
图4 WirelessUSB LR 2Way系统
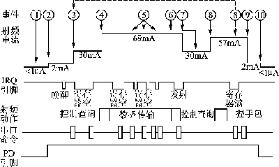
以下是WirelessUSB LR 2Way系统中,桥接器(bridge)从人机接口设备(HID)节点上接收数据的典型过程,其间的时序和电流变化如图5所示。
图5 数据传输过程
① 传输开始之前,桥接器和HID同处于休眠状态,13 MHz的晶体并不工作,此时待机电流小于1 μA。
② 当HID的MCU需要发送数据时,首先通过拉高PD引脚电压将CYWUSB6935从休眠状态中唤醒。此时,晶体开始工作。一旦晶体工作稳定,CYWUSB6935通过IRQ引脚告诉MCU,它已经准备好接受串行接口(SPI)命令。
③ MCU在唤醒状态寄存器中清除唤醒中断请求,并将设置信息写入控制寄存器,为传输作好准备,同时CYWUSB6935的高频综合器自动开始工作,经过短暂的延时后,综合器就可以达到稳定状态。此时,MCU可以将待发送数据的第一个字节下载到数据传输寄存器中。
④ 综合器稳定工作后,CYWUSB6935将自动发射1个比特周期的引导信号(如:10101...),用于帮助接收机锁定发送机信号,并自动将传输数据寄存器中的数据下载到发射移位寄存器中,并向IRQ引脚发送“传输数据寄存器空”中断。MCU使用一个字节周期(125~512 μs,其长度取决于所选择的数据率)来下载下一个将要传输的数据。当新的数据写入发射移位寄存器时,“数据空”中断会被自动清除。
⑤ 在一段时间内,MCU通过反复查询“传输数据寄存器空”中断,不断将待发送数据下载到发射移位寄存器中,直到整个数据包下载完毕为止。
⑥ 完成数据下载之后,MCU通过设置“发射中断使能”寄存器使得“寄存器空”中断无效同时使能“发射”中断,再由CYWUSB6935射频部分完成数据无线传输的工作。当发送完最后一个数据字节后,“发射”中断被送至IRQ引脚。
⑦ 数据发送完后,MCU将CYWUSB6935设置成接收模式,准备接收从Bridge返回的表示已经顺利接收到数据的“握手包”。此时,高频综合器会降低工作频率(在接收模式下,综合器被用作本地振荡器,其频率将会从发射频段混频降至2 MHz的中频,用于解调无线信号)。
⑧ 当综合器频率稳定后,CYWUSB6935准备接收桥接器的“握手包”(如果在HID的CYWUSB6935综合器达到稳定之前,桥接器的“握手包”就已经到达,则HID无法成功接收到“握手包”;若HID成功接收到“握手包”,一个寄存器满信号将送至IRQ引脚)。若CYWUSB6935成功接收到了“握手包”,MCU将负责查阅该“握手包”数据,并且在接收有效寄存器中查询数据有效标志位;如果接收到无效“握手包”,或者在特定的时间内没有接收到有效“握手包”(握手包超时),MCU将会重新执行之前的第③步。
⑨ 如果CYWUSB6935顺利接收到有效“握手包”,MCU会通过控制寄存器将CYWUSB6935设置到空闲模式下。
⑩ 在完成所有的传输后,MCU可以利用PD引脚把CYWUSB6935置于休眠模式。在连续的多次传输过程中,在上一次所传输的数据末尾存在一个附加数据包,通知MCU将CYWUSB6935设置为在连续的数据传输间隙工作在空闲模式下,准备下一次传输,而无需等待其从休眠状态中被唤醒。
表1为CYWUSB6935芯片48QFN封装的引脚定义。

3 WirelessUSB LR系统结构
(1) WirelessUSB LR桥最小系统
图2中,WirelessUSB LR桥最小系统包括Cypress公司enCoRe系列的低成本USB控制器,和由芯片CYWUSB6935组成的射频模块。其中USB控制器负责控制射频模块的工作状态及上位机与射频模块之间的数据通信,而射频模块主要由CYWUSB6935完成数据的无线传输和通信协议的解读工作。整个系统采用总线供电方式,通过USB总线可以得到5 V的电压,供USB控制器使用;经过低压线性稳压器(LDO),CYWUSB6935可以得到需要的3.3 V电压,因此系统无需外接电源,从而提高了适用性和便携能力。

图2 WirelessUSB LR桥最小系统电路
(2) WirelessUSB LR HID最小系统
如图3所示,WIrel essUSB LR HID最小系统主要由一个8位微控制器(MCU)和CYWUSB6935芯片组成。微控制器主要负责外设与射频模块的数据传输,同时也可以兼顾简单应用设备(如数据采集板和LED显示屏)的控制工作。整个系统多采用电池供电方式。为了提高电池的续航能力,在没有数据传输时,射频模块会被设置工作在休眠模式下,等待数据到来后被唤醒。

图3 WirelessUSB LR HID最小系统电路
4 WirelessUSB LR系统数据传输过程
WirelessUSB LR 2Way网络中,用户主要采用多点到一点(multipoint to point)的拓扑来组建用户网络。HID与Bridge之间建立有双向数据通道,使得HID在发送数据的同时,能够接收Bridge传输来的Ack/Nak信息和数据,如图4所示。在该网络中的所有设备都具备收发数据的功能。WirelessUSB LR 2Way网络中允许多个应用设备同时进行无线传输,并且能够以无线方式把多达127个设备连接到主机(通常是1台PC)上,其中每个设备分时复用同一带宽。

图4 WirelessUSB LR 2Way系统
以下是WirelessUSB LR 2Way系统中,桥接器(bridge)从人机接口设备(HID)节点上接收数据的典型过程,其间的时序和电流变化如图5所示。

图5 数据传输过程
① 传输开始之前,桥接器和HID同处于休眠状态,13 MHz的晶体并不工作,此时待机电流小于1 μA。
② 当HID的MCU需要发送数据时,首先通过拉高PD引脚电压将CYWUSB6935从休眠状态中唤醒。此时,晶体开始工作。一旦晶体工作稳定,CYWUSB6935通过IRQ引脚告诉MCU,它已经准备好接受串行接口(SPI)命令。
③ MCU在唤醒状态寄存器中清除唤醒中断请求,并将设置信息写入控制寄存器,为传输作好准备,同时CYWUSB6935的高频综合器自动开始工作,经过短暂的延时后,综合器就可以达到稳定状态。此时,MCU可以将待发送数据的第一个字节下载到数据传输寄存器中。
④ 综合器稳定工作后,CYWUSB6935将自动发射1个比特周期的引导信号(如:10101...),用于帮助接收机锁定发送机信号,并自动将传输数据寄存器中的数据下载到发射移位寄存器中,并向IRQ引脚发送“传输数据寄存器空”中断。MCU使用一个字节周期(125~512 μs,其长度取决于所选择的数据率)来下载下一个将要传输的数据。当新的数据写入发射移位寄存器时,“数据空”中断会被自动清除。
⑤ 在一段时间内,MCU通过反复查询“传输数据寄存器空”中断,不断将待发送数据下载到发射移位寄存器中,直到整个数据包下载完毕为止。
⑥ 完成数据下载之后,MCU通过设置“发射中断使能”寄存器使得“寄存器空”中断无效同时使能“发射”中断,再由CYWUSB6935射频部分完成数据无线传输的工作。当发送完最后一个数据字节后,“发射”中断被送至IRQ引脚。
⑦ 数据发送完后,MCU将CYWUSB6935设置成接收模式,准备接收从Bridge返回的表示已经顺利接收到数据的“握手包”。此时,高频综合器会降低工作频率(在接收模式下,综合器被用作本地振荡器,其频率将会从发射频段混频降至2 MHz的中频,用于解调无线信号)。
⑧ 当综合器频率稳定后,CYWUSB6935准备接收桥接器的“握手包”(如果在HID的CYWUSB6935综合器达到稳定之前,桥接器的“握手包”就已经到达,则HID无法成功接收到“握手包”;若HID成功接收到“握手包”,一个寄存器满信号将送至IRQ引脚)。若CYWUSB6935成功接收到了“握手包”,MCU将负责查阅该“握手包”数据,并且在接收有效寄存器中查询数据有效标志位;如果接收到无效“握手包”,或者在特定的时间内没有接收到有效“握手包”(握手包超时),MCU将会重新执行之前的第③步。
⑨ 如果CYWUSB6935顺利接收到有效“握手包”,MCU会通过控制寄存器将CYWUSB6935设置到空闲模式下。
⑩ 在完成所有的传输后,MCU可以利用PD引脚把CYWUSB6935置于休眠模式。在连续的多次传输过程中,在上一次所传输的数据末尾存在一个附加数据包,通知MCU将CYWUSB6935设置为在连续的数据传输间隙工作在空闲模式下,准备下一次传输,而无需等待其从休眠状态中被唤醒。
USB 半导体 电子 射频 Cypress 蓝牙 自动化 放大器 无线电 总线 机顶盒 传感器 SoC 收发器 电流 电压 LDO 电路 MCU LED 振荡器 相关文章:
- 实现WUSB设备控制器的设计考虑因素(09-12)
- 基于USB2.0的高速无线数传接收设备的数据接收存储方法(09-09)
- 四种短距离无线监控解决方案的性能对比(09-16)
- Wibree:一个可供选择的新无线联网技术(11-07)
- TI 单芯片手机多媒体电话解决方案(12-01)
- 蓝牙技术硬件实现模式分析(01-11)
