SPI接口的出错分析及其改进
时间:09-11
来源:互联网
点击:
单片机(MCU)系统为了与SPI标准外围接口器件进行通信,必须使用SPI( Serial Peripheral Interface,串行外设接口)总线。SPI总线系统是Motorola提出的一种同步串行外设接口,有信号线少、协议简单、传输速度快的特点,因此有不少外围器件都采用SPI总线,如Flash RAM、A/ D转换器、LED显示器、MCU以及计算机网络等。MCU中的SPI接口通过配置可与各个厂家生产的多种标准外围器件直接连接。
对于那些没有SPI接口功能的MCU来说,SPI接口的功能靠软件控制MCU的I/O口的方法来模拟。不过,用软件来模拟SPI接口的功能,工作速度非常慢,并且需要主从器件的软件之间配合得非常好。如果在单片机芯片内部用硬件电路来完成SPI接口功能,在硬件增加不多的情况下,能够极大地提高传输速度(最高频率可达主器件的频率的1/4),减轻软件的负担,使用极为方便。
SPI接口工作的时候,没有应答信号,并且数据在发送的时候无需校验位,所以,要求主从器件的软件必须完全符合SPI的时序要求,否则数据传输很容易出现错误。本文通过MCU中SPI接口模块的设计,分析数据传输的各种出错情况,并针对各种情况,增强SPI接口的错误处理能力。
1 SPR设定错误
在从器件时钟频率小于主器件时钟频率时,如果SCK的速率设得太快,将导致接收到的数据不正确(SPI接口本身难以判断收到的数据是否正确,要在软件中处理)。
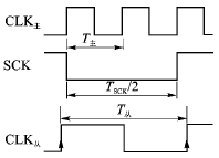
整个系统的速度受三个因素影响:主器件时钟CLK主、从器件时钟CLK从和同步串行时钟SCK,其中SCK是对CLK主的分频,CLK从和CLK主是异步的。要使SCK无差错无遗漏地被从器件所检测到,从器件的时钟CLK从必须要足够快。下面以SCK设置为CLK主的4分频的波形为例,分析同步串行时钟、主时钟和从时钟之间的关系。

图1主从时钟和SCK的关系
如图1所示,当T从图2中,当T从≥TSCK/2=2T主时,在clk_s的两个上升沿都检测不到SCK的低电平,这样从器件就会漏掉一个SCK。在某些相位条件下,即使CLK从侥幸能检测到SCK的低电平,也不能保证可以继续检测到下一个SCK。只要遗漏了一个SCK,就相当于串行数据漏掉了一个位,后面继续接收/发送的数据就都是错误的了。

图2主从时钟和SCK的关系
根据以上的分析,SPR和主从时钟比的关系如表1所列。
在发送数据之前按照表1对SPR进行设置,SPR设定错误可以完全避免。
2 模式错误(MODF)
模式错误表示的是主从模式选择的设置和引脚SS的连接不一致。
器件工作在主模式的时候(MSTR=1),它的片选信号SS引脚必须接高电平。在发送数据的过程中,如果它的SS从高电平跳至低电平,在SS的下降沿,SPI模块将检测到模式错误,对MODF位置1,强制器件从主模式转入从模式(即令MSTR=0),清空内部计数器counter,并结束正在进行的数据传输,如图3(a)所示。
对从模式(MSTR=0),在没有数据传送的时候,SS高电平表示从器件未被选中,从器件不工作,MISO输出高阻;在数据传输过程中,片选信号SS必须接低电平,且SS不允许跳变。如果SS从低电平跳到高电平,在SS的上跳沿,SPI模块也将检测到模式错误,清空内部计数器counter,并结束正在进行的数据传输。直到SS恢复为低电平,重新使SPEN=1时,才重新开始工作,如图3(b)所示。

图3模式错误的检测
3 溢出错误(OVR)
溢出错误表示连续传输多个数据时,后一个数据覆盖了前一个数据而产生的错误。
状态标志SPIF表示的是数据传输正在进行中,它对数据的传输有较大的影响。主器件的SPIF有效由数据寄存器的空标志SPTE=0产生,而从器件的SPIF有效则只能由收到的第一个SCK的跳变产生,且又由于从器件的SPIF和主器件发出的SCK是异步的,因此从器件的传输标志SPIF从相对于主器件的传输标志SPIF主有一定的滞后。如图4所示,在主器件连续发送两个数据的时候将有可能导致从器件的传输标志和主器件下一个数据的传输标志相重叠(图4中虚线和阴影部分),第一个收到的数据必然被覆盖,第二个数据的收/发也必然出错,产生溢出错误。

图4溢出错误
通过对从器件的波形分析发现,counter=8后的第一个时钟周期,数据最后一位的传输已经完成。在数据已经收/发完毕的情况下,counter=8状态的长短对数据的正确性没有影响,因此可以缩短counter=8的状态,以避免前一个SPIF和后一个SPIF相重叠。这样,从硬件上避免了这一阶段的溢出错误。
但是,如果从器件工作速度不够快或者软件正在处理其他事情,在SPI接口接收到的数据尚未被读取的情况下,又接收到一个新的数据,溢出错误还是会发生的。此时,SPI接口保护前一个数据不被覆盖,舍弃新收到的数据,置溢出标志OVR=1;另外发出中断信号(如果该中断允许),通知从器件及时读取数据。
对于那些没有SPI接口功能的MCU来说,SPI接口的功能靠软件控制MCU的I/O口的方法来模拟。不过,用软件来模拟SPI接口的功能,工作速度非常慢,并且需要主从器件的软件之间配合得非常好。如果在单片机芯片内部用硬件电路来完成SPI接口功能,在硬件增加不多的情况下,能够极大地提高传输速度(最高频率可达主器件的频率的1/4),减轻软件的负担,使用极为方便。
SPI接口工作的时候,没有应答信号,并且数据在发送的时候无需校验位,所以,要求主从器件的软件必须完全符合SPI的时序要求,否则数据传输很容易出现错误。本文通过MCU中SPI接口模块的设计,分析数据传输的各种出错情况,并针对各种情况,增强SPI接口的错误处理能力。
1 SPR设定错误
在从器件时钟频率小于主器件时钟频率时,如果SCK的速率设得太快,将导致接收到的数据不正确(SPI接口本身难以判断收到的数据是否正确,要在软件中处理)。
整个系统的速度受三个因素影响:主器件时钟CLK主、从器件时钟CLK从和同步串行时钟SCK,其中SCK是对CLK主的分频,CLK从和CLK主是异步的。要使SCK无差错无遗漏地被从器件所检测到,从器件的时钟CLK从必须要足够快。下面以SCK设置为CLK主的4分频的波形为例,分析同步串行时钟、主时钟和从时钟之间的关系。

图1主从时钟和SCK的关系
如图1所示,当T从图2中,当T从≥TSCK/2=2T主时,在clk_s的两个上升沿都检测不到SCK的低电平,这样从器件就会漏掉一个SCK。在某些相位条件下,即使CLK从侥幸能检测到SCK的低电平,也不能保证可以继续检测到下一个SCK。只要遗漏了一个SCK,就相当于串行数据漏掉了一个位,后面继续接收/发送的数据就都是错误的了。

图2主从时钟和SCK的关系
根据以上的分析,SPR和主从时钟比的关系如表1所列。
在发送数据之前按照表1对SPR进行设置,SPR设定错误可以完全避免。
2 模式错误(MODF)
模式错误表示的是主从模式选择的设置和引脚SS的连接不一致。
器件工作在主模式的时候(MSTR=1),它的片选信号SS引脚必须接高电平。在发送数据的过程中,如果它的SS从高电平跳至低电平,在SS的下降沿,SPI模块将检测到模式错误,对MODF位置1,强制器件从主模式转入从模式(即令MSTR=0),清空内部计数器counter,并结束正在进行的数据传输,如图3(a)所示。
对从模式(MSTR=0),在没有数据传送的时候,SS高电平表示从器件未被选中,从器件不工作,MISO输出高阻;在数据传输过程中,片选信号SS必须接低电平,且SS不允许跳变。如果SS从低电平跳到高电平,在SS的上跳沿,SPI模块也将检测到模式错误,清空内部计数器counter,并结束正在进行的数据传输。直到SS恢复为低电平,重新使SPEN=1时,才重新开始工作,如图3(b)所示。

图3模式错误的检测
3 溢出错误(OVR)
溢出错误表示连续传输多个数据时,后一个数据覆盖了前一个数据而产生的错误。
状态标志SPIF表示的是数据传输正在进行中,它对数据的传输有较大的影响。主器件的SPIF有效由数据寄存器的空标志SPTE=0产生,而从器件的SPIF有效则只能由收到的第一个SCK的跳变产生,且又由于从器件的SPIF和主器件发出的SCK是异步的,因此从器件的传输标志SPIF从相对于主器件的传输标志SPIF主有一定的滞后。如图4所示,在主器件连续发送两个数据的时候将有可能导致从器件的传输标志和主器件下一个数据的传输标志相重叠(图4中虚线和阴影部分),第一个收到的数据必然被覆盖,第二个数据的收/发也必然出错,产生溢出错误。

图4溢出错误
通过对从器件的波形分析发现,counter=8后的第一个时钟周期,数据最后一位的传输已经完成。在数据已经收/发完毕的情况下,counter=8状态的长短对数据的正确性没有影响,因此可以缩短counter=8的状态,以避免前一个SPIF和后一个SPIF相重叠。这样,从硬件上避免了这一阶段的溢出错误。
但是,如果从器件工作速度不够快或者软件正在处理其他事情,在SPI接口接收到的数据尚未被读取的情况下,又接收到一个新的数据,溢出错误还是会发生的。此时,SPI接口保护前一个数据不被覆盖,舍弃新收到的数据,置溢出标志OVR=1;另外发出中断信号(如果该中断允许),通知从器件及时读取数据。
- USB接口芯片的原理及应用 (04-15)
- 基于GPRS的远程心电实时监护终端(02-10)
- 基于AVR单片机的嵌入式“瘦服务器”系统设计思想(03-11)
- 利用C8051F020的SPI接口扩展大容量数据存储器(04-10)
- 基于GPRS的油烟远程无线监控系统设计(04-17)
- 基于Microchip单片机的网络收音机方案(04-27)
