LON总线的USB2.0接口卡的研制
时间:09-03
来源:互联网
点击:
LONWorks总线是由美国Echelon公司推出的一种现场总线技术,由于LonWorks控制网络的开放性、高速性、互操作性及其对现场环境的适应性,它已广泛应用于楼宇自动化、家庭自动化、保安系统、办公设备、交通运输、工业过程控制等行业。LON总线的现场节点间采用LonTalk协议。当工程师使用便携设备对现场节点进行检测或进行现场数据采集时,往往只能使用RS232串口。众所周知,RS232的传输速度最高只能达到9600kbps,这对实时性要求很高的现场数据采集来说远远不能满足要求。针对这一情况,笔者开发研制了LON总线的USB2.0接口卡。该卡提供的USB2.0接口使得数据的传输速度能提高到480Mbps.并且向下完全兼容流行的USBl.1协议。
1 USB2.0的主要特点
USB协议的2.0版本于2000年4月推出,支持以下3种速度模式:低速模式(low speed)1.5Mb/s;全速模式(full speedl 12Mb/s;高速模式(high speed)480Mb/s。它支持现存的所有US B设备.可以把USB1.1设备插入USB1.1的PC机接口,并且在电气上兼容USB1.1的连接线。
1.1 USB总线特点
◆数据传输速率高;
◆数据传输可靠;
◆同时挂接多个USB设备;
◆USB接口能为设备供电;
◆支持热插拔。
1.2 USB的新特性
USB还具有一些新的特性。如:实时性(可以实现和一个设备之间有效的实时通信)、动态性(可以实现接口间的动态切换)、联合性(不同的而又有相近特性的接口可以联台起来)和多能性(各个不同的接口可以使用不同的供电模式)。
2 LonWorks接口卡硬件设计
2.1 LonWorks接口卡通信原理及硬件结构
该接口卡的工作原理如下:接口卡由LON网接口模块和USB2.0接口模块组成,如图1所示,它采用双CPU技术,主CPU为USB2.0控制器CY7C68013内置的增强8051内核(该内核的运行速度是普通8051的5倍),主要作为协议的转换模块,用来完成USB2.0协议与LonTalk协议之间的转换,向上与便携PC机(或其它具有USB接口的便携设备)进行通信,向下与3150进行并口通信,辅CPU为TMPN3l50,主要起LON网接口的功能,作为通信协处理器使用,将从主CPU接收到的来自便携PC机(或其它具有USB接口的便携设备)的报文解析成Lontalk协议报文并通过Lonworks收发器传向LON网,或将从LON网上接收到的Lontalk协议报文转发给主CPU,再由主CPU传向便携PC机(或其它具有USB接口的便携设备)。51CPU与Neuron3150采用并行方式通信。Neuron芯片的11个I/O有34种可选工作模式,其中包括并行I/O方式,该方式数据的最大传送速率可达3.3Mbps。并口工作方式在数据传送速度方面的优势,使得Neuron芯片与51CPU完成大数据量的传送成为可能。它们之间的数据传输是通过运用“虚写令牌传递机制”实现的,拥有令牌的一方拥有对数据总线的写控制权。
2. 2 LonWOrks接口卡硬件电路设计
该接口卡中,USB2.O控制器采用Cypress公司推出的USB2.0控制器CY7C68013,它是USB2.0的完整解决方案。该芯片包括带8.5KB片上RAM的高速8051单片机、4KB FIFO存储器以及通用可编程接口(GPIF)、串行接口引擎(SIE)和USB2.O收发器。它无需外加芯片即可完成高速USB传输,性价比较高。智能串行接口引擎(SIE)执行所有基本的USB功能,将嵌入式MCU解放出来用于实现专用的功能,井保证其持续高性能的传输速率。通用可编程接口(GPIF)允许它“无胶粘接”,即可与任何ASIC或DSP进行连接,并且还支持所有通用总线标准,包括ATA、UTOPIA、EPP和PCMCIA。它完全适用于USB2.0,并向下兼容USB1.1。
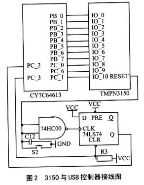
3150芯片选用Toshiba公司生产的TMPN3150。3150片内存储器的地址范围是E800H~FFFH,包括2KB的SRAM和512B的EEPROM。3150可以外接存储器,如RAM、ROM、EEPROM或Flash,其地址范围是0000H~7FFH。根据一般应用的性能和成本要求,3l50的外部存储器采用Flash和RAM。Flash选用IS61C256AH-15N,RAM选用AT29C512。61C256和29C512的地址范围通过逻辑门电路根据Neuron芯片的地址线和控制线E来确定。51与3l50采用3150的并口通信方式,将Neuron芯片的IO0~IO7作为8根数据线与51CPu的PB(PB0-PB7)口相连-108作为片选信号线e§)与51CPU的PCO口相连.IO9作为数据读/写信号线(R/W)与51CPU的PC6口(写信号)相连。IO10作为握手信号线(HS)与51CPU的PC1口相连。
为提高增加接口卡的可靠性及稳定性,本设计增加了一个锁存器,完成复位接口的功能。当3150芯片复位时,通过锁存器将复位信号传送给CY7C68013内置的8051处理器,8051接到复位信号自动复位,并马上清锁存器,其接线如图2所示。在并口通信中,8051与3150同步非常重要,要完成并口通信,8051首先要与3150达到同步且同步操作必须在3150复位时进行。8051只在初始化程序时才与3150进行同步操作。因此完成同步后,每当3l50由于误操作或错误运行而造成复位时,3150与8051将会失去同步,而8051无法检测到,从而造成并口通信失败。加入锁存器之后,8051就能检测到3150的复位信号并自动复位自己的程序,使得8051与3150再次达到同步。这将使适配器的可靠性和稳定性都得到加强。
Neuron芯片与LON网络介质的接口采用一种LonWorks自由拓扑型收发器FTT-IOA。FTT-IOA是一种变压器耦台收发器,可提供一个与双绞线的无极性接口,且支持网络的自由拓扑结构。网络通信介质采用最常用的双绞线。
1 USB2.0的主要特点
USB协议的2.0版本于2000年4月推出,支持以下3种速度模式:低速模式(low speed)1.5Mb/s;全速模式(full speedl 12Mb/s;高速模式(high speed)480Mb/s。它支持现存的所有US B设备.可以把USB1.1设备插入USB1.1的PC机接口,并且在电气上兼容USB1.1的连接线。
1.1 USB总线特点
◆数据传输速率高;
◆数据传输可靠;
◆同时挂接多个USB设备;
◆USB接口能为设备供电;
◆支持热插拔。
1.2 USB的新特性
USB还具有一些新的特性。如:实时性(可以实现和一个设备之间有效的实时通信)、动态性(可以实现接口间的动态切换)、联合性(不同的而又有相近特性的接口可以联台起来)和多能性(各个不同的接口可以使用不同的供电模式)。
2 LonWorks接口卡硬件设计
2.1 LonWorks接口卡通信原理及硬件结构

该接口卡的工作原理如下:接口卡由LON网接口模块和USB2.0接口模块组成,如图1所示,它采用双CPU技术,主CPU为USB2.0控制器CY7C68013内置的增强8051内核(该内核的运行速度是普通8051的5倍),主要作为协议的转换模块,用来完成USB2.0协议与LonTalk协议之间的转换,向上与便携PC机(或其它具有USB接口的便携设备)进行通信,向下与3150进行并口通信,辅CPU为TMPN3l50,主要起LON网接口的功能,作为通信协处理器使用,将从主CPU接收到的来自便携PC机(或其它具有USB接口的便携设备)的报文解析成Lontalk协议报文并通过Lonworks收发器传向LON网,或将从LON网上接收到的Lontalk协议报文转发给主CPU,再由主CPU传向便携PC机(或其它具有USB接口的便携设备)。51CPU与Neuron3150采用并行方式通信。Neuron芯片的11个I/O有34种可选工作模式,其中包括并行I/O方式,该方式数据的最大传送速率可达3.3Mbps。并口工作方式在数据传送速度方面的优势,使得Neuron芯片与51CPU完成大数据量的传送成为可能。它们之间的数据传输是通过运用“虚写令牌传递机制”实现的,拥有令牌的一方拥有对数据总线的写控制权。
2. 2 LonWOrks接口卡硬件电路设计
该接口卡中,USB2.O控制器采用Cypress公司推出的USB2.0控制器CY7C68013,它是USB2.0的完整解决方案。该芯片包括带8.5KB片上RAM的高速8051单片机、4KB FIFO存储器以及通用可编程接口(GPIF)、串行接口引擎(SIE)和USB2.O收发器。它无需外加芯片即可完成高速USB传输,性价比较高。智能串行接口引擎(SIE)执行所有基本的USB功能,将嵌入式MCU解放出来用于实现专用的功能,井保证其持续高性能的传输速率。通用可编程接口(GPIF)允许它“无胶粘接”,即可与任何ASIC或DSP进行连接,并且还支持所有通用总线标准,包括ATA、UTOPIA、EPP和PCMCIA。它完全适用于USB2.0,并向下兼容USB1.1。
3150芯片选用Toshiba公司生产的TMPN3150。3150片内存储器的地址范围是E800H~FFFH,包括2KB的SRAM和512B的EEPROM。3150可以外接存储器,如RAM、ROM、EEPROM或Flash,其地址范围是0000H~7FFH。根据一般应用的性能和成本要求,3l50的外部存储器采用Flash和RAM。Flash选用IS61C256AH-15N,RAM选用AT29C512。61C256和29C512的地址范围通过逻辑门电路根据Neuron芯片的地址线和控制线E来确定。51与3l50采用3150的并口通信方式,将Neuron芯片的IO0~IO7作为8根数据线与51CPu的PB(PB0-PB7)口相连-108作为片选信号线e§)与51CPU的PCO口相连.IO9作为数据读/写信号线(R/W)与51CPU的PC6口(写信号)相连。IO10作为握手信号线(HS)与51CPU的PC1口相连。

为提高增加接口卡的可靠性及稳定性,本设计增加了一个锁存器,完成复位接口的功能。当3150芯片复位时,通过锁存器将复位信号传送给CY7C68013内置的8051处理器,8051接到复位信号自动复位,并马上清锁存器,其接线如图2所示。在并口通信中,8051与3150同步非常重要,要完成并口通信,8051首先要与3150达到同步且同步操作必须在3150复位时进行。8051只在初始化程序时才与3150进行同步操作。因此完成同步后,每当3l50由于误操作或错误运行而造成复位时,3150与8051将会失去同步,而8051无法检测到,从而造成并口通信失败。加入锁存器之后,8051就能检测到3150的复位信号并自动复位自己的程序,使得8051与3150再次达到同步。这将使适配器的可靠性和稳定性都得到加强。
Neuron芯片与LON网络介质的接口采用一种LonWorks自由拓扑型收发器FTT-IOA。FTT-IOA是一种变压器耦台收发器,可提供一个与双绞线的无极性接口,且支持网络的自由拓扑结构。网络通信介质采用最常用的双绞线。
总线 自动化 USB 收发器 电路 Cypress 单片机 嵌入式 MCU DSP 变压器 PCB 电压 二极管 Keil C语言 相关文章:
- 热插拔和缓冲I2C总线 (04-14)
- PCIe总线何时突破Unix服务器坚冰(02-03)
- TMS320VC5402 HPI接口与PCI总线接口设计(04-12)
- 基于Nios II的I2C总线接口的实现(04-09)
- 双口RAM CY7C026在高速数据采集系统中的应用(04-12)
- 计算机在新型多电机同步系统中的应用(07-08)
