晶闸管整流电路的功率因数是怎么定义的 与哪些因数有关?六个二极管的整流电路画法
时间:04-02
来源:网络整理
点击:
晶闸管整流电路的功率因数是怎么定义的 与哪些因数有关?
电压是正弦波。
电流是非正弦波。
求出电流基波的有效值及相位角。
求出电流的有效值(基波及各次谐波有效值平方和再开平方)
视在功率=电压有效值*电流有效值 S 有功功率P=基波的有功功率=电压有效值*基波电流有效值*基波功率因数
功率因数=P/S
整流电路是使用二极管的什么特性来实现整流的:
二极管的单向导电性:
PN结加正向电压时,可以有较大的正向扩散电流,即呈现低电阻, 我们称PN结导通; PN结加反向电压时,只有很小的反向漂移电流,呈现高电阻, 我们称PN结截止。 这就是PN结的单向导电性。
最为简易的整流电路图画法:
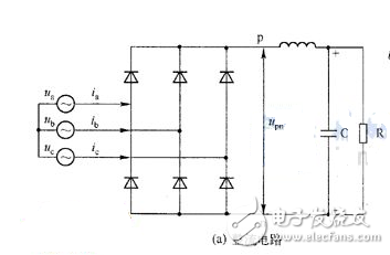
六个二极管的整流电路画法:

二极管全波整流电路图、全波整流电路图:
二个二极管整流电路画法:

- 电动机全波能耗制动控制电路(10-02)
- 多功能逆变电浅谈电力电子技术中的整流电路(10-13)
- 介绍整流电路的类型以及相关原理(05-18)
- 三相桥式全控整流电路原理及电路图,三相桥式全控整流电路原理及电路图(04-02)
- 电容在整流电路中有什么作用?半波整流电路是什么?单相半波可控整流电路的工作原理(04-02)
- 十种最经典的精密整流电路电路图及其原理,精密整流电路和普通整流电路有什么区别?(04-02)
