变频器干扰问题的解决方案
波器;为减少对电源干扰,可在变频器输入侧设置输入滤波器。若线路中有敏感电子设备如控制器和变送器等,可在该设备的电源线上设置电源噪声滤波器以免传导干扰。滤波器根据使用位置的不同,可分为:
(1)输入滤波器通常有两种:
a、线路滤波器:主要由电感线圈构成,它通过增大线路在高频下的阻抗来削弱频率较高的谐波电流。
b、辐射滤波器:主要由高频电容器构成,它将吸收点频率很高的、具有辐射能量的谐波成分。
(2)输出滤波器也由电感线圈构成。它可以有效地削弱输出电流中的高次谐波成分。非但起到抗干扰的作用,且能消弱电动机中由高次谐波产生的谐波电流引起的附加转矩。对于变频器输出端的抗干扰措施,必须注意一下方面:
a、变频器的输出端不允许接入电容器、以免在逆变管导通(关断)瞬间,产生峰值很大的充电(或放电)电流,损害逆变管;
b、当输出滤波器由LC电路构成时,滤波器内接入电容器的一侧,必须与电动机侧相接。
7、采用电抗器:在变频器的输入电流中频率较低的谐波成分(5次谐波、7次谐波、11次谐波、13次谐波等)所占的比重是很高的,它们除了可能干扰其它设备的正常运行之外,还因为它们消耗了大量的无功功率,使线路的功率因素大为下降。在输入电路内串入电抗器是抑制较低谐波电流的有效方法。根据接线位置的不同,主要有以下两种:
(1)交流电抗器:串联在电源与变频器的输入侧之间。其主要功能有: a、通过抑制谐波电流,将功率因素提高至(0.75-0.85); b、削弱输入电路中的浪涌电流对变频器的冲击; c、削弱电源电压不平衡的影响。
(2)直流电抗器:串联在整流桥和滤波电容器之间。它的功能比较单一,就是削弱输入电流中的高次谐波成分。但在提高功率因素方面比交流电抗器有效,可达0.95,并具有结构简单、体积小等优点。
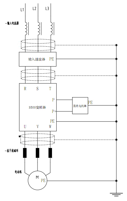
图1是一个解决变频器干扰的典型方案

如图所示,变频器的抗干扰措施主要包括在变频器进线部分加装交流电抗器和滤波器,进线和出线采用屏蔽电缆,所有电缆的屏蔽层与电抗器、滤波器、变频器和电机的保护地共同接地,且该接地点与其他接地点分开,保持足够的距离。同时,信号电缆和变频器的动力电缆不要平行布置。
此外,为防止变频器干扰信号和控制回路,需要给控制器、仪表和工控机采用单独的隔离电源进行供电。
- 解密变频器抗干扰问题(04-04)
- 变频器惯性输出技术(06-20)
- 变频器在高速公路上的应用(06-29)
- 变频器对电机影响的解决方法(08-10)
- 变频器应用中的发热噪声谐波问题及应对措施(09-05)
- 风光高压变频器的电快速脉冲群干扰特点及抑制方法(11-15)
