详解二次回路的基本控制原理
回路与M2的控制回路串联。
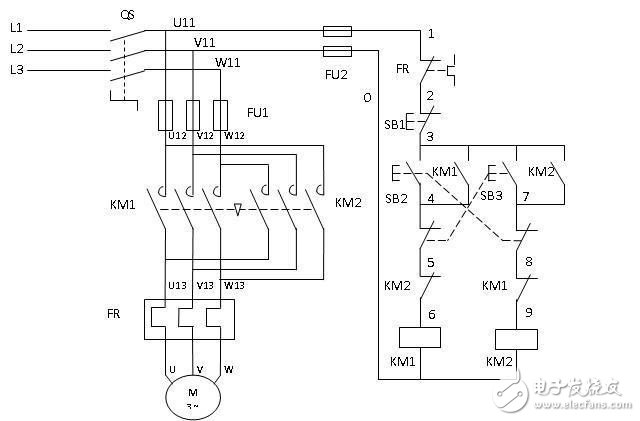
电动机正反转
要实现电动机的正反转,用到的原理是使用两个接触器,把三相电的相序改变。
电路▼

注意看左侧的主回路,三项电L1,L2,L3通过接触器KM1到达电动机M1的顺序为左、中、右;而通过接触器KM2到达电动机M1的顺序为右、中、左。相序的改变实现了电机运转方向的改变。这一用法用在电动汽车或电动三轮车上,即可实现倒车的功能。现在有一种更方便的元件,叫做"倒顺开关",其原理便是如此。
为了方便描述,假设在SB2回路闭合时电动机转动的方向为正,下文称SB2所在回路为正转回路,SB3所在回路为反转回路。
我们来看控制回路,为了方便讲解,我们在图中做了数字的编号,每一个编号,都对应其正上方的元件。同样的,对于接触器常开线圈KM1和KM2的作用不再重复。
这张图如果没有编号6和编号9那两个接触器常闭触点,和编号5和编号8那两个机械互锁按钮的常闭触点,就很好理解。即按下SB2,电动机正转,按下SB3,电动机反转。
这里出现了一个问题,就是如果同时按下SB2和SB3或在电动机正转的时候按下SB3,就会造成短路事故。因此我们在电路中接入了接触器常闭触点。在正转的控制回路中接入KM2的常闭触点,而在反转的控制回路中接入KM1的常闭触点。这样以来,当电动机正转时,由于接触器KM1的线圈通电,因此常闭触点KM1是断开状态,因此就算此时按下按钮SB3,也不会有任何反应。
两个接触器的常闭触点分别连接到对方所在回路中,如此一来,其中一个接触器通电时,另一个接触器就不能再通电,这就是"互锁"。
此时我们还面临一个麻烦事,就是电动机正转时,如果想让它反转,唯一的办法就是按下停止按钮,再按反转按钮,这样就很麻烦。为了方便,我们采用了机械互锁的按钮,并把它的常闭触点接入旁边的控制回路中——就是图中的编号5和编号8。
此时,当电动机正转时,我们按下SB3,此时编号5的常闭触点断开,即正转回路失电,因此线圈KM1失电,常闭触点KM1恢复闭合状态,线圈KM2即可得电,反转回路正常运行。这样以来,在电动机正转切换反转时,就不用再按停止按钮了。
实物连接图▼

实际应用中,常常需要把上述所有电路结合起来使用,但只要单个图的原理想明白了,涉及到的知识再多,也不在话下。
电机控制 相关文章:
- 用于白家电应用的无刷直流电机驱动及控制方案(09-12)
- 意法半导体:三相电机控制解决方案(02-25)
- 最新知名厂商电机控制解决方案集锦(07-15)
- 《马达与电机控制设计核心攻略》你值得拥有!(04-30)
- ADI基于ADSP-CM408的电机控制系统(02-23)
- 英飞凌PMSM电机控制系统的解决方案(02-20)
