Renesas RX62T 32位MCU开发方案
时间:07-06
来源:3721RD
点击:

图1.RX62T方框图
This RSK is an evaluation tool for Renesas microcontrollers. This manual describes the technical details of the RSK hardware. The Quick Start Guide and Tutorial Manual provide details of the software installation and debugging environment.
RX62T RSK主要特性:
This RSK provides an evaluation of the following features:
• Renesas microcontroller programming
• User code debugging
• User circuitry such as switches, LEDs and a potentiometer
• Sample application
• Sample peripheral device initialisation code

图2.RX62T RSK外形图

图3.RX62T RSK方框图

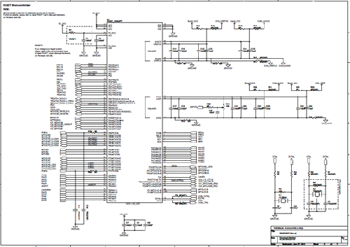
图4.RX62T RSK电路图(1)

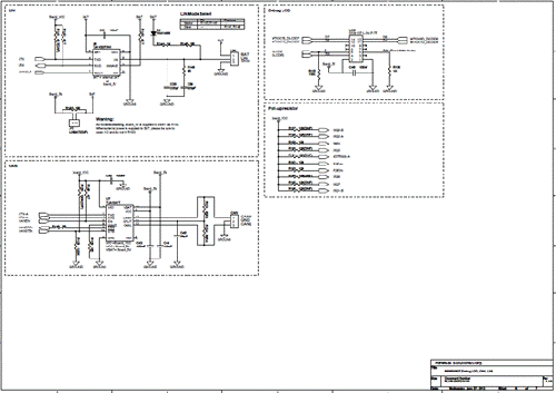
图5.RX62T RSK电路图(2)

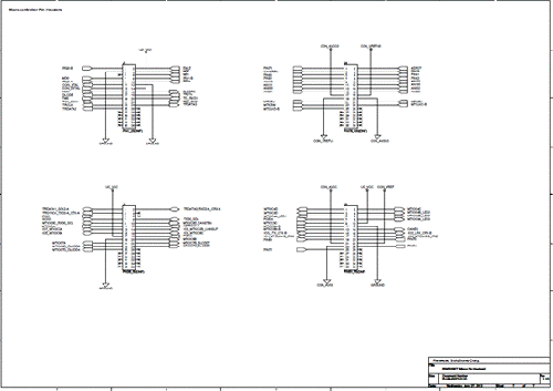
图6.RX62T RSK电路图(3)

图7.RX62T RSK电路图(4)

图8.RX62T RSK电路图(5)

图9.RX62T RSK电路图(6)

图10.RX62T RSK PCB元件布局图(顶层)

图11.RX62T RSK PCB元件布局图(底层)
- 瑞萨推出基于RX的瑞萨先进电机控制算法(06-24)
- 音响系统的USB接口开发分析及主流芯片比较 (02-01)
- 让DSP成为创新的不竭源泉(03-08)
- 基于双星定位的4G监控报警系统设计(06-29)
- 可重定目标的嵌入式集成开发平台设计(08-03)
- 基于U盘和单片机的FPGA配置(08-25)
