电容。(6)式经整理得:
由(7)式可知,本电路中检测电压|VCHA|的取值只能大于M2的阈值电压,改变M1和M2的宽长比可改变检测电压VCHA。当M2未导通时,电路消耗的电流较小;当M2导通时,就会有电源到地的通路,为了减小消耗的电流,一般取M1的宽长比小于1。
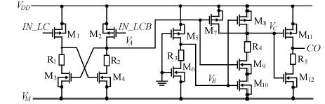
电平转换电路及0V 电池充电抑制电路
由于电平转换电路和0V电池充电抑制电路的目的都是为了控制CO端,这两个功能可用一个电路完成,如图7 所示给出了具体实现电路。
电平转换功能主要由M1-M4、R1和R2组成的电路完成;0V电池充电抑制功能主要由M5、M6和R3完成;M7-M10和R4组成的与非门在电平转换功能和0V 电池充电抑制功能之间进行选择。电阻起限流作用。下面是这两个功能的具体实现过程。
电平转换实现过程
在正常的放电过程中,VM端电位大于零而接近于零,可近似为VSS。此时,该电路的输入信号IN_LCB=‘0’,IN_LC=‘1’,显然,CO输出为高电平(VDD)。
在正常的充电过程中,VM端电位小于零而接近于零,仍可近似为VSS。当出现过充电或充电过流时,IN_LC=‘0’,IN_LCB=‘1’,VA为VM端电位,VB为VDD电位,VC输出VDD电位,因此CO与VM等电位。
 图6 负压检测原理  图7 电平转换电路及0V电池充电抑制电路 0V 电池充电抑制实现过程 0V 电池充电抑制功能发生在充电过程中,此时,IN_LCB=‘0’,IN_LC=‘1’,VA 为高电平。当电池电压VDD小于或等于1V时,M5关闭,另外,较小的电池电压使其内阻变小,接近内部短路。在这种情况下充电,充电电流一定很大,导致VM的电位下降很大,使M6 导通,VB由低电平转化为高电平,CO端输出电位接近VM电位。
模拟结果
芯片的所有功能和主要参数均用HSPICE 进行了模拟验证。图8 给出了过充电保护检测和释放波形图,图9 给出了过放电保护检测和释放波形图,其中COMP_OC 为过充电比较器的输出信号,COMP_OD 为过放电比较器的输出信号;芯片的过充电和过放电检测精度约为30mV,在正常工作时消耗的电流为3.23uA,在待机状态时消耗的电流为0.15uA。
 图8 过充电保护检测和释放波形图  图9 过放电保护检测和释放波形图 总 结
本文设计了一种单节锂离子电池保护芯片,它可用常规的P 阱或双阱CMOS工艺实现。为了提高检测异常情况的精度,芯片中引入了滤除干扰电路,放电过流采用三级保护机制,电压基准采用带隙基准源;为了降低功耗,采用了如下措施:将模拟电路偏置在弱反型区,引入了待机状态电路;另外,本文用巧妙的电路结构实现了待机状态电路、充电过流检测电路以及0V电池充电抑制电路。经过模拟验证,本文设计的芯片能有效防止锂离子电池在应用中所发生的过充电、过放电和过电流现象,并且具有良好的性能。
| | | |