请教一个封装问题
时间:10-02
整理:3721RD
点击:
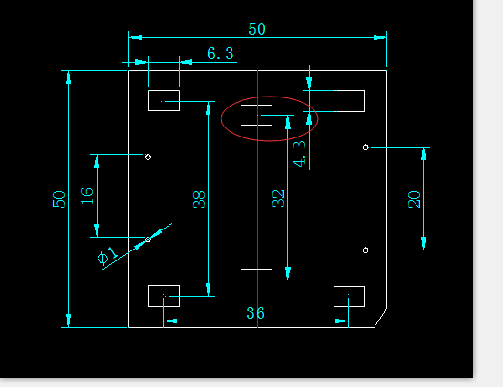
请教下如图红圈的槽孔一般要开槽开多少?按图所示的设置行不行


6个槽都是6.3X4.3
不过根据经验,每边可以加0.1到0.2
那我图里填的尺寸参数没问题吧?
