led封裝怎麼畫
时间:10-02
整理:3721RD
点击:
我是layout新手
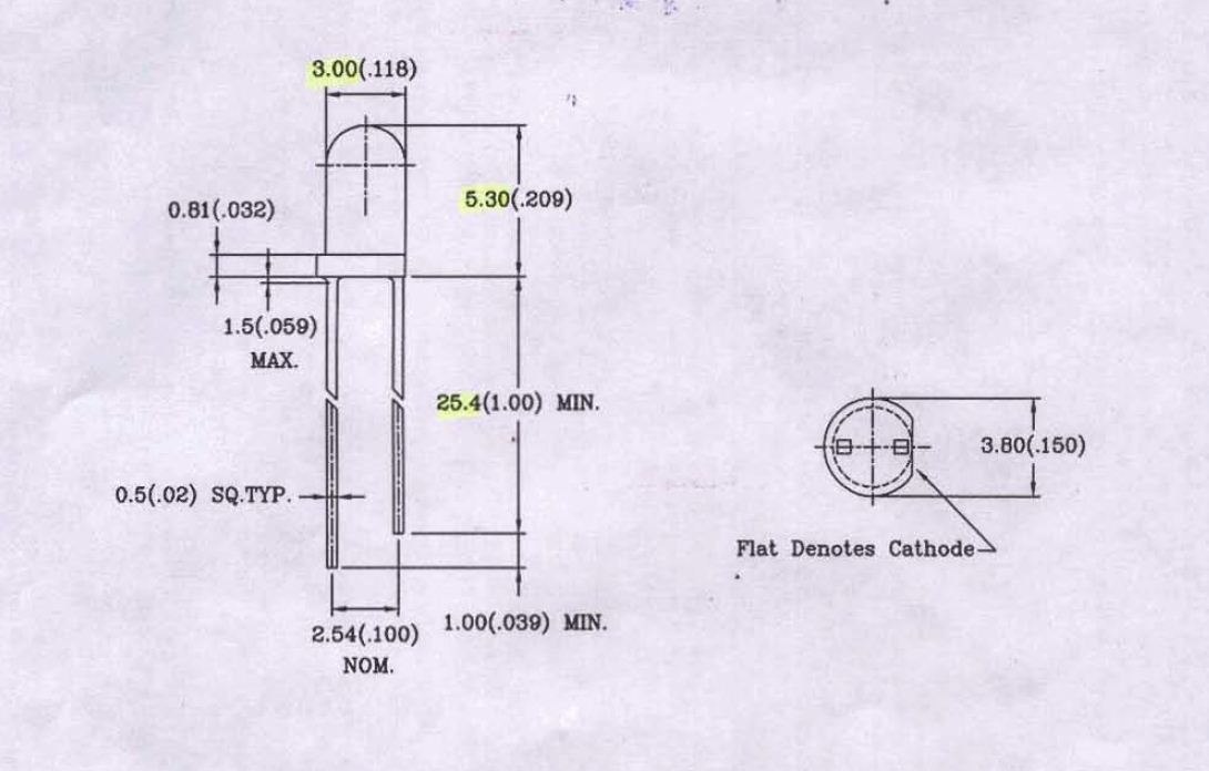
想請問各位關於圖中這種led都是怎麼建的
我個人是用2D LINE中Path+Add Arc
可是我每次畫角度都不一樣
還有參數的部分我也看不是很明白
求大神幫忙
想請問各位關於圖中這種led都是怎麼建的
我個人是用2D LINE中Path+Add Arc
可是我每次畫角度都不一樣
還有參數的部分我也看不是很明白
求大神幫忙
我建議 你的2DLINE 不要學原圖設計 畫個大圈圈 比那兩個drill大 即可 重點在於drill hole 0.5mm 外圈1.2mm即可 孔對孔距離2.54mm
drill hole 用0.8mm 比較好插入
感謝回復
不過我照spec畫是想說led有極性
怕插件部分會搞錯
你在正極端 加個 +
初學2D LINE 壓 soldermask 是可以拉 不影響 但熟練後 我們都盡量不讓文字或2d line 去壓soldermask
