简单电路分析 求解中。。。。。
时间:10-02
整理:3721RD
点击:
有道认识 多多指教。
什么鬼东东啊,见头不见尾的
LZ让我们猜谜呢?
看的不是很懂。
看不明白
呵呵 这回大家看看吧

等待高手出现,希望讲解详细点。
等待高手出现,
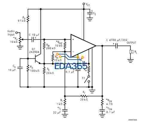
输出串联RC到地,形成一个高通滤波器,应该是滤出放大器自激震荡。三级管发射极提供一个嵌位电压与两个电阻(减小电流)串联分别并联合到两个输入端,当没信号输入时,两个输入端电压一致,就没有输出。当有信号时,通过两个输入经过电阻电容到地,给两个输入形成了电压差(差分信号),嵌位也会随信号改变两个输入电压!反馈电阻主要是防止输出饱和!
你的意思是 三极管的作用就是串联的那两个电阻 就是造成电位差吗/
嵌位,意思是提高信号参考点,为了防止电流过大,在输入端分别串联电阻到三级管发射极。
