请教高手下图的封装应该怎么画?
时间:10-02
整理:3721RD
点击:
请教高手下图的封装应该怎么画?尺寸是按照图示的一样呢还是大零点几毫米你呢?
不是照着画么
为什么每次我都看不见图片?
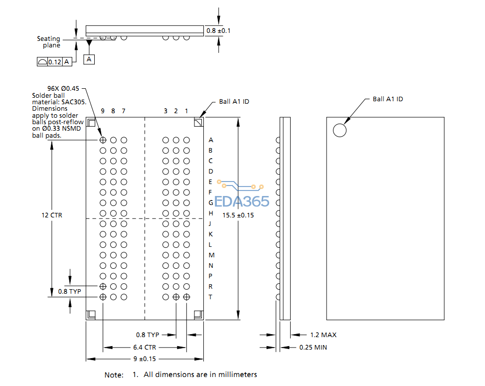
用lp或者自带的wizard生成封装,再把中间的3列手动删掉
照图尺寸画吧
焊盘小于等于这个上的就可以了吧,一般我这么做,方便扇出
应该小于或者等于是吧,谢谢啊
采用BGA封装生成向导生成一个16×9的焊盘阵列,然后删除中间的三列,再按照芯片的大小绘制丝印和方向标识,注意丝印的位置别偏了,可以比器件稍微大个零点几毫米,或者画大小两个丝印框。焊盘大小一般比焊球直径稍微小5%,注意阻焊层开窗最好要跟助焊层开窗以及焊盘大小一样,有助于焊接质量
