1/6 transformer
时间:04-08
整理:3721RD
点击:
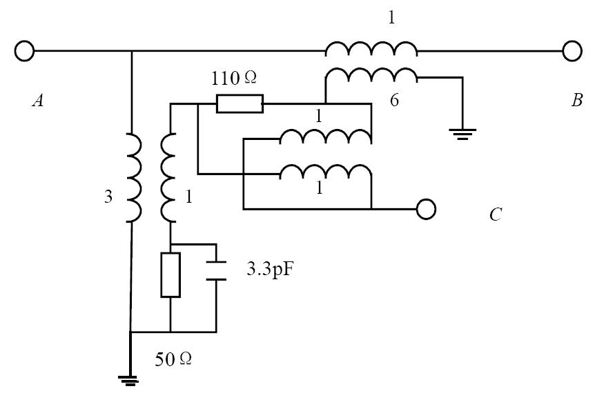
I want to design a high power(200w CW) directional coupler as following circuit,It work over the range from (30~80)MHz.
I am going to use a 3:5 voltage ratio transmission-line transformer as a 1:3 impedance ratio transformer.
However I don"t know how to design 1:6 impedance ratio transformer,who can help me?
Thanks.

I am going to use a 3:5 voltage ratio transmission-line transformer as a 1:3 impedance ratio transformer.

However I don"t know how to design 1:6 impedance ratio transformer,who can help me?
Thanks.
See attachment below.
You can use a 5/2 four delay line transformer similar to your 5/3 transformer.
Thank VSWR,FVM.
I hope to read the book Transmission Line Transformers,May you email the ebook to me? my email is liok802000@yahoo.com.cn
Thank.
Added after 29 seconds:
Thank VSWR,FVM.
I hope to read the book Transmission Line Transformers,May you email the ebook to me? my email is liok802000@yahoo.com.cn
Thank.
You should be able to locate it at the internet, e.g. among these fileshttp://rapidlibrary.com/index.php?q=...ansformers+pdf
transformer 相关文章:
- transformer S11 simulation
- Where Can I buy Transformer Core Ferrites for Frequencies ABOVE 200 MHz ?
- Can a transformer be used to convert single ended signal to differential signal?
- asking about quarter wavelength transformer?
- What is the best option to solve too wide quarterwave transformer problem?
- Transformer matching network design
