Question about balun
时间:04-08
整理:3721RD
点击:
Hi All,
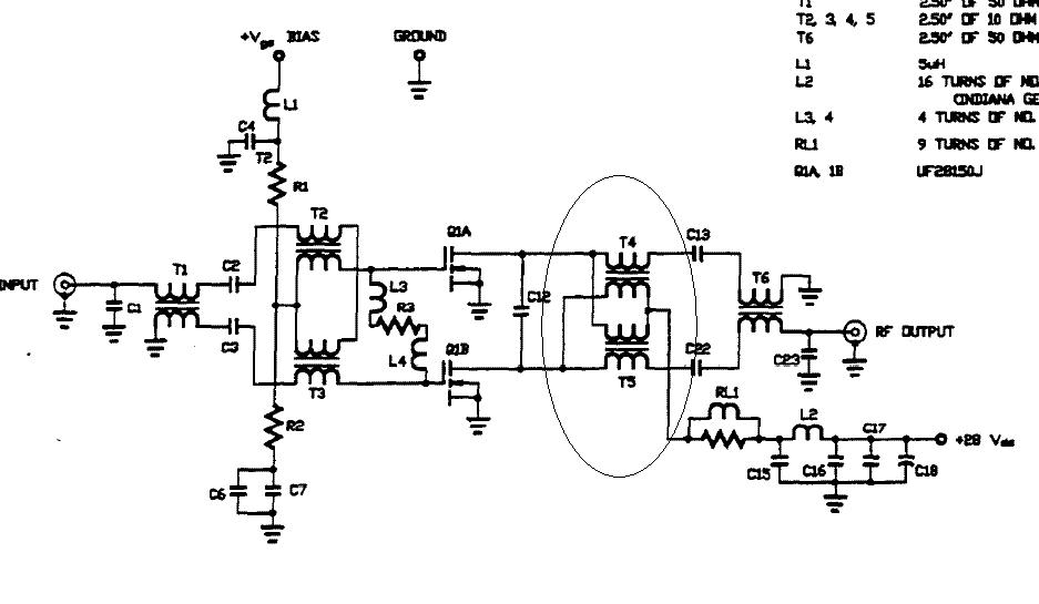
Does anyone know the balun(T2&T3) in the following figure is 1:4 or 1:9.
the fet is D1009UK of semelab.
Thank.
[url=http://images.elektroda.net/37_1250860689.jpg]
Does anyone know the balun(T2&T3) in the following figure is 1:4 or 1:9.
the fet is D1009UK of semelab.
Thank.
[url=http://images.elektroda.net/37_1250860689.jpg]

So what do you really want to know?
1:4
Thank vfone, chaoFan.
May you tell me what is the different between this balun and the balun(T4&T5) as following fig?
the mosfet is UF28150J of macom.

Nothing is different. T4,T5 are 1:1 t-line transformers, The way they are hooked up creates a 4:1 transmision line transformer.
Thank.
How can I calculate the impedance transform of this balun with I and V.or Are there some book or paper about it?
